| 1.-SECCIÓN/ CAPÍTULO/ ARTÍCULO/ PÁRRAFO/ FRACCIÓN/ INCISO | 2.-EMISOR DEL COMENTARIO | 3.-PROPUESTA / COMENTARIO / JUSTIFICACIÓN | 4.-RESPUESTA | 5.-TEXTO FINAL DE LA REGULACIÓN | |||||||||||||||||||||||||||||||||||||||||||||||||||||||||||||
| Proyecto de Norma Oficial Mexicana PROY-NOM-015-ASEA-2023, Descompresión de Gas Natural Comprimido. | | | Se modifica la referencia al instrumento regulatorio conforme a la etapa en la que se encuentra. | NORMA Oficial Mexicana NOM-015-ASEA-2023, Descompresión de Gas Natural Comprimido. | |||||||||||||||||||||||||||||||||||||||||||||||||||||||||||||
| Al margen un sello con el Escudo Nacional, que dice: Estados Unidos Mexicanos. - Agencia Nacional de Seguridad Industrial y de Protección al Medio Ambiente del Sector Hidrocarburos. ÁNGEL CARRIZALES LÓPEZ, |Director Ejecutivo de la Agencia Nacional de Seguridad Industrial y de Protección al Medio Ambiente del Sector Hidrocarburos y Presidente del Comité Consultivo Nacional de Normalización de Seguridad Industrial y Operativa y Protección al Medio Ambiente del Sector Hidrocarburos, con fundamento en los artículos Transitorio Décimo Noveno, segundo párrafo, del Decreto por el que se reforman y adicionan diversas disposiciones de la Constitución Política de los Estados Unidos Mexicanos, en Materia de Energía, publicado en el Diario Oficial de la Federación el 20 de diciembre de 2013; 1o., 2o., fracción I, 17 y 26 de la Ley Orgánica de la Administración Pública Federal; 1o., 2o., 3o., fracción XI, inciso c), 4o., 5o., fracciones III, IV, VI y XXX, 6o., fracción I, incisos a) y d), fracción II, inciso a), 27 y 31, fracciones II, IV y VIII, de la Ley de la Agencia Nacional de Seguridad Industrial y de Protección al Medio Ambiente del Sector Hidrocarburos; 1o., 95 y 129 de la Ley de Hidrocarburos; Cuarto Transitorio de la Ley de Infraestructura de la Calidad; 1o., 38, fracciones II y IX, 40, fracciones I, III, X, XI, XIII y XVIII, 41, 43, 44, 45, 46, 47, fracción I, y 73 de la Ley Federal sobre Metrología y Normalización; 1o. y 4o. de la Ley Federal de Procedimiento Administrativo; 1o. y 3o., párrafos primero y segundo, fracciones I, XIV, XX y XLVII del Reglamento Interior de la Agencia Nacional de Seguridad Industrial y de Protección al Medio Ambiente del Sector Hidrocarburos; 1o., 2o. fracciones I y II, 3o., inciso B, fracción IV, 40, primer párrafo, 41, 42 fracciones VI y VIII del Reglamento Interior de la Secretaría de Medio Ambiente y Recursos Naturales; 1o., 28, 33 y 34 del Reglamento de la Ley Federal sobre Metrología y Normalización; y | | | Se modifica el párrafo conforme a la etapa en la que se encuentra el instrumento regulatorio y se actualiza la referencia del sello institucional, de la Secretaría de Estado y la dependencia que emite el documento. Asimismo, se elimina la fracción I del artículo 47 de la Ley Federal sobre Metrología y Normalización, conforme a la etapa en la que se encuentra el instrumento regulatorio. | Al margen un sello con el Escudo Nacional, que dice: Estados Unidos Mexicanos. MEDIO AMBIENTE.- Secretaría de Medio Ambiente y Recursos Naturales.- ASEA.- Agencia de Seguridad, Energía y Ambiente. ÁNGEL CARRIZALES LÓPEZ, Director Ejecutivo de la Agencia Nacional de Seguridad Industrial y de Protección al Medio Ambiente del Sector Hidrocarburos y Presidente del Comité Consultivo Nacional de Normalización de Seguridad Industrial y Operativa y Protección al Medio Ambiente del Sector Hidrocarburos, con fundamento en los artículos Transitorio Décimo Noveno, segundo párrafo, del Decreto por el que se reforman y adicionan diversas disposiciones de la Constitución Política de los Estados Unidos Mexicanos, en Materia de Energía, publicado en el Diario Oficial de la Federación el 20 de diciembre de 2013; 1o., 2o., fracción I, 17 y 26 de la Ley Orgánica de la Administración Pública Federal; 1o., 2o., 3o., fracción XI, inciso c), 4o., 5o., fracciones III, IV, VI y XXX, 6o., fracción I, incisos a) y d), fracción II, inciso a), 27 y 31, fracciones II, IV y VIII, de la Ley de la Agencia Nacional de Seguridad Industrial y de Protección al Medio Ambiente del Sector Hidrocarburos; 1o., 95 y 129 de la Ley de Hidrocarburos; Cuarto Transitorio de la Ley de Infraestructura de la Calidad; 1o., 38, fracciones II y IX, 40, fracciones I, III, X, XI, XIII y XVIII, 41, 43, 44, 45, 46, 47 y 73 de la Ley Federal sobre Metrología y Normalización; 1o. y 4o. de la Ley Federal de Procedimiento Administrativo; 1o. y 3o., párrafos primero y segundo, fracciones I, XIV, XX y XLVII del Reglamento Interior de la Agencia Nacional de Seguridad Industrial y de Protección al Medio Ambiente del Sector Hidrocarburos; 1o., 2o. fracciones I y II, 3o., inciso B, fracción IV, 40, primer párrafo, 41, 42 fracciones VI y VIII del Reglamento Interior de la Secretaría de Medio Ambiente y Recursos Naturales; 1o., 28, 33 y 34 del Reglamento de la Ley Federal sobre Metrología y Normalización; y | |||||||||||||||||||||||||||||||||||||||||||||||||||||||||||||
| CONSIDERANDO Que el 20 de diciembre de 2013, se publicó en el Diario Oficial de la Federación el Decreto por el que se reforman y adicionan disposiciones de la Constitución Política de los Estados Unidos Mexicanos, en Materia de Energía, en cuyo artículo Transitorio Décimo Noveno se establece como mandato al Congreso de la Unión realizar adecuaciones al marco jurídico para crear la Agencia Nacional de Seguridad Industrial y de Protección al Medio Ambiente del Sector Hidrocarburos (Agencia), como órgano administrativo desconcentrado de la Secretaría del ramo en materia de medio ambiente, con autonomía técnica y de gestión; con atribuciones para regular y supervisar, en materia de Seguridad Industrial, Seguridad Operativa y protección al medio ambiente, las Instalaciones y actividades del Sector Hidrocarburos, incluyendo las actividades de desmantelamiento y abandono de Instalaciones, así como el control integral de Residuos. | | | | CONSIDERANDO Que el 20 de diciembre de 2013, se publicó en el Diario Oficial de la Federación el Decreto por el que se reforman y adicionan disposiciones de la Constitución Política de los Estados Unidos Mexicanos, en Materia de Energía, en cuyo artículo Transitorio Décimo Noveno se establece como mandato al Congreso de la Unión realizar adecuaciones al marco jurídico para crear la Agencia Nacional de Seguridad Industrial y de Protección al Medio Ambiente del Sector Hidrocarburos (Agencia), como órgano administrativo desconcentrado de la Secretaría del ramo en materia de medio ambiente, con autonomía técnica y de gestión; con atribuciones para regular y supervisar, en materia de Seguridad Industrial, Seguridad Operativa y protección al medio ambiente, las Instalaciones y actividades del Sector Hidrocarburos, incluyendo las actividades de desmantelamiento y abandono de Instalaciones, así como el control integral de Residuos. | |||||||||||||||||||||||||||||||||||||||||||||||||||||||||||||
| Que el 11 de agosto de 2014, se publicó en el Diario Oficial de la Federación la Ley de Hidrocarburos cuyo artículo 95 establece que la industria del Sector Hidrocarburos es de exclusiva jurisdicción federal, por lo que en consecuencia, únicamente el Gobierno Federal puede dictar las disposiciones técnicas, reglamentarias y de regulación en la materia, incluyendo aquéllas relacionadas con el desarrollo sustentable, el equilibrio ecológico y la protección al medio ambiente en el desarrollo de la referida industria. | | | | Que el 11 de agosto de 2014, se publicó en el Diario Oficial de la Federación la Ley de Hidrocarburos cuyo artículo 95 establece que la industria del Sector Hidrocarburos es de exclusiva jurisdicción federal, por lo que en consecuencia, únicamente el Gobierno Federal puede dictar las disposiciones técnicas, reglamentarias y de regulación en la materia, incluyendo aquéllas relacionadas con el desarrollo sustentable, el equilibrio ecológico y la protección al medio ambiente en el desarrollo de la referida industria. | |||||||||||||||||||||||||||||||||||||||||||||||||||||||||||||
| Que de conformidad con lo establecido en el artículo 84, fracción XV, de la Ley de Hidrocarburos, los Permisionarios estarán obligados a cumplir con la regulación, lineamientos y disposiciones administrativas que emitan la Secretaría de Energía, la Secretaría de Hacienda y Crédito Público, la Comisión Nacional de Hidrocarburos y la Agencia Nacional de Seguridad Industrial y de Protección al Medio Ambiente del Sector Hidrocarburos, en el ámbito de sus respectivas competencias. | | | | Que de conformidad con lo establecido en el artículo 84, fracción XV, de la Ley de Hidrocarburos, los Permisionarios estarán obligados a cumplir con la regulación, lineamientos y disposiciones administrativas que emitan la Secretaría de Energía, la Secretaría de Hacienda y Crédito Público, la Comisión Nacional de Hidrocarburos y la Agencia Nacional de Seguridad Industrial y de Protección al Medio Ambiente del Sector Hidrocarburos, en el ámbito de sus respectivas competencias. | |||||||||||||||||||||||||||||||||||||||||||||||||||||||||||||
| Que de conformidad con lo establecido en el artículo 129 de la Ley de Hidrocarburos, corresponde a la Agencia Nacional de Seguridad Industrial y de Protección al Medio Ambiente del Sector Hidrocarburos emitir la regulación y la normatividad aplicable en materia de Seguridad Industrial y Seguridad Operativa, así como de protección al medio ambiente en la industria de Hidrocarburos, a fin de promover, aprovechar y desarrollar de manera sustentable las actividades de dicha industria y aportar los elementos técnicos para el diseño y la definición de la política pública en materia energética, de protección al medio ambiente y recursos naturales. | | | | Que de conformidad con lo establecido en el artículo 129 de la Ley de Hidrocarburos, corresponde a la Agencia Nacional de Seguridad Industrial y de Protección al Medio Ambiente del Sector Hidrocarburos emitir la regulación y la normatividad aplicable en materia de Seguridad Industrial y Seguridad Operativa, así como de protección al medio ambiente en la industria de Hidrocarburos, a fin de promover, aprovechar y desarrollar de manera sustentable las actividades de dicha industria y aportar los elementos técnicos para el diseño y la definición de la política pública en materia energética, de protección al medio ambiente y recursos naturales. | |||||||||||||||||||||||||||||||||||||||||||||||||||||||||||||
| Que el 11 de agosto de 2014, se publicó en el Diario Oficial de la Federación la Ley de la Agencia Nacional de Seguridad Industrial y de Protección al Medio Ambiente del Sector Hidrocarburos, en la cual se establece que ésta tiene por objeto la protección de las personas, el medio ambiente y las Instalaciones del Sector Hidrocarburos, por lo que cuenta con atribuciones para regular, supervisar y sancionar en materia de Seguridad Industrial, Seguridad Operativa y protección al medio ambiente las actividades del Sector Hidrocarburos. | | | | Que el 11 de agosto de 2014, se publicó en el Diario Oficial de la Federación la Ley de la Agencia Nacional de Seguridad Industrial y de Protección al Medio Ambiente del Sector Hidrocarburos, en la cual se establece que ésta tiene por objeto la protección de las personas, el medio ambiente y las Instalaciones del Sector Hidrocarburos, por lo que cuenta con atribuciones para regular, supervisar y sancionar en materia de Seguridad Industrial, Seguridad Operativa y protección al medio ambiente las actividades del Sector Hidrocarburos. | |||||||||||||||||||||||||||||||||||||||||||||||||||||||||||||
| Que el 31 de octubre de 2014, se publicó en el Diario Oficial de la Federación, el Reglamento Interior de la Agencia Nacional de Seguridad Industrial y de Protección al medio ambiente del Sector Hidrocarburos, en el que se detalla el conjunto de facultades que debe ejercer esta Agencia. | | | | Que el 31 de octubre de 2014, se publicó en el Diario Oficial de la Federación, el Reglamento Interior de la Agencia Nacional de Seguridad Industrial y de Protección al medio ambiente del Sector Hidrocarburos, en el que se detalla el conjunto de facultades que debe ejercer esta Agencia. | |||||||||||||||||||||||||||||||||||||||||||||||||||||||||||||
| Que de conformidad con lo establecido en el artículo 38, fracción II, de la Ley Federal sobre Metrología y Normalización publicada en el Diario Oficial de la Federación el 1o. de julio de 1992, corresponde a las dependencias, según su ámbito de competencia, expedir Normas Oficiales Mexicanas en las materias relacionadas con sus atribuciones y determinar su fecha de entrada en vigor. | | | | Que de conformidad con lo establecido en el artículo 38, fracción II, de la Ley Federal sobre Metrología y Normalización publicada en el Diario Oficial de la Federación el 1o. de julio de 1992, corresponde a las dependencias, según su ámbito de competencia, expedir Normas Oficiales Mexicanas en las materias relacionadas con sus atribuciones y determinar su fecha de entrada en vigor. | |||||||||||||||||||||||||||||||||||||||||||||||||||||||||||||
| Que de conformidad con lo establecido en el artículo 40, fracciones I y XIII de la Ley Federal sobre Metrología y Normalización, las Normas Oficiales Mexicanas tienen como finalidad, entre otras, señalar las características y/o especificaciones que deban reunir los productos y procesos cuando éstos puedan constituir un riesgo para la seguridad de las personas, dañar la salud humana, animal, vegetal y el medio ambiente general y laboral o para la preservación de recursos naturales; así como las características y especificaciones que deben reunir los equipos, materiales, dispositivos e Instalaciones industriales particularmente cuando sean peligrosos. | | | | Que de conformidad con lo establecido en el artículo 40, fracciones I y XIII de la Ley Federal sobre Metrología y Normalización, las Normas Oficiales Mexicanas tienen como finalidad, entre otras, señalar las características y/o especificaciones que deban reunir los productos y procesos cuando éstos puedan constituir un riesgo para la seguridad de las personas, dañar la salud humana, animal, vegetal y el medio ambiente general y laboral o para la preservación de recursos naturales; así como las características y especificaciones que deben reunir los equipos, materiales, dispositivos e Instalaciones industriales particularmente cuando sean peligrosos. | |||||||||||||||||||||||||||||||||||||||||||||||||||||||||||||
| Que la Descompresión de Gas Natural Comprimido es una actividad que permite suministrar Gas Natural a industrias o redes comerciales y residenciales ubicadas fuera del área de cobertura de un Ducto de transporte o distribución, y que por las características inherentes del Gas Natural, por la naturaleza del proceso que se requiere para descomprimirlo y por la convivencia que tiene esta Instalación con la industria que consumirá el gas, es necesario establecer los requisitos y especificaciones relacionados con la infraestructura y los procesos que permitan disminuir, controlar y/o mitigar los riesgos asociados; favoreciendo de esta manera la protección de las personas, la integridad de las Instalaciones y la continuidad del suministro. | | | | Que la Descompresión de Gas Natural Comprimido es una actividad que permite suministrar Gas Natural a industrias o redes comerciales y residenciales ubicadas fuera del área de cobertura de un Ducto de transporte o distribución, y que por las características inherentes del Gas Natural, por la naturaleza del proceso que se requiere para descomprimirlo y por la convivencia que tiene esta Instalación con la industria que consumirá el gas, es necesario establecer los requisitos y especificaciones relacionados con la infraestructura y los procesos que permitan disminuir, controlar y/o mitigar los riesgos asociados; favoreciendo de esta manera la protección de las personas, la integridad de las Instalaciones y la continuidad del suministro. | |||||||||||||||||||||||||||||||||||||||||||||||||||||||||||||
| Que el 1 de julio de 2020, se publicó en el Diario Oficial de la Federación el Decreto por el que se expide la Ley de Infraestructura de la Calidad y se abroga la Ley Federal sobre Metrología y Normalización, y que en su artículo Cuarto Transitorio señala que las Propuestas, Anteproyectos y Proyectos de Normas Oficiales Mexicanas y Estándares que a la fecha de entrada en vigor de dicho Decreto se encuentren en trámite y que no hayan sido publicados, deberán ajustarse a lo dispuesto por la Ley Federal sobre Metrología y Normalización, su Reglamento y demás disposiciones secundarias vigentes al momento de su elaboración y hasta su conclusión. | | | | Que el 1 de julio de 2020, se publicó en el Diario Oficial de la Federación el Decreto por el que se expide la Ley de Infraestructura de la Calidad y se abroga la Ley Federal sobre Metrología y Normalización, y que en su artículo Cuarto Transitorio señala que las Propuestas, Anteproyectos y Proyectos de Normas Oficiales Mexicanas y Estándares que a la fecha de entrada en vigor de dicho Decreto se encuentren en trámite y que no hayan sido publicados, deberán ajustarse a lo dispuesto por la Ley Federal sobre Metrología y Normalización, su Reglamento y demás disposiciones secundarias vigentes al momento de su elaboración y hasta su conclusión. | |||||||||||||||||||||||||||||||||||||||||||||||||||||||||||||
| Que el 25 de febrero de 2021 se publicó en el Diario Oficial de la Federación el Programa Nacional de Infraestructura de la Calidad 2021 en el cual la Agencia inscribió en términos de la Ley Federal sobre Metrología y Normalización como tema reprogramado a ser desarrollado como norma la Descompresión de Gas Natural Comprimido para establecer las especificaciones técnicas y requisitos de Seguridad Industrial, Seguridad Operativa y de protección al medio ambiente que deben cumplir los Regulados que realicen esta actividad, durante las etapas de Diseño, Construcción, Operación y Mantenimiento del proyecto; con la finalidad de prevenir, controlar y mitigar los riesgos asociados a la Instalación y sus procesos. | | | | Que el 25 de febrero de 2021 se publicó en el Diario Oficial de la Federación el Programa Nacional de Infraestructura de la Calidad 2021 en el cual la Agencia inscribió en términos de la Ley Federal sobre Metrología y Normalización como tema reprogramado a ser desarrollado como norma la Descompresión de Gas Natural Comprimido para establecer las especificaciones técnicas y requisitos de Seguridad Industrial, Seguridad Operativa y de protección al medio ambiente que deben cumplir los Regulados que realicen esta actividad, durante las etapas de Diseño, Construcción, Operación y Mantenimiento del proyecto; con la finalidad de prevenir, controlar y mitigar los riesgos asociados a la Instalación y sus procesos. | |||||||||||||||||||||||||||||||||||||||||||||||||||||||||||||
| Que el presente Proyecto de Norma Oficial Mexicana PROY-NOM-015-ASEA-2023, Descompresión de Gas Natural Comprimido fue aprobado por el Comité Consultivo Nacional de Normalización de Seguridad Industrial y Operativa y Protección al Medio Ambiente del Sector Hidrocarburos en su Decimoséptima Sesión Ordinaria celebrada el día 16 de febrero de 2023, en cumplimiento a lo previsto por el artículo 47, fracción I, de la Ley Federal de Metrología y Normalización, con el fin de que dentro de los 60 días naturales siguientes a su publicación en el Diario Oficial de la Federación, los interesados presenten sus comentarios por escrito ante el Comité que lo propuso ubicado en Boulevard Adolfo Ruiz Cortines No. 4209, Colonia Jardines en la Montaña, Alcaldía Tlalpan, Ciudad de México, C.P. 14210, México o bien, al correo electrónico: jose.contreras@asea.gob.mx. | | | Se modifica el párrafo conforme a la etapa en la que se encuentra el instrumento regulatorio. | Que el Proyecto de Norma Oficial Mexicana PROY-NOM-015-ASEA-2023, Descompresión de Gas Natural Comprimido fue aprobado por el Comité Consultivo Nacional de Normalización de Seguridad Industrial y Operativa y Protección al Medio Ambiente del Sector Hidrocarburos en su Decimoséptima Sesión Ordinaria celebrada el día 16 de febrero de 2023, en cumplimiento a lo previsto por el artículo 47, fracción I, de la Ley Federal de Metrología y Normalización, con el fin de que dentro de los 60 días naturales siguientes a su publicación en el Diario Oficial de la Federación, los interesados presentaran sus comentarios por escrito ante el Comité que lo propuso ubicado en Boulevard Adolfo Ruiz Cortines No. 4209, Colonia Jardines en la Montaña, Alcaldía Tlalpan, Ciudad de México, C.P. 14210, México o bien, al correo electrónico: jose.contreras@asea.gob.mx. | |||||||||||||||||||||||||||||||||||||||||||||||||||||||||||||
| Que conforme a la última parte de la fracción I del artículo 47 de la Ley Federal sobre Metrología y Normalización, durante el plazo referido en el párrafo anterior, el Análisis de Impacto Regulatorio a que alude el diverso artículo 45 del ordenamiento citado, estará a disposición del público en general para su consulta en el domicilio señalado. | | | Se modifica el párrafo conforme a la etapa en la que se encuentra el instrumento regulatorio. | Que de conformidad con lo previsto en el artículo 47 fracción I de la Ley Federal sobre Metrología y Normalización, con fecha 27 de febrero de 2023, se publicó en el Diario Oficial de la Federación el Proyecto de Norma Oficial Mexicana PROY-NOM-015-ASEA-2023, Descompresión de Gas Natural Comprimido, para su consulta pública, con una duración de 60 días naturales, los cuales empezaron a contar a partir del día siguiente de la fecha de su publicación, plazo durante el cual, el Análisis de Impacto Regulatorio a que se refiere el artículo 45 de la Ley Federal sobre Metrología y Normalización, estuvo a disposición del público para su consulta. | |||||||||||||||||||||||||||||||||||||||||||||||||||||||||||||
| -Sin texto- | | | Con fundamento en los artículos Cuarto Transitorio de la Ley de Infraestructura de la Calidad; 47, fracciones I y II de la Ley Federal sobre Metrología y Normalización; y 2, 6, fracciones II y XIII, 10, fracción VI y XV de las Reglas de Operación del Comité Consultivo Nacional de Normalización de Seguridad Industrial y Operativa y Protección al Medio Ambiente del Sector Hidrocarburos; derivado del estudio y análisis del documento, se adiciona un párrafo dentro del apartado de los Considerandos en el que se señalan los oficios con la opinión favorable de la Secretaría de Medio Ambiente y Recursos Naturales en materia de protección al medio ambiente y de la Secretaría de Energía, la Comisión Nacional de Hidrocarburos y la Comisión Reguladora de Energía, en materia de Seguridad Industrial y Seguridad Operativa. Lo anterior, con fundamento en el artículo 5, fracción IV de la Ley de la Agencia Nacional de Seguridad Industrial y de Protección al Medio Ambiente del Sector Hidrocarburos. | Que conforme a lo dispuesto en el artículo 5o., fracción IV de la Ley de la Agencia Nacional de Seguridad Industrial y de Protección al Medio Ambiente del Sector Hidrocarburos se solicitó opinión respecto del contenido de la presente Norma a la Secretaría de Medio Ambiente y Recursos Naturales, la Secretaría de Energía, la Comisión Nacional de Hidrocarburos y la Comisión Reguladora de Energía, las cuales emitieron opinión favorable, debidamente fundada y motivada, mediante los oficios No. 112/01089 del 4 de mayo de 2023, 500.SSH.248/2023 del 15 de agosto de 2023, 230.178/2023 del 1 de marzo de 2023 y UH-250/27426/2023 del 19 de junio de 2023, respectivamente. | |||||||||||||||||||||||||||||||||||||||||||||||||||||||||||||
| -Sin texto- | | | Se integra el párrafo conforme a la etapa en la que se encuentra el instrumento regulatorio. | Que cumplido el procedimiento establecido en los artículos 38, 44, 45 y 47 de la Ley Federal sobre Metrología y Normalización y su Reglamento, para la elaboración de Normas Oficiales Mexicanas, el Comité Consultivo Nacional de Normalización de Seguridad Industrial y Operativa y Protección al Medio Ambiente del Sector Hidrocarburos en su Decimoctava Sesión Ordinaria de fecha 1 de agosto de 2023, aprobó la respuesta a comentarios y la presente Norma Oficial Mexicana NOM-015-ASEA-2023, Descompresión de Gas Natural Comprimido. | |||||||||||||||||||||||||||||||||||||||||||||||||||||||||||||
| En virtud de lo antes expuesto, se tiene a bien expedir el presente Proyecto de Norma Oficial Mexicana PROY-NOM-015-ASEA-2023, Descompresión de Gas Natural Comprimido. Ciudad de México, a los xx días del mes de xxx de xxxx. - El Director Ejecutivo de la Agencia Nacional de Seguridad Industrial y Protección al Medio Ambiente del Sector Hidrocarburos y Presidente del Comité Consultivo Nacional de Normalización de Seguridad Industrial y Operativa y Protección al Medio Ambiente del Sector Hidrocarburos, Ángel Carrizales López. - Rúbrica. | | | Se modifica el párrafo conforme a la etapa en la que se encuentra el instrumento regulatorio. | En virtud de lo antes expuesto, se tiene a bien expedir la presente Norma Oficial Mexicana NOM-015-ASEA-2023, Descompresión de Gas Natural Comprimido. Ciudad de México, a los xx días del mes de xxx de xxxx. - El Director Ejecutivo de la Agencia Nacional de Seguridad Industrial y Protección al Medio Ambiente del Sector Hidrocarburos y Presidente del Comité Consultivo Nacional de Normalización de Seguridad Industrial y Operativa y Protección al Medio Ambiente del Sector Hidrocarburos, Ángel Carrizales López. - Rúbrica. | |||||||||||||||||||||||||||||||||||||||||||||||||||||||||||||
| PREFACIO El presente Proyecto de Norma Oficial Mexicana fue elaborado por el Comité Consultivo Nacional de Normalización de Seguridad Industrial y Operativa y Protección al Medio Ambiente del Sector Hidrocarburos, con la colaboración de los sectores siguientes: 1. Dependencias y Entidades de la Administración Pública Federal: Comisión Reguladora de Energía (CRE) Secretaría de Economía (SE) Centro Nacional de Prevención de Desastres (CENAPRED) 2. Organizaciones Industriales y Asociaciones del Ramo: Asociación Mexicana de Gas Natural (AMGN) Asociación Mexicana de Gas Natural Vehicular, Comprimido, Licuado y Biogás (AMGNV) 3. Instituciones de investigación científica y profesionales: Universidad Nacional Autónoma de México (UNAM) | | | Se modifica la referencia al instrumento regulatorio conforme a la etapa en la que se encuentra. | PREFACIO La presente Norma Oficial Mexicana fue elaborada por el Comité Consultivo Nacional de Normalización de Seguridad Industrial y Operativa y Protección al Medio Ambiente del Sector Hidrocarburos, con la colaboración de los sectores siguientes: 1. Dependencias y Entidades de la Administración Pública Federal: · Comisión Reguladora de Energía (CRE) · Secretaría de Economía (SE) · Centro Nacional de Prevención de Desastres (CENAPRED) 2. Organizaciones Industriales y Asociaciones del Ramo: · Asociación Mexicana de Gas Natural (AMGN) · Asociación Mexicana de Gas Natural Vehicular, Comprimido, Licuado y Biogás (AMGNV) 3. Instituciones de investigación científica y profesionales: · Universidad Nacional Autónoma de México (UNAM) | |||||||||||||||||||||||||||||||||||||||||||||||||||||||||||||
| ÍNDICE DEL CONTENIDO 1. Objetivo 2. Campo de aplicación 3. Referencias normativas 4. Términos y Definiciones 5. Diseño 6. Construcción 7. Operación y Mantenimiento 8. Procedimiento de la Evaluación de la Conformidad 9. Grado de concordancia con normas nacionales e internacionales 10. Vigilancia de la Norma 11. Bibliografía TRANSITORIOS Apéndice A (Informativo) | CRE UH-250/1961/2023 | Debe decir: ÍNDICE DEL CONTENIDO 1. Objetivo [...] 4. Términos, Definiciones y Acrónimos [...] Justificación técnica y/o jurídica: Se propone ajuste conforme numeral 4.0 del Proyecto de NOM. | PROCEDE Con fundamento en los artículos Cuarto Transitorio de la Ley de Infraestructura de la Calidad; 47, fracciones I y II de la Ley Federal sobre Metrología y Normalización; 5, fracción IV de la Ley de la Agencia Nacional de Seguridad Industrial y de Protección al Medio Ambiente del Sector Hidrocarburos; y 2, 6, fracciones II y XIII, 10, fracción VI y XV de las Reglas de Operación del Comité Consultivo Nacional de Normalización de Seguridad Industrial y Operativa y Protección al Medio Ambiente del Sector Hidrocarburos, y derivado de la revisión y análisis al presente comentario se determinó que PROCEDE el ajuste del Índice del Contenido respecto al cuerpo de la norma, por lo que se modifica para brindar mayor claridad al instrumento. | ÍNDICE DEL CONTENIDO 1. Objetivo 2. Campo de aplicación 3. Referencias normativas 4. Términos, Definiciones y Acrónimos 5. Diseño 6. Construcción 7. Operación y Mantenimiento 8. Procedimiento de la Evaluación de la Conformidad 9. Grado de concordancia con normas nacionales e internacionales 10. Vigilancia de la Norma 11. Bibliografía TRANSITORIOS Apéndice A (Informativo) | |||||||||||||||||||||||||||||||||||||||||||||||||||||||||||||
| 1. Objetivo El presente Proyecto de Norma Oficial Mexicana establece las especificaciones técnicas y requisitos de Seguridad Industrial, Seguridad Operativa y de protección al medio ambiente que deben cumplir las Instalaciones de los Regulados que realicen la actividad de Descompresión de Gas Natural Comprimido. | | | Se modifica la referencia al instrumento regulatorio conforme a la etapa en la que se encuentra. | 1. Objetivo La presente Norma Oficial Mexicana establece las especificaciones técnicas y requisitos de Seguridad Industrial, Seguridad Operativa y de protección al medio ambiente que deben cumplir las Instalaciones de los Regulados que realicen la actividad de Descompresión de Gas Natural Comprimido. | |||||||||||||||||||||||||||||||||||||||||||||||||||||||||||||
| 2. Campo de aplicación El presente Proyecto de Norma Oficial Mexicana aplica en todo el territorio nacional y zonas sobre las que la Nación ejerza su soberanía y jurisdicción, y es de observancia general y obligatoria para los Regulados que lleven a cabo la actividad de Descompresión de Gas Natural Comprimido, durante las etapas de Diseño, Construcción, Operación y Mantenimiento del proyecto. | | | Se modifica la referencia al instrumento regulatorio conforme a la etapa en la que se encuentra. | 2. Campo de aplicación La presente Norma Oficial Mexicana aplica en todo el territorio nacional y zonas sobre las que la Nación ejerza su soberanía y jurisdicción, y es de observancia general y obligatoria para los Regulados que lleven a cabo la actividad de Descompresión de Gas Natural Comprimido, durante las etapas de Diseño, Construcción, Operación y Mantenimiento del proyecto. | |||||||||||||||||||||||||||||||||||||||||||||||||||||||||||||
| El presente Proyecto de Norma Oficial Mexicana considera tanto la Instalación de Descompresión con Equipos integrados como Equipos paquete. | AMGN Ing. Jorge Sandoval Toscano | Debe decir: El presente Proyecto de Norma Oficial Mexicana considera tanto la Instalación de Descompresión con Equipos integrados como Equipos paquete desde la válvula de entrada de GNC al equipo de descompresión hasta la válvula de entrega a la instalación de aprovechamiento de gas natural. Justificación técnica y/o jurídica: Definir el alcance de la norma en cuanto a la instalación. Para no entrar en conflicto con el alcance de la NOM-010-ASEA-2016 que abarca hasta la terminal de descarga, siendo la válvula de entrega al equipo de descompresión donde iniciaría la aplicación de esta NOM. | PROCEDE PARCIALMENTE Con fundamento en los artículos Cuarto Transitorio de la Ley de Infraestructura de la Calidad; 47, fracciones I y II de la Ley Federal sobre Metrología y Normalización; 5, fracción IV de la Ley de la Agencia Nacional de Seguridad Industrial y de Protección al Medio Ambiente del Sector Hidrocarburos; y 2, 6, fracciones II y XIII, 10, fracción VI y XV de las Reglas de Operación del Comité Consultivo Nacional de Normalización de Seguridad Industrial y Operativa y Protección al Medio Ambiente del Sector Hidrocarburos, y derivado de la revisión y análisis al presente comentario, se determinó que PROCEDE PARCIALMENTE para precisar los límites de aplicación de la regulación, considerando que: - Para llevar a cabo la actividad de Descompresión, operativamente se requiere recibir el GNC en Módulos de Almacenamiento Transportables (MAT), descargar el GNC, realizar el proceso de reducción de presión y finalmente transferir el Gas Natural a baja presión a la Instalación de Aprovechamiento o al Sistema de ductos. - Esta Norma Oficial Mexicana regulará de forma integral las áreas, equipos, infraestructura y procesos necesarios para realizar la actividad de Descompresión de Gas Natural Comprimido (GNC). - Las áreas y componentes para recibir y descargar el GNC de los MAT en las Instalaciones de Descompresión son iguales que los empleados para el mismo fin en Estaciones de servicio satélites de GNC, estas últimas reguladas por la NOM-010-ASEA-2016; dichas áreas y componentes se denominan como "Terminales de descarga" en la referida norma; sin embargo, por si solas no realizan una actividad del sector hidrocarburos, son solo una etapa del proceso de Descompresión o de Expendio de GNC (mediante estación satélite). - Este Proyecto de Norma Oficial Mexicana que regulará la actividad de Descompresión de GNC, no emplea el término "terminal de descarga" para evitar confusión con lo establecido en la NOM-010-ASEA-2016, y se emplean los términos generales indicados en el 5.2.1.1 para describir qué compone la zona de descarga de GNC. En este sentido, y con el fin de fomentar la mejora regulatoria mediante la aplicación de una sola Norma Oficial Mexicana a la Instalación de Descompresión, se precisan los límites de la regulación en el campo de aplicación y se incluye el cuarto transitorio para indicar que a partir de la entrada en vigor de esta Norma no será aplicable lo relativo a terminales de descarga de la NOM-010-ASEA-2016. | La presente Norma Oficial Mexicana aplica por Instalación, para las áreas, equipos, infraestructura y procesos necesarios para realizar la actividad de Descompresión de Gas Natural Comprimido. | |||||||||||||||||||||||||||||||||||||||||||||||||||||||||||||
| | | | Derivado de la fracción II de los comentarios generales recibidos de la CRE a través del oficio UH-250/1961/2023, se modifica la redacción para precisar que la aplicación de la norma se realiza por instalación (punto de descompresión), tal como se indica en el objetivo del instrumento. Adicional a lo anterior, se modifica la referencia al instrumento regulatorio conforme a la etapa en la que se encuentra. | | |||||||||||||||||||||||||||||||||||||||||||||||||||||||||||||
| 3. Referencias normativas Para el cumplimiento del presente Proyecto de Norma Oficial Mexicana se deben consultar los siguientes documentos normativos vigentes o aquellos que los modifiquen o sustituyan: | CRE UH-250/1961/2023 | Debe decir: 3. Referencias normativas Para el cumplimiento del presente Proyecto de Norma Oficial Mexicana se deben consultar los siguientes documentos normativos los cuales deben ser vigentes, equivalentes o aquellos que los modifiquen o sustituyan: Justificación técnica y/o jurídica: Se propone incluir la palabra "equivalentes" y además se recomienda que, en cada una de las referencias a Normas, códigos o estándares indicadas en todo el documento del Proyecto de Norma, se elimine la repetición de que deben ser vigentes, equivalentes o aquellos que los modifiquen o sustituyan, toda vez que ya quedo indicado en este numeral. | PROCEDE PARCIALMENTE Con fundamento en los artículos Cuarto Transitorio de la Ley de Infraestructura de la Calidad; 47, fracciones I y II de la Ley Federal sobre Metrología y Normalización; 5, fracción IV de la Ley de la Agencia Nacional de Seguridad Industrial y de Protección al Medio Ambiente del Sector Hidrocarburos; y 2, 6, fracciones II y XIII, 10, fracción VI y XV de las Reglas de Operación del Comité Consultivo Nacional de Normalización de Seguridad Industrial y Operativa y Protección al Medio Ambiente del Sector Hidrocarburos, y derivado del estudio y análisis al comentario recibido, se determinó que PROCEDE PARCIALMENTE, debido a lo siguiente: | 3. Referencias normativas Para el cumplimiento de la presente Norma Oficial Mexicana se deben consultar los siguientes documentos normativos vigentes o aquellos que los modifiquen o sustituyan: | |||||||||||||||||||||||||||||||||||||||||||||||||||||||||||||
| | | | Para las normas oficiales mexicanas el término equivalente no es aplicable debido a que estas son de carácter obligatorio. Por este motivo no se considera viable utilizar la palabra equivalente de forma general en el párrafo introductorio de referencias normativas. Por otra parte, se eliminará la repetición en el cuerpo de la norma de los términos "vigente" o "aquellos que los modifiquen o sustituyan" toda vez que ya queda establecido en este numeral, y se homologará la nomenclatura de los estándares que aparecen en el cuerpo del documento de acuerdo con las referencias normativas. | | |||||||||||||||||||||||||||||||||||||||||||||||||||||||||||||
| | | | Se modifica la referencia al instrumento regulatorio conforme a la etapa en la que se encuentra. | | |||||||||||||||||||||||||||||||||||||||||||||||||||||||||||||
| 3.1 NOM-001-SEDE-2012.- Instalaciones Eléctricas (utilización). Publicada en el Diario Oficial de la Federación el 29 de noviembre de 2012. | | | | 3.1 NOM-001-SEDE-2012.- Instalaciones Eléctricas (utilización). Publicada en el Diario Oficial de la Federación el 29 de noviembre de 2012. | |||||||||||||||||||||||||||||||||||||||||||||||||||||||||||||
| 3.2 NOM-014-SCFI-1997.- Medidores de desplazamiento positivo tipo diafragma para gas natural o L.P.- Con capacidad máxima de 16 m3/h con caída de presión máxima de 200 Pa (20,40 mm de columna de agua). Publicada en el Diario Oficial de la Federación el 23 de octubre 1998. | | | | 3.2 NOM-014-SCFI-1997.- Medidores de desplazamiento positivo tipo diafragma para gas natural o L.P.- Con capacidad máxima de 16 m3/h con caída de presión máxima de 200 Pa (20,40 mm de columna de agua). Publicada en el Diario Oficial de la Federación el 23 de octubre 1998. | |||||||||||||||||||||||||||||||||||||||||||||||||||||||||||||
| 3.3 NOM-093-SCFI-2020.- Válvulas de relevo de presión (Seguridad, seguridad-alivio y alivio) operadas por resorte y piloto; fabricadas de acero y bronce. Publicada en el Diario Oficial de la Federación el 25 de noviembre del 2021. | | | | 3.3 NOM-093-SCFI-2020.- Válvulas de relevo de presión (Seguridad, seguridad-alivio y alivio) operadas por resorte y piloto; fabricadas de acero y bronce. Publicada en el Diario Oficial de la Federación el 25 de noviembre del 2021. | |||||||||||||||||||||||||||||||||||||||||||||||||||||||||||||
| 3.4 NOM-002-STPS-2010.- Condiciones de seguridad-Prevención y protección contra incendios en los centros de trabajo. Publicada en el Diario Oficial de la Federación el 9 de diciembre del 2010. | | | | 3.4 NOM-002-STPS-2010.- Condiciones de seguridad-Prevención y protección contra incendios en los centros de trabajo. Publicada en el Diario Oficial de la Federación el 9 de diciembre del 2010. | |||||||||||||||||||||||||||||||||||||||||||||||||||||||||||||
| 3.5 ISO 14313:2007/COR 1:2009. - Petroleum and natural gas industries - Pipeline transportation systems -Pipeline valves - Technical Corrigendum 1. (Industrias del petróleo y del gas natural-Sistemas de transporte por tuberias - Válvulas de tuberías - Corrección técnica 1). | | | Derivado del comentario recibido de la CRE a través del oficio UH-250/1961/2023 al numeral 3.10, se modifica la redacción para indicar la versión vigente. | 3.5 ISO 14313:2007.- Petroleum and natural gas industries - Pipeline transportation systems -Pipeline valves - Technical Corrigendum 1. (Industrias del petróleo y del gas natural-Sistemas de transporte por tuberías - Válvulas de tuberías - Corrección técnica 1). | |||||||||||||||||||||||||||||||||||||||||||||||||||||||||||||
| 3.6 ISO 7241-2014.- Hydraulic fluid power - Dimensions and requirements of quick-action couplings. (Potencia del fluido hidraúlico - Dimensiones y requisitos de los acoplamientos de acción rápida). | | | | 3.6 ISO 7241-2014.- Hydraulic fluid power - Dimensions and requirements of quick-action couplings. (Potencia del fluido hidráulico - Dimensiones y requisitos de los acoplamientos de acción rápida). | |||||||||||||||||||||||||||||||||||||||||||||||||||||||||||||
| 3.7 IEC 60534-8-1:2005. - Industrial-process control valves - Part 8-1: Noise considerations - Laboratory measurement of noise generated by aerodynamic flow through control valves. (Válvulas de control de procesos industriales - Parte 8-1: Consideraciones sobre el ruido - Medición en laboratorio del ruido generado por el flujo aerodinámico a través de las válvulas de control). | | | | 3.7 IEC 60534-8-1:2005. - Industrial-process control valves - Part 8-1: Noise considerations - Laboratory measurement of noise generated by aerodynamic flow through control valves. (Válvulas de control de procesos industriales - Parte 8-1: Consideraciones sobre el ruido - Medición en laboratorio del ruido generado por el flujo aerodinámico a través de las válvulas de control). | |||||||||||||||||||||||||||||||||||||||||||||||||||||||||||||
| 3.8 IEC 60534-8-2:2011. - Industrial-process control valves - Part 8-2: Noise considerations - Laboratory measurement of noise generated by hydrodynamic flow through control valves. (Válvulas de control de procesos industriales - Parte 8-2: Consideraciones sobre el ruido - Medición en laboratorio del ruido generado por el flujo hidrodinámico a través de las válvulas de control). | | | | 3.8 IEC 60534-8-2:2011. - Industrial-process control valves - Part 8-2: Noise considerations - Laboratory measurement of noise generated by hydrodynamic flow through control valves. (Válvulas de control de procesos industriales - Parte 8-2: Consideraciones sobre el ruido - Medición en laboratorio del ruido generado por el flujo hidrodinámico a través de las válvulas de control). | |||||||||||||||||||||||||||||||||||||||||||||||||||||||||||||
| 3.9 IEC 60534-3-1:2019. - Industrial-process control valves - Part 3-1: Dimensions - Face-to-face dimensions for flanged, two-way, globe-type, straight pattern and centre-to-face dimensions for flanged, two-way, globe-type, angle pattern control valves. (Válvulas de control de procesos industriales - Parte 3-1: Dimensiones - dimensiones entre caras para bridas, dos vías, tipo globo, patron recto y dimensiones de centro a cara para bridas, dos vías, tipo globo, válvulas de control de patron de ángulo). | | | | 3.9 IEC 60534-3-1:2019. - Industrial-process control valves - Part 3-1: Dimensions - Face-to-face dimensions for flanged, two-way, globe-type, straight pattern and centre-to-face dimensions for flanged, two-way, globe-type, angle pattern control valves. (Válvulas de control de procesos industriales - Parte 3-1: Dimensiones - dimensiones entre caras para bridas, dos vías, tipo globo, patrón recto y dimensiones de centro a cara para bridas, dos vías, tipo globo, válvulas de control de patrón de ángulo). | |||||||||||||||||||||||||||||||||||||||||||||||||||||||||||||
| 3.10 IEC 60534-4:2006. - Industrial-Process Control Valves - Part 4: Inspection and Routine Testing. (Válvulas de control de procesos industriales - Parte 4: Inspección y pruebas de rutina). | CRE UH-250/1961/2023 | Debe decir: IEC 60534-4:2022. - Industrial-Process Control Valves - Part 4: Inspection and Routine Testing. (Válvulas de control de procesos industriales - Parte 4: Inspección y pruebas de rutina). Justificación técnica y/o jurídica: Se propone indicar la última versión. | PROCEDE PARCIALMENTE Con fundamento en los artículos Cuarto Transitorio de la Ley de Infraestructura de la Calidad; 47, fracciones I y II de la Ley Federal sobre Metrología y Normalización; 5, fracción IV de la Ley de la Agencia Nacional de Seguridad Industrial y de Protección al Medio Ambiente del Sector Hidrocarburos; y 2, 6, fracciones II y XIII, 10, fracción VI y XV de las Reglas de Operación del Comité Consultivo Nacional de Normalización de Seguridad Industrial y Operativa y Protección al Medio Ambiente del Sector Hidrocarburos, y derivado de la revisión y análisis al presente comentario, se determinó que PROCEDE PARCIALMENTE debido a que la versión oficial vigente de dicho documento corresponde al año 2021 de acuerdo con la página oficial de la IEC (https://webstore.iec.ch/ publication/72947) por lo que se modifica el año correspondiente. Derivado de este comentario, se revisó la totalidad de referencias normativas, por lo que se modificaron los numerales 3.11, 3.14, 3.31, 3.37, 3.38, 3.39 y 3.45 para referir a la versión vigente y se eliminó el numeral 3.44 debido a que ya no se encuentra vigente. Asimismo, se elimina el numeral 3.46 debido a que no está referido en el cuerpo de la norma. | 3.10 IEC 60534-4:2021. - Industrial-Process Control Valves - Part 4: Inspection and Routine Testing. (Válvulas de control de procesos industriales - Parte 4: Inspección y pruebas de rutina). | |||||||||||||||||||||||||||||||||||||||||||||||||||||||||||||
| 3.11 ANSI/CSA NGV 4.2-2014 / CSA 12.52-2014.- Hoses for natural gas dispensing systems. (Mangueras para sistemas de dispensación de gas natural). | | | Derivado del comentario recibido de la CRE a través del oficio UH-250/1961/2023 al numeral 3.10, se modifica la redacción para indicar la versión vigente. | 3.11 CSA/ANSI NGV 4.2-2022.- Hose And Hose Assemblies For Compressed Natural Gas (CNG) Dispensing Systems For Natural Gas Vehicles (NGV) (Mangueras y accesorios de mangueras para sistemas de suministro de gas natural comprimido (CNG) para vehículos de gas natural (GNV)). | |||||||||||||||||||||||||||||||||||||||||||||||||||||||||||||
| 3.12 ANSI/FCI 4-1:2007. - Pressure Regulator Hydrostatic Shell Test Method. (Método de prueba hidrostática de carcasa del regulador de presión). | CRE UH-250/1961/2023 | Debe decir: ANSI/FCI 4-1:2014 (R2019). - Pressure Regulator Hydrostatic Shell Test Method. (Método de prueba hidrostática de carcasa del regulador de presión). Justificación técnica y/o jurídica: Se propone indicar la última versión. | PROCEDE Con fundamento en los artículos Cuarto Transitorio de la Ley de Infraestructura de la Calidad; 47, fracciones I y II de la Ley Federal sobre Metrología y Normalización; 5, fracción IV de la Ley de la Agencia Nacional de Seguridad Industrial y de Protección al Medio Ambiente del Sector Hidrocarburos; y 2, 6, fracciones II y XIII, 10, fracción VI y XV de las Reglas de Operación del Comité Consultivo Nacional de Normalización de Seguridad Industrial y Operativa y Protección al Medio Ambiente del Sector Hidrocarburos, y derivado de la revisión y análisis al presente comentario se determinó que PROCEDE la modificación de la referencia normativa a su versión vigente. | 3.12 ANSI/FCI 4-1-2014 (R2019).- Pressure Regulator Hydrostatic Shell Test Method. (Método de prueba hidrostática de carcasa del regulador de presión). | |||||||||||||||||||||||||||||||||||||||||||||||||||||||||||||
| 3.13 ANSI/FCI 70-3:2016. - Regulator Seat Leakage. (Fugas en el asiento del regulador). | CRE UH-250/1961/2023 | Debe decir: ANSI/FCI 70-3:2021. - Regulator Seat Leakage. (Fugas en el asiento del regulador). Justificación técnica y/o jurídica: Se propone indicar la última versión. | PROCEDE Con fundamento en los artículos Cuarto Transitorio de la Ley de Infraestructura de la Calidad; 47, fracciones I y II de la Ley Federal sobre Metrología y Normalización; 5, fracción IV de la Ley de la Agencia Nacional de Seguridad Industrial y de Protección al Medio Ambiente del Sector Hidrocarburos; y 2, 6, fracciones II y XIII, 10, fracción VI y XV de las Reglas de Operación del Comité Consultivo Nacional de Normalización de Seguridad Industrial y Operativa y Protección al Medio Ambiente del Sector Hidrocarburos, y derivado de la revisión y análisis al presente comentario se determinó que PROCEDE la modificación de la referencia normativa a su versión vigente. | 3.13 ANSI/FCI 70-3-2021. - Regulator Seat Leakage. (Fugas en el asiento del regulador). | |||||||||||||||||||||||||||||||||||||||||||||||||||||||||||||
| 3.14 ANSI/IAS NGV 4.4-1999/CSA 12.54-M1999 (R2014).- Breakaway Devices For Natural Gas Dispensing Hoses And Systems. (Dispositivos de separación para mangueras y sistemas dispensadores de gas natural). | | | Derivado del comentario recibido de la CRE a través del oficio UH-250/1961/2023 al numeral 3.10, se modifica la redacción para indicar la versión vigente. | 3.14 CSA/ANSI NGV 4.4-2021.- Breakaway Devices For Natural Gas Dispensing Hoses And Systems (Dispositivos de separación para mangueras y sistemas de suministro de gas natural). | |||||||||||||||||||||||||||||||||||||||||||||||||||||||||||||
| 3.15 ANSI/ISA 75.08.01-2016.- Face to face dimensions for integral flanged globe style control valve bodies. (Dimensiones entre caras para cuerpos de válvulas de control estilo globo con bridas integrales). | | | | 3.15 ANSI/ISA 75.08.01-2016.- Face to face dimensions for integral flanged globe style control valve bodies. (Dimensiones entre caras para cuerpos de válvulas de control estilo globo con bridas integrales). | |||||||||||||||||||||||||||||||||||||||||||||||||||||||||||||
| 3.16 ANSI/MSS SP-25-2018.- Standard Marking system for valves, fittings, flanges, and unions. (Sistema de marcado estándar para válvulas, accesorios, bridas y uniones). | | | | 3.16 ANSI/MSS SP-25-2018.- Standard Marking system for valves, fittings, flanges, and unions. (Sistema de marcado estándar para válvulas, accesorios, bridas y uniones). | |||||||||||||||||||||||||||||||||||||||||||||||||||||||||||||
| 3.17 ANSI Z21.10.3-2017/CSA 4.3-2017.- Gas-Fired Water Heaters, Volume III, Storage Water Heaters With Input Ratings Above 75,000 Btu Per Hour, Circulating And Instantaneous. (Calentadores de agua de almacenamiento con valores de entrada superiors a 75,000 BTU por hora, circulantes e instantanéos). | CRE UH-250/1961/2023 | Debe decir: ANSI Z21.10.3-2017/CSA 4.3-2017.- Gas-Fired Water Heaters, Volume III, Storage Water Heaters With Input Ratings Above 75,000 Btu Per Hour, Circulating And Instantaneous. (Calentadores de agua de almacenamiento con valores de entrada superiores a 75,000 BTU por hora, circulantes e instantáneos). Justificación técnica y/o jurídica: Corrección ortográfica. | PROCEDE PARCIALMENTE Con fundamento en los artículos Cuarto Transitorio de la Ley de Infraestructura de la Calidad; 47, fracciones I y II de la Ley Federal sobre Metrología y Normalización; 5, fracción IV de la Ley de la Agencia Nacional de Seguridad Industrial y de Protección al Medio Ambiente del Sector Hidrocarburos; y 2, 6, fracciones II y XIII, 10, fracción VI y XV de las Reglas de Operación del Comité Consultivo Nacional de Normalización de Seguridad Industrial y Operativa y Protección al Medio Ambiente del Sector Hidrocarburos, y derivado de la revisión y análisis al presente comentario, se determinó que PROCEDE PARCIALMENTE, se realiza la corrección ortográfica de la traducción y se actualiza la referencia normativa a su versión vigente. | 3.17 CSA/ANSI Z21.10.3-2019/CSA 4.3-2019 - Gas-fired water heaters, volume III, storage water heaters with input ratings above 75,000 Btu per hour, circulating and instantaneous. (Calentadores de agua de almacenamiento con valores de entrada superiores a 75,000 BTU por hora, circulantes e instantáneos). | |||||||||||||||||||||||||||||||||||||||||||||||||||||||||||||
| 3.18 ANSI Z83.20-2016-CSA 2.34-2016.- Gas-Fired Tubular And Low-Intensity Infrared Heaters. (Calentadores de infrarrojos de baja intensidad y tubulares a gas). | CRE UH-250/1961/2023 | Debe decir: ANSI Z83.20-2016-CSA 2.34-2016 (R2021).- Gas-Fired Tubular And Low-Intensity Infrared Heaters. (Calentadores de infrarrojos de baja intensidad y tubulares a gas). Justificación técnica y/o jurídica: Se propone indicar la última versión. | PROCEDE Con fundamento en los artículos Cuarto Transitorio de la Ley de Infraestructura de la Calidad; 47, fracciones I y II de la Ley Federal sobre Metrología y Normalización; 5, fracción IV de la Ley de la Agencia Nacional de Seguridad Industrial y de Protección al Medio Ambiente del Sector Hidrocarburos; y 2, 6, fracciones II y XIII, 10, fracción VI y XV de las Reglas de Operación del Comité Consultivo Nacional de Normalización de Seguridad Industrial y Operativa y Protección al Medio Ambiente del Sector Hidrocarburos, y derivado de la revisión y análisis al presente comentario se determinó que PROCEDE la modificación de la referencia normativa a su versión vigente. | 3.18 ANSI Z83.20-2016-CSA 2.34-2016 (R2021).- Gas-Fired Tubular And Low-Intensity Infrared Heaters. (Calentadores de infrarrojos de baja intensidad y tubulares a gas). | |||||||||||||||||||||||||||||||||||||||||||||||||||||||||||||
| 3.19 API STD 607 7TH ED:2016.- Fire Test for Quarter-turn Valves and Valves Equipped with Nonmetallic Seats. (Pruebas de fuego para válvulas de cuarto de vuelta y válvulas equipadas con asiento no metálicos). | CRE UH-250/1961/2023 | Debe decir: API STD 607 7TH ED:2022.- Fire Test for Quarter-turn Valves and Valves Equipped with Nonmetallic Seats. (Pruebas de fuego para válvulas de cuarto de vuelta y válvulas equipadas con asiento no metálicos). Justificación técnica y/o jurídica: Se propone indicar la última versión. | PROCEDE Con fundamento en los artículos Cuarto Transitorio de la Ley de Infraestructura de la Calidad; 47, fracciones I y II de la Ley Federal sobre Metrología y Normalización; 5, fracción IV de la Ley de la Agencia Nacional de Seguridad Industrial y de Protección al Medio Ambiente del Sector Hidrocarburos; y 2, 6, fracciones II y XIII, 10, fracción VI y XV de las Reglas de Operación del Comité Consultivo Nacional de Normalización de Seguridad Industrial y Operativa y Protección al Medio Ambiente del Sector Hidrocarburos, y derivado de la revisión y análisis al presente comentario se determinó que PROCEDE la modificación de la referencia normativa a su versión vigente. | 3.19 API STD 607 7TH ED:2022.- Fire Test for Quarter-turn Valves and Valves Equipped with Nonmetallic Seats. (Pruebas de fuego para válvulas de cuarto de vuelta y válvulas equipadas con asiento no metálicos). | |||||||||||||||||||||||||||||||||||||||||||||||||||||||||||||
| 3.20 API STD 570 4TH ED:2016 Addendum 1.-Inspection, Repair, Alteration, and Rerating of In-service Piping Systems. (Código de inspección de tuberías: inspección en servicio, clasificación, reparación y alteración de los sistemas de tuberías). | | | | 3.20 API STD 570 4TH ED:2016 Addendum 1.-Inspection, Repair, Alteration, and Rerating of In-service Piping Systems. (Código de inspección de tuberías: inspección en servicio, clasificación, reparación y alteración de los sistemas de tuberías). | |||||||||||||||||||||||||||||||||||||||||||||||||||||||||||||
| 3.21 API SPEC 6D 24TH ED:2015.- Specification for Pipeline and Piping Valves. (Especificación para tuberías y válvulas de tuberías). | | | | 3.21 API SPEC 6D 24TH ED:2015.- Specification for Pipeline and Piping Valves. (Especificación para tuberías y válvulas de tuberías). | |||||||||||||||||||||||||||||||||||||||||||||||||||||||||||||
| 3.22 API SPEC 5L 46TH ED:2018.- Seamless specification for Line Pipe. (Especificación para tubería sin costura). | | | | 3.22 API SPEC 5L 46TH ED:2018.- Seamless specification for Line Pipe. (Especificación para tubería sin costura). | |||||||||||||||||||||||||||||||||||||||||||||||||||||||||||||
| 3.23 ASME B1.1:2019 Unified Inch Screw Threads (UN, UNR, and UNJ Thread Forms). (Roscas de tornillo unificadas en pulgadas). | | | | 3.23 ASME B1.1:2019 Unified Inch Screw Threads (UN, UNR, and UNJ Thread Forms). (Roscas de tornillo unificadas en pulgadas). | |||||||||||||||||||||||||||||||||||||||||||||||||||||||||||||
| 3.24 ASME B16.5:2020.- Pipe Flanges and Flanged Fittings: NPS ½ through NPS 24 metric/inch Standard. (Bridas de tuberías y accesorios con bridas NPS ½ a NPS 24 métricas/pulgadas estándar). | | | | 3.24 ASME B16.5:2020.- Pipe Flanges and Flanged Fittings: NPS ½ through NPS 24 metric/inch Standard. (Bridas de tuberías y accesorios con bridas NPS ½ a NPS 24 métricas/pulgadas estándar). | |||||||||||||||||||||||||||||||||||||||||||||||||||||||||||||
| 3.25 ASME B16.9:2018.- Factory-made wrought steel buttwelding fittings. (Accesorios de soldadura a tope, forjados hechos en fábrica). | | | | 3.25 ASME B16.9:2018.- Factory-made wrought steel buttwelding fittings. (Accesorios de soldadura a tope, forjados hechos en fábrica). | |||||||||||||||||||||||||||||||||||||||||||||||||||||||||||||
| 3.26 ASME B16.10:2017.- Face-to-face and End-to-End Dimensions Valves. (Dimensiones de válvulas de cara a cara y de extremo a extremo). | CRE UH-250/1961/2023 | Debe decir: ASME B16.10:2022.- Face-to-face and End-to-End Dimensions Valves. (Dimensiones de válvulas de cara a cara y de extremo a extremo). Justificación técnica y/o jurídica: Se propone indicar la última versión. | PROCEDE Con fundamento en los artículos Cuarto Transitorio de la Ley de Infraestructura de la Calidad; 47, fracciones I y II de la Ley Federal sobre Metrología y Normalización; 5, fracción IV de la Ley de la Agencia Nacional de Seguridad Industrial y de Protección al Medio Ambiente del Sector Hidrocarburos; y 2, 6, fracciones II y XIII, 10, fracción VI y XV de las Reglas de Operación del Comité Consultivo Nacional de Normalización de Seguridad Industrial y Operativa y Protección al Medio Ambiente del Sector Hidrocarburos, y derivado de la revisión y análisis al presente comentario se determinó que PROCEDE la modificación de la referencia normativa a su versión vigente. | 3.26 ASME B16.10:2022.- Face-to-face and End-to-End Dimensions Valves. (Dimensiones de válvulas de cara a cara y de extremo a extremo). | |||||||||||||||||||||||||||||||||||||||||||||||||||||||||||||
| 3.27 ASME B16.11:2016.- Forged Fittings, Socket-Welding and Threaded. (Accesorios forjados, caja para soldar y roscados). | CRE UH-250/1961/2023 | Debe decir: ASME B16.11:2021.- Forged Fittings, Socket-Welding and Threaded. (Accesorios forjados, caja para soldar y roscados). Justificación técnica y/o jurídica: Se propone indicar la última versión. | PROCEDE Con fundamento en los artículos Cuarto Transitorio de la Ley de Infraestructura de la Calidad; 47, fracciones I y II de la Ley Federal sobre Metrología y Normalización; 5, fracción IV de la Ley de la Agencia Nacional de Seguridad Industrial y de Protección al Medio Ambiente del Sector Hidrocarburos; y 2, 6, fracciones II y XIII, 10, fracción VI y XV de las Reglas de Operación del Comité Consultivo Nacional de Normalización de Seguridad Industrial y Operativa y Protección al Medio Ambiente del Sector Hidrocarburos, y derivado de la revisión y análisis al presente comentario se determinó que PROCEDE la modificación de la referencia normativa a su versión vigente. | 3.27 ASME B16.11:2021.- Forged Fittings, Socket-Welding and Threaded. (Accesorios forjados, caja para soldar y roscados). | |||||||||||||||||||||||||||||||||||||||||||||||||||||||||||||
| 3.28 ASME B16.20:2017.- Metallic Gaskets for Pipe Flanges. (Juntas metálicas para bridas de tuberías). | | | | 3.28 ASME B16.20:2017.- Metallic Gaskets for Pipe Flanges. (Juntas metálicas para bridas de tuberías). | |||||||||||||||||||||||||||||||||||||||||||||||||||||||||||||
| 3.29 ASME B16.25:2017.- Buttwelding Ends. (Extremos de soldadura a tope). | | | | 3.29 ASME B16.25:2017.- Buttwelding Ends. (Extremos de soldadura a tope). | |||||||||||||||||||||||||||||||||||||||||||||||||||||||||||||
| 3.30 ASME B16.34:2020.- Valves-Flanged, Threaded, and Welding End. (Válvulas bridadas, roscadas y para soldar). | | | | 3.30 ASME B16.34:2020.- Valves-Flanged, Threaded, and Welding End. (Válvulas bridadas, roscadas y para soldar). | |||||||||||||||||||||||||||||||||||||||||||||||||||||||||||||
| 3.31 ASME B18.2.1:2012.- Square, Hex, Heavy Hex, and Askew Head Bolts and Hex, Heavy Hex, Hex Flange, Lobed Head, and Lag Screws (Inch Series). (Pernos de cabeza cuadrada, hexagonal pesada y torcida y tornillos hexagonales, hexagonales gruesos, con brida hexagonal, cabeza lobulada y tornillos de tracción). | | | Derivado del comentario recibido de la CRE a través del oficio UH-250/1961/2023 al numeral 3.10, se modifica la redacción para indicar la versión vigente. | 3.31 ASME B18.2.1:2012 (R2021).- Square, Hex, Heavy Hex, and Askew Head Bolts and Hex, Heavy Hex, Hex Flange, Lobed Head, and Lag Screws (Inch Series). (Pernos de cabeza cuadrada, hexagonal pesada y torcida y tornillos hexagonales, hexagonales gruesos, con brida hexagonal, cabeza lobulada y tornillos de tracción). | |||||||||||||||||||||||||||||||||||||||||||||||||||||||||||||
| 3.32 ASME B31.3:2020.- Process Piping. (Tubería de proceso). | CRE UH-250/1961/2023 | Debe decir: ASME B31.3:2022.- Process Piping. (Tubería de proceso). Justificación técnica y/o jurídica: Se propone indicar la última versión. | PROCEDE Con fundamento en los artículos Cuarto Transitorio de la Ley de Infraestructura de la Calidad; 47, fracciones I y II de la Ley Federal sobre Metrología y Normalización; 5, fracción IV de la Ley de la Agencia Nacional de Seguridad Industrial y de Protección al Medio Ambiente del Sector Hidrocarburos; y 2, 6, fracciones II y XIII, 10, fracción VI y XV de las Reglas de Operación del Comité Consultivo Nacional de Normalización de Seguridad Industrial y Operativa y Protección al Medio Ambiente del Sector Hidrocarburos, y derivado de la revisión y análisis al presente comentario se determinó que PROCEDE la modificación de la referencia normativa a su versión vigente. | 3.32 ASME B31.3:2022.- Process Piping. (Tubería de proceso). | |||||||||||||||||||||||||||||||||||||||||||||||||||||||||||||
| 3.33 ASME B40.100:2013.- Pressure Gauges and Gauge. (Manómetros y accesorios para manómetros). | CRE UH-250/1961/2023 | Debe decir: ASME B40.100:2022.- Pressure Gauges and Gauge. (Manómetros y accesorios para manómetros). Justificación técnica y/o jurídica: Se propone indicar la última versión. | PROCEDE Con fundamento en los artículos Cuarto Transitorio de la Ley de Infraestructura de la Calidad; 47, fracciones I y II de la Ley Federal sobre Metrología y Normalización; 5, fracción IV de la Ley de la Agencia Nacional de Seguridad Industrial y de Protección al Medio Ambiente del Sector Hidrocarburos; y 2, 6, fracciones II y XIII, 10, fracción VI y XV de las Reglas de Operación del Comité Consultivo Nacional de Normalización de Seguridad Industrial y Operativa y Protección al Medio Ambiente del Sector Hidrocarburos, y derivado de la revisión y análisis al presente comentario se determinó que PROCEDE la modificación de la referencia normativa a su versión vigente. | 3.33 ASME B40.100:2022.- Pressure Gauges and Gauge. (Manómetros y accesorios para manómetros). | |||||||||||||||||||||||||||||||||||||||||||||||||||||||||||||
| 3.34 ASME Section VIII Division 1:2019. - Rules for Construction of Pressure Vessels. (Reglas para la contrucción de recipientes a presión). | CRE UH-250/1961/2023 | Debe decir: ASME Section VIII Division 1:2021. - Rules for Construction of Pressure Vessels. (Reglas para la contrucción de recipientes a presión). Justificación técnica y/o jurídica: Se propone indicar la última versión. | PROCEDE Con fundamento en los artículos Cuarto Transitorio de la Ley de Infraestructura de la Calidad; 47, fracciones I y II de la Ley Federal sobre Metrología y Normalización; 5, fracción IV de la Ley de la Agencia Nacional de Seguridad Industrial y de Protección al Medio Ambiente del Sector Hidrocarburos; y 2, 6, fracciones II y XIII, 10, fracción VI y XV de las Reglas de Operación del Comité Consultivo Nacional de Normalización de Seguridad Industrial y Operativa y Protección al Medio Ambiente del Sector Hidrocarburos, y derivado de la revisión y análisis al presente comentario se determinó que PROCEDE la modificación de la referencia normativa a su versión vigente. | 3.34 ASME Section VIII Division 1:2021. - Rules for Construction of Pressure Vessels. (Reglas para la construcción de recipientes a presión). | |||||||||||||||||||||||||||||||||||||||||||||||||||||||||||||
| 3.35 ASME Section IV:2021.- Rules for Construction of Heating Boilers. (Reglas para la construcción de calderas calefactoras). | | | | 3.35 ASME Section IV:2021.- Rules for Construction of Heating Boilers. (Reglas para la construcción de calderas calefactoras). | |||||||||||||||||||||||||||||||||||||||||||||||||||||||||||||
| 3.36 ASME Section IX:2021.- Welding, Brazing, and Fusing Qualifications. (Calificaciones de soldadura, soldadura fuerte y fusion). | | | | 3.36 ASME Section IX:2021.- Welding, Brazing, and Fusing Qualifications. (Calificaciones de soldadura, soldadura fuerte y fusión). | |||||||||||||||||||||||||||||||||||||||||||||||||||||||||||||
| 3.37 ASTM A-53-20:2020. - Standard Specification for Pipe Steel, Black and Hot-Dipped, Zinc, Seamless. (Especificación estándar para tubería de acero, negro y sumergido en caliente, zinc, sin costura). | | | Derivado del comentario recibido de la CRE a través del oficio UH-250/1961/2023 al numeral 3.10, se modifica la redacción para indicar la versión vigente. | 3.37 ASTM A53/A53M-22. - Standard Specification for Pipe, Steel, Black and Hot-Dipped, Zinc-Coated, Welded and Seamless. (Especificación estándar para tubería de acero, negro y sumergido en caliente, recubierto de zinc, soldado y sin costura). | |||||||||||||||||||||||||||||||||||||||||||||||||||||||||||||
| 3.38 ASTM A-106 19a-2019.- Standard Specification for Seamless Carbon Steel Pipe for High-Temperature Service. (Especificación estándar para tubería de acero al carbono sin costura para servicio de alta temperatura). | | | Derivado del comentario recibido de la CRE a través del oficio UH-250/1961/2023 al numeral 3.10, se modifica la redacción para indicar la versión vigente. | 3.38 ASTM A106/A106M-19a.- Standard Specification for Seamless Carbon Steel Pipe for High-Temperature Service. (Especificación estándar para tubería de acero al carbono sin costura para servicio de alta temperatura). | |||||||||||||||||||||||||||||||||||||||||||||||||||||||||||||
| 3.39 ASTM-A-193-20:2020. - Standard Specification for Alloy-Steel and Stainless Steel Bolting for High Temperature or High Pressure Service and Other Special Purpose Applications. (Especificación estándar para pernos de acero de aleación y acero inoxidable para servicio de alta temperatura o alta presión y otras aplicaciones de propósito especial). | | | Derivado del comentario recibido de la CRE a través del oficio UH-250/1961/2023 al numeral 3.10, se modifica la redacción para indicar la versión vigente. | 3.39 ASTM A193/A193M-20. - Standard Specification for Alloy-Steel and Stainless Steel Bolting for High Temperature or High Pressure Service and Other Special Purpose Applications. (Especificación estándar para pernos de acero de aleación y acero inoxidable para servicio de alta temperatura o alta presión y otras aplicaciones de propósito especial). | |||||||||||||||||||||||||||||||||||||||||||||||||||||||||||||
| 3.40 ASTM-A-194-20a-2020.- Standard Specification for Carbon Steel, Alloy Steel, and Stainless Steel Nuts for Bolts for High Pressure or High Temperature Service, or Both. (Especificación estándar para tuercas de acero al carbono, acero de aleación y acero inoxidable para pernos para servicio de alta presión o alta temperatura, o ambos). | CRE UH-250/1961/2023 | Debe decir: ASTM-A-194-20a-2022.- Standard Specification for Carbon Steel, Alloy Steel, and Stainless Steel Nuts for Bolts for High Pressure or High Temperature Service, or Both. (Especificación estándar para tuercas de acero al carbono, acero de aleación y acero inoxidable para pernos para servicio de alta presión o alta temperatura, o ambos). Justificación técnica y/o jurídica: Se propone indicar la última versión. | PROCEDE PARCIALMENTE Con fundamento en los artículos Cuarto Transitorio de la Ley de Infraestructura de la Calidad; 47, fracciones I y II de la Ley Federal sobre Metrología y Normalización; 5, fracción IV de la Ley de la Agencia Nacional de Seguridad Industrial y de Protección al Medio Ambiente del Sector Hidrocarburos; y 2, 6, fracciones II y XIII, 10, fracción VI y XV de las Reglas de Operación del Comité Consultivo Nacional de Normalización de Seguridad Industrial y Operativa y Protección al Medio Ambiente del Sector Hidrocarburos, y derivado de la revisión y análisis al presente comentario, se determinó que PROCEDE PARCIALMENTE, se modifica la referencia normativa de acuerdo con la nomenclatura oficial de ASTM en su versión vigente. | 3.40 ASTM A194/A194M-22a.- Standard Specification for Carbon Steel, Alloy Steel, and Stainless Steel Nuts for Bolts for High Pressure or High Temperature Service, or Both. (Especificación estándar para tuercas de acero al carbono, acero de aleación y acero inoxidable para pernos para servicio de alta presión o alta temperatura, o ambos). | |||||||||||||||||||||||||||||||||||||||||||||||||||||||||||||
| 3.41 BS EN 13445-3-2014 Unfired pressure vessels Design. (Diseño de recipientes a presión sin fuego). | CRE UH-250/1961/2023 | Debe decir: BS EN 13445-3-2021 Unfired pressure vessels Design. (Diseño de recipientes a presión sin fuego). Justificación técnica y/o jurídica: Se propone indicar la última versión. | PROCEDE Con fundamento en los artículos Cuarto Transitorio de la Ley de Infraestructura de la Calidad; 47, fracciones I y II de la Ley Federal sobre Metrología y Normalización; 5, fracción IV de la Ley de la Agencia Nacional de Seguridad Industrial y de Protección al Medio Ambiente del Sector Hidrocarburos; y 2, 6, fracciones II y XIII, 10, fracción VI y XV de las Reglas de Operación del Comité Consultivo Nacional de Normalización de Seguridad Industrial y Operativa y Protección al Medio Ambiente del Sector Hidrocarburos, y derivado de la revisión y análisis al presente comentario se determinó que PROCEDE la modificación de la referencia normativa a su versión vigente. | 3.41 BS EN 13445-3:2021 Unfired pressure vessels - Design. (Diseño de recipientes a presión sin fuego). | |||||||||||||||||||||||||||||||||||||||||||||||||||||||||||||
| 3.42 CSA B51:19. - Boiler, pressure vessel, and pressure piping code. (Código de calderas, recipientes a presión y tuberías de presión). | | | | 3.42 CSA B51:19. - Boiler, pressure vessel, and pressure piping code. (Código de calderas, recipientes a presión y tuberías de presión). | |||||||||||||||||||||||||||||||||||||||||||||||||||||||||||||
| 3.43 DIN EN 303-3:2004-10.- Heating boilers - Part 3: Gas-fired central heating boilers - Assembly comprising a boiler body and a forced draught burner. (Calderas de calefacción. Parte 3: Calderas de calefacción central de gas. Conjunto compuesto por un cuerpo de caldera y un quemador de tiro forzado). | | | | 3.43 DIN EN 303-3:2004-10.- Heating boilers - Part 3: Gas-fired central heating boilers - Assembly comprising a boiler body and a forced draught burner. (Calderas de calefacción. Parte 3: Calderas de calefacción central de gas. Conjunto compuesto por un cuerpo de caldera y un quemador de tiro forzado). | |||||||||||||||||||||||||||||||||||||||||||||||||||||||||||||
| 3.44 DIN 4702-1:1987-1.- Boilers for central heating - Terms, requirements, testing, marking. (Calderas para calefacción central; términos, requisitos, pruebas, marcado). | | | Derivado del comentario recibido de la CRE a través del oficio UH-250/1961/2023 al numeral 3.10, se elimina la redacción debido a que el estándar ya no se encuentra vigente. | SE ELIMINA | |||||||||||||||||||||||||||||||||||||||||||||||||||||||||||||
| 3.45 ISA 75.01.01-2012 Industrial-Process Control Valves - Part 2-1: Flow capacity - Sizing equations for fluid flow under installed conditions. (Válvulas de control de procesos industriales - Parte 2-1: Capacidad de flujo - Ecuaciones de dimensionamiento para el flujo de fluido en condiciones instaladas). | | | Derivado del comentario recibido de la CRE a través del oficio UH-250/1961/2023 al numeral 3.10, se modifica la redacción para indicar la versión vigente. Asimismo, se recorre el orden de la numeración. | 3.44 ANSI/ISA 75.01.01-2012 Industrial-Process Control Valves - Part 2-1: Flow capacity - Sizing equations for fluid flow under installed conditions. (Válvulas de control de procesos industriales - Parte 2-1: Capacidad de flujo - Ecuaciones de dimensionamiento para el flujo de fluido en condiciones instaladas). | |||||||||||||||||||||||||||||||||||||||||||||||||||||||||||||
| 3.46 NEMA MG-1-2016.- Motors and generators. (Motores y generadores). | CRE UH-250/1961/2023 | Debe decir: NEMA MG-1-2021.- Motors and generators. (Motores y generadores). Justificación técnica y/o jurídica: Se propone indicar la última versión. | PROCEDE PARCIALMENTE Con fundamento en los artículos Cuarto Transitorio de la Ley de Infraestructura de la Calidad; 47, fracciones I y II de la Ley Federal sobre Metrología y Normalización; 5, fracción IV de la Ley de la Agencia Nacional de Seguridad Industrial y de Protección al Medio Ambiente del Sector Hidrocarburos; y 2, 6, fracciones II y XIII, 10, fracción VI y XV de las Reglas de Operación del Comité Consultivo Nacional de Normalización de Seguridad Industrial y Operativa y Protección al Medio Ambiente del Sector Hidrocarburos, y derivado de la revisión y análisis al presente comentario, se determinó que PROCEDE PARCIALMENTE, se elimina la referencia debido a que la misma no se emplea en el cuerpo del documento. | SE ELIMINA | |||||||||||||||||||||||||||||||||||||||||||||||||||||||||||||
| 3.47 UNE EN 15502-2-2:2015 Gas-fired central heating boilers - Part 2-2: Specific standard for type B1 appliances. (Calderas de calefacción central que utilizan combustibles gaseosos. Parte 2-2: Norma específica para los aparatos de tipo B1). | | | Derivado del comentario recibido de la CRE a través del oficio UH-250/1961/2023 al numeral 3.10, se recorre el orden de la numeración. | 3.45 UNE EN 15502-2-2:2015 Gas-fired central heating boilers - Part 2-2: Specific standard for type B1 appliances. (Calderas de calefacción central que utilizan combustibles gaseosos. Parte 2-2: Norma específica para los aparatos de tipo B1). | |||||||||||||||||||||||||||||||||||||||||||||||||||||||||||||
| 4. Términos, Definiciones, y Acrónimos Para efectos de la interpretación y aplicación del presente Proyecto de Norma Oficial Mexicana, se aplican en singular o plural los conceptos y definiciones, previstos en la Ley de la Agencia Nacional de Seguridad Industrial y de Protección al Medio Ambiente del Sector Hidrocarburos, la Ley de Hidrocarburos, la Ley de Infraestructura de la Calidad, la Ley General del Equilibrio Ecológico y la Protección al Ambiente, el Reglamento de las Actividades a que se refiere el Título Tercero de la Ley de Hidrocarburos, el Reglamento Interior de la Agencia Nacional de Seguridad Industrial y de Protección al Medio Ambiente del Sector Hidrocarburos, el Reglamento de la Ley Federal sobre Metrología y Normalización, así como los establecidos en las Normas Oficiales Mexicanas y las Disposiciones administrativas de carácter general competencia de la Agencia Nacional de Seguridad Industrial y de Protección al Medio Ambiente del Sector Hidrocarburos y las definiciones siguientes: | | | Se modifica la referencia al instrumento regulatorio conforme a la etapa en la que se encuentra. | 4. Términos, Definiciones, y Acrónimos Para efectos de la interpretación y aplicación de la presente Norma Oficial Mexicana, se aplican en singular o plural los conceptos y definiciones, previstos en la Ley de la Agencia Nacional de Seguridad Industrial y de Protección al Medio Ambiente del Sector Hidrocarburos, la Ley de Hidrocarburos, la Ley de Infraestructura de la Calidad, la Ley General del Equilibrio Ecológico y la Protección al Ambiente, el Reglamento de las Actividades a que se refiere el Título Tercero de la Ley de Hidrocarburos, el Reglamento Interior de la Agencia Nacional de Seguridad Industrial y de Protección al Medio Ambiente del Sector Hidrocarburos, el Reglamento de la Ley Federal sobre Metrología y Normalización, así como los establecidos en las Normas Oficiales Mexicanas y las Disposiciones administrativas de carácter general competencia de la Agencia Nacional de Seguridad Industrial y de Protección al Medio Ambiente del Sector Hidrocarburos y las definiciones siguientes: | |||||||||||||||||||||||||||||||||||||||||||||||||||||||||||||
| 4.1 Aguas abajo: Expresión que ubica a un determinado objeto que se encuentra instalado posterior al de referencia en el sentido de circulación del fluido. | | | | 4.1 Aguas abajo: Expresión que ubica a un determinado objeto que se encuentra instalado posterior al de referencia en el sentido de circulación del fluido. | |||||||||||||||||||||||||||||||||||||||||||||||||||||||||||||
| 4.2 Aguas arriba: Expresión que ubica a un determinado objeto que se encuentra instalado en forma precedente al de referencia en el sentido de la circulación del fluido. | | | Derivado del comentario recibido de la CRE a través del oficio UH-250/1961/2023 al numeral 6.4.3.2 se elimina esta definición. | SE ELIMINA | |||||||||||||||||||||||||||||||||||||||||||||||||||||||||||||
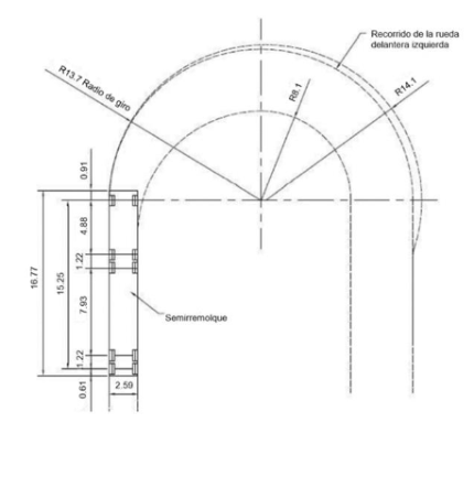
| 4.3 Área de maniobras: Aquella destinada al movimiento vehicular del semirremolque para la descarga de GNC, que incluye a los carriles de entrada y salida. | | | Derivado de la eliminación del numeral 4.2 se recorre el orden de la numeración. | 4.2 Área de maniobras: Aquella destinada al movimiento vehicular del semirremolque para la descarga de GNC, que incluye a los carriles de entrada y salida. | |||||||||||||||||||||||||||||||||||||||||||||||||||||||||||||
| 4.4 Descompresión: La actividad que se realiza mediante Instalaciones y equipos a efecto de reducir la presión del Gas Natural Comprimido a niveles que permitan su inyección a un Sistema de Ductos o en Instalaciones de Aprovechamiento. | | | Derivado de la eliminación del numeral 4.2 se recorre el orden de la numeración. | 4.3 Descompresión: La actividad que se realiza mediante Instalaciones y equipos a efecto de reducir la presión del Gas Natural Comprimido a niveles que permitan su inyección a un Sistema de Ductos o en Instalaciones de Aprovechamiento. | |||||||||||||||||||||||||||||||||||||||||||||||||||||||||||||
| 4.5 DN: Diámetro Nominal | | | Derivado de la eliminación del numeral 4.2 se recorre el orden de la numeración. | 4.4 DN: Diámetro Nominal | |||||||||||||||||||||||||||||||||||||||||||||||||||||||||||||
| 4.6 Dosier de calidad: Conjunto de documentos, planos, procedimientos, informes, registros, entre otros, que incluyen toda la información de un proyecto específico. | | | Derivado de la eliminación del numeral 4.2 se recorre el orden de la numeración. | 4.5 Dosier de calidad: Conjunto de documentos, planos, procedimientos, informes, registros, entre otros, que incluyen toda la información de un proyecto específico. | |||||||||||||||||||||||||||||||||||||||||||||||||||||||||||||
| 4.7 Equipo de calentamiento: Dispositivo empleado para el calentamiento del Gas Natural Comprimido con la finalidad de evitar la formación de hidratos durante la reducción de presión, este puede estar integrado al Equipo de Descompresión o puede ser un equipo o módulo independiente del Equipo de Descompresión. | | | Derivado de la eliminación del numeral 4.2 se recorre el orden de la numeración. | 4.6 Equipo de calentamiento: Dispositivo empleado para el calentamiento del Gas Natural Comprimido con la finalidad de evitar la formación de hidratos durante la reducción de presión, este puede estar integrado al Equipo de Descompresión o puede ser un equipo o módulo independiente del Equipo de Descompresión. | |||||||||||||||||||||||||||||||||||||||||||||||||||||||||||||
| 4.8 Equipo de Descompresión: Elementos necesarios para la regulación de presión de Gas Natural, desde la tubería de recepción del GNC hasta la válvula de salida o punto de entrega al Sistema de Ductos o a Instalaciones de Aprovechamiento; de acuerdo con el arreglo de los elementos se pueden tener Equipos integrados y Equipos paquete. | AMGN Ing. Jorge Sandoval Toscano | Debe decir: 4.8 Equipo de Descompresión: Elementos necesarios para la regulación de presión de Gas Natural, desde la válvula de recepción del GNC hasta la válvula de salida o punto de entrega al Sistema de Ductos o a Instalaciones de Aprovechamiento; de acuerdo con el arreglo de los elementos se pueden tener Equipos integrados y Equipos paquete. Justificación técnica y/o jurídica: Definir correctamente el punto de interconexión de las terminales de descarga y los equipos de descompresión. | PROCEDE Con fundamento en los artículos Cuarto Transitorio de la Ley de Infraestructura de la Calidad; 47, fracciones I y II de la Ley Federal sobre Metrología y Normalización; 5, fracción IV de la Ley de la Agencia Nacional de Seguridad Industrial y de Protección al Medio Ambiente del Sector Hidrocarburos; y 2, 6, fracciones II y XIII, 10, fracción VI y XV de las Reglas de Operación del Comité Consultivo Nacional de Normalización de Seguridad Industrial y Operativa y Protección al Medio Ambiente del Sector Hidrocarburos, y derivado de la revisión y análisis al presente comentario se determinó que PROCEDE para brindar mayor claridad y certeza al Regulado, por lo que se modifica la redacción debido a que este Proyecto de Norma Oficial Mexicana que regulará de forma integral la actividad de Descompresión de GNC, no empleará el término "terminal de descarga" para evitar confusión con lo establecido en la NOM-010-ASEA-2016, y se emplearán los términos generales indicados en el 5.2.1.1 para describir qué compone la zona de descarga de GNC. Asimismo, se recorre el orden de la numeración. | 4.7 Equipo de Descompresión: Elementos necesarios para la regulación de presión de Gas Natural, desde la válvula de recepción del GNC hasta la válvula de salida o punto de entrega al Sistema de Ductos o a Instalaciones de Aprovechamiento; de acuerdo con el arreglo de los elementos se pueden tener Equipos integrados y Equipos paquete. | |||||||||||||||||||||||||||||||||||||||||||||||||||||||||||||
| 4.9 Equipo integrado: Elementos para la recepción del GNC, filtración, calentamiento, reducción de presión, medición y suministro, reunidos en una misma estructura que no puede ser dividida. Se caracterizan por manejar bajas capacidades de Descompresión. | | | Derivado de la eliminación del numeral 4.2 se recorre el orden de la numeración. | 4.8 Equipo integrado: Elementos para la recepción del GNC, filtración, calentamiento, reducción de presión, medición y suministro, reunidos en una misma estructura que no puede ser dividida. Se caracterizan por manejar bajas capacidades de Descompresión. | |||||||||||||||||||||||||||||||||||||||||||||||||||||||||||||
| 4.10 Equipo paquete: Elementos de filtración, calentamiento, reducción de presión, medición y suministro, integrando varios o todos los equipos en una misma estructura, plataforma o patín. Pueden contar con cabina y con los elementos de recepción de GNC en la misma plataforma o patín en lugar de un Poste de descarga. Se caracterizan por manejar altas capacidades de Descompresión. | | | Derivado de la eliminación del numeral 4.2 se recorre el orden de la numeración. | 4.9 Equipo paquete: Elementos de filtración, calentamiento, reducción de presión, medición y suministro, integrando varios o todos los equipos en una misma estructura, plataforma o patín. Pueden contar con cabina y con los elementos de recepción de GNC en la misma plataforma o patín en lugar de un Poste de descarga. Se caracterizan por manejar altas capacidades de Descompresión. | |||||||||||||||||||||||||||||||||||||||||||||||||||||||||||||
| 4.11 Filosofía de operación: Establece los criterios de operación y la descripción de una serie de pasos a seguir para realizar un proceso. | | | Derivado de un comentario de la AMGN al numeral 6.8.2.4 se ajusta la definición y debido a la eliminación del numeral 4.2 se recorre el orden de la numeración. | 4.10 Filosofía de operación y control: Establece los criterios de operación y la descripción de una serie de pasos a seguir para realizar un proceso. | |||||||||||||||||||||||||||||||||||||||||||||||||||||||||||||
| 4.12 GNC: Gas Natural Comprimido. | | | Derivado de la eliminación del numeral 4.2 se recorre el orden de la numeración. | 4.11 GNC: Gas Natural Comprimido. | |||||||||||||||||||||||||||||||||||||||||||||||||||||||||||||
| 4.13 Isla de descarga: Plataforma sobre la cual se ubicará el MAT desmontable del semirremolque, para su descarga. | | | Derivado de la eliminación del numeral 4.2 se recorre el orden de la numeración. | 4.12 Isla de descarga: Plataforma sobre la cual se ubicará el MAT desmontable del semirremolque, para su descarga. | |||||||||||||||||||||||||||||||||||||||||||||||||||||||||||||
| 4.14 Lugares de concentración pública: Aquellos destinados a actividades de esparcimiento, deportivas, educativas, de trabajo, comerciales, de salud, además de cualquier otra área abierta en donde se reúna público. | | | Derivado de la eliminación del numeral 4.2 se recorre el orden de la numeración. | 4.13 Lugares de concentración pública: Aquellos destinados a actividades de esparcimiento, deportivas, educativas, de trabajo, comerciales, de salud, además de cualquier otra área abierta en donde se reúna público. | |||||||||||||||||||||||||||||||||||||||||||||||||||||||||||||
| 4.15 Módulo de Almacenamiento Transportable (MAT): Conjunto de recipientes cilíndricos sujetos a presión para contener GNC, soportados en posición horizontal o vertical por una estructura y que están interconectados para que funcionen como unidad, la cual puede ser estacionaria, es decir, mantenerse fija al semirremolque durante la carga o descarga de GNC, o desmontable para trasladarse a una plataforma fija para su carga o descarga. | | | Derivado de la eliminación del numeral 4.2 se recorre el orden de la numeración. | 4.14 Módulo de Almacenamiento Transportable (MAT): Conjunto de recipientes cilíndricos sujetos a presión para contener GNC, soportados en posición horizontal o vertical por una estructura y que están interconectados para que funcionen como unidad, la cual puede ser estacionaria, es decir, mantenerse fija al semirremolque durante la carga o descarga de GNC, o desmontable para trasladarse a una plataforma fija para su carga o descarga. | |||||||||||||||||||||||||||||||||||||||||||||||||||||||||||||
| 4.16 NPT: Nivel final superior que tendrá una superficie de construcción con el acabado final sobre la losa o firme (nivel de piso terminado). | | | Derivado de la eliminación del numeral 4.2 se recorre el orden de la numeración. | 4.15 NPT: Nivel final superior que tendrá una superficie de construcción con el acabado final sobre la losa o firme (nivel de piso terminado). | |||||||||||||||||||||||||||||||||||||||||||||||||||||||||||||
| 4.17 Poste de descarga: Estructura del área de descarga del cual se derivan una o más mangueras que se conectan a los MAT para transferir el GNC al Equipo de Descompresión. | AMGN Ing. Jorge Sandoval Toscano | Debe decir: Poste de descarga: Componente de las Terminales de Descarga al cual se derivan una o más mangueras que se conectan a los Módulos de almacenamiento transportable para descargar el GNC en dicha Terminal. Justificación técnica y/o jurídica: Estandarizar las definiciones de poste de descargar sin afectar la aplicación de la NOM-010 y este ante proyecto de norma. Por otro lado, no está definido el concepto "área de descarga", en la NOM-010 se utiliza "Terminal de descarga". Incluir definición del concepto "Terminal de descarga en la NOM-015 para que haya continuidad entre ambas normas. | PROCEDE PARCIALMENTE Con fundamento en los artículos Cuarto Transitorio de la Ley de Infraestructura de la Calidad; 47, fracciones I y II de la Ley Federal sobre Metrología y Normalización; 5, fracción IV de la Ley de la Agencia Nacional de Seguridad Industrial y de Protección al Medio Ambiente del Sector Hidrocarburos; y 2, 6, fracciones II y XIII, 10, fracción VI y XV de las Reglas de Operación del Comité Consultivo Nacional de Normalización de Seguridad Industrial y Operativa y Protección al Medio Ambiente del Sector Hidrocarburos, y derivado de la revisión y análisis al presente comentario se determinó que PROCEDE PARCIALMENTE, por lo que se modifica la redacción para tener una definición genérica de un poste de descarga de MAT que puede ser parte de una instalación de descompresión o estación de servicio satélite (regulada por la NOM-010-ASEA-2016). Por otro lado, este Proyecto de Norma Oficial Mexicana que regulará de forma integral la actividad de Descompresión de GNC, no empleará el término "terminal de descarga" para evitar confusión con lo establecido en la NOM-010-ASEA-2016; al respecto, derivado de otros comentarios recibidos, se detalló el campo de aplicación y se introdujo el cuarto transitorio en donde se aclaran los límites y aplicación de la regulación. Asimismo, se recorre el orden de la numeración. | 4.16 Poste de descarga: Estructura que soporta los elementos de transferencia para la descarga del Gas Natural Comprimido contenido en el MAT, y del cual se derivan una o más mangueras. | |||||||||||||||||||||||||||||||||||||||||||||||||||||||||||||
| 4.18 Riesgo ALARP: Tan Bajo como sea Razonablemente Práctico (por sus siglas en inglés, As Low as Reasonably Practicable). Los riesgos que se ubiquen en esta región deben estudiarse a detalle mediante análisis de costo-beneficio para que pueda tomarse una decisión sobre si se tolera el riesgo o se implantan recomendaciones que permitan reducirlos a la región de riesgo tolerable. | | | Derivado de la eliminación del numeral 4.2 se recorre el orden de la numeración. | 4.17 Riesgo ALARP: Tan Bajo como sea Razonablemente Práctico (por sus siglas en inglés, As Low as Reasonably Practicable). Los riesgos que se ubiquen en esta región deben estudiarse a detalle mediante análisis de costo-beneficio para que pueda tomarse una decisión sobre si se tolera el riesgo o se implantan recomendaciones que permitan reducirlos a la región de riesgo tolerable. | |||||||||||||||||||||||||||||||||||||||||||||||||||||||||||||
| 4.19 Sistema de inmovilización del semirremolque (sistema Anti-tow): Sistema de seguridad mecánica que tiene la función de impedir el movimiento del semirremolque por el tracto camión, cuando el MAT se encuentra conectado a los Equipos de compresión o Descompresión, con el propósito de evitar desprendimiento de la manguera. Cuando el sistema esta activado se realiza el paso de aire hacia el sistema de frenos y éste se bloquea, quedando el semirremolque totalmente inmovilizado. | | | Derivado de la eliminación del numeral 4.2 se recorre el orden de la numeración. | 4.18 Sistema de inmovilización del semirremolque (sistema Anti-tow): Sistema de seguridad mecánica que tiene la función de impedir el movimiento del semirremolque por el tracto camión, cuando el MAT se encuentra conectado a los Equipos de compresión o Descompresión, con el propósito de evitar desprendimiento de la manguera. Cuando el sistema esta activado se realiza el paso de aire hacia el sistema de frenos y éste se bloquea, quedando el semirremolque totalmente inmovilizado. | |||||||||||||||||||||||||||||||||||||||||||||||||||||||||||||
| 4.20 Unidad de Descompresión móvil: Equipo paquete que se encuentra montado sobre una plataforma móvil, la cual se ubica fija y de forma permanente en la Instalación, para realizar la actividad de Descompresión. | | | Derivado de la fracción II de los comentarios generales recibidos de la CRE a través del oficio UH-250/1961/2023 se elimina la definición. Asimismo, se recorre el orden de la numeración. | SE ELIMINA | |||||||||||||||||||||||||||||||||||||||||||||||||||||||||||||
| 4.21 Zona suburbana: Área donde la población es de 2 500 a 14 999 habitantes, las viviendas se encuentran dispersas y en algunas ocasiones carecen de algunos servicios. | | | Derivado de la eliminación del numeral 4.2 se recorre el orden de la numeración. | 4.19 Zona suburbana: Área donde la población es de 2 500 a 14 999 habitantes, las viviendas se encuentran dispersas y en algunas ocasiones carecen de algunos servicios. | |||||||||||||||||||||||||||||||||||||||||||||||||||||||||||||
| 4.22 Zona urbana: Área habitada o urbanizada que, partiendo de un núcleo central, presenta continuidad física en todas direcciones hasta ser interrumpida, en forma notoria, por terrenos de uso no urbano como bosques, sembradíos o cuerpos de agua. Se caracteriza por presentar asentamientos humanos concentrados de más de 15 000 habitantes. En estas áreas, se asienta la administración pública, el comercio organizado y la industria. Cuenta con infraestructura, equipamiento y servicios urbanos, tales como drenaje, energía eléctrica, red de agua potable, escuelas, hospitales, áreas verdes y de diversión, etcétera. | | | Derivado de la eliminación del numeral 4.2 se recorre el orden de la numeración. | 4.20 Zona urbana: Área habitada o urbanizada que, partiendo de un núcleo central, presenta continuidad física en todas direcciones hasta ser interrumpida, en forma notoria, por terrenos de uso no urbano como bosques, sembradíos o cuerpos de agua. Se caracteriza por presentar asentamientos humanos concentrados de más de 15 000 habitantes. En estas áreas, se asienta la administración pública, el comercio organizado y la industria. Cuenta con infraestructura, equipamiento y servicios urbanos, tales como drenaje, energía eléctrica, red de agua potable, escuelas, hospitales, áreas verdes y de diversión, etcétera. | |||||||||||||||||||||||||||||||||||||||||||||||||||||||||||||
| 5. Diseño 5.1 Requisitos generales de Diseño 5.1.1 El Diseño de la Instalación de Descompresión debe integrarse, como mínimo, por lo siguiente: a) Diagramas de tubería e instrumentación; b) Diagramas de flujo de procesos, indicando las etapas de reducción de presión; | | | Derivado del comentario recibido de la CRE a través del oficio UH-250/1961/2023 al numeral 5.3.3 se modifica la redacción. | 5. Diseño 5.1 Requisitos generales de Diseño 5.1.1 El Diseño de la Instalación de Descompresión debe integrarse, como mínimo, por lo siguiente: a) Diagramas de tubería e instrumentación; b) Diagramas de flujo de procesos, indicando las etapas de reducción de presión; | |||||||||||||||||||||||||||||||||||||||||||||||||||||||||||||
| c) Descripción del proceso, especificando el flujo volumétrico y de energía, las etapas de reducción de presión y los límites de operación, indicando las variables a controlar y sus condiciones normales, mínimas y máximas; d) Hojas de datos de seguridad de las sustancias o productos que se manejarán; e) Memorias de cálculo de recipientes a presión, válvulas de alivio de presión, reguladores de presión, válvulas de exceso de flujo y tuberías; f) Memoria de cálculo de balance térmico; g) Filosofía de operación y control; h) Listado de instrumentos; i) Listado de equipos; j) Listado de válvulas; k) Especificaciones de los equipos principales, válvulas, tuberías, accesorios, mangueras y conexiones; l) Hojas de datos de equipos mecánicos; m) Hoja de datos del calentador; n) Hojas de datos de instrumentos; o) Diagramas lógicos y de control; p) Listado de señales de instrumentos; q) Capacidad máxima de almacenamiento de GNC (número máximo de MAT que se podrán recibir en la Instalación de forma simultánea); r) Características de los vehículos que suministrarán el GNC, así como de los MAT en el caso de que sean desmontables (dimensiones, masa, numero de ejes de los vehículos); s) Análisis de flexibilidad de tuberías; t) Levantamiento topográfico; u) Dibujos de arreglo mecánico de los equipos, y v) Planos de las especialidades civil, mecánico, eléctrico y contra incendio. | | | | c) Descripción del proceso, especificando el flujo volumétrico y de energía, las etapas de reducción de presión y los límites de operación, indicando las variables a controlar y sus condiciones normales, mínimas y máximas; d) Hojas de datos de seguridad de las sustancias o productos que se manejarán; e) Memorias de cálculo de recipientes a presión, válvulas de alivio de presión, válvulas o reguladores de presión, válvulas de exceso de flujo y tuberías; f) Memoria de cálculo de balance térmico; g) Filosofía de operación y control; h) Listado de instrumentos; i) Listado de equipos; j) Listado de válvulas; k) Especificaciones de los equipos principales, válvulas, tuberías, accesorios, mangueras y conexiones; l) Hojas de datos de equipos mecánicos; m) Hoja de datos del calentador; n) Hojas de datos de instrumentos; o) Diagramas lógicos y de control; p) Listado de señales de instrumentos; q) Capacidad máxima de almacenamiento de GNC (número máximo de MAT que se podrán recibir en la Instalación de forma simultánea); r) Características de los vehículos que suministrarán el GNC, así como de los MAT en el caso de que sean desmontables (dimensiones, masa, numero de ejes de los vehículos); s) Análisis de flexibilidad de tuberías; t) Levantamiento topográfico; u) Dibujos de arreglo mecánico de los equipos, y v) Planos de las especialidades civil, mecánico, eléctrico y contra incendio. | |||||||||||||||||||||||||||||||||||||||||||||||||||||||||||||
| 5.1.2 Los planos de la especialidad civil deben incluir, como mínimo, lo siguiente: a) Croquis de localización general de la Instalación de Descompresión, señalando el norte geográfico y marcando la dirección de los vientos dominantes; b) Planos de áreas de circulación, accesos y caminos internos; c) Plano de señalización; d) Plano de distribución general de equipos; el cual debe incluir el detalle del numeral 6.3.5; e) Plano de distancias mínimas de seguridad, de acuerdo con lo establecido en el numeral 5.2.1.6; f) Plano estructural de cimentaciones de la Instalación de Descompresión con dimensiones del anclado; g) Trazo del drenaje pluvial a línea sencilla o doble; h) Vista de planta y cortes, longitudinal y transversal, de la zona de descarga; i) Vista de planta y cortes, longitudinal y transversal, de la zona de Descompresión; j) Vista de planta y cortes, longitudinal y transversal, de la zona de suministro, y k) En su caso, plano de barandales y escaleras, de acuerdo con lo establecido en el numeral 5.2.1.4. | | | | 5.1.2 Los planos de la especialidad civil deben incluir, como mínimo, lo siguiente: a) Croquis de localización general de la Instalación de Descompresión, señalando el norte geográfico y marcando la dirección de los vientos dominantes; b) Planos de áreas de circulación, accesos y caminos internos; c) Plano de señalización; d) Plano de distribución general de equipos; el cual debe incluir el detalle del numeral 6.3.5; e) Plano de distancias mínimas de seguridad, de acuerdo con lo establecido en el numeral 5.2.1.6; f) Plano estructural de cimentaciones de la Instalación de Descompresión con dimensiones del anclado; g) Trazo del drenaje pluvial a línea sencilla o doble; h) Vista de planta y cortes, longitudinal y transversal, de la zona de descarga; i) Vista de planta y cortes, longitudinal y transversal, de la zona de Descompresión; j) Vista de planta y cortes, longitudinal y transversal, de la zona de suministro, y k) En su caso, plano de barandales y escaleras, de acuerdo con lo establecido en el numeral 5.2.1.4. | |||||||||||||||||||||||||||||||||||||||||||||||||||||||||||||
| 5.1.3 Los planos de la especialidad mecánica deben incluir, como mínimo, lo siguiente: a) Arreglo general del Equipo de Descompresión; b) Arreglo mecánico del filtro, calentador y bombas; c) Corte longitudinal del Equipo de Descompresión en el que se indique tipo y ubicación de las válvulas y accesorios; d) Dibujo isométrico de la Instalación de Descompresión de GNC; e) Dibujo isométrico de la red de tuberías incluyendo componentes, válvulas, accesorios e indicación de soportería y anclaje de la tubería y equipos, con acotaciones, listado de materiales y cuadro de datos de diseño, y f) Vista en planta de la Instalación de Descompresión de GNC a línea sencilla o doble, con ubicación de equipos y delimitación de áreas. | | | | 5.1.3 Los planos de la especialidad mecánica deben incluir, como mínimo, lo siguiente: a) Arreglo general del Equipo de Descompresión; b) Arreglo mecánico del filtro, calentador y bombas; c) Corte longitudinal del Equipo de Descompresión en el que se indique tipo y ubicación de las válvulas y accesorios; d) Dibujo isométrico de la Instalación de Descompresión de GNC; e) Dibujo isométrico de la red de tuberías incluyendo componentes, válvulas, accesorios e indicación de soportería y anclaje de la tubería y equipos, con acotaciones, listado de materiales y cuadro de datos de diseño, y f) Vista en planta de la Instalación de Descompresión de GNC a línea sencilla o doble, con ubicación de equipos y delimitación de áreas. | |||||||||||||||||||||||||||||||||||||||||||||||||||||||||||||
| 5.1.4 Los planos de la especialidad contraincendios deben incluir, como mínimo, lo siguiente: a) Identificación de las principales áreas o zonas con riesgo de incendio; b) Ubicación de los extintores, así como de los medios de detección de incendio, cuando sea el caso, y c) Localización de alarmas e interruptores de activación, vista en planta. | | | | 5.1.4 Los planos de la especialidad contraincendios deben incluir, como mínimo, lo siguiente: a) Identificación de las principales áreas o zonas con riesgo de incendio; b) Ubicación de los extintores, así como de los medios de detección de incendio, cuando sea el caso, y c) Localización de alarmas e interruptores de activación, vista en planta. | |||||||||||||||||||||||||||||||||||||||||||||||||||||||||||||
| 5.1.5 Los planos del sistema eléctrico deben incluir, como mínimo, lo siguiente: a) Vista en planta y elevación incluyendo localización de la acometida al interruptor general; b) Diagrama unifilar general; c) Cuadro de fuerza, carga y alumbrado; d) Cuadro de materiales y descripción de equipos; e) Distribución de ductos y alimentadores; f) Sistema de tierras; g) Memoria de cálculo de la instalación eléctrica, y h) Plano de áreas clasificadas. | | | | 5.1.5 Los planos del sistema eléctrico deben incluir, como mínimo, lo siguiente: a) Vista en planta y elevación incluyendo localización de la acometida al interruptor general; b) Diagrama unifilar general; c) Cuadro de fuerza, carga y alumbrado; d) Cuadro de materiales y descripción de equipos; e) Distribución de ductos y alimentadores; f) Sistema de tierras; g) Memoria de cálculo de la instalación eléctrica, y h) Plano de áreas clasificadas. | |||||||||||||||||||||||||||||||||||||||||||||||||||||||||||||
| 5.2 Especificaciones del proyecto civil 5.2.1 Predio 5.2.1.1 El predio de la Instalación de Descompresión debe estar conformado, como mínimo, por las zonas siguientes: I. Zona de descarga: que incluye el ingreso, circulación y maniobra, estacionamiento de espera y de descarga para el número máximo de MAT que se esperen tener de forma simultánea, en su caso las Islas de descarga, el egreso de los vehículos que transportan el MAT y, en su caso, el Poste de descarga. II. Zona de Descompresión: donde se ubicará el Equipo de Descompresión, ya sea integrado o paquete. III. Zona de suministro: donde se transfiere el Gas Natural a baja presión a la Instalación de Aprovechamiento o al Sistema de Ductos. | | | | 5.2 Especificaciones del proyecto civil 5.2.1 Predio 5.2.1.1 El predio de la Instalación de Descompresión debe estar conformado, como mínimo, por las zonas siguientes: I. Zona de descarga: que incluye el ingreso, circulación y maniobra, estacionamiento de espera y de descarga para el número máximo de MAT que se esperen tener de forma simultánea, en su caso las Islas de descarga, el egreso de los vehículos que transportan el MAT y, en su caso, el Poste de descarga. II. Zona de Descompresión: donde se ubicará el Equipo de Descompresión, ya sea integrado o paquete. III. Zona de suministro: donde se transfiere el Gas Natural a baja presión a la Instalación de Aprovechamiento o al Sistema de Ductos. | |||||||||||||||||||||||||||||||||||||||||||||||||||||||||||||
| 5.2.1.2 El predio de la Instalación de Descompresión debe cumplir, como mínimo, con los requisitos siguientes: I. Tener en la zona de descarga un piso pavimentado con asfalto, hormigón armado o pavimento articulado con acabado antideslizante y capaz de soportar las cargas transmitidas por el vehículo. | AMGN Ing. Jorge Sandoval Toscano | Debe decir: 5.2.1.2 El predio de la Instalación de Descompresión debe cumplir, como mínimo, con los requisitos siguientes: I. Tener en la zona de descarga un piso pavimentado con asfalto, hormigón armado o pavimento articulado con acabado antideslizante y capaz de soportar las cargas transmitidas por el vehículo y el MAT. Justificación técnica y/o jurídica: Se propone sustituir la palabra "vehículo" por "vehículo y MAT". Ya que se debe de considerar las cargas que ejercen ambos, de lo contrario limita las maniobras de equipos en esa área de operación | PROCEDE PARCIALMENTE Con fundamento en los artículos Cuarto Transitorio de la Ley de Infraestructura de la Calidad; 47, fracciones I y II de la Ley Federal sobre Metrología y Normalización; 5, fracción IV de la Ley de la Agencia Nacional de Seguridad Industrial y de Protección al Medio Ambiente del Sector Hidrocarburos; y 2, 6, fracciones II y XIII, 10, fracción VI y XV de las Reglas de Operación del Comité Consultivo Nacional de Normalización de Seguridad Industrial y Operativa y Protección al Medio Ambiente del Sector Hidrocarburos, y derivado de la revisión y análisis al presente comentario se determinó que PROCEDE PARCIALMENTE, se detalla lo que conforma el vehículo ya que el sentido del requisito es considerar las cargas transmitidas por la unidad completa (tractocamión, semirremolque y MAT), por lo que se modifica la redacción y se incluyen las unidades referidas. | 5.2.1.2 El predio de la Instalación de Descompresión debe cumplir, como mínimo, con los requisitos siguientes: I. Tener en la zona de descarga un piso pavimentado con asfalto, hormigón armado o pavimento articulado con acabado antideslizante y capaz de soportar las cargas transmitidas por el tractocamión, semirremolque y MAT. | |||||||||||||||||||||||||||||||||||||||||||||||||||||||||||||
| II. Contar con salidas de emergencia que favorezcan el desalojo de vehículos, personas o ambos, hacia un lugar seguro. El ancho de la salida de emergencia debe permitir tener un espacio libre mínimo de 1 m alrededor del MAT para asegurar la salida del vehículo sin restricciones del área. | | | | II. Contar con salidas de emergencia que favorezcan el desalojo de vehículos, personas o ambos, hacia un lugar seguro. El ancho de la salida de emergencia debe permitir tener un espacio libre mínimo de 1 m alrededor del MAT para asegurar la salida del vehículo sin restricciones del área. | |||||||||||||||||||||||||||||||||||||||||||||||||||||||||||||
| III. Estar delimitado con muros de mampostería de 1.5 m de altura mínima; cuando la Instalación de Descompresión se encuentre dentro de una Instalación de Aprovechamiento, se puede tener una cerca perimetral para la zona de descarga y de Descompresión de alambre de tejido romboidal (ciclónico) o similar, de material incombustible, con una altura mínima de 1.5 m, en lugar del muro de mampostería. En ambos casos la delimitación deberá impedir el acceso a personal no autorizado y permitir la ventilación natural. | | | | III. Estar delimitado con muros de mampostería de 1.5 m de altura mínima; cuando la Instalación de Descompresión se encuentre dentro de una Instalación de Aprovechamiento, se puede tener una cerca perimetral para la zona de descarga y de Descompresión de alambre de tejido romboidal (ciclónico) o similar, de material incombustible, con una altura mínima de 1.5 m, en lugar del muro de mampostería. En ambos casos la delimitación deberá impedir el acceso a personal no autorizado y permitir la ventilación natural. | |||||||||||||||||||||||||||||||||||||||||||||||||||||||||||||
| IV. Contar con drenaje y desagüe de las aguas pluviales. | | | | IV. Contar con drenaje y desagüe de las aguas pluviales. | |||||||||||||||||||||||||||||||||||||||||||||||||||||||||||||
| V. Tener accesos vehiculares, cuyo ancho deje un espacio libre de 1 m alrededor del MAT para permitir la entrada y salida de vehículos sin restricción de área. Las puertas para personas pueden ser parte integral de la puerta para semirremolques. | | | | V. Tener accesos vehiculares, cuyo ancho deje un espacio libre de 1 m alrededor del MAT para permitir la entrada y salida de vehículos sin restricción de área. Las puertas para personas pueden ser parte integral de la puerta para semirremolques. | |||||||||||||||||||||||||||||||||||||||||||||||||||||||||||||
| 5.2.1.3 Los equipos de la Instalación de Descompresión, excepto la Unidad de Descompresión móvil; deben estar localizados sobre cimentación o estructuras con sistemas de anclaje, capaz de amortiguar vibraciones excesivas y resistir los esfuerzos de la acción sísmica o viento. | | | Derivado de la fracción II de los comentarios generales recibidos de la CRE a través del oficio UH-250/1961/2023 se modifica la redacción. | 5.2.1.3 Los equipos de la Instalación de Descompresión, excepto los que se encuentren sobre una plataforma móvil, deben estar localizados sobre cimentación o estructuras con sistemas de anclaje, capaz de amortiguar vibraciones excesivas y resistir los esfuerzos de la acción sísmica o viento. | |||||||||||||||||||||||||||||||||||||||||||||||||||||||||||||
| 5.2.1.4 En caso de que la Descompresión se realice por medio de una Unidad de Descompresión móvil, esta debe cumplir, como mínimo, con los requisitos siguientes: | | | Derivado de la fracción II de los comentarios generales recibidos de la CRE a través del oficio UH-250/1961/2023 se modifica la redacción. | 5.2.1.4 En caso de que los equipos de la Instalación de Descompresión se encuentren sobre una plataforma móvil, esta debe cumplir, como mínimo, con los requisitos siguientes: | |||||||||||||||||||||||||||||||||||||||||||||||||||||||||||||
| I. Estar ubicada en un lugar establecido y delimitado para tal fin, con un espacio libre mínimo de 1 m alrededor de la misma. | | | | I. Estar ubicada en un lugar establecido y delimitado para tal fin, con un espacio libre mínimo de 1 m alrededor de la misma. | |||||||||||||||||||||||||||||||||||||||||||||||||||||||||||||
| II. Contar con escaleras fijas o móviles, las cuales deben tener una resistencia mecánica que permita soportar las cargas de las actividades para las que son destinadas; elementos que eviten el deslizamiento de su punto de apoyo durante su uso; un ancho mínimo de 50 cm; una distancia entre peldaños no mayor de 38 cm; espacios libres de por lo menos 18 cm, medidos en sentido transversal y hacia afuera por ambos lados, y protecciones laterales que permitan el ascenso y descenso del personal. | | | | II. Contar con escaleras fijas o móviles, las cuales deben tener una resistencia mecánica que permita soportar las cargas de las actividades para las que son destinadas; elementos que eviten el deslizamiento de su punto de apoyo durante su uso; un ancho mínimo de 50 cm; una distancia entre peldaños no mayor de 38 cm; espacios libres de por lo menos 18 cm, medidos en sentido transversal y hacia afuera por ambos lados, y protecciones laterales que permitan el ascenso y descenso del personal. | |||||||||||||||||||||||||||||||||||||||||||||||||||||||||||||
| III. Contar con barandales desmontables de al menos 90 cm ± 10 cm de altura en las áreas donde se realice la operación y mantenimiento del equipo para evitar el riesgo de caída. | | | | III. Contar con barandales desmontables de al menos 90 cm ± 10 cm de altura en las áreas donde se realice la operación y mantenimiento del equipo para evitar el riesgo de caída. | |||||||||||||||||||||||||||||||||||||||||||||||||||||||||||||
| 5.2.1.5 Si el diseño del Equipo de Descompresión cuenta con cabina se debe cumplir, como mínimo, con los requisitos siguientes: I. Contar con el grado de protección IP-23 para proteger al equipo contra contacto directo y condiciones climatológicas, indicado en el apéndice D de la NOM-001-SEDE-2012. | | | | 5.2.1.5 Si el diseño del Equipo de Descompresión cuenta con cabina se debe cumplir, como mínimo, con los requisitos siguientes: I. Contar con el grado de protección IP-23 para proteger al equipo contra contacto directo y condiciones climatológicas, indicado en el apéndice D de la NOM-001-SEDE-2012. | |||||||||||||||||||||||||||||||||||||||||||||||||||||||||||||
| II. Contar con ventilación que evite la acumulación del gas por arriba del 20% del límite inferior de inflamabilidad (LFL). | | | Con fundamento en los artículos 3, fracción XX y 24, fracciones I y XI del Reglamento Interior de la Agencia Nacional de Seguridad Industrial y de Protección al Medio Ambiente del Sector Hidrocarburos; y, 10, fracción I y 29, fracción IV de las Reglas de Operación del Comité Consultivo Nacional de Normalización de Seguridad Industrial y Operativa y Protección al Medio Ambiente del Sector Hidrocarburos, y derivado de la revisión integral al presente Proyecto de Norma Oficial Mexicana, se realiza una adecuación editorial para dar mayor claridad al requisito. | II. Contar con ventilación que evite la acumulación del gas por arriba del 20% del límite inferior de inflamabilidad. | |||||||||||||||||||||||||||||||||||||||||||||||||||||||||||||
| III. Contar con un sistema de detección de gas, localizado de acuerdo con las recomendaciones del fabricante. | | | | III. Contar con un sistema de detección de gas, localizado de acuerdo con las recomendaciones del fabricante. | |||||||||||||||||||||||||||||||||||||||||||||||||||||||||||||
| IV. Ser de materiales resistentes a la corrosión. | | | | IV. Ser de materiales resistentes a la corrosión. | |||||||||||||||||||||||||||||||||||||||||||||||||||||||||||||
| V. En caso de usar carcasas de plásticos, deben ser antiestáticas o conductoras. | CRE UH-250/1961/2023 | Debe decir: V. En caso de usar carcasas de plásticos, deben ser antiestáticas. Justificación técnica y/o jurídica: Se propone eliminar el término conductoras, dado que los materiales plásticos son aislantes. | PROCEDE PARCIALMENTE Con fundamento en los artículos Cuarto Transitorio de la Ley de Infraestructura de la Calidad; 47, fracciones I y II de la Ley Federal sobre Metrología y Normalización; 5, fracción IV de la Ley de la Agencia Nacional de Seguridad Industrial y de Protección al Medio Ambiente del Sector Hidrocarburos; y 2, 6, fracciones II y XIII, 10, fracción VI y XV de las Reglas de Operación del Comité Consultivo Nacional de Normalización de Seguridad Industrial y Operativa y Protección al Medio Ambiente del Sector Hidrocarburos, y derivado del estudio y análisis al comentario recibido, se determinó que PROCEDE PARCIALMENTE, se considera necesario precisar que actualmente existen materiales plásticos empleados para la fabricación de cabinas los cuales pueden ser antiestáticos (que por sí solos ya evitan la acumulación de carga eléctrica), así como también materiales plásticos conductivos capaces de transmitir la acumulación de carga eléctrica a tierra, por lo que se modifica la redacción. | V. En caso de usar carcasas de plástico, estas deben ser antiestáticas o de plástico conductor que impida la acumulación de carga eléctrica. | |||||||||||||||||||||||||||||||||||||||||||||||||||||||||||||
| VI. Las piezas y componentes instalados dentro del gabinete o caseta deben estar protegidos contra el acceso no autorizado con cerraduras o interruptores. | | | | VI. Las piezas y componentes instalados dentro del gabinete o caseta deben estar protegidos contra el acceso no autorizado con cerraduras o interruptores. | |||||||||||||||||||||||||||||||||||||||||||||||||||||||||||||
| 5.2.1.6 El MAT y el Poste de descarga deben cumplir con las distancias mínimas de seguridad indicadas en la Tabla 1, medidas del punto más cercano del MAT o Poste de descarga, hasta la vertical del elemento indicado en la primera columna. | AMGN Ing. Jorge Sandoval Toscano | Comentario: Los MAT y postes de descarga no están cubiertos por el alcance de esta norma, su alcance está delimitado en la NOM-010, por lo que la recomendación es retirar todo lo relativo a esta parte del proceso para evitar redundancia en ambas normas. | NO PROCEDE Con fundamento en los artículos Cuarto Transitorio de la Ley de Infraestructura de la Calidad; 47, fracciones I y II de la Ley Federal sobre Metrología y Normalización; 5, fracción IV de la Ley de la Agencia Nacional de Seguridad Industrial y de Protección al Medio Ambiente del Sector Hidrocarburos; 33, párrafo tercero del Reglamento de la Ley Federal sobre Metrología y Normalización; y 2, 6, fracciones II y XIII, 10, fracción VI y XV de las Reglas de Operación del Comité Consultivo Nacional de Normalización de Seguridad Industrial y Operativa y Protección al Medio Ambiente del Sector Hidrocarburos, y derivado de la revisión y análisis al presente comentario, se determinó que NO PROCEDE retirar lo relativo a los MAT y postes de descarga, debido a que este Proyecto de Norma Oficial Mexicana regulará de forma integral las áreas, equipos, infraestructura y procesos necesarios para realizar la actividad de Descompresión de Gas Natural Comprimido (GNC), favoreciendo la mejora regulatoria con la aplicación de una sola norma; al respecto, derivado de otros comentarios recibidos, se detalló el campo de aplicación y se introdujo el cuarto transitorio en donde se aclaran los límites y aplicación del Proyecto de Norma. | 5.2.1.6 El MAT y el Poste de descarga deben cumplir con las distancias mínimas de seguridad indicadas en la Tabla 1, medidas del punto más cercano del MAT o Poste de descarga, hasta la vertical del elemento indicado en la primera columna. | |||||||||||||||||||||||||||||||||||||||||||||||||||||||||||||
| TABLA 1 - Distancias mínimas de seguridad
| | | | TABLA 1 - Distancias mínimas de seguridad
| |||||||||||||||||||||||||||||||||||||||||||||||||||||||||||||
| 5.2.1.7 Si las distancias resultantes en el Análisis de Riesgos para el Sector Hidrocarburos y en el Análisis de consecuencias, considerando el radio de afectación por radiación térmica y sobrepresión, son mayores a las mínimas establecidas en la Tabla 1, deben prevalecer las distancias derivadas de los análisis referidos. En ningún caso las distancias mínimas de seguridad pueden ser menores a la establecidas en la Tabla 1. | | | | 5.2.1.7 Si las distancias resultantes en el Análisis de Riesgos para el Sector Hidrocarburos y en el Análisis de consecuencias, considerando el radio de afectación por radiación térmica y sobrepresión, son mayores a las mínimas establecidas en la Tabla 1, deben prevalecer las distancias derivadas de los análisis referidos. En ningún caso las distancias mínimas de seguridad pueden ser menores a la establecidas en la Tabla 1. | |||||||||||||||||||||||||||||||||||||||||||||||||||||||||||||
| 5.2.1.8 En caso de que los radios de afectación de las consecuencias rebasen los límites de la Instalación de Descompresión, se deben implementar las recomendaciones derivadas de la realización de un Análisis de Capas de Protección (LOPA) que permita la reducción del riesgo de los Escenarios categorizados como no tolerables, así como los Riesgos ALARP. | | | Con fundamento en los artículos 3, fracción XX y 24, fracciones I y XI del Reglamento Interior de la Agencia Nacional de Seguridad Industrial y de Protección al Medio Ambiente del Sector Hidrocarburos; y, 10, fracción I y 29, fracción IV de las Reglas de Operación del Comité Consultivo Nacional de Normalización de Seguridad Industrial y Operativa y Protección al Medio Ambiente del Sector Hidrocarburos, y derivado de la revisión integral al presente Proyecto de Norma Oficial Mexicana, se realiza una adecuación editorial para dar mayor claridad al requisito. | 5.2.1.8 En caso de que los radios de afectación de las consecuencias rebasen los límites de la Instalación de Descompresión, se deben implementar las recomendaciones derivadas de la realización de un Análisis de Capas de Protección que permita la reducción del riesgo de los Escenarios categorizados como no tolerables, así como los Riesgos ALARP. | |||||||||||||||||||||||||||||||||||||||||||||||||||||||||||||
| 5.2.2 Zona de descarga 5.2.2.1 Cuando la Instalación de Descompresión cuente con Poste de descarga para la recepción del GNC, este debe cumplir, como mínimo, con los requisitos siguientes: I. Estar ubicado en espacios abiertos sobre una plataforma de concreto, al menos 0.15 m arriba del NPT. | | | | 5.2.2 Zona de descarga 5.2.2.1 Cuando la Instalación de Descompresión cuente con Poste de descarga para la recepción del GNC, este debe cumplir, como mínimo, con los requisitos siguientes: I. Estar ubicado en espacios abiertos sobre una plataforma de concreto, al menos 0.15 m arriba del NPT. | |||||||||||||||||||||||||||||||||||||||||||||||||||||||||||||
| II. Estar protegidos contra impacto vehicular por medio de postes, muretes o protecciones en "U", de conformidad con lo establecido en el numeral 6.2.5, colocados a una distancia no menor a 0.3 m del Poste de descarga más cercano. | | | Con fundamento en los artículos 3, fracción XX y 24, fracciones I y XI del Reglamento Interior de la Agencia Nacional de Seguridad Industrial y de Protección al Medio Ambiente del Sector Hidrocarburos; y, 10, fracción I y 29, fracción IV de las Reglas de Operación del Comité Consultivo Nacional de Normalización de Seguridad Industrial y Operativa y Protección al Medio Ambiente del Sector Hidrocarburos, y derivado de la revisión integral al presente Proyecto de Norma Oficial Mexicana, se actualiza el numeral al que se hace referencia. | II. Estar protegidos contra impacto vehicular por medio de postes, muretes o protecciones en "U", de conformidad con lo establecido en el numeral 6.3.5, colocados a una distancia no menor a 0.3 m del Poste de descarga más cercano. | |||||||||||||||||||||||||||||||||||||||||||||||||||||||||||||
| III. Las boquillas de descarga deben estar como mínimo a 0.40 m del borde de la plataforma del semirremolque. | AMGN Ing. Jorge Sandoval Toscano | Comentario: Debido a las características de la estructura del semirremolque en cuanto a las dimensiones, con una estructura que proteja estos elementos se elimina riesgo de daño a la boquilla de recepción. No se define en la NOM el término boquilla de descarga ni boquilla de recepción. Adicional, este punto está fuera del alcance de esta norma ya que esta únicamente regularía la descompresión y la boquilla de descarga es un elemento del MAT. Se proponer (sic) | PROCEDE PARCIALMENTE Con fundamento en los artículos Cuarto Transitorio de la Ley de Infraestructura de la Calidad; 47, fracciones I y II de la Ley Federal sobre Metrología y Normalización; 5, fracción IV de la Ley de la Agencia Nacional de Seguridad Industrial y de Protección al Medio Ambiente del Sector Hidrocarburos; y 2, 6, fracciones II y XIII, 10, fracción VI y XV de las Reglas de Operación del Comité Consultivo Nacional de Normalización de Seguridad Industrial y Operativa y Protección al Medio Ambiente del Sector Hidrocarburos, y derivado de la revisión y análisis al presente comentario, se determinó que PROCEDE PARCIALMENTE, se modifica la redacción para indicar a qué punto se refiere el requisito, considerando el párrafo introductorio del numeral 5.2.2.1 que menciona que se están describiendo las características del poste de descarga. | III. Los puntos para la conexión de las mangueras deben estar como mínimo a una altura de 0.40 m medidos desde el borde de la plataforma del semirremolque. | |||||||||||||||||||||||||||||||||||||||||||||||||||||||||||||
| 5.2.2.2 Área de descarga del MAT I. Cuando la Instalación sea diseñada para que el MAT permanezca fijo al semirremolque durante su descarga, el área de descarga debe cumplir, como mínimo, con los requisitos siguientes: a) Contar con un tope fijo de contención de 0.20 m de altura mínima, respecto al NPT, cuando el semirremolque entre de reversa para resistir impactos a una velocidad de hasta 10 km/h y tener una distancia mínima de 1 m entre el borde de la plataforma hacia la protección contra impacto vehicular; | AMGN Ing. Jorge Sandoval Toscano | Debe decir: I. Cuando la Instalación sea diseñada para que el MAT permanezca fijo al semirremolque durante su descarga, el área de descarga debe cumplir, como mínimo, con los requisitos siguientes: a) Contar con un tope fijo de contención de 0.20 m de altura mínima, respecto al NPT, cuando el semirremolque entre de reversa para resistir impactos a una velocidad de hasta 25 km/h y tener una distancia mínima de 1 m entre el borde de la plataforma hacia la protección contra impacto vehicular; Justificación técnica y/o jurídica: La resistencia calculada a impactos debe ser mayor a la velocidad establecida en las condicionantes operativas la cual ya está limitada a 20 km/hr en el numeral 6.7.9 | PROCEDE PARCIALMENTE Con fundamento en los artículos Cuarto Transitorio de la Ley de Infraestructura de la Calidad; 47, fracciones I y II de la Ley Federal sobre Metrología y Normalización; 5, fracción IV de la Ley de la Agencia Nacional de Seguridad Industrial y de Protección al Medio Ambiente del Sector Hidrocarburos; y 2, 6, fracciones II y XIII, 10, fracción VI y XV de las Reglas de Operación del Comité Consultivo Nacional de Normalización de Seguridad Industrial y Operativa y Protección al Medio Ambiente del Sector Hidrocarburos, y derivado de la revisión y análisis al presente comentario, se determinó que PROCEDE PARCIALMENTE, se modifica la redacción para que conforme a la velocidad máxima de cada instalación se determine la resistencia al impacto del tope de contención. Por otro lado, la velocidad de 20 km/h indicada en el numeral 6.7.9 hace referencia a la velocidad de circulación de vehículos que transiten en el predio durante la preparación del sitio y construcción para evitar la dispersión de polvos y emisiones contaminantes a la atmosfera. | 5.2.2.2 Área de descarga del MAT I. Cuando la Instalación sea diseñada para que el MAT permanezca fijo al semirremolque durante su descarga, el área de descarga debe cumplir, como mínimo, con los requisitos siguientes: a) En caso de que el semirremolque entre en reversa, contar con un tope fijo de contención de 0.20 m de altura mínima, respecto al NPT, y con la capacidad de resistir el impacto, así como tener una distancia mínima de 1 m entre el borde de la plataforma hacia la protección contra impacto vehicular; | |||||||||||||||||||||||||||||||||||||||||||||||||||||||||||||
| b) Estar delimitada con un espacio libre mínimo de 1 m en todos los lados del semirremolque; | | | | b) Estar delimitada con un espacio libre mínimo de 1 m en todos los lados del semirremolque; | |||||||||||||||||||||||||||||||||||||||||||||||||||||||||||||
| c) Tener una pendiente que no sea mayor al 1%, y | | | | c) Tener una pendiente que no sea mayor al 1%, y | |||||||||||||||||||||||||||||||||||||||||||||||||||||||||||||
| d) Cuando se reciba más de un semirremolque, se debe contar con grupos de máximo 6 semirremolques, los cuales deben estar separados a una distancia no menor a 8 m del MAT más cercano de otro grupo de semirremolques. | | | | d) Cuando se reciba más de un semirremolque, se debe contar con grupos de máximo 6 semirremolques, los cuales deben estar separados a una distancia no menor a 8 m del MAT más cercano de otro grupo de semirremolques. | |||||||||||||||||||||||||||||||||||||||||||||||||||||||||||||
| II. Cuando la Instalación sea diseñada para que el MAT se desmonte del semirremolque, se debe contar con una o más Islas de descarga para ubicar los MAT intercambiables; cada Isla debe cumplir, como mínimo, con los requisitos siguientes: a) Estar situada a por lo menos, 0.20 m arriba del NPT; b) Estar dispuesta y orientada de tal manera que los semirremolques estén en todo momento dirigidos hacia la salida de la Instalación; c) Contar con un espacio libre mínimo de 1 m entre todos los lados de cada MAT, y d) Disponerse en grupos con un máximo de nueve MAT por Isla, y en caso de existir más de una Isla, éstas deben estar dispuestas en forma paralela y con distancia mínima de 8 m entre los bordes de la plataforma. | | | | II. Cuando la Instalación sea diseñada para que el MAT se desmonte del semirremolque, se debe contar con una o más Islas de descarga para ubicar los MAT intercambiables; cada Isla debe cumplir, como mínimo, con los requisitos siguientes: a) Estar situada a por lo menos, 0.20 m arriba del NPT; b) Estar dispuesta y orientada de tal manera que los semirremolques estén en todo momento dirigidos hacia la salida de la Instalación; c) Contar con un espacio libre mínimo de 1 m entre todos los lados de cada MAT, y d) Disponerse en grupos con un máximo de nueve MAT por Isla, y en caso de existir más de una Isla, éstas deben estar dispuestas en forma paralela y con distancia mínima de 8 m entre los bordes de la plataforma. | |||||||||||||||||||||||||||||||||||||||||||||||||||||||||||||
| III. Cuando el diseño de la Instalación sea para que el MAT se desmonte del semirremolque, el área donde se estacionará el semirremolque debe cumplir con los incisos a), b) y c) de la fracción I del numeral 5.2.2.2. | | | | III. Cuando el diseño de la Instalación sea para que el MAT se desmonte del semirremolque, el área donde se estacionará el semirremolque debe cumplir con los incisos a), b) y c) de la fracción I del numeral 5.2.2.2. | |||||||||||||||||||||||||||||||||||||||||||||||||||||||||||||
| 5.2.3 Área de maniobras 5.2.3.1 El camino debe tener un ancho suficiente que permita dejar un espacio libre mínimo de 1 m alrededor del MAT para asegurar su libre tránsito. | | | | 5.2.3 Área de maniobras 5.2.3.1 El camino debe tener un ancho suficiente que permita dejar un espacio libre mínimo de 1 m alrededor del MAT para asegurar su libre tránsito. | |||||||||||||||||||||||||||||||||||||||||||||||||||||||||||||
| 5.2.3.2 Cuando los semirremolques se muevan en reversa, el movimiento deberá ser en un solo sentido y deben quedar estacionados, para la descarga de GNC, en dirección hacia la salida para facilitar su desalojo en caso de una emergencia. | | | | 5.2.3.2 Cuando los semirremolques se muevan en reversa, el movimiento deberá ser en un solo sentido y deben quedar estacionados, para la descarga de GNC, en dirección hacia la salida para facilitar su desalojo en caso de una emergencia. | |||||||||||||||||||||||||||||||||||||||||||||||||||||||||||||
| 5.2.3.3 Cuando el semirremolque requiera dar un giro dentro de la Instalación, el trazado de su trayectoria debe cumplir con los radios de giro (medido en metros) establecidos en la Figura 1. | | | | 5.2.3.3 Cuando el semirremolque requiera dar un giro dentro de la Instalación, el trazado de su trayectoria debe cumplir con los radios de giro (medido en metros) establecidos en la Figura 1. | |||||||||||||||||||||||||||||||||||||||||||||||||||||||||||||
| FIGURA 1 - Radios de giro Ver anexo I | | | | FIGURA 1 - Radios de giro Ver anexo I | |||||||||||||||||||||||||||||||||||||||||||||||||||||||||||||
| 5.3 Especificaciones del proyecto mecánico | AMGN Ing. Jorge Sandoval Toscano | Debe decir: 5.3 Especificaciones del proyecto mecánico de instalaciones de descompresión. Justificación técnica y/o jurídica: Todos los numerales del punto 5.3 deben estar enfocados a la instalación de descompresión con todos los componentes que esto implique. Valdría la pena definir el término "instalación de descompresión" que abarque desde donde termina la terminal de descarga (NOM-010) hasta la línea de aprovechamiento de gas natural (donde inicia la NOM-002-SECRE). | NO PROCEDE Con fundamento en los artículos Cuarto Transitorio de la Ley de Infraestructura de la Calidad; 47, fracciones I y II de la Ley Federal sobre Metrología y Normalización; 5, fracción IV de la Ley de la Agencia Nacional de Seguridad Industrial y de Protección al Medio Ambiente del Sector Hidrocarburos; 33, párrafo tercero del Reglamento de la Ley Federal sobre Metrología y Normalización; y 2, 6, fracciones II y XIII, 10, fracción VI y XV de las Reglas de Operación del Comité Consultivo Nacional de Normalización de Seguridad Industrial y Operativa y Protección al Medio Ambiente del Sector Hidrocarburos, y derivado de la revisión y análisis al presente comentario, se determinó que NO PROCEDE, ya que este Proyecto de Norma Oficial Mexicana regulará de forma integral las áreas, equipos, infraestructura y procesos necesarios para realizar la actividad de Descompresión de Gas Natural Comprimido (GNC), favoreciendo la mejora regulatoria con la aplicación de una sola norma, por lo que todos los apartados del Proyecto de Norma están destinados a Instalaciones del Descompresión; al respecto, derivado de otros comentarios recibidos, se detalló el campo de aplicación y se introdujo el cuarto transitorio en donde se aclaran los límites y aplicación del Proyecto de Norma. | 5.3 Especificaciones del proyecto mecánico | |||||||||||||||||||||||||||||||||||||||||||||||||||||||||||||
| 5.3.1 Mangueras y conexiones de mangueras 5.3.1.1 Las mangueras para descarga del GNC deben cumplir, como mínimo, con los requisitos siguientes: I. Con el estándar ANSI/CSA NGV 4.2-2014 / CSA 12.52-2014 o aquel que lo sustituya, o su equivalente para la fabricación de mangueras de GNC. | | | Derivado del comentario recibido de la CRE a través del oficio UH-250/1961/2023 al numeral 3. Referencias normativas, se modifica la redacción. | 5.3.1 Mangueras y conexiones de mangueras 5.3.1.1 Las mangueras para descarga del GNC deben cumplir, como mínimo, con los requisitos siguientes: I. Con el estándar CSA/ANSI NGV 4.2-2022, o su equivalente para la fabricación de mangueras de GNC. | |||||||||||||||||||||||||||||||||||||||||||||||||||||||||||||
| II. Tener una longitud máxima de 7.6 m. | | | | II. Tener una longitud máxima de 7.6 m. | |||||||||||||||||||||||||||||||||||||||||||||||||||||||||||||
| III. Estar protegidas contra daño mecánico por abrasión mediante un recubrimiento de poliuretano, anillos de metal o cualquier otro elemento de protección que recomiende el fabricante. | | | | III. Estar protegidas contra daño mecánico por abrasión mediante un recubrimiento de poliuretano, anillos de metal o cualquier otro elemento de protección que recomiende el fabricante. | |||||||||||||||||||||||||||||||||||||||||||||||||||||||||||||
| 5.3.1.2 Los acoplamientos de conexión para descargar el GNC deben ser del tipo desacople rápido y deben cumplir con el estándar ISO 7241 vigente, o su equivalente para el diseño y/o fabricación de acoplamientos de acción rápida. | | | Derivado del comentario recibido de la CRE a través del oficio UH-250/1961/2023 al numeral 3. Referencias normativas, se modifica la redacción. | 5.3.1.2 Los acoplamientos de conexión para descargar el GNC deben ser del tipo desacople rápido y deben cumplir con el estándar ISO 7241-2014, o su equivalente para el diseño y/o fabricación de acoplamientos de acción rápida. | |||||||||||||||||||||||||||||||||||||||||||||||||||||||||||||
| 5.3.2 Filtros 5.3.2.1 Cuando el Equipo de Descompresión requiera de elementos de filtración, estos deben cumplir, como mínimo, con los requisitos siguientes: I. Ser capaces de eliminar posibles condensados y/o partículas sólidas mayores que 5 micrones, con una eficiencia de retención del 99,9 % y un grado de contaminación máximo de 30 mg/m3 de gas. | | | | 5.3.2 Filtros 5.3.2.1 Cuando el Equipo de Descompresión requiera de elementos de filtración, estos deben cumplir, como mínimo, con los requisitos siguientes: I. Ser capaces de eliminar posibles condensados y/o partículas sólidas mayores que 5 micrones, con una eficiencia de retención del 99,9 % y un grado de contaminación máximo de 30 mg/m3 de gas. | |||||||||||||||||||||||||||||||||||||||||||||||||||||||||||||
| II. Ser diseñados para la máxima presión de entrada de acuerdo con el código ASME Sección VIII División 1 vigente, o su equivalente para el diseño de recipientes a presión. | | | Derivado del comentario recibido de la CRE a través del oficio UH-250/1961/2023 al numeral 3. Referencias normativas, se modifica la redacción. | II. Ser diseñados para la máxima presión de entrada de acuerdo con el código ASME Section VIII Division 1:2021, o su equivalente para el diseño de recipientes a presión. | |||||||||||||||||||||||||||||||||||||||||||||||||||||||||||||
| 5.3.2.2 El diámetro del cuerpo del filtro debe ser calculado para la mínima presión de entrada y el máximo caudal. | | | | 5.3.2.2 El diámetro del cuerpo del filtro debe ser calculado para la mínima presión de entrada y el máximo caudal. | |||||||||||||||||||||||||||||||||||||||||||||||||||||||||||||
| 5.3.3 Reguladores de presión | CRE UH-250/1961/2023 | Debe decir: 5.3.3 Válvulas reguladoras de presión Justificación técnica y/o jurídica: Se propone el cambio indicado. | PROCEDE PARCIALMENTE Con fundamento en los artículos Cuarto Transitorio de la Ley de Infraestructura de la Calidad; 47, fracciones I y II de la Ley Federal sobre Metrología y Normalización; 5, fracción IV de la Ley de la Agencia Nacional de Seguridad Industrial y de Protección al Medio Ambiente del Sector Hidrocarburos; y 2, 6, fracciones II y XIII, 10, fracción VI y XV de las Reglas de Operación del Comité Consultivo Nacional de Normalización de Seguridad Industrial y Operativa y Protección al Medio Ambiente del Sector Hidrocarburos, y derivado del estudio y análisis al comentario recibido, se determinó que PROCEDE PARCIALMENTE, ya que se considera que para la regulación del GNC se pueden emplear tanto válvulas reguladoras como reguladores de presión. Por lo que se adecúan los numerales 5.1.1 inciso e), 5.3.3, 5.3.3.1, 5.3.3.5, 5.3.3.6, 5.3.3.7, 5.3.8.1, 5.3.11.1 fracción III, 6.4.3, 6.4.3.1, 6.4.3.4, 6.8.2.2 inciso e), 6.8.3.3, fracción V y 7.1.1 inciso d) para homologar los términos. | 5.3.3 Válvulas o reguladores de presión | |||||||||||||||||||||||||||||||||||||||||||||||||||||||||||||
| 5.3.3.1 El Equipo de Descompresión debe contar con reguladores de presión de acuerdo con el número de etapas definidas en el proceso. | | | Derivado del comentario recibido de la CRE a través del oficio UH-250/1961/2023 al numeral 5.3.3 se modifica la redacción. | 5.3.3.1 El Equipo de Descompresión debe contar con válvulas o reguladores de presión de acuerdo con el número de etapas definidas en el proceso. | |||||||||||||||||||||||||||||||||||||||||||||||||||||||||||||
| 5.3.3.2 El cálculo para el dimensionamiento debe ser conforme el estándar ISA 75.01.01 vigente, el método MASONEILAN, el método FISHER o el método indicado por el fabricante; del dimensionamiento resultante se debe seleccionar el tipo de cuerpo, obturador y controlador. El obturador debe tener cierre hermético cuando el consumo de fluido es nulo. | CRE UH-250/1961/2023 | Debe decir: 5.3.3.2 El cálculo para su dimensionamiento de la válvula reguladora de presión debe ser conforme el estándar ANSI/ISA 75.01.01 vigente, el método MASONEILAN, el método FISHER o el método indicado por el fabricante. Del resultado del dimensionamiento se debe seleccionar el tipo de cuerpo, obturador y controlador. El obturador debe tener cierre hermético cuando el consumo de fluido es nulo. Justificación técnica y/o jurídica: Se recomienda el cambio en la redacción y la eliminación de la redundancia o repetibilidad, de que el código debe ser vigente o equivalente, como se recomendó en el comentario al numeral 3 sobre Referencias normativas. | PROCEDE PARCIALMENTE Con fundamento en los artículos Cuarto Transitorio de la Ley de Infraestructura de la Calidad; 47, fracciones I y II de la Ley Federal sobre Metrología y Normalización; 5, fracción IV de la Ley de la Agencia Nacional de Seguridad Industrial y de Protección al Medio Ambiente del Sector Hidrocarburos; y 2, 6, fracciones II y XIII, 10, fracción VI y XV de las Reglas de Operación del Comité Consultivo Nacional de Normalización de Seguridad Industrial y Operativa y Protección al Medio Ambiente del Sector Hidrocarburos, y derivado del estudio y análisis al comentario recibido, se determinó que PROCEDE PARCIALMENTE, se eliminará el término "vigente" ya que se encuentra en el párrafo introductorio de Referencias normativas. Por otra parte, ya no se precisa que el requisito le aplica a la válvula o regulador de presión, ya que el numeral 5.3.3 es para ambos elementos. | 5.3.3.2 El cálculo para el dimensionamiento de las válvulas o reguladores de presión debe ser conforme al estándar ANSI/ISA 75.01.01-2012, el método MASONEILAN, el método FISHER o el método indicado por el fabricante. Del resultado del dimensionamiento se debe seleccionar el tipo de cuerpo, obturados y controlador. El obturador debe tener cierre hermético cuando el consumo de fluido es nulo. | |||||||||||||||||||||||||||||||||||||||||||||||||||||||||||||
| 5.3.3.3 El dimensionamiento y tolerancia entre caras de bridas de clase 600 y menores debe cumplir con el estándar IEC 60534-3-1 vigente o su equivalente, y para clase mayor de 600 de acuerdo con el estándar ANSI/ISA 75.08.01 vigente o su equivalente. | | | Derivado del comentario recibido de la CRE a través del oficio UH-250/1961/2023 al numeral 3. Referencias normativas, se modifica la redacción. | 5.3.3.3 El dimensionamiento y tolerancia entre caras de bridas de clase 600 y menores debe cumplir con el estándar IEC 60534-3-1:2019 o su equivalente, y para clase mayor de 600 de acuerdo con el estándar ANSI/ISA 75.08.01-2016 o su equivalente. | |||||||||||||||||||||||||||||||||||||||||||||||||||||||||||||
| 5.3.3.4 Los intervalos de presión-temperatura y dimensiones para las conexiones deben cumplir con el código ASME B16.34 vigente o su equivalente. | | | Derivado del comentario recibido de la CRE a través del oficio UH-250/1961/2023 al numeral 3. Referencias normativas, se modifica la redacción. | 5.3.3.4 Los intervalos de presión-temperatura y dimensiones para las conexiones deben cumplir con el código ASME B16.34:2020 o su equivalente. | |||||||||||||||||||||||||||||||||||||||||||||||||||||||||||||
| 5.3.3.5 Los extremos de la válvula reguladora de presión deben ser integrales al cuerpo de esta y ser bridados o roscados. | | | Derivado del comentario recibido de la CRE a través del oficio UH-250/1961/2023 al numeral 5.3.3. se modifica la redacción. | 5.3.3.5 Los extremos de la válvula o regulador de presión deben ser integrales al cuerpo de esta y ser bridados o roscados. | |||||||||||||||||||||||||||||||||||||||||||||||||||||||||||||
| 5.3.3.6 Los internos de la válvula reguladora deben resistir y ser compatibles químicamente al Gas Natural, así como resistir a la velocidad del fluido, las caídas de presión y a las condiciones de presión y temperatura. | | | Derivado del comentario recibido de la CRE a través del oficio UH-250/1961/2023 al numeral 5.3.3. se modifica la redacción. | 5.3.3.6 Los internos de la válvula o regulador de presión deben resistir y ser compatibles químicamente al Gas Natural, así como resistir a la velocidad del fluido, las caídas de presión y a las condiciones de presión y temperatura. | |||||||||||||||||||||||||||||||||||||||||||||||||||||||||||||
| 5.3.3.7 Los reguladores de presión de la última etapa deben garantizar un valor constante de la presión de salida de acuerdo con las condiciones de operación establecidas, con una tolerancia comprendida entre ± 10 % de variación ante cualquier fluctuación de caudal dentro de las condiciones normales de operación. | | | Derivado del comentario recibido de la CRE a través del oficio UH-250/1961/2023 al numeral 5.3.3. se modifica la redacción. | 5.3.3.7 Las válvulas o reguladores de presión de la última etapa deben garantizar un valor constante de la presión de salida de acuerdo con las condiciones de operación establecidas, con una tolerancia comprendida entre ± 10 % de variación ante cualquier fluctuación de caudal dentro de las condiciones normales de operación. | |||||||||||||||||||||||||||||||||||||||||||||||||||||||||||||
| 5.3.3.8 Si la regulación se efectuara en dos o más etapas y el regulador de la segunda etapa no fuera apto para soportar la máxima presión de suministro, debe integrarse un medio de protección para no comprometer las etapas consecuentes, por medio de válvulas de bloqueo por sobrepresión o válvulas de alivio de presión. | CRE UH-250/1961/2023 | Debe decir: 5.3.3.8 Si la regulación se efectúa en dos o más etapas debe integrarse un medio de protección por medio de válvulas de bloqueo por sobrepresión o válvulas de alivio de presión, en el caso de que una de las etapas de regulación no soporte la máxima presión de suministro. Justificación técnica y/o jurídica: Se propone la modificación de la redacción para una mayor comprensión del objetivo del numeral. | PROCEDE Con fundamento en los artículos Cuarto Transitorio de la Ley de Infraestructura de la Calidad; 47, fracciones I y II de la Ley Federal sobre Metrología y Normalización; 5, fracción IV de la Ley de la Agencia Nacional de Seguridad Industrial y de Protección al Medio Ambiente del Sector Hidrocarburos; y 2, 6, fracciones II y XIII, 10, fracción VI y XV de las Reglas de Operación del Comité Consultivo Nacional de Normalización de Seguridad Industrial y Operativa y Protección al Medio Ambiente del Sector Hidrocarburos, y derivado del estudio y análisis al comentario recibido, se determinó que PROCEDE, para brindar mayor claridad y certeza al Regulado, por lo que se modifica la redacción. | 5.3.3.8 Si la regulación se efectúa en dos o más etapas debe integrarse un medio de protección por medio de válvulas de bloqueo por sobrepresión o válvulas de alivio de presión, en el caso de que una de las etapas de regulación no soporte la máxima presión de suministro. | |||||||||||||||||||||||||||||||||||||||||||||||||||||||||||||
| 5.3.4 Equipo de calentamiento 5.3.4.1 Se debe contar con un Equipo de calentamiento que asegure que se mantenga la temperatura del Gas Natural en los límites de operación definidos para la Descompresión, de acuerdo con la memoria de cálculo del balance térmico. Según el tipo de calentador, este debe cumplir como mínimo con los requisitos siguientes: | | | | 5.3.4 Equipo de calentamiento 5.3.4.1 Se debe contar con un Equipo de calentamiento que asegure que se mantenga la temperatura del Gas Natural en los límites de operación definidos para la Descompresión, de acuerdo con la memoria de cálculo del balance térmico. Según el tipo de calentador, este debe cumplir como mínimo con los requisitos siguientes: | |||||||||||||||||||||||||||||||||||||||||||||||||||||||||||||
| I. Si el calentamiento se realiza por medio de intercambiadores de calor, estos deben cumplir con el código ASME Sección VIII División 1 vigente, el estándar CSA B51 vigente, el estándar BS EN 13445-3 vigente, o su equivalente para el diseño y/o fabricación de equipos sujetos a presión. | | | Derivado del comentario recibido de la CRE a través del oficio UH-250/1961/2023 al numeral 3. Referencias normativas, se modifica la redacción. | I. Si el calentamiento se realiza por medio de intercambiadores de calor, estos deben cumplir con el código ASME Section VIII Division 1:2021, el estándar CSA B51:19, el estándar BS EN 13445-3:2021, o su equivalente para el diseño y/o fabricación de equipos sujetos a presión. | |||||||||||||||||||||||||||||||||||||||||||||||||||||||||||||
| II. Si el calentamiento se realiza por medio de un calentador a fuego directo (boiler), este debe cumplir con alguno de los siguientes códigos o estándares: ASME Sección IV vigente, ANSI Z21.10.3-2017/CSA 4.3-2017 o aquel que lo sustituya, DIN EN 303-3 vigente, DIN 4702-1 vigente, UNE EN 15502-2-2 vigente, o su equivalente para el diseño y/o fabricación de calentadores a fuego directo. | | | Derivado del comentario recibido de la CRE a través del oficio UH-250/1961/2023 al numeral 3. Referencias normativas, se integra el año de los estándares indicados y se elimina la palabra "vigente" y "aquel que lo sustituya". Adicional a lo anterior, derivado del comentario recibido de la CRE a través del oficio UH-250/1961/2023 al numeral 3.10, se elimina el estándar DIN 4702-1 vigente debido a que ya no se encuentra vigente. | II. Si el calentamiento se realiza por medio de un calentador a fuego directo (boiler), este debe cumplir con alguno de los siguientes códigos o estándares: ASME Section IV:2021, ANSI Z21.10.3-2019/CSA 4.3-2019, DIN EN 303-3:2004-10, UNE EN 15502-2-2:2015, o su equivalente para el diseño y/o fabricación de calentadores a fuego directo. | |||||||||||||||||||||||||||||||||||||||||||||||||||||||||||||
| III. Si el calentamiento se realiza por medio de un calentador eléctrico, este debe cumplir con los requisitos para equipo eléctrico según la clasificación de área correspondiente, de acuerdo con la NOM-001-SEDE-2012; en caso de tener equipos sometidos a presión se debe cumplir con el código ASME Sección VIII División 1 vigente, o su equivalente para el diseño y/o fabricación de equipos sujetos a presión. | | | Derivado del comentario recibido de la CRE a través del oficio UH-250/1961/2023 al numeral 3. Referencias normativas, se modifica la redacción. | III. Si el calentamiento se realiza por medio de un calentador eléctrico, este debe cumplir con los requisitos para equipo eléctrico según la clasificación de área correspondiente, de acuerdo con la NOM-001-SEDE-2012; en caso de tener equipos sometidos a presión se debe cumplir con el código ASME Section VIII Division 1:2021, o su equivalente para el diseño y/o fabricación de equipos sujetos a presión. | |||||||||||||||||||||||||||||||||||||||||||||||||||||||||||||
| IV. Si el calentamiento se realiza por medio de un calentador catalítico, este debe cumplir con el código ASME Sección VIII División 1 vigente, el estándar ANSI Z83.20-2016-CSA 2.34-2016 o aquel que lo sustituya, o su equivalente para el diseño y/o fabricación de calentadores catalíticos. | | | Derivado del comentario recibido de la CRE a través del oficio UH-250/1961/2023 al numeral 3. Referencias normativas, se modifica la redacción. | IV. Si el calentamiento se realiza por medio de un calentador catalítico, este debe cumplir con el código ASME Section VIII Division 1:2021, el estándar ANSI Z83.20-2016-CSA 2.34-2016 (R2021), o su equivalente para el diseño y/o fabricación de calentadores catalíticos. | |||||||||||||||||||||||||||||||||||||||||||||||||||||||||||||
| V. Si el calentamiento se realiza por medio un sistema dual, este debe cumplir con el código ASME Sección VIII, División 1 vigente o su equivalente, así como con los requisitos para equipo eléctrico según la clasificación de área correspondiente de acuerdo con la NOM-001-SEDE-2012. | | | Derivado del comentario recibido de la CRE a través del oficio UH-250/1961/2023 al numeral 3. Referencias normativas, se modifica la redacción. | V. Si el calentamiento se realiza por medio un sistema dual, este debe cumplir con el código ASME Section VIII Division 1:2021 o su equivalente, así como con los requisitos para equipo eléctrico según la clasificación de área correspondiente de acuerdo con la NOM-001-SEDE-2012. | |||||||||||||||||||||||||||||||||||||||||||||||||||||||||||||
| 5.3.4.2 Se debe contar con un sistema de control automático que asegure que las condiciones de temperatura se mantendrán dentro de los límites definidos durante el proceso. | | | | 5.3.4.2 Se debe contar con un sistema de control automático que asegure que las condiciones de temperatura se mantendrán dentro de los límites definidos durante el proceso. | |||||||||||||||||||||||||||||||||||||||||||||||||||||||||||||
| 5.3.5 Requisitos generales de tuberías 5.3.5.1 Las tuberías de alta y baja presión deben ser diseñadas considerando, como mínimo, los requisitos siguientes: I. La velocidad del flujo del Gas Natural en las tuberías no debe ser mayor de 25 m/s y para tuberías en equipo de medición no deberá exceder la recomendación del fabricante. | | | | 5.3.5 Requisitos generales de tuberías 5.3.5.1 Las tuberías de alta y baja presión deben ser diseñadas considerando, como mínimo, los requisitos siguientes: I. La velocidad del flujo del Gas Natural en las tuberías no debe ser mayor de 25 m/s y para tuberías en equipo de medición no deberá exceder la recomendación del fabricante. | |||||||||||||||||||||||||||||||||||||||||||||||||||||||||||||
| II. Las pérdidas de presión no deben ser mayor al 10% de la presión de operación en la tubería. | | | | II. Las pérdidas de presión no deben ser mayor al 10% de la presión de operación en la tubería. | |||||||||||||||||||||||||||||||||||||||||||||||||||||||||||||
| III. Cumplir con el código ASME B31.3 vigente, o su equivalente para el diseño y/o fabricación de tuberías. | | | Derivado del comentario recibido de la CRE a través del oficio UH-250/1961/2023 al numeral 3. Referencias normativas, se modifica la redacción. | III. Cumplir con el código ASME B31.3:2022, o su equivalente para el diseño y/o fabricación de tuberías. | |||||||||||||||||||||||||||||||||||||||||||||||||||||||||||||
| 5.3.5.2 Las tuberías de alta y baja presión deben cumplir como mínimo, con los requisitos siguientes: I. Ser sin costura hasta diámetros de DN 50, utilizando accesorios soldados o roscados | | | | 5.3.5.2 Las tuberías de alta y baja presión deben cumplir como mínimo, con los requisitos siguientes: I. Ser sin costura hasta diámetros de DN 50, utilizando accesorios soldados o roscados. | |||||||||||||||||||||||||||||||||||||||||||||||||||||||||||||
| II. Ser soldadas o con bridas cuando estén conectadas a equipos y se tenga un diámetro mayor a DN 50, excepto en conexiones para válvulas de exceso de flujo. | | | | II. Ser soldadas o con bridas cuando estén conectadas a equipos y se tenga un diámetro mayor a DN 50, excepto en conexiones para válvulas de exceso de flujo. | |||||||||||||||||||||||||||||||||||||||||||||||||||||||||||||
| III. Evitar el uso de tuberías con diámetros inferiores a DN 12.7. | | | | III. Evitar el uso de tuberías con diámetros inferiores a DN 12.7. | |||||||||||||||||||||||||||||||||||||||||||||||||||||||||||||
| IV. Si el material de la tubería es acero al carbono debe cumplir con alguno de los siguientes estándares: ASTM A-106 vigente, ASTM-A-53-20 vigente, API SPEC 5L vigente, o su equivalente; en caso de seleccionar otro material este deberá ser apto para la conducción de Gas Natural a las condiciones operativas mínimas y máximas del proceso y deberá indicarse el estándar aplicable al material de la tubería. | | | Derivado del comentario recibido de la CRE a través del oficio UH-250/1961/2023 al numeral 3. Referencias normativas, se modifica la redacción. | IV. Si el material de la tubería es acero al carbono debe cumplir con alguno de los siguientes estándares: ASTM A106/A106M-19a, ASTM A53/A53M-22, API SPEC 5L 46TH ED:2018, o su equivalente; en caso de seleccionar otro material este deberá ser apto para la conducción de Gas Natural a las condiciones operativas mínimas y máximas del proceso y deberá indicarse el estándar aplicable al material de la tubería. | |||||||||||||||||||||||||||||||||||||||||||||||||||||||||||||
| V. Las uniones de las tuberías y accesorios soldados deben cumplir con el código ASME B16.25 vigente, ASME B16.9 vigente, ANSI/MSS SP-25 vigente, o su equivalente. | | | Derivado del comentario recibido de la CRE a través del oficio UH-250/1961/2023 al numeral 3. Referencias normativas, se modifica la redacción. | V. Las uniones de las tuberías y accesorios soldados deben cumplir con el código ASME B16.25:2017, ASME B16.9:2018, ANSI/MSS SP-25-2018, o su equivalente. | |||||||||||||||||||||||||||||||||||||||||||||||||||||||||||||
| VI. Las uniones roscadas de las tuberías deben cumplir con el código ASME B16.11 vigente, o su equivalente. | | | Derivado del comentario recibido de la CRE a través del oficio UH-250/1961/2023 al numeral 3. Referencias normativas, se modifica la redacción. | VI. Las uniones roscadas de las tuberías deben cumplir con el código ASME B16.11:2021, o su equivalente. | |||||||||||||||||||||||||||||||||||||||||||||||||||||||||||||
| VII. Las uniones bridadas deben cumplir con el código ASME B16.5 vigente, o su equivalente. | | | Derivado del comentario recibido de la CRE a través del oficio UH-250/1961/2023 al numeral 3. Referencias normativas, se modifica la redacción. | VII. Las uniones bridadas deben cumplir con el código ASME B16.5:2020, o su equivalente. | |||||||||||||||||||||||||||||||||||||||||||||||||||||||||||||
| 5.3.5.3 Las tuberías aéreas y las tuberías a la intemperie deben tener soportes en tramos de forma que no se produzcan esfuerzos superiores a la resistencia de trabajo permitida del tubo y que la flecha no exceda 1% del claro, considerando las cargas por presión de prueba hidrostática, el peso propio y el peso del agua, resultado del análisis de flexibilidad. | | | | 5.3.5.3 Las tuberías aéreas y las tuberías a la intemperie deben tener soportes en tramos de forma que no se produzcan esfuerzos superiores a la resistencia de trabajo permitida del tubo y que la flecha no exceda 1% del claro, considerando las cargas por presión de prueba hidrostática, el peso propio y el peso del agua, resultado del análisis de flexibilidad. | |||||||||||||||||||||||||||||||||||||||||||||||||||||||||||||
| 5.3.5.4 Las tuberías enterradas deben tener un mínimo de 600 mm por debajo del NPT, medido hasta la parte superior de la tubería. | | | | 5.3.5.4 Las tuberías enterradas deben tener un mínimo de 600 mm por debajo del NPT, medido hasta la parte superior de la tubería. | |||||||||||||||||||||||||||||||||||||||||||||||||||||||||||||
| 5.3.6 Juntas y espárragos 5.3.6.1 Los espárragos deben ser de acero al carbono grado B7 y cumplir con el estándar ASTM-A-193 vigente o su equivalente, y el material de la tuerca debe ser de acero al carbono grado 2 H y cumplir con el estándar ASTM-A-194 vigente o su equivalente. | | | Derivado del comentario recibido de la CRE a través del oficio UH-250/1961/2023 al numeral 3. Referencias normativas, se modifica la redacción. | 5.3.6 Juntas y espárragos 5.3.6.1 Los espárragos deben ser de acero al carbono grado B7 y cumplir con el estándar ASTM A193/A193M-20 o su equivalente, y el material de la tuerca debe ser de acero al carbono grado 2 H y cumplir con el estándar ASTM A194/A194M-22a o su equivalente. | |||||||||||||||||||||||||||||||||||||||||||||||||||||||||||||
| 5.3.6.2 Los espárragos deben ser totalmente roscados con el tipo de rosca 8 UN o cumplir con el código ASME B1.1 vigente o su equivalente. El largo de estos se ajustará a lo indicado por el código ASME B16.5 vigente o su equivalente, y las tuercas se ajustarán a lo indicado por el código ASME B18.2.1 vigente o su equivalente. | | | Derivado del comentario recibido de la CRE a través del oficio UH-250/1961/2023 al numeral 3. Referencias normativas, se modifica la redacción. | 5.3.6.2 Los espárragos deben ser totalmente roscados con el tipo de rosca 8 UN o cumplir con el código ASME B1.1:2019 o su equivalente. El largo de estos se ajustará a lo indicado por el código ASME B16.5:2020 o su equivalente, y las tuercas se ajustarán a lo indicado por el código ASME B18.2.1:2012 (R2021) o su equivalente. | |||||||||||||||||||||||||||||||||||||||||||||||||||||||||||||
| 5.3.6.3 Las juntas o empaques deben cumplir con el estándar ANSI B16.20 vigente o su equivalente, deben ser aptos para trabajar con Gas Natural y resistir la máxima presión y temperatura máxima y mínima de trabajo. | | | Derivado del comentario recibido de la CRE a través del oficio UH-250/1961/2023 al numeral 3. Referencias normativas, se modifica la redacción. Por otra parte, con fundamento en los artículos 3, fracción XX y 24, fracciones I y XI del Reglamento Interior de la Agencia Nacional de Seguridad Industrial y de Protección al Medio Ambiente del Sector Hidrocarburos; y, 10, fracción I y 29, fracción IV de las Reglas de Operación del Comité Consultivo Nacional de Normalización de Seguridad Industrial y Operativa y Protección al Medio Ambiente del Sector Hidrocarburos, y derivado de la revisión integral al presente Proyecto de Norma Oficial Mexicana, se realiza una adecuación editorial para dar mayor claridad al requisito. | 5.3.6.3 Las juntas o empaques deben cumplir con el estándar ASME B16.20:2017 o su equivalente, deben ser aptos para trabajar con Gas Natural y resistir la máxima presión, así como la temperatura máxima y mínima de trabajo. | |||||||||||||||||||||||||||||||||||||||||||||||||||||||||||||
| 5.3.6.4 Las juntas o empaques no metálicos deben ser del tipo lámina o espiro metálicos, en ambos casos libres de asbestos, y poseer un punto de fusión mínimo de 560 ºC. | | | | 5.3.6.4 Las juntas o empaques no metálicos deben ser del tipo lámina o espiro metálicos, en ambos casos libres de asbestos, y poseer un punto de fusión mínimo de 560 ºC. | |||||||||||||||||||||||||||||||||||||||||||||||||||||||||||||
| 5.3.7 Válvulas manuales 5.3.7.1 Deben ser del tipo esférica, aprobadas para su uso con Gas Natural y deben cumplir, como mínimo, con lo siguiente: I. Estar de acuerdo con el estándar ISO 14313 vigente, el estándar API SPEC 6D vigente, o su equivalente para el diseño y/o fabricación de válvulas. | | | Derivado del comentario recibido de la CRE a través del oficio UH-250/1961/2023 al numeral 3. Referencias normativas, se modifica la redacción. | 5.3.7 Válvulas manuales 5.3.7.1 Deben ser del tipo esférica, aprobadas para su uso con Gas Natural y deben cumplir, como mínimo, con lo siguiente: I. Estar de acuerdo con el estándar ISO 14313:2007, el estándar API SPEC 6D 24TH ED:2015, o su equivalente para el diseño y/o fabricación de válvulas. | |||||||||||||||||||||||||||||||||||||||||||||||||||||||||||||
| II. Ser a prueba de fuego conforme al estándar API STD 607 vigente, o su equivalente para pruebas de válvulas. | | | Derivado del comentario recibido de la CRE a través del oficio UH-250/1961/2023 al numeral 3. Referencias normativas, se modifica la redacción. | II. Ser a prueba de fuego conforme al estándar API STD 607 7TH ED:2022, o su equivalente para pruebas de válvulas. | |||||||||||||||||||||||||||||||||||||||||||||||||||||||||||||
| III. Ser metálicas incluyendo el cuerpo y el elemento sellante. | | | | III. Ser metálicas incluyendo el cuerpo y el elemento sellante. | |||||||||||||||||||||||||||||||||||||||||||||||||||||||||||||
| IV. No deben utilizarse con asiento suave si existe la posibilidad de que su condición de controlar el flujo de gas pudiera verse afectada por una previsible exposición al calor. | | | | IV. No deben utilizarse con asiento suave si existe la posibilidad de que su condición de controlar el flujo de gas pudiera verse afectada por una previsible exposición al calor. | |||||||||||||||||||||||||||||||||||||||||||||||||||||||||||||
| V. Estar dimensionadas de acuerdo con el estándar ASME B16.10 vigente o su equivalente. | | | Derivado del comentario recibido de la CRE a través del oficio UH-250/1961/2023 al numeral 3. Referencias normativas, se modifica la redacción. | V. Estar dimensionadas de acuerdo con el estándar ASME B16.10:2022 o su equivalente. | |||||||||||||||||||||||||||||||||||||||||||||||||||||||||||||
| VI. Las conexiones deben cumplir con el estándar ASME B16.34 vigente o su equivalente. | | | Derivado del comentario recibido de la CRE a través del oficio UH-250/1961/2023 al numeral 3. Referencias normativas, se modifica la redacción. | VI. Las conexiones deben cumplir con el estándar ASME B16.34:2020 o su equivalente. | |||||||||||||||||||||||||||||||||||||||||||||||||||||||||||||
| 5.3.7.2 Contar con válvulas de bloqueo manual a la entrada y a la salida del Equipo de Descompresión para aislar el Gas Natural ante una falla del sistema, deben ubicarse antes del primer filtro de la línea principal y después de la válvula de seguridad de la línea principal. Para el caso de Equipos integrados, este debe contar con los sistemas de corte necesarios para activarse en caso de falla. | | | Con fundamento en los artículos 3, fracción XX y 24, fracciones I y XI del Reglamento Interior de la Agencia Nacional de Seguridad Industrial y de Protección al Medio Ambiente del Sector Hidrocarburos; y, 10, fracción I y 29, fracción IV de las Reglas de Operación del Comité Consultivo Nacional de Normalización de Seguridad Industrial y Operativa y Protección al Medio Ambiente del Sector Hidrocarburos, derivado de la revisión integral al presente Proyecto de Norma Oficial Mexicana, se realiza una adecuación editorial para dar mayor claridad al requisito. | 5.3.7.2 Se debe contar con válvulas de bloqueo manual a la entrada y a la salida del Equipo de Descompresión para aislar el Gas Natural ante una falla del sistema, deben ubicarse antes del primer filtro de la línea principal y después de la válvula de seguridad de la línea principal. Para el caso de Equipos integrados, este debe contar con los sistemas de corte necesarios para activarse en caso de falla. | |||||||||||||||||||||||||||||||||||||||||||||||||||||||||||||
| 5.3.8 Válvulas de corte 5.3.8.1 Las válvulas de corte situadas Aguas abajo del regulador de presión, que no estuvieran protegidas por válvulas de seguridad, deben soportar la máxima presión de entrada a dicho regulador. | | | Derivado del comentario recibido de la CRE a través del oficio UH-250/1961/2023 al numeral 5.3.3 se modifica la redacción. | 5.3.8 Válvulas de corte 5.3.8.1 Las válvulas de corte situadas Aguas abajo de la válvula o regulador de presión, que no estuvieran protegidas por válvulas de seguridad, deben soportar la máxima presión de entrada a dicha válvula o regulador de presión. | |||||||||||||||||||||||||||||||||||||||||||||||||||||||||||||
| 5.3.8.2 Deben accionarse por medio de actuadores eléctricos o neumáticos. Si las válvulas de corte son accionadas por actuadores eléctricos, los actuadores deben estar de acuerdo con la clasificación de áreas peligrosas de la NOM-001-SEDE-2012. | | | | 5.3.8.2 Deben accionarse por medio de actuadores eléctricos o neumáticos. Si las válvulas de corte son accionadas por actuadores eléctricos, los actuadores deben estar de acuerdo con la clasificación de áreas peligrosas de la NOM-001-SEDE-2012. | |||||||||||||||||||||||||||||||||||||||||||||||||||||||||||||
| 5.3.8.3 El diseño de accionamiento de la válvula de corte a una condición segura debe ser que a falta de energía cierre. | | | | 5.3.8.3 El diseño de accionamiento de la válvula de corte a una condición segura debe ser que a falta de energía cierre. | |||||||||||||||||||||||||||||||||||||||||||||||||||||||||||||
| 5.3.9 Válvulas de alivio de presión 5.3.9.1 La Instalación de Descompresión debe contar con válvulas de alivio de presión, entre cada etapa de reducción de presión. | | | | 5.3.9 Válvulas de alivio de presión 5.3.9.1 La Instalación de Descompresión debe contar con válvulas de alivio de presión, entre cada etapa de reducción de presión. | |||||||||||||||||||||||||||||||||||||||||||||||||||||||||||||
| 5.3.9.2 Deben ser seleccionadas, dimensionadas y cumplir con lo establecido en la NOM-093-SCFI-2020. | | | | 5.3.9.2 Deben ser seleccionadas, dimensionadas y cumplir con lo establecido en la NOM-093-SCFI-2020. | |||||||||||||||||||||||||||||||||||||||||||||||||||||||||||||
| 5.3.9.3 La sobrepresión debe encontrase dentro de un intervalo de 15% al 28% de la presión de ajuste. | | | | 5.3.9.3 La sobrepresión debe encontrase dentro de un intervalo de 15% al 28% de la presión de ajuste. | |||||||||||||||||||||||||||||||||||||||||||||||||||||||||||||
| 5.3.9.4 Deben tener un sistema de venteo cuya ubicación debe tomar en cuenta los vientos predominantes con respecto a la Instalación y estar diseñado para un evento de descarga simultánea dirigida hacia el exterior y verticalmente de manera que el gas liberado no pueda ser acumulado en la Instalación, edificios contiguos, otros equipos o áreas públicas. La tubería de ventilación debe estar, como mínimo, a 3 m sobre el NPT y de otras áreas de trabajo o 1 m más alto que los edificios circundantes dentro de un radio de 5 m, el que sea más alto. El eje del flujo de descarga no debe dirigirse hacia abajo o hacia otras estructuras o equipos en un radio de 5 m. | | | | 5.3.9.4 Deben tener un sistema de venteo cuya ubicación debe tomar en cuenta los vientos predominantes con respecto a la Instalación y estar diseñado para un evento de descarga simultánea dirigida hacia el exterior y verticalmente de manera que el gas liberado no pueda ser acumulado en la Instalación, edificios contiguos, otros equipos o áreas públicas. La tubería de ventilación debe estar, como mínimo, a 3 m sobre el NPT y de otras áreas de trabajo o 1 m más alto que los edificios circundantes dentro de un radio de 5 m, el que sea más alto. El eje del flujo de descarga no debe dirigirse hacia abajo o hacia otras estructuras o equipos en un radio de 5 m. | |||||||||||||||||||||||||||||||||||||||||||||||||||||||||||||
| 5.3.10 Dispositivos de ruptura 5.3.10.1 Se debe de contar con dispositivos de ruptura situados en la manguera de descarga de GNC, que cumplan con el estándar ANSI/IAS NGV 4.4-1999/CSA 12.54-M1999 (R2014) o aquel que lo sustituya, o su equivalente para el diseño y/o fabricación de dispositivos de ruptura para GNC, que aseguren el corte total de flujo de Gas Natural en la manguera ante una desconexión inesperada debido a un movimiento del semirremolque. Se podrá prescindir de este dispositivo cuando se compruebe que la totalidad de semirremolques que suministran GNC a la Instalación de Descompresión cuentan con un Sistema de inmovilización del semirremolque (sistema Anti-tow). | AMGN Ing. Jorge Sandoval Toscano | Comentario: Evaluar el alcance de la norma ya que dentro de su campo de aplicación las mangueras de descarga quedan fuera de su cobertura y están cubiertos en la NOM-010. | NO PROCEDE Con fundamento en los artículos Cuarto Transitorio de la Ley de Infraestructura de la Calidad; 47, fracciones I y II de la Ley Federal sobre Metrología y Normalización; 5, fracción IV de la Ley de la Agencia Nacional de Seguridad Industrial y de Protección al Medio Ambiente del Sector Hidrocarburos; 33, párrafo tercero del Reglamento de la Ley Federal sobre Metrología y Normalización; y 2, 6, fracciones II y XIII, 10, fracción VI y XV de las Reglas de Operación del Comité Consultivo Nacional de Normalización de Seguridad Industrial y Operativa y Protección al Medio Ambiente del Sector Hidrocarburos, y derivado de la revisión y análisis al presente comentario, se determinó que NO PROCEDE, ya que esta Norma Oficial Mexicana regulará de forma integral las áreas, equipos, infraestructura y procesos necesarios para realizar la actividad de Descompresión de Gas Natural Comprimido (GNC), favoreciendo la mejora regulatoria con la aplicación de una sola norma; al respecto, derivado de otros comentarios recibidos, se detalló el campo de aplicación y se introdujo el cuarto transitorio en donde se aclaran los límites y aplicación de la Norma. | 5.3.10 Dispositivos de ruptura 5.3.10.1 Se debe de contar con dispositivos de ruptura situados en la manguera de descarga de GNC, que cumplan con el estándar CSA/ANSI NGV 4.4-2021 o aquel que lo sustituya, o su equivalente para el diseño y/o fabricación de dispositivos de ruptura para GNC, que aseguren el corte total de flujo de Gas Natural en la manguera ante una desconexión inesperada debido a un movimiento del semirremolque. Se podrá prescindir de este dispositivo cuando se compruebe que la totalidad de semirremolques que suministran GNC a la Instalación de Descompresión cuentan con un Sistema de inmovilización del semirremolque (sistema Anti-tow). | |||||||||||||||||||||||||||||||||||||||||||||||||||||||||||||
| | | | Derivado del comentario recibido de la CRE a través del oficio UH-250/1961/2023 al numeral 3. Referencias normativas, se modifica la redacción. | | |||||||||||||||||||||||||||||||||||||||||||||||||||||||||||||
| 5.3.10.2 Debe de separarse ante la aplicación de una fuerza no mayor a 660 N en cualquier dirección. | CRE UH-250/1961/2023 | Debe decir: Debe de separarse ante la aplicación de una fuerza mayor a 660 N en cualquier dirección. Justificación técnica y/o jurídica: Se propone eliminar la palabra "no" para evitar la contradicción. | PROCEDE PARCIALMENTE Con fundamento en los artículos Cuarto Transitorio de la Ley de Infraestructura de la Calidad; 47, fracciones I y II de la Ley Federal sobre Metrología y Normalización; 5, fracción IV de la Ley de la Agencia Nacional de Seguridad Industrial y de Protección al Medio Ambiente del Sector Hidrocarburos; y 2, 6, fracciones II y XIII, 10, fracción VI y XV de las Reglas de Operación del Comité Consultivo Nacional de Normalización de Seguridad Industrial y Operativa y Protección al Medio Ambiente del Sector Hidrocarburos, y derivado del estudio y análisis al comentario recibido, se determinó que PROCEDE PARCIALMENTE, se elimina el "no" y se indica la fuerza máxima a la que debe abrir el dispositivo. Por otra parte, con fundamento en los artículos 3, fracción XX y 24, fracciones I y XI del Reglamento Interior de la Agencia Nacional de Seguridad Industrial y de Protección al Medio Ambiente del Sector Hidrocarburos; y, 10, fracción I y 29, fracción IV de las Reglas de Operación del Comité Consultivo Nacional de Normalización de Seguridad Industrial y Operativa y Protección al Medio Ambiente del Sector Hidrocarburos, derivado de la revisión integral al presente Proyecto de Norma Oficial Mexicana, se realiza una adecuación editorial para dar mayor claridad al requisito. | 5.3.10.2 Debe separarse ante la aplicación de una fuerza de tensión máxima de 660 N, en cualquier dirección. | |||||||||||||||||||||||||||||||||||||||||||||||||||||||||||||
| 5.3.11 Instrumentación y control 5.3.11.1 Se debe contar con un sistema de instrumentación y control de las variables de presión, temperatura y flujo en el Equipo de Descompresión, el cual debe cumplir, como mínimo, con lo siguiente: | | | | 5.3.11 Instrumentación y control 5.3.11.1 Se debe contar con un sistema de instrumentación y control de las variables de presión, temperatura y flujo en el Equipo de Descompresión, el cual debe cumplir, como mínimo, con lo siguiente: | |||||||||||||||||||||||||||||||||||||||||||||||||||||||||||||
| I. Contar con sensores de temperatura en los equipos y tuberías que estén sujetos a efectos por congelamiento. | | | | I. Contar con sensores de temperatura en los equipos y tuberías que estén sujetos a efectos por congelamiento. | |||||||||||||||||||||||||||||||||||||||||||||||||||||||||||||
| II. Contar con transmisores de presión para el monitoreo del Gas Natural. | | | | II. Contar con transmisores de presión para el monitoreo del Gas Natural. | |||||||||||||||||||||||||||||||||||||||||||||||||||||||||||||
| III. Contar con un sistema de seguridad de presión automático por alta presión a falla de los reguladores de presión. | | | Derivado del comentario recibido de la CRE a través del oficio UH-250/1961/2023 al numeral 5.3.3 se modifica la redacción. | III. Contar con un sistema de seguridad de presión automático por alta presión a falla de las válvulas o reguladores de presión. | |||||||||||||||||||||||||||||||||||||||||||||||||||||||||||||
| IV. Contar con indicadores de presión del tipo bourdon o diafragma cuyo diseño cumpla con lo establecido en el estándar ASME B40.100 vigente o su equivalente, con escala circular concéntrica. Deben tener una precisión del 1% y con un alcance de la escala tal que la presión de operación este comprendida entre el 50% y 75% de ésta. Los que se instalen a la intemperie deben ser herméticos al agua y el polvo. | | | Derivado del comentario recibido de la CRE a través del oficio UH-250/1961/2023 al numeral 3. Referencias normativas, se modifica la redacción. | IV. Contar con indicadores de presión del tipo bourdon o diafragma cuyo diseño cumpla con lo establecido en el estándar ASME B40.100:2022 o su equivalente, con escala circular concéntrica. Deben tener una precisión del 1% y con un alcance de la escala tal que la presión de operación este comprendida entre el 50% y 75% de ésta. Los que se instalen a la intemperie deben ser herméticos al agua y el polvo. | |||||||||||||||||||||||||||||||||||||||||||||||||||||||||||||
| V. Contar con un manómetro de presión diferencial en los filtros, o en su defecto, realizar la medición de presión antes y después de ellos. | | | | V. Contar con un manómetro de presión diferencial en los filtros, o en su defecto, realizar la medición de presión antes y después de ellos. | |||||||||||||||||||||||||||||||||||||||||||||||||||||||||||||
| VI. Contar con un sistema de medición del Gas Natural, los medidores deben ser resistentes a la acción del gas y a la corrosión del medio ambiente, herméticos y capaces de soportar las condiciones de presión y temperatura de operación, en caso de ser del tipo diafragma deben estar de conformidad con la NOM-014-SCFI-1997. | | | | VI. Contar con un sistema de medición del Gas Natural, los medidores deben ser resistentes a la acción del gas y a la corrosión del medio ambiente, herméticos y capaces de soportar las condiciones de presión y temperatura de operación, en caso de ser del tipo diafragma deben estar de conformidad con la NOM-014-SCFI-1997. | |||||||||||||||||||||||||||||||||||||||||||||||||||||||||||||
| VII. Los indicadores de temperatura deben ser de tapa roscada y aro metálico. El mecanismo multiplicador debe ser de acero inoxidable con bujes de bronce y unidad de medida °C. | | | | VII. Los indicadores de temperatura deben ser de tapa roscada y aro metálico. El mecanismo multiplicador debe ser de acero inoxidable con bujes de bronce y unidad de medida °C. | |||||||||||||||||||||||||||||||||||||||||||||||||||||||||||||
| VIII. El termopozo debe ser de barra maquinada de acero inoxidable. | | | | VIII. El termopozo debe ser de barra maquinada de acero inoxidable. | |||||||||||||||||||||||||||||||||||||||||||||||||||||||||||||
| 5.4 Especificaciones del proyecto contraincendios 5.4.1 Sistema de paro por emergencia 5.4.1.1 La Instalación de Descompresión debe de contar con activadores de modo manual y remoto del sistema de paro por emergencia. | | | | 5.4 Especificaciones del proyecto contraincendios 5.4.1 Sistema de paro por emergencia 5.4.1.1 La Instalación de Descompresión debe de contar con activadores de modo manual y remoto del sistema de paro por emergencia. | |||||||||||||||||||||||||||||||||||||||||||||||||||||||||||||
| 5.4.1.2 Debe estar ubicados a una distancia no mayor a 10 m del Equipo de Descompresión y a una distancia no mayor a 3 m del Poste de descarga. | | | | 5.4.1.2 Debe estar ubicados a una distancia no mayor a 10 m del Equipo de Descompresión y a una distancia no mayor a 3 m del Poste de descarga. | |||||||||||||||||||||||||||||||||||||||||||||||||||||||||||||
| 5.4.1.3 El sistema de paro por emergencia y demás elementos que lo conforman deben cumplir con la clasificación de áreas peligrosas de acuerdo con la NOM-001-SEDE-2012. | | | | 5.4.1.3 El sistema de paro por emergencia y demás elementos que lo conforman deben cumplir con la clasificación de áreas peligrosas de acuerdo con la NOM-001-SEDE-2012. | |||||||||||||||||||||||||||||||||||||||||||||||||||||||||||||
| 5.4.1.4 El equipo debe estar dispuesto de modo que, cuando se active un dispositivo de paro de emergencia o corte de energía eléctrica, el equipo permanezca fuera de operación o en espera hasta que se active manualmente o se reinicie después de pasar a una condición segura. | | | | 5.4.1.4 El equipo debe estar dispuesto de modo que, cuando se active un dispositivo de paro de emergencia o corte de energía eléctrica, el equipo permanezca fuera de operación o en espera hasta que se active manualmente o se reinicie después de pasar a una condición segura. | |||||||||||||||||||||||||||||||||||||||||||||||||||||||||||||
| 5.4.1.5 Debe contar con alarmas visibles y audibles. | | | | 5.4.1.5 Debe contar con alarmas visibles y audibles. | |||||||||||||||||||||||||||||||||||||||||||||||||||||||||||||
| 5.4.2 Sistemas de protección contra incendio 5.4.2.1 Se deben tener instalados extintores del tipo ABC de polvo químico presurizado del tipo I, mayor o igual a 9 kg, en el área de descarga, en el Equipo de Descompresión y, como mínimo, uno cada 200 m2 de superficie o fracción adicional a los anteriores, de forma tal que la distancia máxima de recorrido para acceder a un extintor no exceda de 10 m, tomando en cuenta las vueltas y rodeos necesarios. La clasificación de los extintores referida en el párrafo anterior debe de cumplir con lo establecido en la NOM-002-STPS-2010. | | | | 5.4.2 Sistemas de protección contra incendio 5.4.2.1 Se deben tener instalados extintores del tipo ABC de polvo químico presurizado del tipo I, mayor o igual a 9 kg, en el área de descarga, en el Equipo de Descompresión y, como mínimo, uno cada 200 m2 de superficie o fracción adicional a los anteriores, de forma tal que la distancia máxima de recorrido para acceder a un extintor no exceda de 10 m, tomando en cuenta las vueltas y rodeos necesarios. La clasificación de los extintores referida en el párrafo anterior debe de cumplir con lo establecido en la NOM-002-STPS-2010. | |||||||||||||||||||||||||||||||||||||||||||||||||||||||||||||
| 5.4.2.2 Si la zona de descarga está integrada por más de cuatro mangueras de descarga, se debe disponer de un extintor rodante tipo ABC de polvo químico presurizado que tenga una capacidad igual o mayor a los 70 kg del tipo II, y debe colocarse sobre una base de hormigón. La clasificación de los extintores referida en el párrafo anterior debe de cumplir con lo establecido en la NOM-002-STPS-2010. | | | | 5.4.2.2 Si la zona de descarga está integrada por más de cuatro mangueras de descarga, se debe disponer de un extintor rodante tipo ABC de polvo químico presurizado que tenga una capacidad igual o mayor a los 70 kg del tipo II, y debe colocarse sobre una base de hormigón. La clasificación de los extintores referida en el párrafo anterior debe de cumplir con lo establecido en la NOM-002-STPS-2010. | |||||||||||||||||||||||||||||||||||||||||||||||||||||||||||||
| 5.4.2.3 Se debe contar con extintores del tipo CO2, cerca de los tableros eléctricos. | | | | 5.4.2.3 Se debe contar con extintores del tipo CO2, cerca de los tableros eléctricos. | |||||||||||||||||||||||||||||||||||||||||||||||||||||||||||||
| 5.4.2.4 Cuando la Instalación de Descompresión se diseñe para que permanezca más de un MAT para el suministro de GNC, deben incorporarse las recomendaciones derivadas del Análisis de Riesgos para el Sector Hidrocarburos para garantizar la protección de la totalidad de los MAT y del Equipo de Descompresión ante un escenario de incendio. | | | | 5.4.2.4 Cuando la Instalación de Descompresión se diseñe para que permanezca más de un MAT para el suministro de GNC, deben incorporarse las recomendaciones derivadas del Análisis de Riesgos para el Sector Hidrocarburos para garantizar la protección de la totalidad de los MAT y del Equipo de Descompresión ante un escenario de incendio. | |||||||||||||||||||||||||||||||||||||||||||||||||||||||||||||
| 5.5 Especificaciones del proyecto eléctrico 5.5.1 La Instalación de Descompresión debe contar con los planos eléctricos, memorias técnico-descriptivas y aquellos documentos donde se constate la clasificación de áreas peligrosas de conformidad con la NOM-001-SEDE-2012. | | | | 5.5 Especificaciones del proyecto eléctrico 5.5.1 La Instalación de Descompresión debe contar con los planos eléctricos, memorias técnico-descriptivas y aquellos documentos donde se constate la clasificación de áreas peligrosas de conformidad con la NOM-001-SEDE-2012. | |||||||||||||||||||||||||||||||||||||||||||||||||||||||||||||
| 5.5.2 La Instalación de Descompresión debe contar con las especificaciones para equipos, materiales y sistemas eléctricos de conformidad con la NOM-001-SEDE-2012. | | | | 5.5.2 La Instalación de Descompresión debe contar con las especificaciones para equipos, materiales y sistemas eléctricos de conformidad con la NOM-001-SEDE-2012. | |||||||||||||||||||||||||||||||||||||||||||||||||||||||||||||
| 5.5.3 Se debe contar con alumbrado con circuito eléctrico independiente en los accesos hacia el Área de maniobras, zona de descarga, zona de Descompresión y zona de suministro. | | | | 5.5.3 Se debe contar con alumbrado con circuito eléctrico independiente en los accesos hacia el Área de maniobras, zona de descarga, zona de Descompresión y zona de suministro. | |||||||||||||||||||||||||||||||||||||||||||||||||||||||||||||
| 5.5.4 Las Islas y los Postes de descarga deben contar con conexión a tierra mediante cables flexibles y pinzas tipo caimán para conectar los vehículos que se descarguen el GNC. | CRE UH-250/1961/2023 | Debe decir: Las Islas y los Postes de descarga deben contar con conexión a tierra mediante cables flexibles y pinzas tipo caimán para conectar los vehículos que descarguen el GNC. Justificación técnica y/o jurídica: Se propone eliminar la palabra "se". | PROCEDE Con fundamento en los artículos Cuarto Transitorio de la Ley de Infraestructura de la Calidad; 47, fracciones I y II de la Ley Federal sobre Metrología y Normalización; 5, fracción IV de la Ley de la Agencia Nacional de Seguridad Industrial y de Protección al Medio Ambiente del Sector Hidrocarburos; y 2, 6, fracciones II y XIII, 10, fracción VI y XV de las Reglas de Operación del Comité Consultivo Nacional de Normalización de Seguridad Industrial y Operativa y Protección al Medio Ambiente del Sector Hidrocarburos, y derivado del estudio y análisis al comentario recibido, se determinó que PROCEDE, por lo que se modifica la redacción. | 5.5.4 Las Islas y los Postes de descarga deben contar con conexión a tierra mediante cables flexibles y pinzas tipo caimán para conectar los vehículos que descarguen el GNC. | |||||||||||||||||||||||||||||||||||||||||||||||||||||||||||||
| 5.5.5 Todos los equipos metálicos que conformen la Instalación de Descompresión deben estar conectados a tierra, incluyendo, en su caso, la Unidad de Descompresión móvil. | | | Derivado de la fracción II de los comentarios generales recibidos de la CRE a través del oficio UH-250/1961/2023 se modifica la redacción. | 5.5.5 Todos los equipos metálicos que conformen la Instalación de Descompresión deben estar conectados a tierra. | |||||||||||||||||||||||||||||||||||||||||||||||||||||||||||||
| 5.5.6 Los tableros de distribución de acometida deben colocar barreras de manera que ninguna barra colectora o terminal no aislada y no puesta a tierra de acometida queden expuestas al contacto involuntario por parte de las personas. | | | | 5.5.6 Los tableros de distribución de acometida deben colocar barreras de manera que ninguna barra colectora o terminal no aislada y no puesta a tierra de acometida queden expuestas al contacto involuntario por parte de las personas. | |||||||||||||||||||||||||||||||||||||||||||||||||||||||||||||
| 5.5.7 El predio de la Instalación de Descompresión debe contar con la cobertura de un sistema de protección contra tormentas eléctricas. | | | | 5.5.7 El predio de la Instalación de Descompresión debe contar con la cobertura de un sistema de protección contra tormentas eléctricas. | |||||||||||||||||||||||||||||||||||||||||||||||||||||||||||||
| 5.6 Análisis de riesgos para el Sector Hidrocarburos Las recomendaciones derivadas del Análisis de Riesgos para el Sector Hidrocarburos, realizado durante la etapa de Diseño, deben ser integradas a la ingeniería de detalle de la Instalación de Descompresión de Gas Natural Comprimido. | | | | 5.6 Análisis de riesgos para el Sector Hidrocarburos Las recomendaciones derivadas del Análisis de Riesgos para el Sector Hidrocarburos, realizado durante la etapa de Diseño, deben ser integradas a la ingeniería de detalle de la Instalación de Descompresión de Gas Natural Comprimido. | |||||||||||||||||||||||||||||||||||||||||||||||||||||||||||||
| 5.7 Dictamen de Diseño 5.7.1 El Regulado debe obtener un Dictamen de Diseño, emitido por una Unidad de Inspección, en el que conste que la Ingeniería de detalle de las Instalaciones nuevas, ampliadas o con modificaciones al proceso, se realizó conforme lo establecido en el capítulo 5. | CRE UH-250/1961/2023 | Debe decir: 5.7.1 El Regulado debe obtener un Dictamen de Diseño, emitido por una Unidad de Inspección, acreditada por una entidad de acreditación y aprobada por la Agencia, en el que conste que la Ingeniería de detalle de las Instalaciones nuevas, ampliadas o con modificaciones al proceso, se realizó conforme lo establecido en el capítulo 5. Justificación técnica y/o jurídica: Indicar que la Unidad de Inspección debe ser acreditada por una entidad de acreditación y aprobada por la Agencia. | PROCEDE Con fundamento en los artículos Cuarto Transitorio de la Ley de Infraestructura de la Calidad; 47, fracciones I y II de la Ley Federal sobre Metrología y Normalización; 5, fracción IV de la Ley de la Agencia Nacional de Seguridad Industrial y de Protección al Medio Ambiente del Sector Hidrocarburos; y 2, 6, fracciones II y XIII, 10, fracción VI y XV de las Reglas de Operación del Comité Consultivo Nacional de Normalización de Seguridad Industrial y Operativa y Protección al Medio Ambiente del Sector Hidrocarburos, y derivado del estudio y análisis al comentario recibido, se determinó que PROCEDE, por lo que se modifica la redacción; además la modificación se verá aplicada también en el numeral 6.10.1 para homologar redacción. | 5.7 Dictamen de Diseño 5.7.1 El Regulado debe obtener un Dictamen de Diseño en el que conste que la Ingeniería de detalle de las Instalaciones nuevas, ampliadas o con modificaciones al proceso, se realizó conforme lo establecido en el capítulo 5. El Dictamen al que se refiere el párrafo anterior debe ser emitido por una Unidad de Inspección acreditada por una entidad de acreditación y aprobada por la Agencia. | |||||||||||||||||||||||||||||||||||||||||||||||||||||||||||||
| 5.7.2 El Dictamen de Diseño debe ser conservado por el Regulado en sus Instalaciones, durante el ciclo de vida del Proyecto y debe presentarse cuando la Agencia lo requiera, para acreditar que el Diseño de las Instalaciones y equipos son acordes con la normatividad aplicable. | | | | 5.7.2 El Dictamen de Diseño debe ser conservado por el Regulado en sus Instalaciones, durante el ciclo de vida del Proyecto y debe presentarse cuando la Agencia lo requiera, para acreditar que el Diseño de las Instalaciones y equipos son acordes con la normatividad aplicable. | |||||||||||||||||||||||||||||||||||||||||||||||||||||||||||||
| 6. Construcción 6.1 Respecto a la Evaluación del Impacto Ambiental del proyecto de Descompresión, el Regulado podrá presentar un Informe Preventivo a la Agencia, de acuerdo con lo establecido en el Apéndice A (Informativo). | | | | 6. Construcción 6.1 Respecto a la Evaluación del Impacto Ambiental del proyecto de Descompresión, el Regulado podrá presentar un Informe Preventivo a la Agencia, de acuerdo con lo establecido en el Apéndice A (Informativo). | |||||||||||||||||||||||||||||||||||||||||||||||||||||||||||||
| 6.2 Se debe realizar la Construcción de la Instalación conforme al Diseño dictaminado y a lo establecido en el capítulo 6; si durante la Construcción se realizan modificaciones al Diseño original, se debe asegurar que éstas cumplan con lo establecido en el capítulo 5. | | | | 6.2 Se debe realizar la Construcción de la Instalación conforme al Diseño dictaminado y a lo establecido en el capítulo 6; si durante la Construcción se realizan modificaciones al Diseño original, se debe asegurar que éstas cumplan con lo establecido en el capítulo 5. | |||||||||||||||||||||||||||||||||||||||||||||||||||||||||||||
| 6.3 Especificaciones de la especialidad Civil 6.3.1 El predio de la Instalación de Descompresión debe cumplir, como mínimo, con los requisitos siguientes: I. Tener una superficie nivelada y pendientes del 1% para desalojo del agua pluvial que eviten su inundación; el nivel del terreno no debe ser inferior a la ruta o camino existente. | | | | 6.3 Especificaciones de la especialidad Civil 6.3.1 El predio de la Instalación de Descompresión debe cumplir, como mínimo, con los requisitos siguientes: I. Tener una superficie nivelada y pendientes del 1% para desalojo del agua pluvial que eviten su inundación; el nivel del terreno no debe ser inferior a la ruta o camino existente. | |||||||||||||||||||||||||||||||||||||||||||||||||||||||||||||
| II. Contar con una franja alrededor del cerco perimetral de, como mínimo, 1 m de ancho libre de malezas. | CRE UH-250/1961/2023 | Debe decir: II. Contar con una franja alrededor del cerco perimetral de, como mínimo, de 1 m de ancho libre de maleza. Justificación técnica y/o jurídica: Se proponen los cambios indicados. | PROCEDE PARCIALMENTE Con fundamento en los artículos Cuarto Transitorio de la Ley de Infraestructura de la Calidad; 47, fracciones I y II de la Ley Federal sobre Metrología y Normalización; 5, fracción IV de la Ley de la Agencia Nacional de Seguridad Industrial y de Protección al Medio Ambiente del Sector Hidrocarburos; y 2, 6, fracciones II y XIII, 10, fracción VI y XV de las Reglas de Operación del Comité Consultivo Nacional de Normalización de Seguridad Industrial y Operativa y Protección al Medio Ambiente del Sector Hidrocarburos, y derivado del estudio y análisis al comentario recibido, se determinó que PROCEDE PARCIALMENTE, se realiza la modificación propuesta y se ajusta la sintaxis. | II. Contar con una franja alrededor del cerco perimetral, como mínimo, de 1 m de ancho libre de maleza. | |||||||||||||||||||||||||||||||||||||||||||||||||||||||||||||
| III. Tener alrededor de cada equipo un espacio libre de al menos 0.9 m para facilitar su montaje. | | | | III. Tener alrededor de cada equipo un espacio libre de al menos 0.9 m para facilitar su montaje. | |||||||||||||||||||||||||||||||||||||||||||||||||||||||||||||
| 6.3.2 La Instalación de Descompresión no debe contar con techos que permitan la acumulación de gas. | | | | 6.3.2 La Instalación de Descompresión no debe contar con techos que permitan la acumulación de gas. | |||||||||||||||||||||||||||||||||||||||||||||||||||||||||||||
| 6.3.3 En caso de que la Descompresión se realice por medio de una Unidad de Descompresión móvil, se debe cumplir como mínimo con los requisitos siguientes: | | | Derivado de la fracción II de los comentarios generales recibidos de la CRE a través del oficio UH-250/1961/2023 se modifica la redacción. | 6.3.3 En caso de que el Equipo de Descompresión se encuentre sobre una plataforma móvil, se debe cumplir como mínimo con los requisitos siguientes: | |||||||||||||||||||||||||||||||||||||||||||||||||||||||||||||
| I. Delimitar la ubicación de la unidad con franjas amarillas de al menos 5 cm de ancho, pintadas o adheridas al piso. | | | | I. Delimitar la ubicación de la unidad con franjas amarillas de al menos 5 cm de ancho, pintadas o adheridas al piso. | |||||||||||||||||||||||||||||||||||||||||||||||||||||||||||||
| II. Contar con topes reforzados de concreto en el área en que se ubicará la plataforma. | | | | II. Contar con topes reforzados de concreto en el área en que se ubicará la plataforma. | |||||||||||||||||||||||||||||||||||||||||||||||||||||||||||||
| III. La plataforma, escaleras y demás elementos estructurales por donde transite el personal deben contar con superficies antiderrapantes o protecciones que eviten que el personal resbale al usarlas. | | | | III. La plataforma, escaleras y demás elementos estructurales por donde transite el personal deben contar con superficies antiderrapantes o protecciones que eviten que el personal resbale al usarlas. | |||||||||||||||||||||||||||||||||||||||||||||||||||||||||||||
| 6.3.4 La zona de descarga debe cumplir, como mínimo, con los requisitos siguientes: I. Contar con un tope fijo de contención, fabricado de neopreno o cualquier material resistente a la humedad, aceites, variaciones de temperatura, rayos UV y resistencia al impacto a una velocidad de 10 km/h. | AMGN Ing. Jorge Sandoval Toscano | Debe decir: I. Contar con un tope fijo de contención, fabricado de neopreno o cualquier material resistente a la humedad, aceites, variaciones de temperatura, rayos UV y resistencia al impacto a una velocidad de 25 km/h. Justificación técnica y/o jurídica: La resistencia calculada a impactos debe ser mayor a la velocidad establecida en las condicionantes operativas la cual ya está limitada a 20 km/hr en el numeral 6.7.9 | PROCEDE PARCIALMENTE Con fundamento en los artículos Cuarto Transitorio de la Ley de Infraestructura de la Calidad; 47, fracciones I y II de la Ley Federal sobre Metrología y Normalización; 5, fracción IV de la Ley de la Agencia Nacional de Seguridad Industrial y de Protección al Medio Ambiente del Sector Hidrocarburos; y 2, 6, fracciones II y XIII, 10, fracción VI y XV de las Reglas de Operación del Comité Consultivo Nacional de Normalización de Seguridad Industrial y Operativa y Protección al Medio Ambiente del Sector Hidrocarburos, y derivado de la revisión y análisis al presente comentario, se determinó que PROCEDE PARCIALMENTE, se modifica la redacción para que conforme a la velocidad máxima de cada instalación se determine la resistencia al impacto del tope de contención. Por otro lado, la velocidad de 20 km/h indicada en el numeral 6.7.9 hace referencia a la velocidad de circulación de vehículos que transiten en el predio durante la preparación del sitio y construcción para evitar la dispersión de polvos y emisiones contaminantes a la atmosfera. | 6.3.4 La zona de descarga debe cumplir, como mínimo, con los requisitos siguientes: I. Contar con un tope fijo de contención, fabricado de neopreno o cualquier material resistente a la humedad, aceites, variaciones de temperatura, rayos UV y resistencia al impacto. | |||||||||||||||||||||||||||||||||||||||||||||||||||||||||||||
| II. En caso de contar con Isla de descarga, esta debe ser de hormigón o mampostería. | | | | II. En caso de contar con Isla de descarga, esta debe ser de hormigón o mampostería. | |||||||||||||||||||||||||||||||||||||||||||||||||||||||||||||
| 6.3.5 Cuando el Equipo de Descompresión esté expuesto a cuando menos 1 m del tránsito vehicular se debe contar con protecciones contra impacto vehicular marcadas con franjas diagonales alternas amarillas y negras, las cuales deben cumplir como mínimo, con los requisitos siguientes: | CRE UH-250/1961/2023 | Debe decir: El Equipo de Descompresión debe ubicarse a una distancia de 1 m o más del tránsito vehicular y contar con protecciones contra impacto vehicular marcadas con franjas diagonales alternas de color amarillo y negro, y cumplir como mínimo, con los requisitos siguientes: [...] Justificación técnica y/o jurídica: Se proponen cambios en la redacción para una mejor comprensión del objetivo del numeral. | PROCEDE PARCIALMENTE Con fundamento en los artículos Cuarto Transitorio de la Ley de Infraestructura de la Calidad; 47, fracciones I y II de la Ley Federal sobre Metrología y Normalización; 5, fracción IV de la Ley de la Agencia Nacional de Seguridad Industrial y de Protección al Medio Ambiente del Sector Hidrocarburos; y 2, 6, fracciones II y XIII, 10, fracción VI y XV de las Reglas de Operación del Comité Consultivo Nacional de Normalización de Seguridad Industrial y Operativa y Protección al Medio Ambiente del Sector Hidrocarburos, y derivado de la revisión y análisis al presente comentario, se determinó que PROCEDE PARCIALMENTE, se integran las modificaciones respecto al color de las franjas y se mantiene el sentido del requisito debido a que no todas las Instalaciones tendrán su equipo de Descompresión cerca del tránsito vehicular, el sentido del requisito en cuestión de seguridad es evitar el impacto de los vehículos cuando la distribución de los equipos dentro de la Instalación no permita tener el tránsito vehicular alejado del Equipo de Descompresión. Por otra parte, con fundamento en los artículos 3, fracción XX y 24, fracciones I y XI del Reglamento Interior de la Agencia Nacional de Seguridad Industrial y de Protección al Medio Ambiente del Sector Hidrocarburos; y, 10, fracción I y 29, fracción IV de las Reglas de Operación del Comité Consultivo Nacional de Normalización de Seguridad Industrial y Operativa y Protección al Medio Ambiente del Sector Hidrocarburos, derivado de la revisión integral al presente Proyecto de Norma Oficial Mexicana, se integra la distancia de la protección contra impacto vehicular hacia el elemento a proteger, adoptando el mismo parámetro del numeral 5.2.2.1 fracción II, para dar certeza al Regulado. | 6.3.5 Cuando el Equipo de Descompresión esté expuesto a cuando menos 1 m del tránsito vehicular se debe contar con protecciones contra impacto vehicular, colocadas a una distancia no menor de 0.3 m del Equipo de Descompresión, marcadas con franjas diagonales alternas de color amarillo y negro, las cuales deben cumplir como mínimo, con los requisitos siguientes: | |||||||||||||||||||||||||||||||||||||||||||||||||||||||||||||
| I. Postes. Deben estar espaciados no más de 1.00 m entre caras interiores, enterrados verticalmente no menos de 0.90 m bajo NPT, con altura mínima de 0.90 m sobre NPT y construidos de cualquiera de los siguientes materiales: a) Concreto armado: De al menos 0.20 m de diámetro; b) Tubería de acero al carbono: Cédula 80, de al menos 102.00 mm de diámetro nominal, o c) Tubería de acero al carbono: Cédula 40, de al menos 102.00 mm de diámetro nominal, rellena con concreto. | | | | I. Postes. Deben estar espaciados no más de 1.00 m entre caras interiores, enterrados verticalmente no menos de 0.90 m bajo NPT, con altura mínima de 0.90 m sobre NPT y construidos de cualquiera de los siguientes materiales: a) Concreto armado: De al menos 0.20 m de diámetro; b) Tubería de acero al carbono: Cédula 80, de al menos 102.00 mm de diámetro nominal, o c) Tubería de acero al carbono: Cédula 40, de al menos 102.00 mm de diámetro nominal, rellena con concreto. | |||||||||||||||||||||||||||||||||||||||||||||||||||||||||||||
| II. Muretes de concreto armado Deben estar espaciados no más de 1.00 m entre caras laterales, enterrados verticalmente no menos de 0,40 m bajo el NPT, con altura mínima de 0.75 m sobre NPT y al menos 0,20 m de espesor. Se permite también el murete corrido. | | | | II. Muretes de concreto armado Deben estar espaciados no más de 1.00 m entre caras laterales, enterrados verticalmente no menos de 0.40 m bajo el NPT, con altura mínima de 0.75 m sobre NPT y al menos 0.20 m de espesor. Se permite también el murete corrido. | |||||||||||||||||||||||||||||||||||||||||||||||||||||||||||||
| III. Protecciones en "U" (grapas) Deben ser de tubería de acero al carbono, cédula 40 con o sin costura, de al menos 102.00 mm de diámetro nominal, enterradas verticalmente no menos de 0.90 m bajo NPT. La parte alta del elemento horizontal debe quedar a una altura mínima de 0.75 m sobre NPT. La separación máxima entre las caras de cada grapa, y entre grapas, debe ser de 1.00 m. | | | | III. Protecciones en "U" (grapas) Deben ser de tubería de acero al carbono, cédula 40 con o sin costura, de al menos 102.00 mm de diámetro nominal, enterradas verticalmente no menos de 0.90 m bajo NPT. La parte alta del elemento horizontal debe quedar a una altura mínima de 0.75 m sobre NPT. La separación máxima entre las caras de cada grapa, y entre grapas, debe ser de 1.00 m. | |||||||||||||||||||||||||||||||||||||||||||||||||||||||||||||
| 6.3.6 Para la recepción del MAT se debe contar con un sistema de tierras fijo que debe cumplir, como mínimo, con los requisitos siguientes: I. Los electrodos de puesta a tierra deben ser horizontales, de materiales conductores y estar enterrados por lo menos a una profundidad de 0.6 m. | | | | 6.3.6 Para la recepción del MAT se debe contar con un sistema de tierras fijo que debe cumplir, como mínimo, con los requisitos siguientes: I. Los electrodos de puesta a tierra deben ser horizontales, de materiales conductores y estar enterrados por lo menos a una profundidad de 0.6 m. | |||||||||||||||||||||||||||||||||||||||||||||||||||||||||||||
| II. Los electrodos no deben ser aislados para facilitar la detección de defectos u otras anomalías que pudieran alterar su funcionamiento. | | | | II. Los electrodos no deben ser aislados para facilitar la detección de defectos u otras anomalías que pudieran alterar su funcionamiento. | |||||||||||||||||||||||||||||||||||||||||||||||||||||||||||||
| III. La conexión a los electrodos debe ser mediante tornillos o abrazaderas. | | | | III. La conexión a los electrodos debe ser mediante tornillos o abrazaderas. | |||||||||||||||||||||||||||||||||||||||||||||||||||||||||||||
| IV. El conductor de bajada debe contar con una canalización no metálica, con resistencia a la intemperie sobre su superficie, con el objeto de reducir la posibilidad de contacto accidental o incidental de los trabajadores. | | | | IV. El conductor de bajada debe contar con una canalización no metálica, con resistencia a la intemperie sobre su superficie, con el objeto de reducir la posibilidad de contacto accidental o incidental de los trabajadores. | |||||||||||||||||||||||||||||||||||||||||||||||||||||||||||||
| V. El conductor de bajada debe estar colocado de tal forma que su recorrido sea lo más corto posible y se eviten cruces con instalaciones eléctricas. | | | | V. El conductor de bajada debe estar colocado de tal forma que su recorrido sea lo más corto posible y se eviten cruces con instalaciones eléctricas. | |||||||||||||||||||||||||||||||||||||||||||||||||||||||||||||
| 6.3.7 Los caminos del Área de maniobras deben estar pavimentados con asfalto, hormigón armado o pavimento articulado y estar delimitados con franjas, señalizados e iluminados. | | | | 6.3.7 Los caminos del Área de maniobras deben estar pavimentados con asfalto, hormigón armado o pavimento articulado y estar delimitados con franjas, señalizados e iluminados. | |||||||||||||||||||||||||||||||||||||||||||||||||||||||||||||
| 6.3.8 La Instalación de Descompresión debe contar con señales y letreros de identificación de acuerdo con lo siguiente: I. Señales de prohibición en lugares visibles del área de descarga y Equipo de Descompresión: "PROHIBIDO EL PASO", "PROHIBIDO FUMAR" y "PROHIBIDO GENERAR LLAMA ABIERTA E INTRODUCIR OBJETOS INCANDESCENTES". | | | | 6.3.8 La Instalación de Descompresión debe contar con señales y letreros de identificación de acuerdo con lo siguiente: I. Señales de prohibición en lugares visibles del área de descarga y Equipo de Descompresión: "PROHIBIDO EL PASO", "PROHIBIDO FUMAR" y "PROHIBIDO GENERAR LLAMA ABIERTA E INTRODUCIR OBJETOS INCANDESCENTES". | |||||||||||||||||||||||||||||||||||||||||||||||||||||||||||||
| II. Señales de precaución en lugares visibles del área de descarga y Equipo de Descompresión, "PRECAUCIÓN MATERIALES INFLAMABLES Y COMBUSTIBLES", "PRECAUCIÓN, MATERIALES CON RIESGO DE EXPLOSIÓN", "RIESGO POR BAJA TEMPERATURA/ CONDICIONES DE CONGELAMIENTO". | | | | II. Señales de precaución en lugares visibles del área de descarga y Equipo de Descompresión, "PRECAUCIÓN MATERIALES INFLAMABLES Y COMBUSTIBLES", "PRECAUCIÓN, MATERIALES CON RIESGO DE EXPLOSIÓN", "RIESGO POR BAJA TEMPERATURA/ CONDICIONES DE CONGELAMIENTO". | |||||||||||||||||||||||||||||||||||||||||||||||||||||||||||||
| III. En cada botón de paro de emergencia, un letrero con las palabras "PARO DE EMERGENCIA", en letras rojas sobre fondo blanco. | | | | III. En cada botón de paro de emergencia, un letrero con las palabras "PARO DE EMERGENCIA", en letras rojas sobre fondo blanco. | |||||||||||||||||||||||||||||||||||||||||||||||||||||||||||||
| 6.3.8.1 Los tableros de control eléctrico deben estar marcados para indicar riesgos de alto voltaje y descargas eléctricas. | | | | 6.3.8.1 Los tableros de control eléctrico deben estar marcados para indicar riesgos de alto voltaje y descargas eléctricas. | |||||||||||||||||||||||||||||||||||||||||||||||||||||||||||||
| 6.3.8.2 Se podrán colocar otros letreros para identificar riesgos, peligros y características de mitigación específicos de la Instalación. | | | | 6.3.8.2 Se podrán colocar otros letreros para identificar riesgos, peligros y características de mitigación específicos de la Instalación. | |||||||||||||||||||||||||||||||||||||||||||||||||||||||||||||
| 6.4 Especificaciones de la especialidad mecánica 6.4.1 Mangueras y conexiones de mangueras 6.4.1.1 Se deben emplear mangueras marcadas por el fabricante, que indiquen el nombre del fabricante o marca comercial, identificación de servicio, presión de diseño y vida útil. | | | | 6.4 Especificaciones de la especialidad mecánica 6.4.1 Mangueras y conexiones de mangueras 6.4.1.1 Se deben emplear mangueras marcadas por el fabricante, que indiquen el nombre del fabricante o marca comercial, identificación de servicio, presión de diseño y vida útil. | |||||||||||||||||||||||||||||||||||||||||||||||||||||||||||||
| 6.4.1.2 Se debe contar con el certificado de fabricación de las mangueras donde se indiquen las condiciones de uso, ensayos y que han cumplido con el estándar de fabricación ANSI/CSA NGV 4.2-2014 / CSA 12.52-2014 o aquel que lo sustituya, o su equivalente. | | | Derivado del comentario recibido de la CRE a través del oficio UH-250/1961/2023 al numeral 3. Referencias normativas, se modifica la redacción. | 6.4.1.2 Se debe contar con el certificado de fabricación de las mangueras donde se indiquen las condiciones de uso, ensayos y que han cumplido con el estándar de fabricación CSA/ANSI NGV 4.2-2022, o su equivalente. | |||||||||||||||||||||||||||||||||||||||||||||||||||||||||||||
| 6.4.1.3 Las mangueras deben estar protegidas cuando no se encuentren en uso mediante postes de soporte o mediante su resguardo en un área específica. | | | | 6.4.1.3 Las mangueras deben estar protegidas cuando no se encuentren en uso mediante postes de soporte o mediante su resguardo en un área específica. | |||||||||||||||||||||||||||||||||||||||||||||||||||||||||||||
| 6.4.1.4 Se deben emplear acoplamientos de conexión para descargar el GNC, los cuales deben contar con su certificado de fabricación de acuerdo con el estándar ISO 7241 vigente, o su equivalente para la fabricación de acoplamientos de acción rápida. | | | Derivado del comentario recibido de la CRE a través del oficio UH-250/1961/2023 al numeral 3. Referencias normativas, se modifica la redacción. | 6.4.1.4 Se deben emplear acoplamientos de conexión para descargar el GNC, los cuales deben contar con su certificado de fabricación de acuerdo con el estándar ISO 7241-2014, o su equivalente para la fabricación de acoplamientos de acción rápida. | |||||||||||||||||||||||||||||||||||||||||||||||||||||||||||||
| 6.4.1.5 Los acoples de mangueras al MAT no pueden ser roscados. | | | | 6.4.1.5 Los acoples de mangueras al MAT no pueden ser roscados. | |||||||||||||||||||||||||||||||||||||||||||||||||||||||||||||
| 6.4.2 Filtros 6.4.2.1 Cuando el Equipo de Descompresión cuente con elementos de filtración de líquidos y/o partículas, estos deben cumplir como mínimo con los requisitos siguientes: | | | | 6.4.2 Filtros 6.4.2.1 Cuando el Equipo de Descompresión cuente con elementos de filtración de líquidos y/o partículas, estos deben cumplir como mínimo con los requisitos siguientes: | |||||||||||||||||||||||||||||||||||||||||||||||||||||||||||||
| I. Contar con el certificado del fabricante donde se indique el diseño, características constructivas y de funcionamiento, materiales de construcción y pruebas, de acuerdo con el código ASME Sección VIII División 1 vigente, o su equivalente para el diseño y/o fabricación de recipientes sujetos a presión. | | | Derivado del comentario recibido de la CRE a través del oficio UH-250/1961/2023 al numeral 3. Referencias normativas, se modifica la redacción. | I. Contar con el certificado del fabricante donde se indique el diseño, características constructivas y de funcionamiento, materiales de construcción y pruebas, de acuerdo con el código ASME Section VIII Division 1:2021, o su equivalente para el diseño y/o fabricación de recipientes sujetos a presión. | |||||||||||||||||||||||||||||||||||||||||||||||||||||||||||||
| II. Contar con una placa de identificación donde se indique: nombre del fabricante, modelo, código de diseño, caudal de diseño, presión de diseño, cantidad de elemento filtrantes y sentido del flujo. | | | Con fundamento en los artículos 3, fracción XX y 24, fracciones I y XI del Reglamento Interior de la Agencia Nacional de Seguridad Industrial y de Protección al Medio Ambiente del Sector Hidrocarburos; y, 10, fracción I y 29, fracción IV de las Reglas de Operación del Comité Consultivo Nacional de Normalización de Seguridad Industrial y Operativa y Protección al Medio Ambiente del Sector Hidrocarburos, derivado de la revisión integral al presente Proyecto de Norma Oficial Mexicana, se realiza una adecuación editorial para dar mayor claridad al requisito. | II. Contar con una placa de identificación donde se indique: nombre del fabricante, modelo, código de diseño, caudal de diseño, presión de diseño, cantidad de elementos filtrantes y sentido del flujo. | |||||||||||||||||||||||||||||||||||||||||||||||||||||||||||||
| III. Tener sistema de drenaje manual, contar con dos válvulas de bloqueo en serie (una de sacrificio y otra de cierre). | | | | III. Tener sistema de drenaje manual, contar con dos válvulas de bloqueo en serie (una de sacrificio y otra de cierre). | |||||||||||||||||||||||||||||||||||||||||||||||||||||||||||||
| 6.4.2.2 Los elementos filtrantes deben cumplir, como mínimo, con los requisitos siguientes: | | | | 6.4.2.2 Los elementos filtrantes deben cumplir, como mínimo, con los requisitos siguientes: | |||||||||||||||||||||||||||||||||||||||||||||||||||||||||||||
| I. Tener protección mecánica interna y externa, para evitar el arrastre de material filtrante por saturación de este. | | | | I. Tener protección mecánica interna y externa, para evitar el arrastre de material filtrante por saturación de este. | |||||||||||||||||||||||||||||||||||||||||||||||||||||||||||||
| II. Ser reemplazables sin necesidad de desmontar el filtro de la línea. | | | | II. Ser reemplazables sin necesidad de desmontar el filtro de la línea. | |||||||||||||||||||||||||||||||||||||||||||||||||||||||||||||
| 6.4.3 Reguladores de presión 6.4.3.1 Los reguladores de presión deben contar con los certificados de fabricación y pruebas siguientes: | | | Derivado del comentario recibido de la CRE a través del oficio UH-250/1961/2023 al numeral 5.3.3 se modifica la redacción. | 6.4.3 Válvulas o Reguladores de presión 6.4.3.1 Las válvulas o reguladores de presión deben contar con los certificados de fabricación y pruebas siguientes: | |||||||||||||||||||||||||||||||||||||||||||||||||||||||||||||
| I. Certificado de fabricación de acuerdo con el estándar IEC 60534-3-1 vigente, el estándar ANSI/ISA 75.08.01 vigente o su equivalente. | | | Derivado del comentario recibido de la CRE a través del oficio UH-250/1961/2023 al numeral 3. Referencias normativas, se modifica la redacción. | I. Certificado de fabricación de acuerdo con el estándar IEC 60534-3-1:2019, el estándar ANSI/ISA 75.08.01-2016 o su equivalente. | |||||||||||||||||||||||||||||||||||||||||||||||||||||||||||||
| II. Certificado de fabricación para conexiones de acuerdo con el código ASME B16.34 vigente o su equivalente. | | | Derivado del comentario recibido de la CRE a través del oficio UH-250/1961/2023 al numeral 3. Referencias normativas, se modifica la redacción. | II. Certificado de fabricación para conexiones de acuerdo con el código ASME B16.34:2020 o su equivalente. | |||||||||||||||||||||||||||||||||||||||||||||||||||||||||||||
| III. Certificado de prueba hidrostática de acuerdo con el estándar ANSI/FCI 4-1 vigente o su equivalente. | | | Derivado del comentario recibido de la CRE a través del oficio UH-250/1961/2023 al numeral 3. Referencias normativas, se modifica la redacción. | III. Certificado de prueba hidrostática de acuerdo con el estándar ANSI/FCI 4-1-2014 (R2019) o su equivalente. | |||||||||||||||||||||||||||||||||||||||||||||||||||||||||||||
| IV. Certificado de prueba de hermeticidad de acuerdo con el estándar ANSI/FCI 70-3 vigente o su equivalente. | | | Derivado del comentario recibido de la CRE a través del oficio UH-250/1961/2023 al numeral 3. Referencias normativas, se modifica la redacción. | IV. Certificado de prueba de hermeticidad de acuerdo con el estándar ANSI/FCI 70-3-2021 o su equivalente. | |||||||||||||||||||||||||||||||||||||||||||||||||||||||||||||
| V. Certificado de pruebas de ruido aerodinámico de acuerdo con el estándar IEC 60534-8-1 vigente o su equivalente, y para ruido hidrodinámico de acuerdo con el estándar IEC 60534-8-2 vigente o su equivalente. | | | Derivado del comentario recibido de la CRE a través del oficio UH-250/1961/2023 al numeral 3. Referencias normativas, se modifica la redacción. | V. Certificado de pruebas de ruido aerodinámico de acuerdo con el estándar IEC 60534-8-1:2005 o su equivalente, y para ruido hidrodinámico de acuerdo con el estándar IEC 60534-8-2:2011 o su equivalente. | |||||||||||||||||||||||||||||||||||||||||||||||||||||||||||||
| VI. Cuando se requiera la prueba de capacidad de flujo (Cv), esta debe estar de acuerdo con el estándar IEC 60534-4 vigente o su equivalente. | | | Derivado del comentario recibido de la CRE a través del oficio UH-250/1961/2023 al numeral 3. Referencias normativas, se modifica la redacción. | VI. Cuando se requiera la prueba de capacidad de flujo (Cv), esta debe estar de acuerdo con el estándar IEC 60534-4:2021 o su equivalente. | |||||||||||||||||||||||||||||||||||||||||||||||||||||||||||||
| 6.4.3.2 Si la regulación se efectuara en dos o más etapas y el regulador de la segunda etapa no fuera apto para soportar la máxima presión de suministro, la protección de este segundo debe tener una válvula de bloqueo por sobrepresión, colocada Aguas arriba del primer regulador cuya señal de comando sea tomada Aguas arriba del segundo regulador. | CRE UH-250/1961/2023 | Debe decir: Si la regulación se efectúa en dos o más etapas, por seguridad, se debe instalar en el regulador de la segunda etapa y subsiguientes etapas, una válvula de bloqueo por sobrepresión, colocada Aguas arriba del primer regulador cuya señal de comando sea tomada Aguas arriba del segundo y subsiguiente regulador: Justificación técnica y/o jurídica: Se propone la modificación de la redacción para una mayor comprensión del objetivo del numeral. | PROCEDE PARCIALMENTE Con fundamento en los artículos Cuarto Transitorio de la Ley de Infraestructura de la Calidad; 47, fracciones I y II de la Ley Federal sobre Metrología y Normalización; 5, fracción IV de la Ley de la Agencia Nacional de Seguridad Industrial y de Protección al Medio Ambiente del Sector Hidrocarburos; y 2, 6, fracciones II y XIII, 10, fracción VI y XV de las Reglas de Operación del Comité Consultivo Nacional de Normalización de Seguridad Industrial y Operativa y Protección al Medio Ambiente del Sector Hidrocarburos, y derivado del estudio y análisis al comentario recibido, se determinó que PROCEDE PARCIALMENTE, se identifica que el requisito ya se encuentra en el numeral 5.3.3.8 y se atendió el comentario recibido por el proponente en dicho numeral. Por lo que se elimina el 6.4.3.2. Derivado de la eliminación del numeral 6.4.3.2, se elimina la definición del numeral 4.2 Aguas arriba debido a que no se utilizará en el documento. | SE ELIMINA | |||||||||||||||||||||||||||||||||||||||||||||||||||||||||||||
| 6.4.3.3 Deben tener una placa de identificación donde se incluyan, al menos, los siguientes datos: caudal en m3/h para la presión mínima de entrada, nombre del fabricante, presión admisible máxima en bar y valor de ajuste de la presión regulada en bar. | | | Derivado de la eliminación del numeral 6.4.3.2, se recorre el orden de la numeración. | 6.4.3.2 Deben tener una placa de identificación donde se incluyan, al menos, los siguientes datos: caudal en m3/h para la presión mínima de entrada, nombre del fabricante, presión admisible máxima en bar y valor de ajuste de la presión regulada en bar. | |||||||||||||||||||||||||||||||||||||||||||||||||||||||||||||
| 6.4.3.4 Se debe asegurar que el regulador opere dentro del rango recomendado por el proveedor. | | | Derivado del comentario recibido de la CRE a través del oficio UH-250/1961/2023 al numeral 5.3.3 se modifica la redacción. Asimismo, debido a la eliminación del numeral 6.4.3.2 se recorre el orden de la numeración. | 6.4.3.3 Se debe asegurar que la válvula o regulador de presión opere dentro del rango recomendado por el fabricante. | |||||||||||||||||||||||||||||||||||||||||||||||||||||||||||||
| 6.4.4 Equipo de calentamiento 6.4.4.1 Debe contar con el certificado de fabricación y certificado de pruebas para el tipo de calentador seleccionado conforme a lo establecido en el numeral 5.3.4.1. | | | | 6.4.4 Equipo de calentamiento 6.4.4.1 Debe contar con el certificado de fabricación y certificado de pruebas para el tipo de calentador seleccionado conforme a lo establecido en el numeral 5.3.4.1. | |||||||||||||||||||||||||||||||||||||||||||||||||||||||||||||
| 6.4.4.2 Debe contar con una placa de identificación donde se indique como mínimo lo siguiente: nombre del fabricante, modelo, código de diseño, caudal de diseño, presión de diseño, temperatura de diseño de entrada y salida. | | | | 6.4.4.2 Debe contar con una placa de identificación donde se indique como mínimo lo siguiente: nombre del fabricante, modelo, código de diseño, caudal de diseño, presión de diseño, temperatura de diseño de entrada y salida. | |||||||||||||||||||||||||||||||||||||||||||||||||||||||||||||
| 6.4.5 Tuberías, válvulas y conexiones 6.4.5.1 Las tuberías deben contar, como mínimo, con los requisitos siguientes: | | | | 6.4.5 Tuberías, válvulas y conexiones 6.4.5.1 Las tuberías deben contar, como mínimo, con los requisitos siguientes: | |||||||||||||||||||||||||||||||||||||||||||||||||||||||||||||
| I. Certificado de fabricación de acuerdo con el código ASME B31.3 vigente o su equivalente. | | | Derivado del comentario recibido de la CRE a través del oficio UH-250/1961/2023 al numeral 3. Referencias normativas, se modifica la redacción. | I. Certificado de fabricación de acuerdo con el código ASME B31.3:2022 o su equivalente. | |||||||||||||||||||||||||||||||||||||||||||||||||||||||||||||
| II. Estar marcados o con placa de identificación. | | | | II. Estar marcados o con placa de identificación. | |||||||||||||||||||||||||||||||||||||||||||||||||||||||||||||
| III. No presentar signos de alteración, modificación o soldadura después de su fabricación. | | | | III. No presentar signos de alteración, modificación o soldadura después de su fabricación. | |||||||||||||||||||||||||||||||||||||||||||||||||||||||||||||
| 6.4.5.2 Todas las uniones soldadas deben realizarse por soldadores calificados, de acuerdo con lo indicado en el código ASME Sección IX vigente, o su equivalente para calificación de soldadores. Debe contarse con el informe por escrito del resultado. | | | Derivado del comentario recibido de la CRE a través del oficio UH-250/1961/2023 al numeral 3. Referencias normativas, se modifica la redacción. | 6.4.5.2 Todas las uniones soldadas deben realizarse por soldadores calificados, de acuerdo con lo indicado en el código ASME Section IX:2021, o su equivalente para calificación de soldadores. Debe contarse con el informe por escrito del resultado. | |||||||||||||||||||||||||||||||||||||||||||||||||||||||||||||
| 6.4.5.3 Se permite el uso de bridas en líneas de alta presión cuando sea compatible con la presión de operación de la tubería. No se permite el uso de bridas en líneas de alta presión enterradas. | | | | 6.4.5.3 Se permite el uso de bridas en líneas de alta presión cuando sea compatible con la presión de operación de la tubería. No se permite el uso de bridas en líneas de alta presión enterradas. | |||||||||||||||||||||||||||||||||||||||||||||||||||||||||||||
| 6.4.5.4 Las uniones de las tuberías soldadas deben someterse a exámenes no destructivos de acuerdo con lo indicado en el capítulo V del código ASME B31.3 vigente, o su equivalente para exámenes no destructivos. | | | Derivado del comentario recibido de la CRE a través del oficio UH-250/1961/2023 al numeral 3. Referencias normativas, se modifica la redacción. | 6.4.5.4 Las uniones de las tuberías soldadas deben someterse a exámenes no destructivos de acuerdo con lo indicado en el capítulo V del código ASME B31.3:2022, o su equivalente para exámenes no destructivos. | |||||||||||||||||||||||||||||||||||||||||||||||||||||||||||||
| 6.4.5.5 Las tuberías no deben estar en contacto con ningún cable o artefacto eléctrico para evitar los peligros de chispas o de corrosión. | CRE UH-250/1961/2023 | Debe decir: Las tuberías no deben estar en contacto con ningún cable o artefacto eléctrico para evitar peligros por chispas o generar corrosión Justificación técnica y/o jurídica: Se proponen cambios en la redacción. | PROCEDE Con fundamento en los artículos Cuarto Transitorio de la Ley de Infraestructura de la Calidad; 47, fracciones I y II de la Ley Federal sobre Metrología y Normalización; 5, fracción IV de la Ley de la Agencia Nacional de Seguridad Industrial y de Protección al Medio Ambiente del Sector Hidrocarburos; y 2, 6, fracciones II y XIII, 10, fracción VI y XV de las Reglas de Operación del Comité Consultivo Nacional de Normalización de Seguridad Industrial y Operativa y Protección al Medio Ambiente del Sector Hidrocarburos, y derivado del estudio y análisis al comentario recibido, se determinó que PROCEDE, por lo que se modifica la redacción para brindar mayor claridad. | 6.4.5.5 Las tuberías no deben estar en contacto con ningún cable o artefacto eléctrico para evitar peligros por chispas o generar corrosión. | |||||||||||||||||||||||||||||||||||||||||||||||||||||||||||||
| 6.4.5.6 Se debe tener una distancia mínima de 1 m entre tuberías y cable eléctrico; se puede entubar el cable eléctrico para evitar la separación indicada. | | | | 6.4.5.6 Se debe tener una distancia mínima de 1 m entre tuberías y cable eléctrico; se puede entubar el cable eléctrico para evitar la separación indicada. | |||||||||||||||||||||||||||||||||||||||||||||||||||||||||||||
| 6.4.5.7 Toda tubería conectada a un equipo fijo o a un punto fijo, debe de contar con soportes o anclaje fabricados en acero al carbono y su Instalación debe cumplir, como mínimo, con los requisitos siguientes: | | | | 6.4.5.7 Toda tubería conectada a un equipo fijo o a un punto fijo, debe de contar con soportes o anclaje fabricados en acero al carbono y su Instalación debe cumplir, como mínimo, con los requisitos siguientes: | |||||||||||||||||||||||||||||||||||||||||||||||||||||||||||||
| I. No deben provocar su desprendimiento por los posibles movimientos de la tubería. | | | | I. No deben provocar su desprendimiento por los posibles movimientos de la tubería. | |||||||||||||||||||||||||||||||||||||||||||||||||||||||||||||
| II. Permitir la libre expansión de la tubería entre soportes y anclajes. | | | | II. Permitir la libre expansión de la tubería entre soportes y anclajes. | |||||||||||||||||||||||||||||||||||||||||||||||||||||||||||||
| III. Para tubería enterrada a la que han sido conectadas nuevas derivaciones, debe tener una base firme de apoyo para ambas, a fin de evitar movimientos verticales y laterales. | | | | III. Para tubería enterrada a la que han sido conectadas nuevas derivaciones, debe tener una base firme de apoyo para ambas, a fin de evitar movimientos verticales y laterales. | |||||||||||||||||||||||||||||||||||||||||||||||||||||||||||||
| 6.4.5.8 Las tuberías expuestas a la intemperie (aéreas) y enterradas deben ser protegidas contra la corrosión atmosférica con un recubrimiento anticorrosivo o por un sistema de protección catódica, tomando en cuenta las condiciones de operación, la Instalación, el manejo y el escenario particular de exposición de la tubería por proteger, así como la compatibilidad con la protección catódica complementaria. | | | | 6.4.5.8 Las tuberías expuestas a la intemperie (aéreas) y enterradas deben ser protegidas contra la corrosión atmosférica con un recubrimiento anticorrosivo o por un sistema de protección catódica, tomando en cuenta las condiciones de operación, la Instalación, el manejo y el escenario particular de exposición de la tubería por proteger, así como la compatibilidad con la protección catódica complementaria. | |||||||||||||||||||||||||||||||||||||||||||||||||||||||||||||
| 6.4.5.9 Al momento de ser aplicado el recubrimiento anticorrosivo debe estar libre de poros o imperfecciones. | | | | 6.4.5.9 Al momento de ser aplicado el recubrimiento anticorrosivo debe estar libre de poros o imperfecciones. | |||||||||||||||||||||||||||||||||||||||||||||||||||||||||||||
| 6.4.5.10 Se debe realizar la prueba hidrostática a 1.5 veces la presión de diseño, de conformidad con el código ASME B31.3 vigente o su equivalente. | | | Derivado del comentario recibido de la CRE a través del oficio UH-250/1961/2023 al numeral 3. Referencias normativas, se modifica la redacción. | 6.4.5.10 Se debe realizar la prueba hidrostática a 1.5 veces la presión de diseño, de conformidad con el código ASME B31.3:2022 o su equivalente. | |||||||||||||||||||||||||||||||||||||||||||||||||||||||||||||
| 6.4.5.11 La tubería debe ser identificada de la siguiente manera: | | | | 6.4.5.11 La tubería debe ser identificada de la siguiente manera: | |||||||||||||||||||||||||||||||||||||||||||||||||||||||||||||
| I. La identificación del fluido (Gas Natural) debe ser en color amarillo, el sentido del gas y el color de texto debe ser color negro. | | | | I. La identificación del fluido (Gas Natural) debe ser en color amarillo, el sentido del gas y el color de texto debe ser color negro. | |||||||||||||||||||||||||||||||||||||||||||||||||||||||||||||
| II. El sentido del fluido debe ser con una flecha y debe ubicarse de forma que sea visible desde cualquier punto en la que se ubican las tuberías y en la cercanía de las válvulas. En tramos rectos se ubicarán intervalos regulares, no mayores, de acuerdo con los requisitos siguientes: a) Para un ancho de banda del color de seguridad de hasta 200 mm, cada 10 m, o b) Para anchos de banda mayores a 200 mm, cada 15 m. | | | | II. El sentido del fluido debe ser con una flecha y debe ubicarse de forma que sea visible desde cualquier punto en la que se ubican las tuberías y en la cercanía de las válvulas. En tramos rectos se ubicarán intervalos regulares, no mayores, de acuerdo con los requisitos siguientes: a) Para un ancho de banda del color de seguridad de hasta 200 mm, cada 10 m, o b) Para anchos de banda mayores a 200 mm, cada 15 m. | |||||||||||||||||||||||||||||||||||||||||||||||||||||||||||||
| 6.4.5.12 Las válvulas manuales deben de cumplir, como mínimo, con los requisitos siguientes: | | | | 6.4.5.12 Las válvulas manuales deben de cumplir, como mínimo, con los requisitos siguientes: | |||||||||||||||||||||||||||||||||||||||||||||||||||||||||||||
| I. Contar con su certificado de fabricación de acuerdo con lo establecido en las fracciones I, V y Vl del numeral 5.3.7.1. | | | | I. Contar con su certificado de fabricación de acuerdo con lo establecido en las fracciones I, V y Vl del numeral 5.3.7.1. | |||||||||||||||||||||||||||||||||||||||||||||||||||||||||||||
| II. Llevar grabado en su cuerpo el nombre de fabricante o marca comercial, máxima presión de trabajo y el material con que han sido fabricadas. | | | | II. Llevar grabado en su cuerpo el nombre de fabricante o marca comercial, máxima presión de trabajo y el material con que han sido fabricadas. | |||||||||||||||||||||||||||||||||||||||||||||||||||||||||||||
| III. No presentar signos de alteración, modificación o soldadura después de su fabricación. | | | | III. No presentar signos de alteración, modificación o soldadura después de su fabricación. | |||||||||||||||||||||||||||||||||||||||||||||||||||||||||||||
| IV. Contar con certificado de prueba de fuego, de acuerdo con el estándar API STD 607 vigente o su equivalente. | | | Derivado del comentario recibido de la CRE a través del oficio UH-250/1961/2023 al numeral 3. Referencias normativas, se modifica la redacción. | IV. Contar con certificado de prueba de fuego, de acuerdo con el estándar API STD 607 7TH ED:2022 vigente o su equivalente. | |||||||||||||||||||||||||||||||||||||||||||||||||||||||||||||
| 6.4.5.13 Las válvulas de corte no deben ser instaladas entre un dispositivo de alivio/relevo de presión y otro equipo de la Instalación. | | | | 6.4.5.13 Las válvulas de corte no deben ser instaladas entre un dispositivo de alivio/relevo de presión y otro equipo de la Instalación. | |||||||||||||||||||||||||||||||||||||||||||||||||||||||||||||
| 6.4.5.14 Las válvulas de alivio de presión deben cumplir, como mínimo, con los requisitos siguientes: | | | | 6.4.5.14 Las válvulas de alivio de presión deben cumplir, como mínimo, con los requisitos siguientes: | |||||||||||||||||||||||||||||||||||||||||||||||||||||||||||||
| I. Contar con su certificado de fabricación de acuerdo con el estándar del numeral 5.3.9.2. | CRE UH-250/1961/2023 | Debe decir: a) Contar con su certificado de fabricación de acuerdo con la Norma Oficial Mexicana del numeral 5.3.9.2. [...] Justificación técnica y/o jurídica: El numeral 5.3.9.2 se refiere a una Norma Oficial Mexicana, no a un estándar. | PROCEDE PARCIALMENTE Con fundamento en los artículos Cuarto Transitorio de la Ley de Infraestructura de la Calidad; 47, fracciones I y II de la Ley Federal sobre Metrología y Normalización; 5, fracción IV de la Ley de la Agencia Nacional de Seguridad Industrial y de Protección al Medio Ambiente del Sector Hidrocarburos; y 2, 6, fracciones II y XIII, 10, fracción VI y XV de las Reglas de Operación del Comité Consultivo Nacional de Normalización de Seguridad Industrial y Operativa y Protección al Medio Ambiente del Sector Hidrocarburos, y derivado del estudio y análisis al comentario recibido, se determinó que PROCEDE PARCIALMENTE, se integra en la redacción la norma oficial mexicana para darle mayor sentido y claridad al requisito. | I. Contar con su certificado de fabricación de acuerdo con la NOM-093-SCFI-2020. | |||||||||||||||||||||||||||||||||||||||||||||||||||||||||||||
| II. Toda tubería de salida de la válvula de alivio deber estar dirigida hacia arriba, y tener una válvula de retención que impida el ingreso de agua o polvo a su interior. | | | | II. Toda tubería de salida de la válvula de alivio deber estar dirigida hacia arriba, y tener una válvula de retención que impida el ingreso de agua o polvo a su interior. | |||||||||||||||||||||||||||||||||||||||||||||||||||||||||||||
| III. Para facilitar el cambio o ajuste, se deben instalar válvulas de bloqueo multivía bajo los dispositivos de alivio, para permitir que cualquiera de las válvulas de seguridad pueda bloquearse, sin bloquear más de uno al mismo tiempo. | | | | III. Para facilitar el cambio o ajuste, se deben instalar válvulas de bloqueo multivía bajo los dispositivos de alivio, para permitir que cualquiera de las válvulas de seguridad pueda bloquearse, sin bloquear más de uno al mismo tiempo. | |||||||||||||||||||||||||||||||||||||||||||||||||||||||||||||
| 6.4.5.15 Cuando se cuente con dispositivos de ruptura, estos deben contar con su certificado de fabricación donde se indique que cumplen con el estándar ANSI/IAS NGV 4.4-1999/CSA 12.54-M1999 (R2014) o aquel que lo sustituya, o su equivalente. | | | Derivado del comentario recibido de la CRE a través del oficio UH-250/1961/2023 al numeral 3. Referencias normativas, se modifica la redacción. | 6.4.5.15 Cuando se cuente con dispositivos de ruptura, estos deben contar con su certificado de fabricación donde se indique que cumplen con el estándar CSA/ANSI NGV 4.4-2021 o aquel que lo sustituya, o su equivalente. | |||||||||||||||||||||||||||||||||||||||||||||||||||||||||||||
| 6.4.5.16 La instrumentación y control deben de contar con sus certificados de fabricación y pruebas, que asegure el cumplimiento del numeral 5.3.11. | | | | 6.4.5.16 La instrumentación y control deben de contar con sus certificados de fabricación y pruebas, que asegure el cumplimiento del numeral 5.3.11. | |||||||||||||||||||||||||||||||||||||||||||||||||||||||||||||
| 6.5 Especificaciones de la especialidad contra incendio 6.5.1 Sistema de paro por emergencia 6.5.1.1 Debe contar con activadores en las Islas de descarga o en el área de Descompresión de los semirremolques según corresponda, y deben ser de tamaño grande, tipo hongo, golpe de puño, instalados como máximo a 1.80 m de altura respecto del suelo, y estar identificados con la leyenda "PARO DE EMERGENCIA". | | | | 6.5 Especificaciones de la especialidad contra incendio 6.5.1 Sistema de paro por emergencia 6.5.1.1 Debe contar con activadores en las Islas de descarga o en el área de Descompresión de los semirremolques según corresponda, y deben ser de tamaño grande, tipo hongo, golpe de puño, instalados como máximo a 1.80 m de altura respecto del suelo, y estar identificados con la leyenda "PARO DE EMERGENCIA". | |||||||||||||||||||||||||||||||||||||||||||||||||||||||||||||
| 6.5.1.2 Los activadores ubicados en el Equipo de Descompresión y en el Poste de descarga deben ser manuales. | | | | 6.5.1.2 Los activadores ubicados en el Equipo de Descompresión y en el Poste de descarga deben ser manuales. | |||||||||||||||||||||||||||||||||||||||||||||||||||||||||||||
| 6.5.2 Sistemas de protección contra incendio 6.5.2.1 Los extintores deben ser ubicados a una altura no mayor de 1.50 m, medidos desde el nivel del piso hasta la parte más alta del extintor, excepto los extintores rodantes. | | | | 6.5.2 Sistemas de protección contra incendio 6.5.2.1 Los extintores deben ser ubicados a una altura no mayor de 1.50 m, medidos desde el nivel del piso hasta la parte más alta del extintor, excepto los extintores rodantes. | |||||||||||||||||||||||||||||||||||||||||||||||||||||||||||||
| 6.5.2.2 Deben ser protegidos de daños y de las condiciones ambientales que puedan afectar su funcionamiento. | | | | 6.5.2.2 Deben ser protegidos de daños y de las condiciones ambientales que puedan afectar su funcionamiento. | |||||||||||||||||||||||||||||||||||||||||||||||||||||||||||||
| 6.5.2.3 Deber ser colocados en lugares visibles, de fácil acceso y libres de obstáculos, de tal forma que el recorrido no exceda de 10 m desde cualquier lugar ocupado en la Instalación de Descompresión. | | | | 6.5.2.3 Deber ser colocados en lugares visibles, de fácil acceso y libres de obstáculos, de tal forma que el recorrido no exceda de 10 m desde cualquier lugar ocupado en la Instalación de Descompresión. | |||||||||||||||||||||||||||||||||||||||||||||||||||||||||||||
| 6.6 Especificaciones del proyecto eléctrico La Instalación de Descompresión debe contar con un Dictamen de cumplimiento con la NOM-001-SEDE-2012, emitido por una Unidad de Inspección de Instalaciones Eléctricas acreditada y aprobada por la autoridad correspondiente. | CRE UH-250/1961/2023 | Debe decir: 6.6 Especificaciones del proyecto eléctrico 6.6.1 La Instalación de Descompresión debe contar con un Dictamen de cumplimiento con la NOM-001-SEDE-2012, emitido por una Unidad de Inspección de Instalaciones Eléctricas acreditada y aprobada por la autoridad correspondiente. Justificación técnica y/o jurídica: Indicar el numeral 6.6.1 en el párrafo. | NO PROCEDE Con fundamento en los artículos Cuarto Transitorio de la Ley de Infraestructura de la Calidad; 47, fracciones I y II de la Ley Federal sobre Metrología y Normalización; 5, fracción IV de la Ley de la Agencia Nacional de Seguridad Industrial y de Protección al Medio Ambiente del Sector Hidrocarburos; 33, párrafo tercero del Reglamento de la Ley Federal sobre Metrología y Normalización; y 2, 6, fracciones II y XIII, 10, fracción VI y XV de las Reglas de Operación del Comité Consultivo Nacional de Normalización de Seguridad Industrial y Operativa y Protección al Medio Ambiente del Sector Hidrocarburos, y derivado del estudio y análisis al comentario recibido, se determinó que NO PROCEDE, debido a que conforme al numeral 5.2.3 de la NMX-Z-013-SCFI-2015 "Guía para la estructuración y redacción de normas", no se debe crear un inciso a menos que exista a continuación otro inciso en el mismo nivel. | 6.6 Especificaciones del proyecto eléctrico La Instalación de Descompresión debe contar con un Dictamen de cumplimiento con la NOM-001-SEDE-2012, emitido por una Unidad de Inspección de Instalaciones Eléctricas acreditada y aprobada por la autoridad correspondiente. | |||||||||||||||||||||||||||||||||||||||||||||||||||||||||||||
| 6.7 Especificaciones de protección al medio ambiente 6.7.1 Previo a cualquier actividad, se debe asegurar que el terreno se encuentre limpio de cualquier residuo. | | | | 6.7 Especificaciones de protección al medio ambiente 6.7.1 Previo a cualquier actividad, se debe asegurar que el terreno se encuentre limpio de cualquier residuo. | |||||||||||||||||||||||||||||||||||||||||||||||||||||||||||||
| 6.7.2 Para el caso en que se requiera deshierbe, este se debe realizar de manera manual o mecánica. | | | | 6.7.2 Para el caso en que se requiera deshierbe, este se debe realizar de manera manual o mecánica. | |||||||||||||||||||||||||||||||||||||||||||||||||||||||||||||
| 6.7.3 El mantenimiento a los vehículos y maquinaria empleados durante la construcción no debe efectuarse en el sitio del proyecto. | | | | 6.7.3 El mantenimiento a los vehículos y maquinaria empleados durante la construcción no debe efectuarse en el sitio del proyecto. | |||||||||||||||||||||||||||||||||||||||||||||||||||||||||||||
| 6.7.4 Para evitar la contaminación del sitio del proyecto, durante la preparación y construcción de este, se deben instalar sanitarios portátiles y contratar los servicios especializados para su mantenimiento periódico y disposición de los residuos generados. | CRE UH-250/1961/2023 | Debe decir: 6.7.4 Para evitar la contaminación del sitio del proyecto durante la preparación y construcción de este, se deben instalar sanitarios portátiles y contratar los servicios especializados para su mantenimiento periódico y disposición de los residuos generados. [...] Justificación técnica y/o jurídica: Se propone la eliminación de la primera coma. | PROCEDE Con fundamento en los artículos Cuarto Transitorio de la Ley de Infraestructura de la Calidad; 47, fracciones I y II de la Ley Federal sobre Metrología y Normalización; 5, fracción IV de la Ley de la Agencia Nacional de Seguridad Industrial y de Protección al Medio Ambiente del Sector Hidrocarburos; y 2, 6, fracciones II y XIII, 10, fracción VI y XV de las Reglas de Operación del Comité Consultivo Nacional de Normalización de Seguridad Industrial y Operativa y Protección al Medio Ambiente del Sector Hidrocarburos, y derivado del estudio y análisis al comentario recibido, se determinó que PROCEDE, por lo que se modifica la redacción para brindar mayor claridad. | 6.7.4 Para evitar la contaminación del sitio del proyecto durante la preparación y construcción de este, se deben instalar sanitarios portátiles y contratar los servicios especializados para su mantenimiento periódico y disposición de los residuos generados. | |||||||||||||||||||||||||||||||||||||||||||||||||||||||||||||
| 6.7.5 Para la realización de las obras en la preparación del sitio y construcción se debe dar preferencia al uso de agua tratada. | | | | 6.7.5 Para la realización de las obras en la preparación del sitio y construcción se debe dar preferencia al uso de agua tratada. | |||||||||||||||||||||||||||||||||||||||||||||||||||||||||||||
| 6.7.6 Para los materiales producto de la excavación que en su caso se requiera para la construcción del proyecto y que permanezcan en la obra, se deben aplicar las medidas necesarias para evitar la dispersión de polvos y documentar cada una de ellas. | | | | 6.7.6 Para los materiales producto de la excavación que en su caso se requiera para la construcción del proyecto y que permanezcan en la obra, se deben aplicar las medidas necesarias para evitar la dispersión de polvos y documentar cada una de ellas. | |||||||||||||||||||||||||||||||||||||||||||||||||||||||||||||
| 6.7.7 Todos los trabajos que generen emisión de partículas deben realizarse en húmedo. | | | | 6.7.7 Todos los trabajos que generen emisión de partículas deben realizarse en húmedo. | |||||||||||||||||||||||||||||||||||||||||||||||||||||||||||||
| 6.7.8 Los camiones que transporten material térreo deben estar cubiertos con lonas para evitar la dispersión de partículas, esta lona debe cubrir la totalidad de la caja. | | | | 6.7.8 Los camiones que transporten material térreo deben estar cubiertos con lonas para evitar la dispersión de partículas, esta lona debe cubrir la totalidad de la caja. | |||||||||||||||||||||||||||||||||||||||||||||||||||||||||||||
| 6.7.9 Se debe establecer un límite de velocidad máximo de 20 km/h en la zona de tránsito de manera que se minimice el levantamiento de polvo o partículas. Este límite debe estar señalizado y visible para todos los trabajadores. | | | | 6.7.9 Se debe establecer un límite de velocidad máximo de 20 km/h en la zona de tránsito de manera que se minimice el levantamiento de polvo o partículas. Este límite debe estar señalizado y visible para todos los trabajadores. | |||||||||||||||||||||||||||||||||||||||||||||||||||||||||||||
| 6.7.10 Se debe evitar fumar, encender fogatas o quemar cualquier material o residuos en el predio del proyecto; estas indicaciones deben encontrarse señalizadas y debe realizarse su difusión al personal correspondiente. | | | Con fundamento en los artículos 3, fracción XX y 24, fracciones I y XI del Reglamento Interior de la Agencia Nacional de Seguridad Industrial y de Protección al Medio Ambiente del Sector Hidrocarburos; y, 10, fracción I y 29, fracción IV de las Reglas de Operación del Comité Consultivo Nacional de Normalización de Seguridad Industrial y Operativa y Protección al Medio Ambiente del Sector Hidrocarburos, derivado de la revisión integral al presente Proyecto de Norma Oficial Mexicana, se realiza una adecuación editorial para dar mayor claridad al requisito. | 6.7.10 Se debe evitar fumar, encender fogatas o quemar cualquier material o residuo en el predio del proyecto; estas indicaciones deben encontrarse señalizadas y debe realizarse su difusión al personal correspondiente. | |||||||||||||||||||||||||||||||||||||||||||||||||||||||||||||
| 6.7.11 En caso de usar soldaduras, solventes, aditivos y/o materiales de limpieza durante la preparación del sitio o la construcción de la Instalación, se deben tomar medidas preventivas para evitar la contaminación del agua y/o suelo. | | | | 6.7.11 En caso de usar soldaduras, solventes, aditivos y/o materiales de limpieza durante la preparación del sitio o la construcción de la Instalación, se deben tomar medidas preventivas para evitar la contaminación del agua y/o suelo. | |||||||||||||||||||||||||||||||||||||||||||||||||||||||||||||
| 6.8 Pre-Arranque 6.8.1 Revisión de Seguridad de Pre-arranque. 6.8.1.1 Previo al inicio o reinicio de operaciones de una Instalación de Descompresión se debe realizar la Revisión de Seguridad de Pre-arranque (RSPA), ya sea que las Instalaciones y/o equipos sean nuevos, cuando se hayan realizado modificaciones a la ingeniería, posterior a una reubicación de equipos, o cuando se haya estado fuera de operación debido a paros por accidentes, por logística de operación o por fines comerciales. | CRE UH-250/1961/2023 | Debe decir: Previo al inicio o reinicio de operaciones de una Instalación de Descompresión se debe realizar la Revisión de Seguridad de Pre-arranque (RSPA), ya sea que las Instalaciones y/o equipos sean nuevos, cuando se hayan realizado modificaciones a la ingeniería, posterior a una reubicación de equipos, o cuando se haya estado fuera de operación debido a paros por reparación o accidente, por logística de operación o por fines comerciales. Justificación técnica y/o jurídica: Incluir paros por alguna reparación e indicar la palabra accidentes en singular. | NO PROCEDE Con fundamento en los artículos Cuarto Transitorio de la Ley de Infraestructura de la Calidad; 47, fracciones I y II de la Ley Federal sobre Metrología y Normalización; 5, fracción IV de la Ley de la Agencia Nacional de Seguridad Industrial y de Protección al Medio Ambiente del Sector Hidrocarburos; 33, párrafo tercero del Reglamento de la Ley Federal sobre Metrología y Normalización; y 2, 6, fracciones II y XIII, 10, fracción VI y XV de las Reglas de Operación del Comité Consultivo Nacional de Normalización de Seguridad Industrial y Operativa y Protección al Medio Ambiente del Sector Hidrocarburos, y derivado del estudio y análisis al comentario recibido, se determinó que NO PROCEDE, ya que, de acuerdo con los escenarios evaluados en el grupo de trabajo, las reparaciones pueden involucrar cambios menores que no ameritan la realización completa de una RSPA de conformidad con lo establecido en el numeral 6.8, por lo que, no se considera conveniente requerir de forma obligatoria la realización de la misma para todas las reparaciones, toda vez que, los casos principales de reparaciones programadas se atienden en el escenario de paro por logística de operación y las reparaciones mayores no programadas se contemplan en paros por accidentes. | 6.8 Pre-Arranque 6.8.1 Revisión de Seguridad de Pre-arranque. 6.8.1.1 Previo al inicio o reinicio de operaciones de una Instalación de Descompresión se debe realizar la Revisión de Seguridad de Pre-arranque (RSPA), ya sea que las Instalaciones y/o equipos sean nuevos, cuando se hayan realizado modificaciones a la ingeniería, posterior a una reubicación de equipos, o cuando se haya estado fuera de operación debido a paros por accidentes, por logística de operación o por fines comerciales. | |||||||||||||||||||||||||||||||||||||||||||||||||||||||||||||
| 6.8.1.2 Cuando la Instalación cuente con más de un Equipo de Descompresión la RSPA podrá realizarse total o por etapas. | | | | 6.8.1.2 Cuando la Instalación cuente con más de un Equipo de Descompresión la RSPA podrá realizarse total o por etapas. | |||||||||||||||||||||||||||||||||||||||||||||||||||||||||||||
| 6.8.1.3 Se debe integrar un grupo responsable de realizar la RSPA, el cual debe cumplir con lo siguiente: | | | | 6.8.1.3 Se debe integrar un grupo responsable de realizar la RSPA, el cual debe cumplir con lo siguiente: | |||||||||||||||||||||||||||||||||||||||||||||||||||||||||||||
| I. Estar formalizado y conformado por un coordinador y personal con experiencia y conocimientos en diseño, construcción, reparación, modificación o rehabilitación de los equipos e Instalaciones, según corresponda; así como aquellos que operarán, darán mantenimiento y ejecutarán las funciones de Seguridad Industrial, Seguridad Operativa y protección al medio ambiente, una vez que se lleve a cabo el inicio o reinicio de la operación. | | | | I. Estar formalizado y conformado por un coordinador y personal con experiencia y conocimientos en diseño, construcción, reparación, modificación o rehabilitación de los equipos e Instalaciones, según corresponda; así como aquellos que operarán, darán mantenimiento y ejecutarán las funciones de Seguridad Industrial, Seguridad Operativa y protección al medio ambiente, una vez que se lleve a cabo el inicio o reinicio de la operación. | |||||||||||||||||||||||||||||||||||||||||||||||||||||||||||||
| II. En caso de ser necesario para la RSPA, se podrán integrar al grupo responsable especialistas en materias tales como: civil, eléctrico, mecánico, ya sea de equipos estáticos o equipos dinámicos, instrumentos, áreas internas y externas, fabricantes, licenciadores, o cualquier otro personal propio, contratista, subcontratista, proveedor o prestador de servicio que, por su relación con el equipo o Instalación, requiera intervenir. Con independencia de quienes se integren al grupo referido, el Regulado mantendrá la responsabilidad de que la RSPA se realice conforme a lo establecido en el presente numeral | | | | II. En caso de ser necesario para la RSPA, se podrán integrar al grupo responsable especialistas en materias tales como: civil, eléctrico, mecánico, ya sea de equipos estáticos o equipos dinámicos, instrumentos, áreas internas y externas, fabricantes, licenciadores, o cualquier otro personal propio, contratista, subcontratista, proveedor o prestador de servicio que, por su relación con el equipo o Instalación, requiera intervenir. Con independencia de quienes se integren al grupo referido, el Regulado mantendrá la responsabilidad de que la RSPA se realice conforme a lo establecido en el presente numeral | |||||||||||||||||||||||||||||||||||||||||||||||||||||||||||||
| III. El grupo responsable debe preparar las listas de verificación para la revisión documental y física de los numerales 6.8.2 y 6.8.3, así como el material necesario para realizar la Revisión de Seguridad de Pre-arranque. Las listas de verificación deben contener, como mínimo, el requisito a verificar, la referencia de la información presentada o comentario relacionado y el resultado o Hallazgo. | | | | III. El grupo responsable debe preparar las listas de verificación para la revisión documental y física de los numerales 6.8.2 y 6.8.3, así como el material necesario para realizar la Revisión de Seguridad de Pre-arranque. Las listas de verificación deben contener, como mínimo, el requisito a verificar, la referencia de la información presentada o comentario relacionado y el resultado o Hallazgo. | |||||||||||||||||||||||||||||||||||||||||||||||||||||||||||||
| 6.8.2 Revisión documental 6.8.2.1 El grupo responsable de la RSPA debe llevar a cabo la revisión documental, utilizando las listas de verificación y registrando los resultados (Hallazgos) de la revisión. | | | | 6.8.2 Revisión documental 6.8.2.1 El grupo responsable de la RSPA debe llevar a cabo la revisión documental, utilizando las listas de verificación y registrando los resultados (Hallazgos) de la revisión. | |||||||||||||||||||||||||||||||||||||||||||||||||||||||||||||
| 6.8.2.2 Durante la revisión documental se debe verificar que se cuente, como mínimo, con los siguientes documentos: | | | | 6.8.2.2 Durante la revisión documental se debe verificar que se cuente, como mínimo, con los siguientes documentos: | |||||||||||||||||||||||||||||||||||||||||||||||||||||||||||||
| a) Planos aprobados para construcción (APC); | | | | a) Planos aprobados para construcción (APC); | |||||||||||||||||||||||||||||||||||||||||||||||||||||||||||||
| b) Planos as built (como quedó construido); | | | | b) Planos as built (como quedó construido); | |||||||||||||||||||||||||||||||||||||||||||||||||||||||||||||
| c) Certificados de conformidad de equipos, válvulas automáticas, válvulas manuales, tubería, conexiones y accesorios; | | | | c) Certificados de conformidad de equipos, válvulas automáticas, válvulas manuales, tubería, conexiones y accesorios; | |||||||||||||||||||||||||||||||||||||||||||||||||||||||||||||
| d) Certificados de materiales de equipos, válvulas automáticas, manuales, tuberías, conexiones y accesorios; | | | | d) Certificados de materiales de equipos, válvulas automáticas, manuales, tuberías, conexiones y accesorios; | |||||||||||||||||||||||||||||||||||||||||||||||||||||||||||||
| e) Manual de instalación, operación y mantenimiento del Equipo de Descompresión, así como de válvulas reguladoras, válvulas de seguridad, válvulas de exceso de flujo, bombas y motores, instrumentos y del sistema contraincendios; | | | Derivado del comentario recibido de la CRE a través del oficio UH-250/1961/2023 al numeral 5.3.3 se modifica la redacción. | e) Manual de instalación, operación y mantenimiento del Equipo de Descompresión, así como de válvulas o reguladores de presión, válvulas de seguridad, válvulas de exceso de flujo, bombas y motores, instrumentos y del sistema contraincendios; | |||||||||||||||||||||||||||||||||||||||||||||||||||||||||||||
| f) Reportes de exámenes no destructivos; | | | | f) Reportes de exámenes no destructivos; | |||||||||||||||||||||||||||||||||||||||||||||||||||||||||||||
| g) Reporte de prueba hidrostática del Equipo de Descompresión; | | | | g) Reporte de prueba hidrostática del Equipo de Descompresión; | |||||||||||||||||||||||||||||||||||||||||||||||||||||||||||||
| h) Procedimiento de soldaduras, según código ASME Sección IX vigente o su equivalente; | | | Derivado del comentario recibido de la CRE a través del oficio UH-250/1961/2023 al numeral 3. Referencias normativas, se modifica la redacción. | h) Procedimiento de soldaduras, según código ASME Section IX:2021 o su equivalente; | |||||||||||||||||||||||||||||||||||||||||||||||||||||||||||||
| i) Los documentos listados en el numeral 5.1; | | | | i) Los documentos listados en el numeral 5.1; | |||||||||||||||||||||||||||||||||||||||||||||||||||||||||||||
| j) El Dosier de calidad de diseño para los equipos; | | | | j) El Dosier de calidad de diseño para los equipos; | |||||||||||||||||||||||||||||||||||||||||||||||||||||||||||||
| k) El Dictamen aprobatorio del Diseño de la Instalación referido en el numeral 5.7, para Instalaciones nuevas o con modificaciones al Diseño original; | | | | k) El Dictamen aprobatorio del Diseño de la Instalación referido en el numeral 5.7, para Instalaciones nuevas o con modificaciones al Diseño original; | |||||||||||||||||||||||||||||||||||||||||||||||||||||||||||||
| l) El Dosier de calidad de montaje de equipos (como quedó construido), que incluya reporte de pruebas hidrostáticas, reporte de funcionalidad, registro de pruebas del sistema de paro por emergencia, reporte de exámenes no destructivos realizados a todos los equipos y sus componentes; | | | | l) El Dosier de calidad de montaje de equipos (como quedó construido), que incluya reporte de pruebas hidrostáticas, reporte de funcionalidad, registro de pruebas del sistema de paro por emergencia, reporte de exámenes no destructivos realizados a todos los equipos y sus componentes; | |||||||||||||||||||||||||||||||||||||||||||||||||||||||||||||
| m) El manual de arranque de la Instalación de Descompresión; | | | | m) El manual de arranque de la Instalación de Descompresión; | |||||||||||||||||||||||||||||||||||||||||||||||||||||||||||||
| n) El plano topográfico del proyecto; | | | | n) El plano topográfico del proyecto; | |||||||||||||||||||||||||||||||||||||||||||||||||||||||||||||
| o) Los requisitos y/o procedimientos de seguridad que deben cumplir las unidades que transportan el MAT al encontrarse dentro de la Instalación; | | | | o) Los requisitos y/o procedimientos de seguridad que deben cumplir las unidades que transportan el MAT al encontrarse dentro de la Instalación; | |||||||||||||||||||||||||||||||||||||||||||||||||||||||||||||
| p) El procedimiento de administración de cambio; | | | | p) El procedimiento de administración de cambio; | |||||||||||||||||||||||||||||||||||||||||||||||||||||||||||||
| q) En su caso, la lista de cambios entre lo especificado en el Dosier de calidad de diseño y lo construido en la Instalación; en caso de un reinicio, respecto a la modificación; | | | | q) En su caso, la lista de cambios entre lo especificado en el Dosier de calidad de diseño y lo construido en la Instalación; en caso de un reinicio, respecto a la modificación; | |||||||||||||||||||||||||||||||||||||||||||||||||||||||||||||
| r) Los registros de entrenamiento y capacitación del personal que desarrollará las actividades de operación, seguridad, mantenimiento, respuesta a emergencias y manejo de los residuos que se generen; | | | | r) Los registros de entrenamiento y capacitación del personal que desarrollará las actividades de operación, seguridad, mantenimiento, respuesta a emergencias y manejo de los residuos que se generen; | |||||||||||||||||||||||||||||||||||||||||||||||||||||||||||||
| s) El Protocolo de Respuesta a Emergencias; | | | | s) El Protocolo de Respuesta a Emergencias; | |||||||||||||||||||||||||||||||||||||||||||||||||||||||||||||
| t) El Plan de Manejo de Residuos para las actividades del Sector Hidrocarburos; | | | | t) El Plan de Manejo de Residuos para las actividades del Sector Hidrocarburos; | |||||||||||||||||||||||||||||||||||||||||||||||||||||||||||||
| u) El Análisis de Riesgos para el Sector Hidrocarburos actualizado, su programa de atención y el cumplimiento a las recomendaciones de la etapa de Construcción; | | | | u) El Análisis de Riesgos para el Sector Hidrocarburos actualizado, su programa de atención y el cumplimiento a las recomendaciones de la etapa de Construcción; | |||||||||||||||||||||||||||||||||||||||||||||||||||||||||||||
| v) En caso de un reinicio de operaciones debido a un accidente, el registro de cumplimiento de las recomendaciones derivadas de la investigación causa-raíz; | | | | v) En caso de un reinicio de operaciones debido a un accidente, el registro de cumplimiento de las recomendaciones derivadas de la investigación causa-raíz; | |||||||||||||||||||||||||||||||||||||||||||||||||||||||||||||
| w) Los programas de mantenimiento predictivo, preventivo, calibración, certificación, verificación, inspecciones y pruebas de los equipos de la Instalación; | | | Derivado de la fracción II de los comentarios generales recibidos de la CRE a través del oficio UH-250/1961/2023 se modifica el inciso. | w) Los programas de mantenimiento predictivo, preventivo, calibración, certificación, verificación, inspecciones y pruebas de los equipos de la Instalación; y la evidencia de su ejecución cuando se hayan instalado Equipos de Descompresión que no sean nuevos. | |||||||||||||||||||||||||||||||||||||||||||||||||||||||||||||
| x) Listado de equipos y herramientas necesarios para la ejecución segura del trabajo, mismos que deben estar especificadas de acuerdo con su uso, y | | | | x) Listado de equipos y herramientas necesarios para la ejecución segura del trabajo, mismos que deben estar especificadas de acuerdo con su uso, y | |||||||||||||||||||||||||||||||||||||||||||||||||||||||||||||
| y) Programas de capacitación y entrenamiento del personal involucrado que operará y mantendrá la Instalación; así como de los contratistas, subcontratistas, proveedores y prestadores de servicios aplicables a las Instalaciones y/o equipos sujetos a la RSPA. | | | | y) Programas de capacitación y entrenamiento del personal involucrado que operará y mantendrá la Instalación; así como de los contratistas, subcontratistas, proveedores y prestadores de servicios aplicables a las Instalaciones y/o equipos sujetos a la RSPA. | |||||||||||||||||||||||||||||||||||||||||||||||||||||||||||||
| 6.8.2.3 Durante la revisión documental se debe verificar que los materiales, características y especificaciones de la Instalación, equipos y accesorios cumplen con lo establecido en el capítulo 5. | | | | 6.8.2.3 Durante la revisión documental se debe verificar que los materiales, características y especificaciones de la Instalación, equipos y accesorios cumplen con lo establecido en el capítulo 5. | |||||||||||||||||||||||||||||||||||||||||||||||||||||||||||||
| 6.8.2.4 Durante la revisión documental se debe verificar que los planos As-built, diagramas de flujo de proceso, memorias de cálculo, diagrama de tubería e instrumentación, manuales, procedimientos, Filosofía de operación, de control, recomendaciones de fabricantes, resultados de pruebas, u otra información según corresponda, estén actualizados, reflejando los cambios realizados durante la Construcción o modificación, respecto a lo aprobado en el Diseño. | AMGN Ing. Jorge Sandoval Toscano | Debe decir: 6.8.2.4 Durante la revisión documental se debe verificar que los planos As-built, diagramas de flujo de proceso, memorias de cálculo, diagrama de tubería e instrumentación, manuales, procedimientos, Filosofía de operación y control, recomendaciones de fabricantes, resultados de pruebas, u otra información según corresponda, estén actualizados, reflejando los cambios realizados durante la Construcción o modificación, respecto a lo aprobado en el Diseño. Justificación técnica y/o jurídica: Se propone sustituir "filosofía de operación, de control", por "filosofía de operación y control" | PROCEDE Con fundamento en los artículos Cuarto Transitorio de la Ley de Infraestructura de la Calidad; 47, fracciones I y II de la Ley Federal sobre Metrología y Normalización; 5, fracción IV de la Ley de la Agencia Nacional de Seguridad Industrial y de Protección al Medio Ambiente del Sector Hidrocarburos; y 2, 6, fracciones II y XIII, 10, fracción VI y XV de las Reglas de Operación del Comité Consultivo Nacional de Normalización de Seguridad Industrial y Operativa y Protección al Medio Ambiente del Sector Hidrocarburos, y derivado de la revisión y análisis al presente comentario se determinó que PROCEDE, por lo que se modifica la redacción y se ajustan los numerales 4.10 y 6.8.3.3 fracción II. | 6.8.2.4 Durante la revisión documental se debe verificar que los planos As-built, diagramas de flujo de proceso, memorias de cálculo, diagrama de tubería e instrumentación, manuales, procedimientos, Filosofía de operación y control, recomendaciones de fabricantes, resultados de pruebas, u otra información según corresponda, estén actualizados, reflejando los cambios realizados durante la Construcción o modificación, respecto a lo aprobado en el Diseño. | |||||||||||||||||||||||||||||||||||||||||||||||||||||||||||||
| 6.8.2.5 Durante la revisión documental se debe verificar que los cambios realizados durante la Construcción o modificación, respecto con lo aprobado en el Diseño se realizaron conforme al procedimiento de administración al cambio. | | | | 6.8.2.5 Durante la revisión documental se debe verificar que los cambios realizados durante la Construcción o modificación, respecto con lo aprobado en el Diseño se realizaron conforme al procedimiento de administración al cambio. | |||||||||||||||||||||||||||||||||||||||||||||||||||||||||||||
| 6.8.2.6 Durante la revisión documental se debe verificar que las recomendaciones derivadas del Análisis de Riesgos para el Sector Hidrocarburos, hasta esta etapa, han sido cumplidas. | | | | 6.8.2.6 Durante la revisión documental se debe verificar que las recomendaciones derivadas del Análisis de Riesgos para el Sector Hidrocarburos, hasta esta etapa, han sido cumplidas. | |||||||||||||||||||||||||||||||||||||||||||||||||||||||||||||
| 6.8.3 Revisión física 6.8.3.1 Se debe realizar la revisión física de la Instalación de Descompresión y de cada uno de los equipos que la conforman, a través de recorridos por la Instalación para verificar que cumplen, como mínimo, con los requisitos establecidos en el numeral 6.8.3.3. Los resultados de la revisión se deben asentar en listas de verificación generadas para tal fin. | | | | 6.8.3 Revisión física 6.8.3.1 Se debe realizar la revisión física de la Instalación de Descompresión y de cada uno de los equipos que la conforman, a través de recorridos por la Instalación para verificar que cumplen, como mínimo, con los requisitos establecidos en el numeral 6.8.3.3. Los resultados de la revisión se deben asentar en listas de verificación generadas para tal fin. | |||||||||||||||||||||||||||||||||||||||||||||||||||||||||||||
| 6.8.3.2 El grupo responsable de la RSPA debe llevar a cabo la revisión física de la Instalación y equipos, utilizando las listas de verificación y registrando los resultados (Hallazgos) de la revisión. | | | | 6.8.3.2 El grupo responsable de la RSPA debe llevar a cabo la revisión física de la Instalación y equipos, utilizando las listas de verificación y registrando los resultados (Hallazgos) de la revisión. | |||||||||||||||||||||||||||||||||||||||||||||||||||||||||||||
| 6.8.3.3 Durante la revisión física se debe verificar que exista congruencia entre lo indicado en la revisión documental y lo existente en campo, para lo cual, se debe revisar como mínimo lo siguiente: | | | | 6.8.3.3 Durante la revisión física se debe verificar que exista congruencia entre lo indicado en la revisión documental y lo existente en campo, para lo cual, se debe revisar como mínimo lo siguiente: | |||||||||||||||||||||||||||||||||||||||||||||||||||||||||||||
| I. Verificar que todos los equipos, tuberías, válvulas, conexiones y accesorios que integran la Instalación de Descompresión correspondan a lo establecido en los planos as built de: arreglo general de la Instalación, arreglo mecánico de equipos, arreglo de tuberías e isométricos de tuberías. | | | | I. Verificar que todos los equipos, tuberías, válvulas, conexiones y accesorios que integran la Instalación de Descompresión correspondan a lo establecido en los planos as built de: arreglo general de la Instalación, arreglo mecánico de equipos, arreglo de tuberías e isométricos de tuberías. | |||||||||||||||||||||||||||||||||||||||||||||||||||||||||||||
| II. Verificar que los equipos estén correctamente identificados y tengan marcadas las condiciones de proceso de flujo, presión y temperatura de acuerdo con el diagrama de tubería e instrumentación, diagrama de flujo de proceso, descripción de proceso, Filosofía de operación de control y hojas de datos de equipos. | | | Derivado de un comentario de la AMGN al numeral 6.8.2.4 se ajusta el término Filosofía de operación y control. | II. Verificar que los equipos estén correctamente identificados y tengan marcadas las condiciones de proceso de flujo, presión y temperatura de acuerdo con el diagrama de tubería e instrumentación, diagrama de flujo de proceso, descripción de proceso, Filosofía de operación y control y hojas de datos de equipos. | |||||||||||||||||||||||||||||||||||||||||||||||||||||||||||||
| III. Verificar que las especificaciones, manuales y, en su caso, certificados del fabricante de los equipos y accesorios correspondan a los instalados en la planta. | | | | III. Verificar que las especificaciones, manuales y, en su caso, certificados del fabricante de los equipos y accesorios correspondan a los instalados en la planta. | |||||||||||||||||||||||||||||||||||||||||||||||||||||||||||||
| IV. Verificar que las recomendaciones del Análisis de Riesgos para el sector Hidrocarburos de la etapa de Construcción han sido atendidas. | | | | IV. Verificar que las recomendaciones del Análisis de Riesgos para el sector Hidrocarburos de la etapa de Construcción han sido atendidas. | |||||||||||||||||||||||||||||||||||||||||||||||||||||||||||||
| V. Verificar que los certificados de calibración se encuentren vigentes para las válvulas reguladoras de presión, las válvulas de seguridad, los manómetros y todo aquel equipo e instrumento que requiera ser calibrado. | | | Derivado del comentario recibido de la CRE a través del oficio UH-250/1961/2023 al numeral 5.3.3 se modifica la redacción. | V. Verificar que los certificados de calibración se encuentren vigentes para las válvulas o reguladores de presión, las válvulas de seguridad, los manómetros y todo aquel equipo e instrumento que requiera ser calibrado. | |||||||||||||||||||||||||||||||||||||||||||||||||||||||||||||
| VI. Verificar que los dispositivos de paro de emergencia estén disponibles y sin bloqueos. | | | | VI. Verificar que los dispositivos de paro de emergencia estén disponibles y sin bloqueos. | |||||||||||||||||||||||||||||||||||||||||||||||||||||||||||||
| VII. Verificar que los extintores cuenten con su mantenimiento vigente. | | | | VII. Verificar que los extintores cuenten con su mantenimiento vigente. | |||||||||||||||||||||||||||||||||||||||||||||||||||||||||||||
| VIII. Verificar que el equipo de protección personal para el combate de incendios, definido en su Protocolo de Respuesta a Emergencia, esté disponible. | | | | VIII. Verificar que el equipo de protección personal para el combate de incendios, definido en su Protocolo de Respuesta a Emergencia, esté disponible. | |||||||||||||||||||||||||||||||||||||||||||||||||||||||||||||
| IX. Verificar que los pasillos, salidas de emergencia y equipos contra incendio estén libres de obstáculos. | | | | IX. Verificar que los pasillos, salidas de emergencia y equipos contra incendio estén libres de obstáculos. | |||||||||||||||||||||||||||||||||||||||||||||||||||||||||||||
| X. Verificar que todas las áreas se encuentren libres de residuos. | | | | X. Verificar que todas las áreas se encuentren libres de residuos. | |||||||||||||||||||||||||||||||||||||||||||||||||||||||||||||
| XI. Verificar que las hojas de datos de seguridad de las sustancias a usarse y/o almacenarse se encuentran disponibles para el personal operativo. | | | | XI. Verificar que las hojas de datos de seguridad de las sustancias a usarse y/o almacenarse se encuentran disponibles para el personal operativo. | |||||||||||||||||||||||||||||||||||||||||||||||||||||||||||||
| XII. Verificar que los manuales y procedimientos de arranque, operación, mantenimiento, seguridad y manejo de residuos se encuentran disponibles para el personal que los aplica. | | | | XII. Verificar que los manuales y procedimientos de arranque, operación, mantenimiento, seguridad y manejo de residuos se encuentran disponibles para el personal que los aplica. | |||||||||||||||||||||||||||||||||||||||||||||||||||||||||||||
| XIII. Verificar que los procedimientos de actividades de alto riesgo, tales como: bloqueo de fuentes de energía y líneas, apertura de líneas y equipos, delimitación de zonas de riesgo, trabajos en altura, espacios confinados, manejo de materiales y residuos peligrosos, manejo de cargas e izaje de equipo, trabajos de corte y soldadura o cualquier otra actividad de riesgo, se encuentran disponibles para el personal que los aplica. | | | | XIII. Verificar que los procedimientos de actividades de alto riesgo, tales como: bloqueo de fuentes de energía y líneas, apertura de líneas y equipos, delimitación de zonas de riesgo, trabajos en altura, espacios confinados, manejo de materiales y residuos peligrosos, manejo de cargas e izaje de equipo, trabajos de corte y soldadura o cualquier otra actividad de riesgo, se encuentran disponibles para el personal que los aplica. | |||||||||||||||||||||||||||||||||||||||||||||||||||||||||||||
| 6.8.4 Identificación y atención de Hallazgos 6.8.4.1 Como resultado de la revisión documental y física llevada a cabo a través de la lista de verificación, se deben registrar los Hallazgos encontrados durante la etapa de Pre-arranque. | | | | 6.8.4 Identificación y atención de Hallazgos 6.8.4.1 Como resultado de la revisión documental y física llevada a cabo a través de la lista de verificación, se deben registrar los Hallazgos encontrados durante la etapa de Pre-arranque. | |||||||||||||||||||||||||||||||||||||||||||||||||||||||||||||
| 6.8.4.2 El grupo responsable debe generar un programa de atención para atender los Hallazgos detectados por el incumplimiento de los requisitos establecidos, el registro debe contener como mínimo lo siguiente: I. Requisito verificado; II. Comentario o información presentada; III. Hallazgo o resultado; IV. Recomendaciones para atención de Hallazgos; V. Responsable; VI. Fecha de atención, y VII. Estado de cumplimiento. | | | | 6.8.4.2 El grupo responsable debe generar un programa de atención para atender los Hallazgos detectados por el incumplimiento de los requisitos establecidos, el registro debe contener como mínimo lo siguiente: I. Requisito verificado; II. Comentario o información presentada; III. Hallazgo o resultado; IV. Recomendaciones para atención de Hallazgos; V. Responsable; VI. Fecha de atención, y VII. Estado de cumplimiento. | |||||||||||||||||||||||||||||||||||||||||||||||||||||||||||||
| 6.8.4.3 Se debe dar atención a la totalidad de Hallazgos encontrados, de acuerdo con el programa antes referido, previo al inicio de operaciones. | | | | 6.8.4.3 Se debe dar atención a la totalidad de Hallazgos encontrados, de acuerdo con el programa antes referido, previo al inicio de operaciones. | |||||||||||||||||||||||||||||||||||||||||||||||||||||||||||||
| 6.8.4.4 El grupo responsable de llevar a cabo la RSPA debe validar el cumplimiento a las recomendaciones de los Hallazgos mediante evidencias documentales y/o físicas, y éstas serán conservadas en las Instalaciones, documentando como mínimo la siguiente información: I. Lugar y fecha de inicio y terminación de la RSPA. II. Nombre, domicilio y descripción de la Instalación y/o equipos revisados. III. Programa de atención de recomendaciones de los Hallazgos y su cumplimiento. IV. Nombre, cargo, especialidad y firma de quienes integran el grupo responsable de llevar a cabo la RSPA. | | | | 6.8.4.4 El grupo responsable de llevar a cabo la RSPA debe validar el cumplimiento a las recomendaciones de los Hallazgos mediante evidencias documentales y/o físicas, y éstas serán conservadas en las Instalaciones, documentando como mínimo la siguiente información: I. Lugar y fecha de inicio y terminación de la RSPA. II. Nombre, domicilio y descripción de la Instalación y/o equipos revisados. III. Programa de atención de recomendaciones de los Hallazgos y su cumplimiento. IV. Nombre, cargo, especialidad y firma de quienes integran el grupo responsable de llevar a cabo la RSPA. | |||||||||||||||||||||||||||||||||||||||||||||||||||||||||||||
| 6.9 Análisis de riesgos para el Sector Hidrocarburos Las recomendaciones derivadas de la actualización del Análisis de Riesgos para el Sector Hidrocarburos para la etapa de Construcción deben ser atendidas antes de iniciar operaciones. | | | | 6.9 Análisis de riesgos para el Sector Hidrocarburos Las recomendaciones derivadas de la actualización del Análisis de Riesgos para el Sector Hidrocarburos para la etapa de Construcción deben ser atendidas antes de iniciar operaciones. | |||||||||||||||||||||||||||||||||||||||||||||||||||||||||||||
| 6.10 Dictamen de Construcción. 6.10.1 En el caso de Instalaciones nuevas o cuando se realicen modificaciones al Diseño original, una vez que se haya concluido la RSPA y se hayan atendido los Hallazgos detectados, el Regulado debe obtener un Dictamen de Construcción emitido por la Unidad de Inspección, en el que conste que las Instalaciones y los equipos cumplen con lo establecido en el capítulo 6 y que las recomendaciones de los Hallazgos de Pre-arranque fueron atendidas satisfactoriamente. | | | Derivado del comentario recibido de la CRE a través del oficio UH-250/1961/2023 al numeral 5.7.1, se modifica la redacción para indicar la redacción acordada. | 6.10 Dictamen de Construcción. 6.10.1 En el caso de Instalaciones nuevas o cuando se realicen modificaciones al Diseño original, una vez que se haya concluido la RSPA y se hayan atendido los Hallazgos detectados, el Regulado debe obtener un Dictamen de Construcción en el que conste que las Instalaciones y los equipos cumplen con lo establecido en el capítulo 6 y que las recomendaciones de los Hallazgos de Pre-arranque fueron atendidas satisfactoriamente. El Dictamen al que se refiere el párrafo anterior debe ser emitido por una Unidad de Inspección acreditada por una entidad de acreditación y aprobada por la Agencia. | |||||||||||||||||||||||||||||||||||||||||||||||||||||||||||||
| 6.10.2 Una vez obtenido el Dictamen de Construcción para Instalaciones nuevas o con modificaciones al Diseño original, los Regulados podrán iniciar las operaciones de los equipos e Instalaciones. | | | | 6.10.2 Una vez obtenido el Dictamen de Construcción para Instalaciones nuevas o con modificaciones al Diseño original, los Regulados podrán iniciar las operaciones de los equipos e Instalaciones. | |||||||||||||||||||||||||||||||||||||||||||||||||||||||||||||
| 6.10.3 Los Regulados deben presentar a la Agencia el Dictamen de Construcción en copia simple, por los medios que ésta establezca, en un plazo máximo de 10 días hábiles, posteriores al inicio de operaciones. | | | | 6.10.3 Los Regulados deben presentar a la Agencia el Dictamen de Construcción en copia simple, por los medios que ésta establezca, en un plazo máximo de 10 días hábiles, posteriores al inicio de operaciones. | |||||||||||||||||||||||||||||||||||||||||||||||||||||||||||||
| 6.10.4 El Regulado debe conservar y tener disponible en sus Instalaciones, en formato físico o electrónico, el Dictamen de Construcción, por un periodo mínimo de 5 años, para cuando dicha información sea requerida por la Agencia. | | | | 6.10.4 El Regulado debe conservar y tener disponible en sus Instalaciones, en formato físico o electrónico, el Dictamen de Construcción, por un periodo mínimo de 5 años, para cuando dicha información sea requerida por la Agencia. | |||||||||||||||||||||||||||||||||||||||||||||||||||||||||||||
| 7. Operación y Mantenimiento 7.1 Manual de operación 7.1.1 Se debe contar con un manual de operación de la Instalación de Descompresión, el cual debe estar integrado como mínimo por los siguientes documentos: | | | | 7. Operación y Mantenimiento 7.1 Manual de operación 7.1.1 Se debe contar con un manual de operación de la Instalación de Descompresión, el cual debe estar integrado como mínimo por los siguientes documentos: | |||||||||||||||||||||||||||||||||||||||||||||||||||||||||||||
| a) Diagrama de flujo de proceso; | | | | a) Diagrama de flujo de proceso; | |||||||||||||||||||||||||||||||||||||||||||||||||||||||||||||
| b) Diagrama de tuberías e instrumentación; | | | | b) Diagrama de tuberías e instrumentación; | |||||||||||||||||||||||||||||||||||||||||||||||||||||||||||||
| c) Planos de arreglo general de la Instalación de Descompresión y plano del sitio que muestre la ubicación de todos los equipos de seguridad (estaciones o cuartos de control, extintor, alarmas, sistema de paro por emergencia); | | | | c) Planos de arreglo general de la Instalación de Descompresión y plano del sitio que muestre la ubicación de todos los equipos de seguridad (estaciones o cuartos de control, extintor, alarmas, sistema de paro por emergencia); | |||||||||||||||||||||||||||||||||||||||||||||||||||||||||||||
| d) Hojas de datos del Equipo de Descompresión, incluyendo calentador, válvulas reductoras de presión, bombas, válvulas de seguridad e instrumentos que integran la Instalación; | | | Derivado del comentario recibido de la CRE a través del oficio UH-250/1961/2023 al numeral 5.3.3 se modifica la redacción. | d) Hojas de datos del Equipo de Descompresión, incluyendo calentador, válvulas o reguladores de presión, bombas, válvulas de seguridad e instrumentos que integran la Instalación; | |||||||||||||||||||||||||||||||||||||||||||||||||||||||||||||
| e) Hoja de datos de seguridad de las sustancias empleadas; | | | | e) Hoja de datos de seguridad de las sustancias empleadas; | |||||||||||||||||||||||||||||||||||||||||||||||||||||||||||||
| f) Descripción del proceso; | | | | f) Descripción del proceso; | |||||||||||||||||||||||||||||||||||||||||||||||||||||||||||||
| g) Filosofía de operación y control; | | | | g) Filosofía de operación y control; | |||||||||||||||||||||||||||||||||||||||||||||||||||||||||||||
| h) Diagramas de control y diagrama unifilar; | | | | h) Diagramas de control y diagrama unifilar; | |||||||||||||||||||||||||||||||||||||||||||||||||||||||||||||
| i) Listado de alarmas, puntos de ajuste y puntos de paro de equipos; | | | | i) Listado de alarmas, puntos de ajuste y puntos de paro de equipos; | |||||||||||||||||||||||||||||||||||||||||||||||||||||||||||||
| j) Manuales de fabricante de cada uno de los componentes que integran la instalación; | CRE UH-250/1961/2023 | Debe decir: j) Manuales de fabricante de cada uno de los equipos integrados, equipos paquete y componentes de la instalación; Justificación técnica y/o jurídica: En la operación de la instalación es importante que el personal que opera la instalación conozca a detalle el manual de los equipos paquete. | PROCEDE PARCIALMENTE Con fundamento en los artículos Cuarto Transitorio de la Ley de Infraestructura de la Calidad; 47, fracciones I y II de la Ley Federal sobre Metrología y Normalización; 5, fracción IV de la Ley de la Agencia Nacional de Seguridad Industrial y de Protección al Medio Ambiente del Sector Hidrocarburos; y 2, 6, fracciones II y XIII, 10, fracción VI y XV de las Reglas de Operación del Comité Consultivo Nacional de Normalización de Seguridad Industrial y Operativa y Protección al Medio Ambiente del Sector Hidrocarburos, y derivado de la revisión y análisis al presente comentario se determinó que PROCEDE PARCIALMENTE, se modifica la redacción ya que el equipo puede ser integrado, equipo paquete o ambos. | j) Manuales de fabricante de cada uno de los equipos integrados y/o equipos paquete y componentes de la Instalación; | |||||||||||||||||||||||||||||||||||||||||||||||||||||||||||||
| k) Procedimiento de arranque de la Instalación; | | | | k) Procedimiento de arranque de la Instalación; | |||||||||||||||||||||||||||||||||||||||||||||||||||||||||||||
| l) Procedimientos de operación; | | | | l) Procedimientos de operación; | |||||||||||||||||||||||||||||||||||||||||||||||||||||||||||||
| m) Procedimientos de ajuste y calibración de instrumentos; | | | | m) Procedimientos de ajuste y calibración de instrumentos; | |||||||||||||||||||||||||||||||||||||||||||||||||||||||||||||
| n) Procedimientos para realizar el cambio de consumibles de aceite, filtros, fluidos, entre otros, y sus especificaciones; | | | | n) Procedimientos para realizar el cambio de consumibles de aceite, filtros, fluidos, entre otros, y sus especificaciones; | |||||||||||||||||||||||||||||||||||||||||||||||||||||||||||||
| o) Programa de capacitación y entrenamiento del personal operativo, y | | | | o) Programa de capacitación y entrenamiento del personal operativo, y | |||||||||||||||||||||||||||||||||||||||||||||||||||||||||||||
| p) Protocolo de Respuesta a Emergencias. | | | | p) Protocolo de Respuesta a Emergencias. | |||||||||||||||||||||||||||||||||||||||||||||||||||||||||||||
| 7.1.2 Los procedimientos de operación indicados en el inciso l) del numeral anterior deben cumplir, como mínimo, con los requisitos siguientes: I. Procedimiento de acceso a la Instalación de Descompresión, el cual debe considerar: | | | | 7.1.2 Los procedimientos de operación indicados en el inciso l) del numeral anterior deben cumplir, como mínimo, con los requisitos siguientes: I. Procedimiento de acceso a la Instalación de Descompresión, el cual debe considerar: | |||||||||||||||||||||||||||||||||||||||||||||||||||||||||||||
| a) La identificación y revisión visual del vehículo por personal de la Instalación designado para tal fin; | | | | a) La identificación y revisión visual del vehículo por personal de la Instalación designado para tal fin; | |||||||||||||||||||||||||||||||||||||||||||||||||||||||||||||
| b) Durante la revisión visual del MAT se debe verificar que este no presente abolladuras, fisuras o incisiones en los recipientes, o accesorios mal ajustados o desprendidos; | | | | b) Durante la revisión visual del MAT se debe verificar que este no presente abolladuras, fisuras o incisiones en los recipientes, o accesorios mal ajustados o desprendidos; | |||||||||||||||||||||||||||||||||||||||||||||||||||||||||||||
| c) La revisión de la documentación donde se indiquen las condiciones del Gas Natural a bordo de la unidad: presión y temperatura para su ingreso, y | | | | c) La revisión de la documentación donde se indiquen las condiciones del Gas Natural a bordo de la unidad: presión y temperatura para su ingreso, y | |||||||||||||||||||||||||||||||||||||||||||||||||||||||||||||
| d) Los vehículos deben quedar estacionados en dirección hacia la salida, para facilitar su egreso en caso de contingencia. | | | | d) Los vehículos deben quedar estacionados en dirección hacia la salida, para facilitar su egreso en caso de contingencia. | |||||||||||||||||||||||||||||||||||||||||||||||||||||||||||||
| II. Procedimiento de descarga cuando el MAT permanece fijo al semirremolque, el cual debe considerar: | | | | II. Procedimiento de descarga cuando el MAT permanece fijo al semirremolque, el cual debe considerar: | |||||||||||||||||||||||||||||||||||||||||||||||||||||||||||||
| a) En caso de que la Instalación no cuente con dispositivo de ruptura en la manguera de descarga, el personal responsable debe verificar que el vehículo cuente con el Sistema de inmovilización del semirremolque activo para poder iniciar la descarga; | | | | a) En caso de que la Instalación no cuente con dispositivo de ruptura en la manguera de descarga, el personal responsable debe verificar que el vehículo cuente con el Sistema de inmovilización del semirremolque activo para poder iniciar la descarga; | |||||||||||||||||||||||||||||||||||||||||||||||||||||||||||||
| b) El tractocamión no puede efectuar enganches o desenganches mientras se encuentre la manguera conectada del MAT al Poste de descarga; | CRE UH-250/1961/2023 | Debe decir: b) El tractocamión no debe puede efectuar enganches o desenganches mientras se encuentre la manguera conectada del MAT al Poste de descarga; (sic) Justificación técnica y/o jurídica: Se sugiere hacer obligatoria la negativa de la acción de enganche o desenganche durante el proceso de descarga. | PROCEDE PARCIALMENTE Con fundamento en los artículos Cuarto Transitorio de la Ley de Infraestructura de la Calidad; 47, fracciones I y II de la Ley Federal sobre Metrología y Normalización; 5, fracción IV de la Ley de la Agencia Nacional de Seguridad Industrial y de Protección al Medio Ambiente del Sector Hidrocarburos; y 2, 6, fracciones II y XIII, 10, fracción VI y XV de las Reglas de Operación del Comité Consultivo Nacional de Normalización de Seguridad Industrial y Operativa y Protección al Medio Ambiente del Sector Hidrocarburos, y derivado de la revisión y análisis al presente comentario se determinó que PROCEDE PARCIALMENTE, por lo que se modifica la redacción para precisar la obligación. | b) El tractocamión no debe efectuar enganches o desenganches mientras se encuentre la manguera conectada del MAT al Poste de descarga; | |||||||||||||||||||||||||||||||||||||||||||||||||||||||||||||
| c) El motor debe estar apagado con la llave colocada en el control de encendido listo para arrancarlo en caso necesario. No debe ponerse en marcha hasta que haya sido desconectada la manguera de descarga; | | | | c) El motor debe estar apagado con la llave colocada en el control de encendido listo para arrancarlo en caso necesario. No debe ponerse en marcha hasta que haya sido desconectada la manguera de descarga; | |||||||||||||||||||||||||||||||||||||||||||||||||||||||||||||
| d) El operador del tractocamión no debe permanecer a bordo del vehículo durante la conexión, descarga de GNC y desconexión de la manguera; | | | | d) El operador del tractocamión no debe permanecer a bordo del vehículo durante la conexión, descarga de GNC y desconexión de la manguera; | |||||||||||||||||||||||||||||||||||||||||||||||||||||||||||||
| e) Estar puesto el freno de mano o de emergencia del vehículo y colocar calzas para evitar que se deslice; | | | | e) Estar puesto el freno de mano o de emergencia del vehículo y colocar calzas para evitar que se deslice; | |||||||||||||||||||||||||||||||||||||||||||||||||||||||||||||
| f) Conectar a tierra el semirremolque asegurándose que las conexiones se encuentren bien ajustadas; | | | | f) Conectar a tierra el semirremolque asegurándose que las conexiones se encuentren bien ajustadas; | |||||||||||||||||||||||||||||||||||||||||||||||||||||||||||||
| g) La operación de descarga debe ser realizada por personal capacitado; | | | | g) La operación de descarga debe ser realizada por personal capacitado; | |||||||||||||||||||||||||||||||||||||||||||||||||||||||||||||
| h) Los letreros o luces de advertencia deben permanecer colocados o encendidas, según corresponda, hasta que se concluya la descarga y se desconecte el semirremolque; | | | | h) Los letreros o luces de advertencia deben permanecer colocados o encendidas, según corresponda, hasta que se concluya la descarga y se desconecte el semirremolque; | |||||||||||||||||||||||||||||||||||||||||||||||||||||||||||||
| i) Indicar las acciones a realizar en caso de una perdida de contención durante la descarga, y | | | Con fundamento en los artículos 3, fracción XX y 24, fracciones I y XI del Reglamento Interior de la Agencia Nacional de Seguridad Industrial y de Protección al Medio Ambiente del Sector Hidrocarburos; y, 10, fracción I y 29, fracción IV de las Reglas de Operación del Comité Consultivo Nacional de Normalización de Seguridad Industrial y Operativa y Protección al Medio Ambiente del Sector Hidrocarburos, derivado de la revisión integral al presente Proyecto de Norma Oficial Mexicana, se realiza una adecuación editorial para dar mayor claridad al requisito. | i) Indicar las acciones a realizar en caso de una pérdida de contención durante la descarga, y | |||||||||||||||||||||||||||||||||||||||||||||||||||||||||||||
| j) Las mangueras de descarga deben inspeccionarse visualmente antes de ser conectadas al MAT de acuerdo con las recomendaciones del fabricante. No deben usarse cuando: 1. Presenten cortes, raspaduras, pliegues o cualquier otro daño. 2. Muestre evidencia de deterioro exterior y/o deformaciones, fuga o fisura y, en su caso, cuando se cumpla la vida útil especificada por el proveedor. 3. Las mangueras de descarga deben conectarse evitando que queden tensionadas, torsionadas o por debajo del semirremolque. | | | | j) Las mangueras de descarga deben inspeccionarse visualmente antes de ser conectadas al MAT de acuerdo con las recomendaciones del fabricante. No deben usarse cuando: 1. Presenten cortes, raspaduras, pliegues o cualquier otro daño. 2. Muestre evidencia de deterioro exterior y/o deformaciones, fuga o fisura y, en su caso, cuando se cumpla la vida útil especificada por el proveedor. 3. Las mangueras de descarga deben conectarse evitando que queden tensionadas, torsionadas o por debajo del semirremolque. | |||||||||||||||||||||||||||||||||||||||||||||||||||||||||||||
| III. Procedimiento de descarga cuando el MAT se desmonte del semirremolque, si se cuenta con esta modalidad de descarga, el cual debe cumplir, como mínimo, con los requisitos siguientes: | | | | III. Procedimiento de descarga cuando el MAT se desmonte del semirremolque, si se cuenta con esta modalidad de descarga, el cual debe cumplir, como mínimo, con los requisitos siguientes: | |||||||||||||||||||||||||||||||||||||||||||||||||||||||||||||
| a) El desmonte del MAT del semirremolque y su traslado hacia la Isla de descarga; | | | | a) El desmonte del MAT del semirremolque y su traslado hacia la Isla de descarga; | |||||||||||||||||||||||||||||||||||||||||||||||||||||||||||||
| b) Conexión del MAT a tierra asegurándose que las conexiones se encuentren bien ajustadas; | | | | b) Conexión del MAT a tierra asegurándose que las conexiones se encuentren bien ajustadas; | |||||||||||||||||||||||||||||||||||||||||||||||||||||||||||||
| c) La operación de descarga debe ser realizada por personal capacitado; | | | | c) La operación de descarga debe ser realizada por personal capacitado; | |||||||||||||||||||||||||||||||||||||||||||||||||||||||||||||
| d) Contar con las acciones a realizar en caso de una pérdida de contención durante la descarga, y | | | | d) Contar con las acciones a realizar en caso de una pérdida de contención durante la descarga, y | |||||||||||||||||||||||||||||||||||||||||||||||||||||||||||||
| e) Las mangueras de descarga deben inspeccionarse visualmente antes de ser conectadas al MAT de acuerdo con las recomendaciones del fabricante y cumplir con el inciso j) de la fracción II que antecede. | | | | e) Las mangueras de descarga deben inspeccionarse visualmente antes de ser conectadas al MAT de acuerdo con las recomendaciones del fabricante y cumplir con el inciso j) de la fracción II que antecede. | |||||||||||||||||||||||||||||||||||||||||||||||||||||||||||||
| IV. Procedimiento de atención a fugas, el cual debe cumplir, como mínimo, con los requisitos siguientes: | | | | IV. Procedimiento de atención a fugas, el cual debe cumplir, como mínimo, con los requisitos siguientes: | |||||||||||||||||||||||||||||||||||||||||||||||||||||||||||||
| a) Activar el paro de emergencia, en caso de ser necesario; | | | | a) Activar el paro de emergencia, en caso de ser necesario; | |||||||||||||||||||||||||||||||||||||||||||||||||||||||||||||
| b) Cierre de válvulas requeridas para aislar la fuga, y | | | | b) Cierre de válvulas requeridas para aislar la fuga, y | |||||||||||||||||||||||||||||||||||||||||||||||||||||||||||||
| c) Si se presenta fuego se debe proceder de acuerdo con el Protocolo de Respuesta a Emergencia. | | | | c) Si se presenta fuego se debe proceder de acuerdo con el Protocolo de Respuesta a Emergencia. | |||||||||||||||||||||||||||||||||||||||||||||||||||||||||||||
| V. Procedimiento de Descompresión, el cual debe contemplar: | | | | V. Procedimiento de Descompresión, el cual debe contemplar: | |||||||||||||||||||||||||||||||||||||||||||||||||||||||||||||
| a) Descripción de los componentes que integran el Equipo de Descompresión, la Filosofía de operación y control, y las condiciones de operación normal; | | | | a) Descripción de los componentes que integran el Equipo de Descompresión, la Filosofía de operación y control, y las condiciones de operación normal; | |||||||||||||||||||||||||||||||||||||||||||||||||||||||||||||
| b) Verificar que las válvulas de entrada y salida estén en posición abierta para iniciar la Descompresión; | | | | b) Verificar que las válvulas de entrada y salida estén en posición abierta para iniciar la Descompresión; | |||||||||||||||||||||||||||||||||||||||||||||||||||||||||||||
| c) Verificar que todos los instrumentos y los sistemas de control están ajustados para operar dentro de los límites de operación de presión, temperatura y flujo, de acuerdo con lo establecido en el proceso; | | | | c) Verificar que todos los instrumentos y los sistemas de control están ajustados para operar dentro de los límites de operación de presión, temperatura y flujo, de acuerdo con lo establecido en el proceso; | |||||||||||||||||||||||||||||||||||||||||||||||||||||||||||||
| d) Identificar y establecer los pasos a seguir para regresar a las condiciones de operación normal, si se detectan condiciones de presión, temperatura y flujo fuera de rango, de acuerdo con lo establecido en la Filosofía de operación y control; | CRE UH-250/1961/2023 | Debe decir: d) En caso de detectar condiciones de presión temperatura y flujo fuera de rango, se deben identificar y establecer los pasos a seguir para regresar a las condiciones de operación normal, de acuerdo con lo establecido en la Filosofía de operación y control; Justificación técnica y/o jurídica: Se recomienda mejorar la redacción de este numeral para dar mayor claridad a este procedimiento. | PROCEDE Con fundamento en los artículos Cuarto Transitorio de la Ley de Infraestructura de la Calidad; 47, fracciones I y II de la Ley Federal sobre Metrología y Normalización; 5, fracción IV de la Ley de la Agencia Nacional de Seguridad Industrial y de Protección al Medio Ambiente del Sector Hidrocarburos; y 2, 6, fracciones II y XIII, 10, fracción VI y XV de las Reglas de Operación del Comité Consultivo Nacional de Normalización de Seguridad Industrial y Operativa y Protección al Medio Ambiente del Sector Hidrocarburos, y derivado de la revisión y análisis al presente comentario se determinó que PROCEDE, por lo que se modifica la redacción. | d) En caso de detectar condiciones de presión, temperatura y flujo fuera de rango, se deben identificar y establecer los pasos a seguir para regresar a las condiciones de operación normal, de acuerdo con lo establecido en la Filosofía de operación y control; | |||||||||||||||||||||||||||||||||||||||||||||||||||||||||||||
| e) Descripción de paro y puesta en servicio del Equipo de Descompresión; | | | | e) Descripción de paro y puesta en servicio del Equipo de Descompresión; | |||||||||||||||||||||||||||||||||||||||||||||||||||||||||||||
| f) Durante la entrega del Gas Natural a la Instalación de Aprovechamiento o al Sistema de Ductos, se deben mantener las condiciones del gas a baja presión. En caso de presentar un cambio en la presión de entrega (alta presión) se deben describir los pasos necesarios para corregir la presión de la tubería para evitar una fuga de Gas Natural y regresar a las condiciones normales de operación; | | | | f) Durante la entrega del Gas Natural a la Instalación de Aprovechamiento o al Sistema de Ductos, se deben mantener las condiciones del gas a baja presión. En caso de presentar un cambio en la presión de entrega (alta presión) se deben describir los pasos necesarios para corregir la presión de la tubería para evitar una fuga de Gas Natural y regresar a las condiciones normales de operación; | |||||||||||||||||||||||||||||||||||||||||||||||||||||||||||||
| g) Durante el proceso de Descompresión se debe monitorear la presencia de fugas, y | | | | g) Durante el proceso de Descompresión se debe monitorear la presencia de fugas, y | |||||||||||||||||||||||||||||||||||||||||||||||||||||||||||||
| h) Cuando la Descompresión se realiza a través de una Unidad de Descompresión móvil, se deben mantener las calzas en las ruedas para evitar algún desplazamiento y se debe asegurar que la unidad esté conectada al sistema de tierras. | | | Derivado de la fracción II de los comentarios generales recibidos de la CRE a través del oficio UH-250/1961/2023 se modifica la redacción. | h) Cuando el Equipo de Descompresión se encuentre sobre una plataforma móvil, se deben mantener las calzas en las ruedas para evitar algún desplazamiento y se debe asegurar que la unidad esté conectada al sistema de tierras. | |||||||||||||||||||||||||||||||||||||||||||||||||||||||||||||
| 7.1.3 Cuando se haya estado fuera de operación debido a paros por accidentes, por logística de operación, por fines comerciales, por reubicación de equipos u otro motivo que no implique modificaciones al Diseño original, se deberá realizar una Revisión de Seguridad de Pre-arranque de acuerdo con lo establecido en el numeral 6.8, para poder reiniciar operaciones. | | | | 7.1.3 Cuando se haya estado fuera de operación debido a paros por accidentes, por logística de operación, por fines comerciales, por reubicación de equipos u otro motivo que no implique modificaciones al Diseño original, se deberá realizar una Revisión de Seguridad de Pre-arranque de acuerdo con lo establecido en el numeral 6.8, para poder reiniciar operaciones. | |||||||||||||||||||||||||||||||||||||||||||||||||||||||||||||
| 7.2 Manual de mantenimiento 7.2.1 Se debe contar con un manual de mantenimiento para todos los equipos, válvulas e instrumentos que integran la Instalación de Descompresión, este debe cumplir como mínimo con los requisitos siguientes: | | | | 7.2 Manual de mantenimiento 7.2.1 Se debe contar con un manual de mantenimiento para todos los equipos, válvulas e instrumentos que integran la Instalación de Descompresión, este debe cumplir como mínimo con los requisitos siguientes: | |||||||||||||||||||||||||||||||||||||||||||||||||||||||||||||
| a) Programa anual de mantenimiento de todos los componentes, equipos, válvulas e instrumentos de la Instalación de Descompresión; | | | | a) Programa anual de mantenimiento de todos los componentes, equipos, válvulas e instrumentos de la Instalación de Descompresión; | |||||||||||||||||||||||||||||||||||||||||||||||||||||||||||||
| b) El programa anual de inspecciones y pruebas de los componentes, equipos, válvulas e instrumentos que les corresponda; | | | | b) El programa anual de inspecciones y pruebas de los componentes, equipos, válvulas e instrumentos que les corresponda; | |||||||||||||||||||||||||||||||||||||||||||||||||||||||||||||
| c) El procedimiento y frecuencia para realizar el mantenimiento, las inspecciones y pruebas de cada componente, de acuerdo con las recomendaciones del fabricante; | | | | c) El procedimiento y frecuencia para realizar el mantenimiento, las inspecciones y pruebas de cada componente, de acuerdo con las recomendaciones del fabricante; | |||||||||||||||||||||||||||||||||||||||||||||||||||||||||||||
| d) Procedimientos que indiquen las instrucciones a seguir previo y durante las reparaciones de cada equipo, válvula, instrumento o accesorio de la Instalación y, en su caso, las pruebas requeridas; | | | | d) Procedimientos que indiquen las instrucciones a seguir previo y durante las reparaciones de cada equipo, válvula, instrumento o accesorio de la Instalación y, en su caso, las pruebas requeridas; | |||||||||||||||||||||||||||||||||||||||||||||||||||||||||||||
| e) Bitácora de registros de mantenimiento, en formato libre, que deben contener como mínimo: fecha y hora, tipo de actividad realizada, nombre del personal autorizado, nombre o clave de identificación del equipo y fecha del siguiente mantenimiento; | | | | e) Bitácora de registros de mantenimiento, en formato libre, que deben contener como mínimo: fecha y hora, tipo de actividad realizada, nombre del personal autorizado, nombre o clave de identificación del equipo y fecha del siguiente mantenimiento; | |||||||||||||||||||||||||||||||||||||||||||||||||||||||||||||
| f) Bitácora de registros de inspecciones y pruebas, en formato libre, que debe contener como mínimo: fecha y hora, tipo de inspección o prueba realizada, nombre del personal que lo realiza, nombre o clave de identificación del equipo, en su caso documento obtenido (reportes, certificados de calibración) y fecha de la siguiente inspección o prueba, y | | | | f) Bitácora de registros de inspecciones y pruebas, en formato libre, que debe contener como mínimo: fecha y hora, tipo de inspección o prueba realizada, nombre del personal que lo realiza, nombre o clave de identificación del equipo, en su caso documento obtenido (reportes, certificados de calibración) y fecha de la siguiente inspección o prueba, y | |||||||||||||||||||||||||||||||||||||||||||||||||||||||||||||
| g) El Programa anual de capacitación y entrenamiento del personal de mantenimiento. | | | | g) El Programa anual de capacitación y entrenamiento del personal de mantenimiento. | |||||||||||||||||||||||||||||||||||||||||||||||||||||||||||||
| 7.2.2 El programa anual de inspecciones y pruebas referido en el inciso b) del numeral anterior debe cumplir, como mínimo, con lo siguiente: | | | | 7.2.2 El programa anual de inspecciones y pruebas referido en el inciso b) del numeral anterior debe cumplir, como mínimo, con lo siguiente: | |||||||||||||||||||||||||||||||||||||||||||||||||||||||||||||
| I. Inspección visual del estado exterior de las mangueras, no deben tener cortes, raspaduras, pliegues o presentar cualquier daño, evitar el contacto con la tierra, estar protegidas contra abrasión y formación de pliegues, los acoples de conexión que se ajusten sin espacios a la boquilla de descarga. Deben ser reemplazadas cuando se cumpla la vida útil especificada por el fabricante. | | | | I. Inspección visual del estado exterior de las mangueras, no deben tener cortes, raspaduras, pliegues o presentar cualquier daño, evitar el contacto con la tierra, estar protegidas contra abrasión y formación de pliegues, los acoples de conexión que se ajusten sin espacios a la boquilla de descarga. Deben ser reemplazadas cuando se cumpla la vida útil especificada por el fabricante. | |||||||||||||||||||||||||||||||||||||||||||||||||||||||||||||
| II. Inspección periódica para el Equipo de calentamiento respecto a la caída de presión y el rendimiento térmico, para ello es necesario contar con lo siguiente: | | | | II. Inspección periódica para el Equipo de calentamiento respecto a la caída de presión y el rendimiento térmico, para ello es necesario contar con lo siguiente: | |||||||||||||||||||||||||||||||||||||||||||||||||||||||||||||
| a) La placa de la última calibración de los sensores de presión y temperatura, que debe estar sujeta al cuerpo de cada instrumento; | | | | a) La placa de la última calibración de los sensores de presión y temperatura, que debe estar sujeta al cuerpo de cada instrumento; | |||||||||||||||||||||||||||||||||||||||||||||||||||||||||||||
| b) Los certificados de cada calibración realizada, donde se indique fecha, año de calibración y los valores de calibración, y | | | | b) Los certificados de cada calibración realizada, donde se indique fecha, año de calibración y los valores de calibración, y | |||||||||||||||||||||||||||||||||||||||||||||||||||||||||||||
| c) Resultado de inspecciones y pruebas de las tuberías, válvulas y accesorios del Equipo de calentamiento para detectar pérdidas o alteraciones. | | | | c) Resultado de inspecciones y pruebas de las tuberías, válvulas y accesorios del Equipo de calentamiento para detectar pérdidas o alteraciones. | |||||||||||||||||||||||||||||||||||||||||||||||||||||||||||||
| III. Inspección del indicador de presión diferencial para detectar cuando se requiere reemplazar los elementos filtrantes; la limpieza e inspección de los filtros debe realizarse de acuerdo con las recomendaciones del fabricante; cada reemplazo de elementos filtrantes debe ser registrado en la bitácora de mantenimiento y se debe colocar la etiqueta de ultima y próxima fecha de mantenimiento. | | | Con fundamento en los artículos 3, fracción XX y 24, fracciones I y XI del Reglamento Interior de la Agencia Nacional de Seguridad Industrial y de Protección al Medio Ambiente del Sector Hidrocarburos; y, 10, fracción I y 29, fracción IV de las Reglas de Operación del Comité Consultivo Nacional de Normalización de Seguridad Industrial y Operativa y Protección al Medio Ambiente del Sector Hidrocarburos, derivado de la revisión integral al presente Proyecto de Norma Oficial Mexicana, se realiza una adecuación editorial para dar mayor claridad al requisito. | III. Inspección del indicador de presión diferencial para detectar cuando se requiere reemplazar los elementos filtrantes; la limpieza e inspección de los filtros debe realizarse de acuerdo con las recomendaciones del fabricante; cada reemplazo de elementos filtrantes debe ser registrado en la bitácora de mantenimiento y se debe colocar la etiqueta de última y próxima fecha de mantenimiento. | |||||||||||||||||||||||||||||||||||||||||||||||||||||||||||||
| IV. Inspección de las válvulas de seguridad y prueba de la presión de ajuste, para asegurar que cada válvula abre en el punto de ajuste; se debe colocar una placa sujeta al cuerpo indicando la fecha de inspección y prueba. | | | | IV. Inspección de las válvulas de seguridad y prueba de la presión de ajuste, para asegurar que cada válvula abre en el punto de ajuste; se debe colocar una placa sujeta al cuerpo indicando la fecha de inspección y prueba. | |||||||||||||||||||||||||||||||||||||||||||||||||||||||||||||
| V. Inspección de las tuberías, válvulas manuales, conexiones y accesorios, debe cumplir como mínimo con los requisitos siguientes: | | | | V. Inspección de las tuberías, válvulas manuales, conexiones y accesorios, debe cumplir como mínimo con los requisitos siguientes: | |||||||||||||||||||||||||||||||||||||||||||||||||||||||||||||
| a) El estado general de la protección contra la corrosión de tuberías, accesorios y válvulas instaladas en forma aérea o en canaletas y sus soportes; | | | | a) El estado general de la protección contra la corrosión de tuberías, accesorios y válvulas instaladas en forma aérea o en canaletas y sus soportes; | |||||||||||||||||||||||||||||||||||||||||||||||||||||||||||||
| b) El estado de la protección contra la corrosión debajo de los soportes de tuberías, desarmando éstos y los elementos de protección dieléctrica. De efectuarse el repintado mediante pintura epóxica, se debe preparar la superficie conforme a las indicaciones del fabricante; | | | | b) El estado de la protección contra la corrosión debajo de los soportes de tuberías, desarmando éstos y los elementos de protección dieléctrica. De efectuarse el repintado mediante pintura epóxica, se debe preparar la superficie conforme a las indicaciones del fabricante; | |||||||||||||||||||||||||||||||||||||||||||||||||||||||||||||
| c) La hermeticidad de las tuberías; | | | | c) La hermeticidad de las tuberías; | |||||||||||||||||||||||||||||||||||||||||||||||||||||||||||||
| d) Control del sistema de protección aplicado a la tubería enterrada; | | | | d) Control del sistema de protección aplicado a la tubería enterrada; | |||||||||||||||||||||||||||||||||||||||||||||||||||||||||||||
| e) Que no existan fugas entre las conexiones y que cada uno de los equipos y elementos que integren la Instalación se encuentren montados y localizados en los sitios originales; | | | | e) Que no existan fugas entre las conexiones y que cada uno de los equipos y elementos que integren la Instalación se encuentren montados y localizados en los sitios originales; | |||||||||||||||||||||||||||||||||||||||||||||||||||||||||||||
| f) Verificar que las válvulas manuales y de bloqueo no tienen fugas y que operen correctamente (válvulas de exceso de flujo, válvulas de bloqueo manual, válvulas de retención), y | | | | f) Verificar que las válvulas manuales y de bloqueo no tienen fugas y que operen correctamente (válvulas de exceso de flujo, válvulas de bloqueo manual, válvulas de retención), y | |||||||||||||||||||||||||||||||||||||||||||||||||||||||||||||
| g) Realizar la inspección y pruebas de la tubería de acuerdo con el estándar API STD 570 vigente o su equivalente; o cuando se realice alguna modificación al arreglo de tuberías de la Instalación debe realizarse la prueba de presión hidrostática de acuerdo con lo indicado en el numeral 6.4.5.10. | | | Derivado del comentario recibido de la CRE a través del oficio UH-250/1961/2023 al numeral 3. Referencias normativas, se modifica la redacción. | g) Realizar la inspección y pruebas de la tubería de acuerdo con el estándar API STD 570 4TH ED:2016 o su equivalente; o cuando se realice alguna modificación al arreglo de tuberías de la Instalación debe realizarse la prueba de presión hidrostática de acuerdo con lo indicado en el numeral 6.4.5.10. | |||||||||||||||||||||||||||||||||||||||||||||||||||||||||||||
| VI. Inspecciones y pruebas periódicas del sistema de control el cual debe cumplir como mínimo con los requisitos siguientes: | | | | VI. Inspecciones y pruebas periódicas del sistema de control el cual debe cumplir como mínimo con los requisitos siguientes: | |||||||||||||||||||||||||||||||||||||||||||||||||||||||||||||
| a) Pruebas funcionales de los presostatos y transmisores; | | | | a) Pruebas funcionales de los presostatos y transmisores; | |||||||||||||||||||||||||||||||||||||||||||||||||||||||||||||
| b) Recalibración de los presostatos y transmisores; | | | | b) Recalibración de los presostatos y transmisores; | |||||||||||||||||||||||||||||||||||||||||||||||||||||||||||||
| c) Calibración del sistema de detección de gas cuando aplique, y | | | | c) Calibración del sistema de detección de gas cuando aplique, y | |||||||||||||||||||||||||||||||||||||||||||||||||||||||||||||
| d) Pruebas periódicas de funcionamiento del sistema de detección de gas que incluyan la secuencia de acciones relacionadas con el sistema de paro por emergencia, de acuerdo con los procedimientos especificados por el fabricante. | | | | d) Pruebas periódicas de funcionamiento del sistema de detección de gas que incluyan la secuencia de acciones relacionadas con el sistema de paro por emergencia, de acuerdo con los procedimientos especificados por el fabricante. | |||||||||||||||||||||||||||||||||||||||||||||||||||||||||||||
| VII. Inspección de los extintores que deben cumplir como mínimo con los requisitos siguientes: | | | | VII. Inspección de los extintores que deben cumplir como mínimo con los requisitos siguientes: | |||||||||||||||||||||||||||||||||||||||||||||||||||||||||||||
| a) La aguja del manómetro indicador de presión debe estar dentro de la zona de operación y la carátula debe ser legible y visible; | | | | a) La aguja del manómetro indicador de presión debe estar dentro de la zona de operación y la carátula debe ser legible y visible; | |||||||||||||||||||||||||||||||||||||||||||||||||||||||||||||
| b) El collarín, seguro, precinto o marchamo no debe estar alterado; | | | | b) El collarín, seguro, precinto o marchamo no debe estar alterado; | |||||||||||||||||||||||||||||||||||||||||||||||||||||||||||||
| c) El exterior del cilindro no debe presentar evidencia de corrosión o notable pérdida de la pintura exterior; | | | | c) El exterior del cilindro no debe presentar evidencia de corrosión o notable pérdida de la pintura exterior; | |||||||||||||||||||||||||||||||||||||||||||||||||||||||||||||
| d) Si el cilindro tiene más de 5 años se debe realizar la prueba hidrostática, en caso de no soportarla se debe dar de baja; | | | | d) Si el cilindro tiene más de 5 años se debe realizar la prueba hidrostática, en caso de no soportarla se debe dar de baja; | |||||||||||||||||||||||||||||||||||||||||||||||||||||||||||||
| e) Que no haya sido expuesto al fuego y no presenta pliegues, en caso contrario, se debe dar de baja y sustituirlo por uno de las mismas características; | | | | e) Que no haya sido expuesto al fuego y no presenta pliegues, en caso contrario, se debe dar de baja y sustituirlo por uno de las mismas características; | |||||||||||||||||||||||||||||||||||||||||||||||||||||||||||||
| f) Que cuenta con su carga completa y no haya sido operado (disparado); | | | | f) Que cuenta con su carga completa y no haya sido operado (disparado); | |||||||||||||||||||||||||||||||||||||||||||||||||||||||||||||
| g) Que cuenta con la etiqueta del último servicio de mantenimiento realizado, sin daño alguno y legible; | | | | g) Que cuenta con la etiqueta del último servicio de mantenimiento realizado, sin daño alguno y legible; | |||||||||||||||||||||||||||||||||||||||||||||||||||||||||||||
| h) Que las instrucciones de uso (nemotecnia) y tipo de fuego, sean legibles y correctas; | | | | h) Que las instrucciones de uso (nemotecnia) y tipo de fuego, sean legibles y correctas; | |||||||||||||||||||||||||||||||||||||||||||||||||||||||||||||
| i) Que la boquilla o difusor y manguera estén limpias, no presenten cuarteaduras, no estén obstruidas en su interior, estén correctamente acopladas y firmes sus conexiones y que no les falten partes, y | | | | i) Que la boquilla o difusor y manguera estén limpias, no presenten cuarteaduras, no estén obstruidas en su interior, estén correctamente acopladas y firmes sus conexiones y que no les falten partes, y | |||||||||||||||||||||||||||||||||||||||||||||||||||||||||||||
| j) Que se cumple con los extintores, de acuerdo con el numeral 6.5.2. | | | | j) Que se cumple con los extintores, de acuerdo con el numeral 6.5.2. | |||||||||||||||||||||||||||||||||||||||||||||||||||||||||||||
| VIII. Inspección del sistema eléctrico que debe cumplir como mínimo con los requisitos siguientes: | | | | VIII. Inspección del sistema eléctrico que debe cumplir como mínimo con los requisitos siguientes: | |||||||||||||||||||||||||||||||||||||||||||||||||||||||||||||
| a) Que los cables y canalizaciones eléctricas no presenten daño; | | | | a) Que los cables y canalizaciones eléctricas no presenten daño; | |||||||||||||||||||||||||||||||||||||||||||||||||||||||||||||
| b) El funcionamiento de interruptores de circuitos de fuerza e iluminación desde los tableros y corregir en caso de falla, y | | | | b) El funcionamiento de interruptores de circuitos de fuerza e iluminación desde los tableros y corregir en caso de falla, y | |||||||||||||||||||||||||||||||||||||||||||||||||||||||||||||
| c) Que los accesorios eléctricos (interruptores, contactos, cajas de conexiones, sellos eléctricos, tableros, etc.) tengan su correspondiente tapa, compuesto sellador y contratapa de protección firmemente colocada. | | | | c) Que los accesorios eléctricos (interruptores, contactos, cajas de conexiones, sellos eléctricos, tableros, etc.) tengan su correspondiente tapa, compuesto sellador y contratapa de protección firmemente colocada. | |||||||||||||||||||||||||||||||||||||||||||||||||||||||||||||
| IX. Verificar que la Instalación de Descompresión debe contar con los letreros de seguridad de acuerdo con lo establecido en el numeral 6.3.8. | | | | IX. Verificar que la Instalación de Descompresión debe contar con los letreros de seguridad de acuerdo con lo establecido en el numeral 6.3.8. | |||||||||||||||||||||||||||||||||||||||||||||||||||||||||||||
| 7.3 Competencia del personal 7.3.1 El personal responsable de realizar la descarga de GNC y del proceso de Descompresión debe estar capacitado y entrenado en: | | | | 7.3 Competencia del personal 7.3.1 El personal responsable de realizar la descarga de GNC y del proceso de Descompresión debe estar capacitado y entrenado en: | |||||||||||||||||||||||||||||||||||||||||||||||||||||||||||||
| I. Las propiedades del Gas Natural, a las condiciones de recepción y Descompresión. | | | | I. Las propiedades del Gas Natural, a las condiciones de recepción y Descompresión. | |||||||||||||||||||||||||||||||||||||||||||||||||||||||||||||
| II. El uso del manual de operación referido en el numeral 7.1. | | | | II. El uso del manual de operación referido en el numeral 7.1. | |||||||||||||||||||||||||||||||||||||||||||||||||||||||||||||
| III. Los procedimientos operativos referidos en el numeral 7.1.2. | | | | III. Los procedimientos operativos referidos en el numeral 7.1.2. | |||||||||||||||||||||||||||||||||||||||||||||||||||||||||||||
| IV. El funcionamiento de los equipos, válvulas e instrumento que conforman el proceso. | CRE UH-250/1961/2023 | Debe decir: IV. El funcionamiento de los equipos (integrados y paquete), válvulas e instrumento que conforman el proceso. Justificación técnica y/o jurídica: Se considera que es de importancia relevante la capacitación del personal que operará las instalaciones y en especial los equipos paquete. | PROCEDE PARCIALMENTE Con fundamento en los artículos Cuarto Transitorio de la Ley de Infraestructura de la Calidad; 47, fracciones I y II de la Ley Federal sobre Metrología y Normalización; 5, fracción IV de la Ley de la Agencia Nacional de Seguridad Industrial y de Protección al Medio Ambiente del Sector Hidrocarburos; y 2, 6, fracciones II y XIII, 10, fracción VI y XV de las Reglas de Operación del Comité Consultivo Nacional de Normalización de Seguridad Industrial y Operativa y Protección al Medio Ambiente del Sector Hidrocarburos, y derivado de la revisión y análisis al presente comentario se determinó que PROCEDE PARCIALMENTE, se mantiene la redacción original ya que permite aplicar el requisito a cualquier tipo de equipo que tenga el Regulado, y se incluye la "s" faltante al término instrumentos para mayor claridad. | IV. El funcionamiento de los equipos, válvulas e instrumentos que conforman el proceso. | |||||||||||||||||||||||||||||||||||||||||||||||||||||||||||||
| V. La detección de fugas de Gas Natural. | | | | V. La detección de fugas de Gas Natural. | |||||||||||||||||||||||||||||||||||||||||||||||||||||||||||||
| 7.3.2 El personal responsable de realizar el mantenimiento, pruebas o inspecciones debe estar capacitado y entrenado en: I. Las propiedades del Gas Natural, a las condiciones de recepción y Descompresión. II. El uso del manual de mantenimiento referido en el numeral 7.2. III. Los procedimientos de preparación, limpieza y/o inertización para realizar pruebas, inspecciones, mantenimiento o reparaciones, según corresponda. IV. Los procedimientos de mantenimiento, inspecciones y pruebas. V. El manejo de residuos | | | | 7.3.2 El personal responsable de realizar el mantenimiento, pruebas o inspecciones debe estar capacitado y entrenado en: I. Las propiedades del Gas Natural, a las condiciones de recepción y Descompresión. II. El uso del manual de mantenimiento referido en el numeral 7.2. III. Los procedimientos de preparación, limpieza y/o inertización para realizar pruebas, inspecciones, mantenimiento o reparaciones, según corresponda. IV. Los procedimientos de mantenimiento, inspecciones y pruebas. V. El manejo de residuos. | |||||||||||||||||||||||||||||||||||||||||||||||||||||||||||||
| 7.3.3 El programa anual de capacitación y entrenamiento (práctico) debe considerar las necesidades referidas en los numerales 7.3.1 y 7.3.2. Dicho programa deberá ejecutarse en tiempo y forma para mantener la competencia del personal de operación, mantenimiento y emergencias. Asimismo, deberán obtenerse las evidencias y las constancias correspondientes, derivadas del cumplimiento de este requisito. | | | Con fundamento en los artículos 3, fracción XX y 24, fracciones I y XI del Reglamento Interior de la Agencia Nacional de Seguridad Industrial y de Protección al Medio Ambiente del Sector Hidrocarburos; y, 10, fracción I y 29, fracción IV de las Reglas de Operación del Comité Consultivo Nacional de Normalización de Seguridad Industrial y Operativa y Protección al Medio Ambiente del Sector Hidrocarburos, derivado de la revisión integral al presente Proyecto de Norma Oficial Mexicana, se realiza una adecuación editorial para dar mayor claridad al requisito. | 7.3.3 El programa anual de capacitación y entrenamiento práctico debe considerar las necesidades referidas en los numerales 7.3.1 y 7.3.2. Dicho programa deberá ejecutarse en tiempo y forma para mantener la competencia del personal de operación, mantenimiento y emergencias. Asimismo, deberán obtenerse las evidencias y las constancias correspondientes, derivadas del cumplimiento de este requisito. | |||||||||||||||||||||||||||||||||||||||||||||||||||||||||||||
| 7.4 Análisis de riesgos para el Sector Hidrocarburos Las recomendaciones derivadas de la actualización del Análisis de Riesgo para el Sector Hidrocarburos, para la etapa de Operación y Mantenimiento, deben ser atendidas de acuerdo con el programa establecido para tal fin. | | | | 7.4 Análisis de riesgos para el Sector Hidrocarburos Las recomendaciones derivadas de la actualización del Análisis de Riesgo para el Sector Hidrocarburos, para la etapa de Operación y Mantenimiento, deben ser atendidas de acuerdo con el programa establecido para tal fin. | |||||||||||||||||||||||||||||||||||||||||||||||||||||||||||||
| 7.5 Dictamen de Operación y Mantenimiento 7.5.1 El Regulado debe obtener, de forma anual, un Dictamen de Operación y Mantenimiento, emitido por una Unidad de Inspección acreditada por una entidad de acreditación y aprobada por la Agencia, en el que conste el cumplimiento con los requisitos establecidos en el capítulo 7. | | | Derivado del comentario recibido de la CRE a través del oficio UH-250/1961/2023 al numeral 5.7.1, se modifica la redacción para indicar la redacción acordada. | 7.5 Dictamen de Operación y Mantenimiento 7.5.1 El Regulado debe obtener, de forma anual, un Dictamen de Operación y Mantenimiento en el que conste el cumplimiento con los requisitos establecidos en el capítulo 7. El Dictamen al que se refiere el párrafo anterior debe ser emitido por una Unidad de Inspección acreditada por una entidad de acreditación y aprobada por la Agencia. | |||||||||||||||||||||||||||||||||||||||||||||||||||||||||||||
| 7.5.2 El Regulado debe conservarlo y tenerlo disponible en sus Instalaciones, en formato físico o electrónico, durante la vigencia de este. | | | | 7.5.2 El Regulado debe conservarlo y tenerlo disponible en sus Instalaciones, en formato físico o electrónico, durante la vigencia de este. | |||||||||||||||||||||||||||||||||||||||||||||||||||||||||||||
| 7.5.3 El Regulado debe presentar a la Agencia, de forma anual y a partir de haber cumplido el primer año de operaciones, el Dictamen de Operación y Mantenimiento, en copia simple, por los medios que ésta establezca, en los 3 meses posteriores a la anualidad correspondiente. | | | | 7.5.3 El Regulado debe presentar a la Agencia, de forma anual y a partir de haber cumplido el primer año de operaciones, el Dictamen de Operación y Mantenimiento, en copia simple, por los medios que ésta establezca, en los 3 meses posteriores a la anualidad correspondiente. | |||||||||||||||||||||||||||||||||||||||||||||||||||||||||||||
| 8. Procedimiento de la Evaluación de la Conformidad 8.1 Objetivo y requisitos generales 8.1.1 El presente capítulo tiene por objeto establecer el procedimiento a seguir para evaluar el cumplimiento a lo dispuesto en el presente Proyecto de Norma Oficial Mexicana. | | | Se modifica la referencia al instrumento regulatorio conforme a la etapa en la que se encuentra. | 8. Procedimiento de la Evaluación de la Conformidad 8.1 Objetivo y requisitos generales 8.1.1 El presente capítulo tiene por objeto establecer el procedimiento a seguir para evaluar el cumplimiento a lo dispuesto en la presente Norma Oficial Mexicana. | |||||||||||||||||||||||||||||||||||||||||||||||||||||||||||||
| 8.1.2 La Evaluación de la Conformidad de la Instalación de Descompresión de GNC con este Proyecto de Norma Oficial Mexicana se debe realizar de acuerdo con la etapa en la que se encuentre: I. Del capítulo 5, para el Diseño de la Instalación. II. Del capítulo 6, para la Construcción y el Pre-arranque de la Instalación, previo al inicio de operaciones. III. Del capítulo 7, para la Operación y Mantenimiento de la Instalación, de forma anual. | | | Se modifica la referencia al instrumento regulatorio conforme a la etapa en la que se encuentra. | 8.1.2 La Evaluación de la Conformidad de la Instalación de Descompresión de GNC con esta Norma Oficial Mexicana se debe realizar de acuerdo con la etapa en la que se encuentre: I. Del capítulo 5, para el Diseño de la Instalación. II. Del capítulo 6, para la Construcción y el Pre-arranque de la Instalación, previo al inicio de operaciones. III. Del capítulo 7, para la Operación y Mantenimiento de la Instalación, de forma anual. | |||||||||||||||||||||||||||||||||||||||||||||||||||||||||||||
| 8.1.3 La Evaluación de la Conformidad de la Instalación de Descompresión de GNC con el presente Proyecto de Norma Oficial Mexicana se realizará por una Unidad de Inspección, acreditada por una entidad de acreditación y aprobada por la Agencia, mediante revisión física y documental de acuerdo con lo descrito en el numeral 8.2. | | | Se modifica la referencia al instrumento regulatorio conforme a la etapa en la que se encuentra. | 8.1.3 La Evaluación de la Conformidad de la Instalación de Descompresión de GNC con la presente Norma Oficial Mexicana se realizará por una Unidad de Inspección, acreditada por una entidad de acreditación y aprobada por la Agencia, mediante revisión física y documental de acuerdo con lo descrito en el numeral 8.2. | |||||||||||||||||||||||||||||||||||||||||||||||||||||||||||||
| 8.1.4 De acuerdo con el resultado de la Evaluación de la Conformidad, la Unidad de Inspección debe emitir el Acta de verificación y el Dictamen aprobatorio, este último únicamente si se cumple con la totalidad de los requisitos y especificaciones establecidas en el capítulo correspondiente del presente Proyecto de Norma Oficial Mexicana. | | | Se modifica la referencia al instrumento regulatorio conforme a la etapa en la que se encuentra. | 8.1.4 De acuerdo con el resultado de la Evaluación de la Conformidad, la Unidad de Inspección debe emitir el Acta de verificación y el Dictamen aprobatorio, este último únicamente si se cumple con la totalidad de los requisitos y especificaciones establecidas en el capítulo correspondiente de la presente Norma Oficial Mexicana. | |||||||||||||||||||||||||||||||||||||||||||||||||||||||||||||
| 8.2 Procedimiento 8.2.1 Para la Evaluación de la Conformidad del capítulo 5. Diseño de este Proyecto de Norma Oficial Mexicana se debe constatar de manera documental que se cumple, como mínimo, con lo indicado a continuación: | | | Se modifica la referencia al instrumento regulatorio conforme a la etapa en la que se encuentra. | 8.2 Procedimiento 8.2.1 Para la Evaluación de la Conformidad del capítulo 5. Diseño de esta Norma Oficial Mexicana se debe constatar de manera documental que se cumple, como mínimo, con lo indicado a continuación: | |||||||||||||||||||||||||||||||||||||||||||||||||||||||||||||
| 8.2.1.1 Para evaluar el cumplimiento del numeral 5.1 se debe contar con el Dosier de calidad de diseño integrado por los documentos indicados en los numerales 5.1.1 al 5.1.5. | | | | 8.2.1.1 Para evaluar el cumplimiento del numeral 5.1 se debe contar con el Dosier de calidad de diseño integrado por los documentos indicados en los numerales 5.1.1 al 5.1.5. | |||||||||||||||||||||||||||||||||||||||||||||||||||||||||||||
| 8.2.1.2 Para evaluar el cumplimiento de los requisitos del proyecto civil se debe: | | | | 8.2.1.2 Para evaluar el cumplimiento de los requisitos del proyecto civil se debe: | |||||||||||||||||||||||||||||||||||||||||||||||||||||||||||||
| I. Constatar que se cumple con los requisitos de los numerales 5.2.1.1, 5.2.1.2, 5.2.1.3, 5.2.1.4, 5.2.1.6, 5.2.1.7, 5.2.2 y 5.2.3 en los planos de la especialidad civil. | | | | I. Constatar que se cumple con los requisitos de los numerales 5.2.1.1, 5.2.1.2, 5.2.1.3, 5.2.1.4, 5.2.1.6, 5.2.1.7, 5.2.2 y 5.2.3 en los planos de la especialidad civil. | |||||||||||||||||||||||||||||||||||||||||||||||||||||||||||||
| II. Constatar que se cumple con los requisitos del numeral 5.2.1.5, en la memoria de cálculo, hoja de datos, dibujo de arreglo general y especificación técnica de la cabina. | | | | II. Constatar que se cumple con los requisitos del numeral 5.2.1.5, en la memoria de cálculo, hoja de datos, dibujo de arreglo general y especificación técnica de la cabina. | |||||||||||||||||||||||||||||||||||||||||||||||||||||||||||||
| III. Constatar que se cumpla el requisito de los numerales 5.2.1.7 y 5.2.1.8 tomando como referencia el Análisis de Riesgos para el Sector Hidrocarburos de la etapa de Diseño y el Análisis de Capas de Protección. | | | | III. Constatar que se cumpla el requisito de los numerales 5.2.1.7 y 5.2.1.8 tomando como referencia el Análisis de Riesgos para el Sector Hidrocarburos de la etapa de Diseño y el Análisis de Capas de Protección. | |||||||||||||||||||||||||||||||||||||||||||||||||||||||||||||
| 8.2.1.3 Para evaluar el cumplimiento de los requisitos del proyecto mecánico se debe: | | | | 8.2.1.3 Para evaluar el cumplimiento de los requisitos del proyecto mecánico se debe: | |||||||||||||||||||||||||||||||||||||||||||||||||||||||||||||
| I. Constatar que se cumple con los requisitos del numeral 5.3.1.1 en la hoja de datos y especificación técnica de las mangueras. | | | | I. Constatar que se cumple con los requisitos del numeral 5.3.1.1 en la hoja de datos y especificación técnica de las mangueras. | |||||||||||||||||||||||||||||||||||||||||||||||||||||||||||||
| II. Constatar que se cumple con los requisitos del numeral 5.3.1.2 en la especificación técnica de los acoplamientos. | | | | II. Constatar que se cumple con los requisitos del numeral 5.3.1.2 en la especificación técnica de los acoplamientos. | |||||||||||||||||||||||||||||||||||||||||||||||||||||||||||||
| III. Constatar que se cumplen los requisitos de los numerales 5.3.2, 5.3.3, 5.3.4, 5.3.9.1 al 5.3.9.3 en la memoria de cálculo, hoja de datos, dibujo de arreglo mecánico y especificación de los equipos y válvulas que correspondan. | | | | III. Constatar que se cumplen los requisitos de los numerales 5.3.2, 5.3.3, 5.3.4, 5.3.9.1 al 5.3.9.3 en la memoria de cálculo, hoja de datos, dibujo de arreglo mecánico y especificación de los equipos y válvulas que correspondan. | |||||||||||||||||||||||||||||||||||||||||||||||||||||||||||||
| IV. Constatar que se cumplen los requisitos del numeral 5.3.8 en la hoja de datos, memoria de cálculo y especificación técnica. | | | | IV. Constatar que se cumplen los requisitos del numeral 5.3.8 en la hoja de datos, memoria de cálculo y especificación técnica. | |||||||||||||||||||||||||||||||||||||||||||||||||||||||||||||
| V. Constatar que se cumplen los requisitos del numeral 5.3.5.1 en la memoria de cálculo hidráulica de tuberías. | | | | V. Constatar que se cumplen los requisitos del numeral 5.3.5.1 en la memoria de cálculo hidráulica de tuberías. | |||||||||||||||||||||||||||||||||||||||||||||||||||||||||||||
| VI. Constatar que se cumplen con los requisitos de los numerales 5.3.5.2, 5.3.5.4, 5.3.6 y 5.3.9.4 en la especificación técnica de tuberías y en los planos de la especialidad mecánica. | | | | VI. Constatar que se cumplen con los requisitos de los numerales 5.3.5.2, 5.3.5.4, 5.3.6 y 5.3.9.4 en la especificación técnica de tuberías y en los planos de la especialidad mecánica. | |||||||||||||||||||||||||||||||||||||||||||||||||||||||||||||
| VII. Constatar que se cumplen con los requisitos del numeral 5.3.5.3 en el análisis de flexibilidad | | | | VII. Constatar que se cumplen con los requisitos del numeral 5.3.5.3 en el análisis de flexibilidad | |||||||||||||||||||||||||||||||||||||||||||||||||||||||||||||
| VIII. Constatar que se cumple con los requisitos de los numerales 5.3.7.1 en el listado de válvulas manuales y especificación técnica de válvulas, y con el numeral 5.3.7.2 en el diagrama de tubería e instrumentación y en el arreglo general del Equipo de Descompresión. | | | | VIII. Constatar que se cumple con los requisitos de los numerales 5.3.7.1 en el listado de válvulas manuales y especificación técnica de válvulas, y con el numeral 5.3.7.2 en el diagrama de tubería e instrumentación y en el arreglo general del Equipo de Descompresión. | |||||||||||||||||||||||||||||||||||||||||||||||||||||||||||||
| IX. Constatar que se cumple con el numeral 5.3.10 en la memoria de cálculo y especificación técnica, cuando se cuente con dispositivos de ruptura. | | | | IX. Constatar que se cumple con el numeral 5.3.10 en la memoria de cálculo y especificación técnica, cuando se cuente con dispositivos de ruptura. | |||||||||||||||||||||||||||||||||||||||||||||||||||||||||||||
| X. Constatar que se cumple con los requisitos del numeral 5.3.11. en la especificación técnica y en la hoja de datos de instrumentos. | | | | X. Constatar que se cumple con los requisitos del numeral 5.3.11. en la especificación técnica y en la hoja de datos de instrumentos. | |||||||||||||||||||||||||||||||||||||||||||||||||||||||||||||
| 8.2.1.4 Para evaluar el cumplimiento del proyecto contraincendios se debe: | | | | 8.2.1.4 Para evaluar el cumplimiento del proyecto contraincendios se debe: | |||||||||||||||||||||||||||||||||||||||||||||||||||||||||||||
| I. Constatar que se cumple con los requisitos de los numerales 5.4.1, 5.4.2.1 al 5.4.2.3, en los planos de la especialidad contraincendios. | | | | I. Constatar que se cumple con los requisitos de los numerales 5.4.1, 5.4.2.1 al 5.4.2.3, en los planos de la especialidad contraincendios. | |||||||||||||||||||||||||||||||||||||||||||||||||||||||||||||
| II. En caso de contar con más de un MAT para el suministro de GNC, constatar que las medidas resultantes del Análisis de Riesgos para el Sector Hidrocarburos para garantizar la protección de la totalidad de los MAT y del Equipo de Descompresión ante un escenario de incendio, se hayan implementado. | | | | II. En caso de contar con más de un MAT para el suministro de GNC, constatar que las medidas resultantes del Análisis de Riesgos para el Sector Hidrocarburos para garantizar la protección de la totalidad de los MAT y del Equipo de Descompresión ante un escenario de incendio, se hayan implementado. | |||||||||||||||||||||||||||||||||||||||||||||||||||||||||||||
| 8.2.1.5 Para evaluar el cumplimiento del proyecto eléctrico se debe: | | | | 8.2.1.5 Para evaluar el cumplimiento del proyecto eléctrico se debe: | |||||||||||||||||||||||||||||||||||||||||||||||||||||||||||||
| I. Contar con los documentos descritos en los numerales 5.5.1 y 5.5.2. | | | | I. Contar con los documentos descritos en los numerales 5.5.1 y 5.5.2. | |||||||||||||||||||||||||||||||||||||||||||||||||||||||||||||
| II. Constatar que se cumple con los requisitos de los numerales 5.5.3, 5.5.4, 5.5.5, 5.5.6 y 5.5.7 en los planos de la especialidad eléctrica. | | | | II. Constatar que se cumple con los requisitos de los numerales 5.5.3, 5.5.4, 5.5.5, 5.5.6 y 5.5.7 en los planos de la especialidad eléctrica. | |||||||||||||||||||||||||||||||||||||||||||||||||||||||||||||
| 8.2.1.6 Para evaluar el cumplimiento del numeral 5.6 se debe constatar en el Dosier de calidad de diseño que se aplicaron las recomendaciones derivadas del Análisis de Riesgos para el Sector Hidrocarburos de la etapa de Diseño. | | | | 8.2.1.6 Para evaluar el cumplimiento del numeral 5.6 se debe constatar en el Dosier de calidad de diseño que se aplicaron las recomendaciones derivadas del Análisis de Riesgos para el Sector Hidrocarburos de la etapa de Diseño. | |||||||||||||||||||||||||||||||||||||||||||||||||||||||||||||
| 8.2.2 Para la Evaluación de la Conformidad del capítulo 6. Construcción de este Proyecto de Norma Oficial Mexicana se debe constatar de manera documental y física que se cumpla con lo indicado a continuación: | | | Se modifica la referencia al instrumento regulatorio conforme a la etapa en la que se encuentra. | 8.2.2 Para la Evaluación de la Conformidad del capítulo 6. Construcción de esta Norma Oficial Mexicana se debe constatar de manera documental y física que se cumpla con lo indicado a continuación: | |||||||||||||||||||||||||||||||||||||||||||||||||||||||||||||
| 8.2.2.1 Para evaluar el cumplimiento del numeral 6.2 se debe constatar de forma documental, en los planos as built y en el Dosier de calidad de diseño y físicamente en la Instalación que esta se haya construido de acuerdo con el Diseño dictaminado. En caso de que se hayan presentado modificaciones al Diseño original se debe verificar que estas cumplan con los requisitos establecidos en el capítulo 5, según la modificación realizada. | | | | 8.2.2.1 Para evaluar el cumplimiento del numeral 6.2 se debe constatar de forma documental, en los planos as built y en el Dosier de calidad de diseño y físicamente en la Instalación que esta se haya construido de acuerdo con el Diseño dictaminado. En caso de que se hayan presentado modificaciones al Diseño original se debe verificar que estas cumplan con los requisitos establecidos en el capítulo 5, según la modificación realizada. | |||||||||||||||||||||||||||||||||||||||||||||||||||||||||||||
| 8.2.2.2 Para evaluar el cumplimiento de los requisitos de la especialidad civil se debe: | | | | 8.2.2.2 Para evaluar el cumplimiento de los requisitos de la especialidad civil se debe: | |||||||||||||||||||||||||||||||||||||||||||||||||||||||||||||
| I. Constatar físicamente en la Instalación que se cumplan los requisitos de los numerales 6.3.1. fracciones II y III, 6.3.2, 6.3.3, 6.3.4 fracción II, 6.3.7 y 6.3.8. | | | | I. Constatar físicamente en la Instalación que se cumplan los requisitos de los numerales 6.3.1. fracciones II y III, 6.3.2, 6.3.3, 6.3.4 fracción II, 6.3.7 y 6.3.8. | |||||||||||||||||||||||||||||||||||||||||||||||||||||||||||||
| II. Constatar físicamente en la Instalación y de forma documental en el certificado de materiales que se cumplan los requisitos del numeral 6.3.4 fracción I. | | | | II. Constatar físicamente en la Instalación y de forma documental en el certificado de materiales que se cumplan los requisitos del numeral 6.3.4 fracción I. | |||||||||||||||||||||||||||||||||||||||||||||||||||||||||||||
| III. Constatar físicamente en la Instalación y de forma documental en los planos de la especialidad civil que se cumplan los requisitos de los numerales 6.3.1 fracción I y 6.3.5. | | | | III. Constatar físicamente en la Instalación y de forma documental en los planos de la especialidad civil que se cumplan los requisitos de los numerales 6.3.1 fracción I y 6.3.5. | |||||||||||||||||||||||||||||||||||||||||||||||||||||||||||||
| IV. Constatar físicamente en la Instalación y de forma documental en los planos de la especialidad eléctrica que se cumplan los requisitos del numeral 6.3.6. | | | | IV. Constatar físicamente en la Instalación y de forma documental en los planos de la especialidad eléctrica que se cumplan los requisitos del numeral 6.3.6. | |||||||||||||||||||||||||||||||||||||||||||||||||||||||||||||
| 8.2.2.3 Para evaluar el cumplimiento de los requisitos de la especialidad mecánica se debe: | | | | 8.2.2.3 Para evaluar el cumplimiento de los requisitos de la especialidad mecánica se debe: | |||||||||||||||||||||||||||||||||||||||||||||||||||||||||||||
| I. Constatar físicamente en las mangueras, equipos, tuberías y válvulas, y de forma documental en el certificado de fabricación que se cumplan los requisitos del numeral 6.4.1.1, 6.4.1.2, 6.4.1.4, 6.4.2.1 fracciones I y II, 6.4.4, 6.4.5.1, 6.4.5.14 fracción I y 6.4.5.15. | | | | I. Constatar físicamente en las mangueras, equipos, tuberías y válvulas, y de forma documental en el certificado de fabricación que se cumplan los requisitos del numeral 6.4.1.1, 6.4.1.2, 6.4.1.4, 6.4.2.1 fracciones I y II, 6.4.4, 6.4.5.1, 6.4.5.14 fracción I y 6.4.5.15. | |||||||||||||||||||||||||||||||||||||||||||||||||||||||||||||
| II. Constatar físicamente en las mangueras, equipos, y válvulas, se cumplan los requisitos de los numerales 6.4.1.3, 6.4.1.5, 6.4.2.1 fracción III, 6.4.2.2, 6.4.3.2, 6.4.3.3, 6.4.5.12 fracciones II y III, 6.4.5.14 fracciones II y III, según corresponda. | | | Derivado del comentario recibido de la CRE a través del oficio UH-250/1961/2023 al numeral 6.4.3.2 se modifica la redacción. | II. Constatar físicamente en las mangueras, equipos, y válvulas, se cumplan los requisitos de los numerales 6.4.1.3, 6.4.1.5, 6.4.2.1 fracción III, 6.4.2.2, 6.4.3.2, 6.4.5.12 fracciones II y III, y 6.4.5.14 fracciones II y III, según corresponda. | |||||||||||||||||||||||||||||||||||||||||||||||||||||||||||||
| III. Constatar de forma documental que se cumplan con los requisitos del numeral 6.4.3.1, 6.4.3.4, 6.4.5.12 fracciones I y IV y 6.4.5.16 en los certificados de fabricación y certificados de pruebas, según corresponda. | | | Derivado del comentario recibido de la CRE a través del oficio UH-250/1961/2023 al numeral 6.4.3.2 se modifica la redacción. | III. Constatar de forma documental que se cumplan con los requisitos del numeral 6.4.3.1, 6.4.3.3, 6.4.5.12 fracciones I y IV y 6.4.5.16 en los certificados de fabricación y certificados de pruebas, según corresponda. | |||||||||||||||||||||||||||||||||||||||||||||||||||||||||||||
| IV. Constatar de forma documental que se cumple con los requisitos del numeral 6.4.5.2, en el procedimiento de soldadura (WPS), registro de calificación del procedimiento (PQR) y el registro de calificación del rendimiento del soldador (WPQR). | | | | IV. Constatar de forma documental que se cumple con los requisitos del numeral 6.4.5.2, en el procedimiento de soldadura (WPS), registro de calificación del procedimiento (PQR) y el registro de calificación del rendimiento del soldador (WPQR). | |||||||||||||||||||||||||||||||||||||||||||||||||||||||||||||
| V. Constatar de forma documental en el reporte de exámenes no destructivos y el reporte de prueba hidrostática que se cumple con los requisitos del numeral 6.4.5.4 y 6.4.5.10 respectivamente. | | | | V. Constatar de forma documental en el reporte de exámenes no destructivos y el reporte de prueba hidrostática que se cumple con los requisitos del numeral 6.4.5.4 y 6.4.5.10 respectivamente. | |||||||||||||||||||||||||||||||||||||||||||||||||||||||||||||
| VI. Constatar físicamente en las tuberías y de forma documental que se cumple con los requisitos de los numerales 6.4.5.3, 6.4.5.5 al 6.4.5.7, 6.4.5.11, y 6.4.5.13 en los planos de la especialidad mecánica, y los numerales 6.4.5.8 y 6.4.5.9 en el reporte de pintura y prueba de adherencia. | | | | VI. Constatar físicamente en las tuberías y de forma documental que se cumple con los requisitos de los numerales 6.4.5.3, 6.4.5.5 al 6.4.5.7, 6.4.5.11, y 6.4.5.13 en los planos de la especialidad mecánica, y los numerales 6.4.5.8 y 6.4.5.9 en el reporte de pintura y prueba de adherencia. | |||||||||||||||||||||||||||||||||||||||||||||||||||||||||||||
| 8.2.2.4 Para evaluar el cumplimiento de los requisitos de la especialidad contra incendio se debe: | | | | 8.2.2.4 Para evaluar el cumplimiento de los requisitos de la especialidad contra incendio se debe: | |||||||||||||||||||||||||||||||||||||||||||||||||||||||||||||
| I. Constatar físicamente en la Instalación y de forma documental que se cumple con los requisitos del numeral 6.5.1.1, 6.5.1.2, 6.5.2.1 y 6.5.2.3 en los planos de la especialidad contraincendios. | | | | I. Constatar físicamente en la Instalación y de forma documental que se cumple con los requisitos del numeral 6.5.1.1, 6.5.1.2, 6.5.2.1 y 6.5.2.3 en los planos de la especialidad contraincendios. | |||||||||||||||||||||||||||||||||||||||||||||||||||||||||||||
| II. Constatar físicamente en la Instalación que se cumplan con los requisitos de los numerales 6.5.2.2. | | | | II. Constatar físicamente en la Instalación que se cumplan con los requisitos de los numerales 6.5.2.2. | |||||||||||||||||||||||||||||||||||||||||||||||||||||||||||||
| 8.2.2.5 Para evaluar el cumplimiento de los requisitos de la especialidad eléctrica se debe constatar que se cuenta con el Dictamen establecido en el numeral 6.6. | | | | 8.2.2.5 Para evaluar el cumplimiento de los requisitos de la especialidad eléctrica se debe constatar que se cuenta con el Dictamen establecido en el numeral 6.6. | |||||||||||||||||||||||||||||||||||||||||||||||||||||||||||||
| 8.2.2.6 Para evaluar el cumplimiento de los requisitos de protección al medio ambiente se debe: | | | | 8.2.2.6 Para evaluar el cumplimiento de los requisitos de protección al medio ambiente se debe: | |||||||||||||||||||||||||||||||||||||||||||||||||||||||||||||
| I. Constatar de forma documental que se cumple con los requisitos del numeral 6.7.1 en la bitácora correspondiente y, en su caso, en las constancias de manifiesto de entrega-recepción. | | | | I. Constatar de forma documental que se cumple con los requisitos del numeral 6.7.1 en la bitácora correspondiente y, en su caso, en las constancias de manifiesto de entrega-recepción. | |||||||||||||||||||||||||||||||||||||||||||||||||||||||||||||
| II. Constatar de forma documental que se cumple con el requisito del numeral 6.7.2 en la bitácora correspondiente y, en su caso, en los planos de la especialidad civil. | | | | II. Constatar de forma documental que se cumple con el requisito del numeral 6.7.2 en la bitácora correspondiente y, en su caso, en los planos de la especialidad civil. | |||||||||||||||||||||||||||||||||||||||||||||||||||||||||||||
| III. Constatar de forma documental que se cumple con los requisitos del numeral 6.7.3 en los reportes, bitácoras y/o etiquetas de mantenimiento de vehículos y maquinaria. | | | | III. Constatar de forma documental que se cumple con los requisitos del numeral 6.7.3 en los reportes, bitácoras y/o etiquetas de mantenimiento de vehículos y maquinaria. | |||||||||||||||||||||||||||||||||||||||||||||||||||||||||||||
| IV. Constatar de forma documental que se cumple con los requisitos del numeral 6.7.5 en los reportes de recepción del suministro del agua. | | | | IV. Constatar de forma documental que se cumple con los requisitos del numeral 6.7.5 en los reportes de recepción del suministro del agua. | |||||||||||||||||||||||||||||||||||||||||||||||||||||||||||||
| V. Constatar de forma documental que se cumple con los requisitos del numeral 6.7.4, 6.7.6, 6.7.7, 6.7.8, 6.7.9, y 6.7.11 en la bitácora de obra y/o en el reporte fotográfico. | | | | V. Constatar de forma documental que se cumple con los requisitos del numeral 6.7.4, 6.7.6, 6.7.7, 6.7.8, 6.7.9, y 6.7.11 en la bitácora de obra y/o en el reporte fotográfico. | |||||||||||||||||||||||||||||||||||||||||||||||||||||||||||||
| VI. Constatar de forma documental que se cumple con los requisitos del numeral 6.7.10 con las evidencias de difusión de dichas medidas. | | | | VI. Constatar de forma documental que se cumple con los requisitos del numeral 6.7.10 con las evidencias de difusión de dichas medidas. | |||||||||||||||||||||||||||||||||||||||||||||||||||||||||||||
| 8.2.2.7 Para evaluar el cumplimiento de los requisitos de Pre-arranque se debe: | | | | 8.2.2.7 Para evaluar el cumplimiento de los requisitos de Pre-arranque se debe: | |||||||||||||||||||||||||||||||||||||||||||||||||||||||||||||
| I. Constatar que se cumple el numeral 6.8.1.1 verificando que la Instalación no ha iniciado operaciones y que se ha desarrollado una RSPA. | | | | I. Constatar que se cumple el numeral 6.8.1.1 verificando que la Instalación no ha iniciado operaciones y que se ha desarrollado una RSPA. | |||||||||||||||||||||||||||||||||||||||||||||||||||||||||||||
| II. Constatar que se cumple con los requisitos del numeral 6.8.1.3 fracciones I y II, en el acta o minuta de conformación del grupo responsable de realizar la RSPA. | | | | II. Constatar que se cumple con los requisitos del numeral 6.8.1.3 fracciones I y II, en el acta o minuta de conformación del grupo responsable de realizar la RSPA. | |||||||||||||||||||||||||||||||||||||||||||||||||||||||||||||
| III. Constatar en las listas de verificación y minutas correspondientes, que el grupo responsable de la RSPA haya revisado de forma documental la totalidad de los requisitos establecidos en el numeral 6.8.2 y registrado los resultados (Hallazgos). | | | | III. Constatar en las listas de verificación y minutas correspondientes, que el grupo responsable de la RSPA haya revisado de forma documental la totalidad de los requisitos establecidos en el numeral 6.8.2 y registrado los resultados (Hallazgos). | |||||||||||||||||||||||||||||||||||||||||||||||||||||||||||||
| IV. Constatar en las listas de verificación y minutas correspondientes, que el grupo responsable de la RSPA haya revisado físicamente la totalidad de los requisitos establecidos en el numeral 6.8.3 y registrado los resultados (Hallazgos). | | | | IV. Constatar en las listas de verificación y minutas correspondientes, que el grupo responsable de la RSPA haya revisado físicamente la totalidad de los requisitos establecidos en el numeral 6.8.3 y registrado los resultados (Hallazgos). | |||||||||||||||||||||||||||||||||||||||||||||||||||||||||||||
| V. Si como resultado de la revisión documental y física del 6.8.2 y 6.8.3 se encontraron Hallazgos, constatar que se cuenta con un programa de atención de acuerdo con lo establecido en el numeral 6.8.4.1 y 6.8.4.2. | | | | V. Si como resultado de la revisión documental y física del 6.8.2 y 6.8.3 se encontraron Hallazgos, constatar que se cuenta con un programa de atención de acuerdo con lo establecido en el numeral 6.8.4.1 y 6.8.4.2. | |||||||||||||||||||||||||||||||||||||||||||||||||||||||||||||
| VI. Si como resultado de la revisión documental y física del 6.8.2 y 6.8.3 se encontraron Hallazgos, constatar que se atendieron las recomendaciones del programa de acuerdo con lo establecido en los numerales 6.8.4.3 y 6.8.4.4. | | | | VI. Si como resultado de la revisión documental y física del 6.8.2 y 6.8.3 se encontraron Hallazgos, constatar que se atendieron las recomendaciones del programa de acuerdo con lo establecido en los numerales 6.8.4.3 y 6.8.4.4. | |||||||||||||||||||||||||||||||||||||||||||||||||||||||||||||
| VII. En caso de que se tengan recomendaciones derivadas de la actualización del Análisis de Riesgos para el Sector Hidrocarburos para la etapa de Construcción, constatar físicamente en la Instalación y/o de forma documental que dichas recomendaciones hayan sido atendidas. | | | | VII. En caso de que se tengan recomendaciones derivadas de la actualización del Análisis de Riesgos para el Sector Hidrocarburos para la etapa de Construcción, constatar físicamente en la Instalación y/o de forma documental que dichas recomendaciones hayan sido atendidas. | |||||||||||||||||||||||||||||||||||||||||||||||||||||||||||||
| 8.2.3 Para la Evaluación de la Conformidad del capítulo 7. Operación y Mantenimiento de este Proyecto de Norma Oficial Mexicana se debe constatar de manera documental y física que se cumpla con lo indicado a continuación: | | | Se modifica la referencia al instrumento regulatorio conforme a la etapa en la que se encuentra. | 8.2.3 Para la Evaluación de la Conformidad del capítulo 7. Operación y Mantenimiento de esta Norma Oficial Mexicana se debe constatar de manera documental y física que se cumpla con lo indicado a continuación: | |||||||||||||||||||||||||||||||||||||||||||||||||||||||||||||
| 8.2.3.1 Constatar que se cuenta con los documentos de los numerales 7.1.1 y 7.2.1. | | | | 8.2.3.1 Constatar que se cuenta con los documentos de los numerales 7.1.1 y 7.2.1. | |||||||||||||||||||||||||||||||||||||||||||||||||||||||||||||
| 8.2.3.2 Constatar de forma documental que los procedimientos cumplen con los requisitos del numeral 7.1.2 y que se cuenta con las constancias de capacitación del personal operativo sobre dichos procedimientos. | | | | 8.2.3.2 Constatar de forma documental que los procedimientos cumplen con los requisitos del numeral 7.1.2 y que se cuenta con las constancias de capacitación del personal operativo sobre dichos procedimientos. | |||||||||||||||||||||||||||||||||||||||||||||||||||||||||||||
| 8.2.3.3 Cuando la Instalación haya estado fuera de operación debido a paros por accidentes, por logística de operación, por fines comerciales, por reubicación de equipos u otro motivo que no haya implicado modificaciones al Diseño original, constatar de forma documental que previo al reinicio de operaciones se realizó una RSPA de acuerdo con lo establecido en el numeral 6.8. | | | | 8.2.3.3 Cuando la Instalación haya estado fuera de operación debido a paros por accidentes, por logística de operación, por fines comerciales, por reubicación de equipos u otro motivo que no haya implicado modificaciones al Diseño original, constatar de forma documental que previo al reinicio de operaciones se realizó una RSPA de acuerdo con lo establecido en el numeral 6.8. | |||||||||||||||||||||||||||||||||||||||||||||||||||||||||||||
| 8.2.3.4 Constatar de forma documental que se cuenta con el programa anual de inspecciones y pruebas de acuerdo con los requisitos del numeral 7.2.2 y verificar que se lleve registro en la bitácora o reporte. | | | | 8.2.3.4 Constatar de forma documental que se cuenta con el programa anual de inspecciones y pruebas de acuerdo con los requisitos del numeral 7.2.2 y verificar que se lleve registro en la bitácora o reporte. | |||||||||||||||||||||||||||||||||||||||||||||||||||||||||||||
| 8.2.3.5 Constatar de forma documental en el programa anual de capacitación y entrenamiento del personal, que se cumple con los requisitos del numeral 7.3. | | | | 8.2.3.5 Constatar de forma documental en el programa anual de capacitación y entrenamiento del personal, que se cumple con los requisitos del numeral 7.3. | |||||||||||||||||||||||||||||||||||||||||||||||||||||||||||||
| 8.2.3.6 Constatar físicamente en la Instalación que se cumple con el requisito del numeral 7.2.2 fracción IX. | | | | 8.2.3.6 Constatar físicamente en la Instalación que se cumple con el requisito del numeral 7.2.2 fracción IX. | |||||||||||||||||||||||||||||||||||||||||||||||||||||||||||||
| 8.2.3.7 En caso de que se tengan recomendaciones derivadas de la actualización del Análisis de Riesgos para el Sector Hidrocarburos para la etapa de Operación y Mantenimiento, se debe constatar en el manual de operación y/o mantenimiento, según corresponda, que se aplicaron las recomendaciones resultantes de dicho análisis. | | | | 8.2.3.7 En caso de que se tengan recomendaciones derivadas de la actualización del Análisis de Riesgos para el Sector Hidrocarburos para la etapa de Operación y Mantenimiento, se debe constatar en el manual de operación y/o mantenimiento, según corresponda, que se aplicaron las recomendaciones resultantes de dicho análisis. | |||||||||||||||||||||||||||||||||||||||||||||||||||||||||||||
| 9. Grado de concordancia con normas nacionales e internacionales Este Proyecto de Norma Oficial Mexicana no coincide con ninguna norma nacional o internacional, por no existir al momento de su elaboración. | | | Se modifica la referencia al instrumento regulatorio conforme a la etapa en la que se encuentra. | 9. Grado de concordancia con normas nacionales e internacionales Esta Norma Oficial Mexicana no coincide con ninguna norma nacional o internacional, por no existir al momento de su elaboración. | |||||||||||||||||||||||||||||||||||||||||||||||||||||||||||||
| 10. Vigilancia de la Norma La vigilancia del cumplimiento del presente Proyecto de Norma Oficial Mexicana corresponde a la Agencia. | | | Se modifica la referencia al instrumento regulatorio conforme a la etapa en la que se encuentra. | 10. Vigilancia de la Norma La vigilancia del cumplimiento de la presente Norma Oficial Mexicana corresponde a la Agencia. | |||||||||||||||||||||||||||||||||||||||||||||||||||||||||||||
| 11. Bibliografía Para la elaboración del presente Proyecto de Norma Oficial Mexicana se consultaron los documentos siguientes: | | | Se modifica la referencia al instrumento regulatorio conforme a la etapa en la que se encuentra. | 11. Bibliografía Para la elaboración de la presente Norma Oficial Mexicana se consultaron los documentos siguientes: | |||||||||||||||||||||||||||||||||||||||||||||||||||||||||||||
| 11.1 NOM-005-ASEA-2016, Diseño, construcción, operación y mantenimiento de Estaciones de Servicio para almacenamiento y expendio de diésel y gasolinas. Publicada en el Diario Oficial de la Federación el 7 de noviembre de 2016. | | | | 11.1 NOM-005-ASEA-2016, Diseño, construcción, operación y mantenimiento de Estaciones de Servicio para almacenamiento y expendio de diésel y gasolinas. Publicada en el Diario Oficial de la Federación el 7 de noviembre de 2016. | |||||||||||||||||||||||||||||||||||||||||||||||||||||||||||||
| 11.2 NOM-010-ASEA-2016, Gas Natural Comprimido (GNC). Requisitos mínimos de seguridad para Terminales de Carga y Terminales de Descarga de Módulos de almacenamiento transportables y Estaciones de Suministro de vehículos automotores. Publicada en el Diario Oficial de la Federación el 23 de agosto de 2017. | | | | 11.2 NOM-010-ASEA-2016, Gas Natural Comprimido (GNC). Requisitos mínimos de seguridad para Terminales de Carga y Terminales de Descarga de Módulos de almacenamiento transportables y Estaciones de Suministro de vehículos automotores. Publicada en el Diario Oficial de la Federación el 23 de agosto de 2017. | |||||||||||||||||||||||||||||||||||||||||||||||||||||||||||||
| 11.3 NOM-011-ASEA-2019, Bodegas de guarda para distribución y bodegas de expendio de gas licuado de petróleo, mediante recipientes portátiles y recipientes transportables sujetos a presión. Publicada en el Diario Oficial de la Federación el 19 de agosto de 2019. | | | | 11.3 NOM-011-ASEA-2019, Bodegas de guarda para distribución y bodegas de expendio de gas licuado de petróleo, mediante recipientes portátiles y recipientes transportables sujetos a presión. Publicada en el Diario Oficial de la Federación el 19 de agosto de 2019. | |||||||||||||||||||||||||||||||||||||||||||||||||||||||||||||
| 11.4 NOM-001-SEDE-2012.- Instalaciones Eléctricas (utilización). Publicada en el Diario Oficial de la Federación el 29 de noviembre de 2012. | | | | 11.4 NOM-001-SEDE-2012.- Instalaciones Eléctricas (utilización). Publicada en el Diario Oficial de la Federación el 29 de noviembre de 2012. | |||||||||||||||||||||||||||||||||||||||||||||||||||||||||||||
| 11.5 NOM-001-STPS-2008, Edificios, locales, instalaciones y áreas en los centros de trabajo-Condiciones de seguridad. Publicada en el Diario Oficial de la Federación el 24 de noviembre de 2008. | | | | 11.5 NOM-001-STPS-2008, Edificios, locales, instalaciones y áreas en los centros de trabajo-Condiciones de seguridad. Publicada en el Diario Oficial de la Federación el 24 de noviembre de 2008. | |||||||||||||||||||||||||||||||||||||||||||||||||||||||||||||
| 11.6 NOM-002-STPS-2010, Condiciones de seguridad-Prevención y protección contra incendios en los centros de trabajo. Publicada en el Diario Oficial de la Federación el 9 de diciembre de 2010. | | | | 11.6 NOM-002-STPS-2010, Condiciones de seguridad-Prevención y protección contra incendios en los centros de trabajo. Publicada en el Diario Oficial de la Federación el 9 de diciembre de 2010. | |||||||||||||||||||||||||||||||||||||||||||||||||||||||||||||
| 11.7 NOM-022-STPS-2015, Electricidad estática en los centros de trabajo-Condiciones de seguridad. Publicada en el Diario Oficial de la Federación el 1 de abril de 2016. | | | | 11.7 NOM-022-STPS-2015, Electricidad estática en los centros de trabajo-Condiciones de seguridad. Publicada en el Diario Oficial de la Federación el 1 de abril de 2016. | |||||||||||||||||||||||||||||||||||||||||||||||||||||||||||||
| 11.8 NOM-026-STPS-2008.- Colores y señales de seguridad e higiene, e identificación de riesgos por fluidos conducidos en tuberías. Publicada en el Diario Oficial de la Federación el 25 de noviembre de 2008. | | | | 11.8 NOM-026-STPS-2008.- Colores y señales de seguridad e higiene, e identificación de riesgos por fluidos conducidos en tuberías. Publicada en el Diario Oficial de la Federación el 25 de noviembre de 2008. | |||||||||||||||||||||||||||||||||||||||||||||||||||||||||||||
| 11.9 NOM-008-SCFI-2002.- Sistema General de Unidades de Medida. Publicada en el Diario Oficial de la Federación el 27 de noviembre de 2002. | | | | 11.9 NOM-008-SCFI-2002.- Sistema General de Unidades de Medida. Publicada en el Diario Oficial de la Federación el 27 de noviembre de 2002. | |||||||||||||||||||||||||||||||||||||||||||||||||||||||||||||
| 11.10 Disposiciones administrativas de carácter general que establecen los lineamientos para la conformación, implementación y autorización de los Sistemas de Administración de Seguridad Industrial, Seguridad Operativa y Protección al Medio Ambiente aplicables a las actividades el Sector Hidrocarburos que se indican. Publicadas en el Diario Oficial de la Federación el 13 de mayo de 2016. Última modificación publicada en el Diario Oficial de la Federación el 4 de mayo de 2020. | | | | 11.10 Disposiciones administrativas de carácter general que establecen los lineamientos para la conformación, implementación y autorización de los Sistemas de Administración de Seguridad Industrial, Seguridad Operativa y Protección al Medio Ambiente aplicables a las actividades el Sector Hidrocarburos que se indican. Publicadas en el Diario Oficial de la Federación el 13 de mayo de 2016. Última modificación publicada en el Diario Oficial de la Federación el 4 de mayo de 2020. | |||||||||||||||||||||||||||||||||||||||||||||||||||||||||||||
| 11.11 Disposiciones administrativas de carácter general que establecen los Lineamientos para la elaboración de los protocolos de respuesta a emergencias en las actividades del Sector Hidrocarburos. Publicadas en el Diario Oficial de la Federación el 22 de marzo de 2019. | | | | 11.11 Disposiciones administrativas de carácter general que establecen los Lineamientos para la elaboración de los protocolos de respuesta a emergencias en las actividades del Sector Hidrocarburos. Publicadas en el Diario Oficial de la Federación el 22 de marzo de 2019. | |||||||||||||||||||||||||||||||||||||||||||||||||||||||||||||
| 11.12 Guía de respuesta en caso de emergencia 2020. | | | | 11.12 Guía de respuesta en caso de emergencia 2020. | |||||||||||||||||||||||||||||||||||||||||||||||||||||||||||||
| 11.13 Guía para el Desarrollo de un programa de inspección basada en riesgo (IBR) en instalaciones del sector hidrocarburos publicada en: https://www.gob.mx/cms/ uploads/attachment/file/ 526938/Gu_a_IBR_13012020.pdf | | | | 11.13 Guía para el Desarrollo de un programa de inspección basada en riesgo (IBR) en instalaciones del sector hidrocarburos publicada en: https:// www.gob.mx/cms/uploads/ attachment/file/526938/ Gu_a_IBR_13012020.pdf | |||||||||||||||||||||||||||||||||||||||||||||||||||||||||||||
| 11.14 ISO 13623: 2017.- Petroleum and natural gas industries - Pipeline transportation systems. (Industrias del petróleo y del gas natural. Sistemas de transporte por tuberías). | | | | 11.14 ISO 13623: 2017.- Petroleum and natural gas industries - Pipeline transportation systems. (Industrias del petróleo y del gas natural. Sistemas de transporte por tuberías). | |||||||||||||||||||||||||||||||||||||||||||||||||||||||||||||
| 11.15 ISO 16923:2016, Natural gas fuelling stations¬ - GNC stations for fuelling vehicles. (Estaciones de servicio de gas natural - Estaciones de GNC para repostar vehículos). | | | | 11.15 ISO 16923:2016, Natural gas fuelling stations - GNC stations for fuelling vehicles. (Estaciones de servicio de gas natural - Estaciones de GNC para repostar vehículos). | |||||||||||||||||||||||||||||||||||||||||||||||||||||||||||||
| 11.16 NFPA-20-2019, Standard for the Installation of Stationary Pumps for Fire Protection. (Norma para la instalación de bombas estacionarias para protección contra Incendios). | | | | 11.16 NFPA-20-2019, Standard for the Installation of Stationary Pumps for Fire Protection. (Norma para la instalación de bombas estacionarias para protección contra Incendios). | |||||||||||||||||||||||||||||||||||||||||||||||||||||||||||||
| 11.17 NFPA 24:2019, Standard for the installation of private Fire Service mains and their Appurtenances. (Norma para la instalación de redes privadas de servicio contra incendios y sus accesorios). | | | | 11.17 NFPA 24:2019, Standard for the installation of private Fire Service mains and their Appurtenances. (Norma para la instalación de redes privadas de servicio contra incendios y sus accesorios). | |||||||||||||||||||||||||||||||||||||||||||||||||||||||||||||
| 11.18 NFPA 52 :2019, Vehicular Natural Gas Fuel Systems Code. (Código de sistemas de combustible de gas natural vehicular). | | | | 11.18 NFPA 52 :2019, Vehicular Natural Gas Fuel Systems Code. (Código de sistemas de combustible de gas natural vehicular). | |||||||||||||||||||||||||||||||||||||||||||||||||||||||||||||
| 11.19 NAG 443:2009, Norma Argentina para el proyecto, construcción, operación y mantenimiento de Plantas de Carga y Descarga de GNC y GNP a granel. | | | | 11.19 NAG 443:2009, Norma Argentina para el proyecto, construcción, operación y mantenimiento de Plantas de Carga y Descarga de GNC y GNP a granel. | |||||||||||||||||||||||||||||||||||||||||||||||||||||||||||||
| 11.20 NAG 418 / GE - N 1-118:1992, Reglamentación para Estaciones de Carga de GNC. | | | | 11.20 NAG 418 / GE - N 1-118:1992, Reglamentación para Estaciones de Carga de GNC. | |||||||||||||||||||||||||||||||||||||||||||||||||||||||||||||
| 11.21 NAG 201: 1985 (ADENDA No. 1 Año 2016), Disposiciones, Normas y recomendaciones para su uso de Gas Natural en Instalaciones Eléctricas. | | | | 11.21 NAG 201: 1985 (ADENDA No. 1 Año 2016), Disposiciones, Normas y recomendaciones para su uso de Gas Natural en Instalaciones Eléctricas. | |||||||||||||||||||||||||||||||||||||||||||||||||||||||||||||
| 11.22 NAG 441 / GE-N1-141: Equipos de compresión para Estaciones de Carga de Gas Natural Comprimido. | | | | 11.22 NAG 441 / GE-N1-141: Equipos de compresión para Estaciones de Carga de Gas Natural Comprimido. | |||||||||||||||||||||||||||||||||||||||||||||||||||||||||||||
| 11.23 NTP 111.031:2008, GAS NATURAL SECO: Estación de compresión, módulos contenedores o de almacenamiento, y estación de descarga para el gas natural comprimido (GNC). | | | | 11.23 NTP 111.031:2008, GAS NATURAL SECO: Estación de compresión, módulos contenedores o de almacenamiento, y estación de descarga para el gas natural comprimido (GNC). | |||||||||||||||||||||||||||||||||||||||||||||||||||||||||||||
| 11.24 NTP 111.019 :2007, GAS NATURAL SECO. Estación de servicio para venta al público de gas natural vehicular (GNV). | | | | 11.24 NTP 111.019 :2007, GAS NATURAL SECO. Estación de servicio para venta al público de gas natural vehicular (GNV). | |||||||||||||||||||||||||||||||||||||||||||||||||||||||||||||
| 11.25 NTP-111.010: 2003, GAS NATURAL SECO. Estación de servicio para venta al público de gas natural vehicular (GNV). | | | | 11.25 NTP-111.010: 2003, GAS NATURAL SECO. Estación de servicio para venta al público de gas natural vehicular (GNV). | |||||||||||||||||||||||||||||||||||||||||||||||||||||||||||||
| 11.26 Reglamento de diseño, construcción, operación de redes de gas natural e instalaciones internas, Anexo 6 Aprobado mediante RA - ANH - UN N° 0002/2019. | | | | 11.26 Reglamento de diseño, construcción, operación de redes de gas natural e instalaciones internas, Anexo 6 Aprobado mediante RA - ANH - UN N° 0002/2019. | |||||||||||||||||||||||||||||||||||||||||||||||||||||||||||||
![]() | | | | ![]() | |||||||||||||||||||||||||||||||||||||||||||||||||||||||||||||
| TRANSITORIOS PRIMERO. - El presente Proyecto de Norma Oficial Mexicana, PROY-NOM-015-ASEA-2023, Descompresión de Gas Natural Comprimido, entrará en vigor a los 180 días naturales posteriores a su publicación en el Diario Oficial de la Federación. | | | Se modifica la referencia al instrumento regulatorio conforme a la etapa en la que se encuentra. | TRANSITORIOS PRIMERO. - La presente Norma Oficial Mexicana, NOM-015-ASEA-2023, Descompresión de Gas Natural Comprimido, entrará en vigor a los 180 días naturales posteriores a su publicación en el Diario Oficial de la Federación. | |||||||||||||||||||||||||||||||||||||||||||||||||||||||||||||
| SEGUNDO. - Los Regulados que cuenten con Instalaciones de Descompresión de GNC y que estén operando a la fecha de entrada en vigor del presente Proyecto de Norma Oficial Mexicana, contarán con 90 días naturales para cumplir con lo establecido en el capítulo 7. Operación y Mantenimiento del presente Proyecto de Norma Oficial Mexicana. | | | Se modifica la referencia al instrumento regulatorio conforme a la etapa en la que se encuentra. | SEGUNDO. - Los Regulados que cuenten con Instalaciones de Descompresión de GNC y que estén operando a la fecha de entrada en vigor de la presente Norma Oficial Mexicana, contarán con 90 días naturales para cumplir con lo establecido en el capítulo 7. Operación y Mantenimiento de la presente Norma Oficial Mexicana. | |||||||||||||||||||||||||||||||||||||||||||||||||||||||||||||
| TERCERO. - Los Regulados que cuenten con Instalaciones de Descompresión de GNC y que estén operando a la fecha de entrada en vigor del presente Proyecto de Norma Oficial Mexicana, no les serán aplicables los capítulos 5. Diseño y 6. Construcción, y les serán exigibles las normas y estándares de diseño y construcción que hubieren sido aplicables en dichas etapas; con excepción de aquellos que realicen cualquier modificación al Diseño original de la Instalación. | | | Se modifica la referencia al instrumento regulatorio conforme a la etapa en la que se encuentra. | TERCERO. - Los Regulados que cuenten con Instalaciones de Descompresión de GNC y que estén operando a la fecha de entrada en vigor de la presente Norma Oficial Mexicana, no les serán aplicables los capítulos 5. Diseño y 6. Construcción, y les serán exigibles las normas y estándares de diseño y construcción que hubieren sido aplicables en dichas etapas; con excepción de aquellos que realicen cualquier modificación al Diseño original de la Instalación. | |||||||||||||||||||||||||||||||||||||||||||||||||||||||||||||
| -Sin texto- | | | Derivado de los comentarios recibidos de la Asociación Mexicana de Gas Natural al numeral 2. Campo de aplicación se integra el Cuarto Transitorio. | CUARTO. - Los Regulados que a la fecha de entrada en vigor de la presente Norma Oficial Mexicana cuenten con Instalaciones de Descompresión de Gas Natural Comprimido en cualquiera de las etapas de desarrollo del Proyecto, no les serán aplicables los requisitos establecidos para las terminales de descarga previstos en la NOM-010-ASEA-2016, y les será exigible el cumplimiento de la presente Norma Oficial Mexicana. | |||||||||||||||||||||||||||||||||||||||||||||||||||||||||||||
| Apéndice A (Informativo) Informe Preventivo para la Evaluación del Impacto Ambiental del Proyecto de Descompresión de GNC | | | | Apéndice A (Informativo) Informe Preventivo para la Evaluación del Impacto Ambiental del Proyecto de Descompresión de GNC | |||||||||||||||||||||||||||||||||||||||||||||||||||||||||||||
| A.1. Para el caso de proyectos de Descompresión, que se realicen en Instalaciones con superficies previamente impactadas y/o que se ubiquen en Zonas urbanas, suburbanas e industriales y que se desarrollen dentro de los límites del predio del usuario final y antes de iniciar la Construcción, el Regulado podrá presentar un Informe Preventivo para la Evaluación del Impacto Ambiental del proyecto de Descompresión si los requisitos indicados en los numerales 6.7 y A.5 de este Proyecto de Norma Oficial Mexicana permiten prevenir, controlar y/o mitigar los posibles impactos ambientales provocados por el desarrollo del proyecto durante sus diferentes etapas. Para el caso en donde, la Instalación del usuario final cuente con autorización de impacto ambiental emitida por la autoridad competente correspondiente, deberán anexarla al trámite pretendido. | | | Se modifica la referencia al instrumento regulatorio conforme a la etapa en la que se encuentra. | A.1. Para el caso de proyectos de Descompresión, que se realicen en Instalaciones con superficies previamente impactadas y/o que se ubiquen en Zonas urbanas, suburbanas e industriales y que se desarrollen dentro de los límites del predio del usuario final y antes de iniciar la Construcción, el Regulado podrá presentar un Informe Preventivo para la Evaluación del Impacto Ambiental del proyecto de Descompresión si los requisitos indicados en los numerales 6.7 y A.5 de esta Norma Oficial Mexicana permiten prevenir, controlar y/o mitigar los posibles impactos ambientales provocados por el desarrollo del proyecto durante sus diferentes etapas. Para el caso en donde, la Instalación del usuario final cuente con autorización de impacto ambiental emitida por la autoridad competente correspondiente, deberán anexarla al trámite pretendido. | |||||||||||||||||||||||||||||||||||||||||||||||||||||||||||||
| A.2. El Informe Preventivo deberá presentarse de conformidad con lo establecido en los artículos 29 y 31 de la Ley General del Equilibrio Ecológico y la Protección al Ambiente, así como los artículos 29, 30, 31, 32 y 33 del Reglamento en materia de Evaluación del Impacto Ambiental, y deberá considerar la totalidad de los requisitos establecidos en los numerales 6.7 y A.5 de este Proyecto de Norma Oficial Mexicana. | | | Se modifica la referencia al instrumento regulatorio conforme a la etapa en la que se encuentra. | A.2. El Informe Preventivo deberá presentarse de conformidad con lo establecido en los artículos 29 y 31 de la Ley General del Equilibrio Ecológico y la Protección al Ambiente, así como los artículos 29, 30, 31, 32 y 33 del Reglamento en materia de Evaluación del Impacto Ambiental, y deberá considerar la totalidad de los requisitos establecidos en los numerales 6.7 y A.5 de esta Norma Oficial Mexicana. | |||||||||||||||||||||||||||||||||||||||||||||||||||||||||||||
| A.3. En su caso, el Informe Preventivo deberá acompañarse con su respectivo Estudio de Riesgo Ambiental. Asimismo, iniciando la etapa de Operación se deberá actualizar y presentar el Estudio de Riesgo y el Programa para la Prevención de Accidentes correspondiente, de acuerdo con el artículo 147 de la Ley General del Equilibrio Ecológico y la Protección al Ambiente y con la regulación aplicable. | | | | A.3. En su caso, el Informe Preventivo deberá acompañarse con su respectivo Estudio de Riesgo Ambiental. Asimismo, iniciando la etapa de Operación se deberá actualizar y presentar el Estudio de Riesgo y el Programa para la Prevención de Accidentes correspondiente, de acuerdo con el artículo 147 de la Ley General del Equilibrio Ecológico y la Protección al Ambiente y con la regulación aplicable. | |||||||||||||||||||||||||||||||||||||||||||||||||||||||||||||
| A.4. En el supuesto en el que se realicen proyectos de Descompresión, en Instalaciones con superficies previamente impactadas y/o que se ubiquen en Zonas urbanas, suburbanas e industriales y que se desarrollen dentro de los límites del predio del usuario final, con pretendida ubicación en áreas naturales protegidas, sitios RAMSAR (ecosistemas costeros o de humedales), áreas que cuenten con vegetación forestal de conformidad a lo establecido en la Ley General de Desarrollo Forestal Sustentable; humedales, manglares, lagunas, ríos, lagos y esteros conectados con el mar, así como en sus litorales o zonas federales; hábitat crítico para la conservación de la vida silvestre; áreas donde existan especies en alguna categoría de riesgo de acuerdo con la Norma Oficial Mexicana NOM-059-SEMARNAT-2010 o aquella que la sustituya; áreas donde no estén permitidas dichas actividades de conformidad con lo establecido dentro de los ordenamientos ecológicos del territorio y ordenamientos jurídicos regionales, estatales y locales aplicables, así como los Programas de Desarrollo Urbano Vigentes, deberán anexar la autorización de impacto ambiental emitida previamente por la autoridad competente correspondiente, para que la ASEA en ejercicio de sus facultades, determine lo conducente, de conformidad con el artículo 29 y 31 de la Ley General del Equilibrio Ecológico y la Protección al Ambiente. | | | | A.4. En el supuesto en el que se realicen proyectos de Descompresión, en Instalaciones con superficies previamente impactadas y/o que se ubiquen en Zonas urbanas, suburbanas e industriales y que se desarrollen dentro de los límites del predio del usuario final, con pretendida ubicación en áreas naturales protegidas, sitios RAMSAR (ecosistemas costeros o de humedales), áreas que cuenten con vegetación forestal de conformidad a lo establecido en la Ley General de Desarrollo Forestal Sustentable; humedales, manglares, lagunas, ríos, lagos y esteros conectados con el mar, así como en sus litorales o zonas federales; hábitat crítico para la conservación de la vida silvestre; áreas donde existan especies en alguna categoría de riesgo de acuerdo con la Norma Oficial Mexicana NOM-059-SEMARNAT-2010 o aquella que la sustituya; áreas donde no estén permitidas dichas actividades de conformidad con lo establecido dentro de los ordenamientos ecológicos del territorio y ordenamientos jurídicos regionales, estatales y locales aplicables, así como los Programas de Desarrollo Urbano Vigentes, deberán anexar la autorización de impacto ambiental emitida previamente por la autoridad competente correspondiente, para que la ASEA en ejercicio de sus facultades, determine lo conducente, de conformidad con el artículo 29 y 31 de la Ley General del Equilibrio Ecológico y la Protección al Ambiente. | |||||||||||||||||||||||||||||||||||||||||||||||||||||||||||||
| A.5. Requisitos en materia ambiental para proyectos de Descompresión A.5.1. Cuando se requiera instalar campamentos, almacenes, oficinas y patios de maniobra, éstos deben ser temporales y ubicarse en zonas ya perturbadas, preferentemente aledaños a la Zona urbana. | | | | A.5. Requisitos en materia ambiental para proyectos de Descompresión A.5.1. Cuando se requiera instalar campamentos, almacenes, oficinas y patios de maniobra, éstos deben ser temporales y ubicarse en zonas ya perturbadas, preferentemente aledaños a la Zona urbana. | |||||||||||||||||||||||||||||||||||||||||||||||||||||||||||||
| A.5.2. Se deben utilizar los caminos de acceso ya existentes. | | | | A.5.2. Se deben utilizar los caminos de acceso ya existentes. | |||||||||||||||||||||||||||||||||||||||||||||||||||||||||||||
| A.5.3. Derivado de las obras o actividades de cualquiera de las etapas del proyecto en el predio correspondiente, y ante la presencia de algún tipo de contaminante, se deberá realizar la caracterización del sitio, para en su caso proceder a la remediación del suelo conforme a la normatividad vigente aplicable. | | | | A.5.3. Derivado de las obras o actividades de cualquiera de las etapas del proyecto en el predio correspondiente, y ante la presencia de algún tipo de contaminante, se deberá realizar la caracterización del sitio, para en su caso proceder a la remediación del suelo conforme a la normatividad vigente aplicable. | |||||||||||||||||||||||||||||||||||||||||||||||||||||||||||||
| A.5.4. Las actividades de deshierbe deben de realizarse exclusivamente dentro del predio autorizado del proyecto. | | | | A.5.4. Las actividades de deshierbe deben de realizarse exclusivamente dentro del predio autorizado del proyecto. | |||||||||||||||||||||||||||||||||||||||||||||||||||||||||||||
| A.5.5. Todos los vehículos y maquinaria pesada deberán transitar estrictamente por los caminos de acceso, maniobrando exclusivamente en las áreas de trabajo, para evitar la proliferación de caminos que dañen la vegetación y modifiquen las características del suelo. | | | | A.5.5. Todos los vehículos y maquinaria pesada deberán transitar estrictamente por los caminos de acceso, maniobrando exclusivamente en las áreas de trabajo, para evitar la proliferación de caminos que dañen la vegetación y modifiquen las características del suelo. | |||||||||||||||||||||||||||||||||||||||||||||||||||||||||||||
| A.5.6. Se debe asegurar que los vehículos utilizados para el transporte de material o personal del proyecto de Descompresión cumplan con lo establecido por las NOM-041-SEMARNAT-2015 o aquella que la sustituya, y NOM-045-SEMARNAT-2006 o aquella que la sustituya. | | | | A.5.6. Se debe asegurar que los vehículos utilizados para el transporte de material o personal del proyecto de Descompresión cumplan con lo establecido por las NOM-041-SEMARNAT-2015 o aquella que la sustituya, y NOM-045-SEMARNAT-2006 o aquella que la sustituya. | |||||||||||||||||||||||||||||||||||||||||||||||||||||||||||||
| A.5.7. Cuando se realicen actividades con uso de maquinaria y equipo que generen emisiones de ruido, éstas deberán realizarse en horario diurno y cumpliendo con la NOM-080-SEMARNAT-1994 o aquella que la sustituya, y la NOM-081-SEMARNAT-1994 o aquella que la sustituya, según aplique, con objeto de disminuir el desplazamiento de especies y afectación a la población cercana, por efecto de niveles de ruido. | | | | A.5.7. Cuando se realicen actividades con uso de maquinaria y equipo que generen emisiones de ruido, éstas deberán realizarse en horario diurno y cumpliendo con la NOM-080-SEMARNAT-1994 o aquella que la sustituya, y la NOM-081-SEMARNAT-1994 o aquella que la sustituya, según aplique, con objeto de disminuir el desplazamiento de especies y afectación a la población cercana, por efecto de niveles de ruido. | |||||||||||||||||||||||||||||||||||||||||||||||||||||||||||||
| A.5.8. Para la presentación del Informe Preventivo, se deberá identificar todas las especies de flora y fauna que existan en el sitio del proyecto, verificando, además, si alguna de ellas se encuentra listada en la NOM-059-SEMARNAT-2010 o aquella que la sustituya. | | | | A.5.8. Para la presentación del Informe Preventivo, se deberá identificar todas las especies de flora y fauna que existan en el sitio del proyecto, verificando, además, si alguna de ellas se encuentra listada en la NOM-059-SEMARNAT-2010 o aquella que la sustituya. | |||||||||||||||||||||||||||||||||||||||||||||||||||||||||||||
| A.5.9. Se debe capacitar y sensibilizar al personal respecto de las especies que pudieran ser afectadas durante todas las etapas del proyecto. | | | | A.5.9. Se debe capacitar y sensibilizar al personal respecto de las especies que pudieran ser afectadas durante todas las etapas del proyecto. | |||||||||||||||||||||||||||||||||||||||||||||||||||||||||||||
| A.5.10. Se debe evitar cazar y/o recolectar cualquier especie de flora y fauna en el sitio del proyecto o cercana a éste durante todas las etapas del proyecto. | | | | A.5.10. Se debe evitar cazar y/o recolectar cualquier especie de flora y fauna en el sitio del proyecto o cercana a éste durante todas las etapas del proyecto. | |||||||||||||||||||||||||||||||||||||||||||||||||||||||||||||
| A.5.11. Para la gestión integral de los residuos generados en cualquier etapa del proyecto de Descompresión se deberá cumplir con la regulación aplicable correspondiente. | | | | A.5.11. Para la gestión integral de los residuos generados en cualquier etapa del proyecto de Descompresión se deberá cumplir con la regulación aplicable correspondiente. | |||||||||||||||||||||||||||||||||||||||||||||||||||||||||||||
| A.5.12. Una vez que la Instalación de Descompresión de Gas Natural Comprimido o parte de ella deje de ser útil para los fines para los que fue instalada, el Regulado debe tomar las medidas y cumplir con la legislación y normatividad vigentes aplicables. | | | | A.5.12. Una vez que la Instalación de Descompresión de Gas Natural Comprimido o parte de ella deje de ser útil para los fines para los que fue instalada, el Regulado debe tomar las medidas y cumplir con la legislación y normatividad vigentes aplicables. | |||||||||||||||||||||||||||||||||||||||||||||||||||||||||||||
| A.5.13. Cuando todas aquellas Instalaciones superficiales, así como edificaciones dejen de ser útiles para los propósitos para los que fueron instalados, se procederá al desmantelamiento y abandono, restaurando dicho sitio a sus condiciones originales. Esto aplicará de igual forma en caso de que el Regulado desista de la ejecución del proyecto. | | | | A.5.13. Cuando todas aquellas Instalaciones superficiales, así como edificaciones dejen de ser útiles para los propósitos para los que fueron instalados, se procederá al desmantelamiento y abandono, restaurando dicho sitio a sus condiciones originales. Esto aplicará de igual forma en caso de que el Regulado desista de la ejecución del proyecto. | |||||||||||||||||||||||||||||||||||||||||||||||||||||||||||||
| A.5.14. Apegarse a lo establecido en las normas oficiales mexicanas y demás ordenamientos jurídicos en materia de protección al ambiente y otras aplicables al proyecto para la realización de sus obras y actividades. | | | | A.5.14. Apegarse a lo establecido en las normas oficiales mexicanas y demás ordenamientos jurídicos en materia de protección al ambiente y otras aplicables al proyecto para la realización de sus obras y actividades. | |||||||||||||||||||||||||||||||||||||||||||||||||||||||||||||
| Sin texto | CRE UH-250/1961/2023 | Comentarios generales: I. En la mayor parte del citado Proyecto de Norma Oficial Mexicana, se menciona la palabra "Almacenamiento", específicamente para definir y hacer referencia al concepto de "Módulo de Almacenamiento Transportable" (MAT). Al respecto, se sugiere sustituir dicho concepto por "Módulo Contenedor Transportable" (MCT), ya que el Almacenamiento es una actividad regulada por esta Comisión independiente a la descompresión, y cuyo permiso ronda los seis millones de pesos. | NO PROCEDE Con fundamento en los artículos Cuarto Transitorio de la Ley de Infraestructura de la Calidad; 47, fracciones I y II de la Ley Federal sobre Metrología y Normalización; 5, fracción IV de la Ley de la Agencia Nacional de Seguridad Industrial y de Protección al Medio Ambiente del Sector Hidrocarburos; 33, párrafo tercero del Reglamento de la Ley Federal sobre Metrología y Normalización; y 2, 6, fracciones II y XIII, 10, fracción VI y XV de las Reglas de Operación del Comité Consultivo Nacional de Normalización de Seguridad Industrial y Operativa y Protección al Medio Ambiente del Sector Hidrocarburos, y derivado de la revisión y análisis al presente comentario, se determinó que NO PROCEDE ya que el objetivo y campo de aplicación de este Proyecto de Norma Oficial Mexicana indica que se está regulando la actividad de Descompresión de conformidad con lo establecido en el artículo 24 del Reglamento de las Actividades a que se refiere el Título Tercero de la Ley de Hidrocarburos, considerando las áreas, equipos, infraestructura y procesos necesarios para realizar dicha actividad; en este contexto, el término almacenamiento es utilizado como un equipo empleado en la Descompresión y no como una actividad del Sector Hidrocarburos, considerando que el artículo 20 del Reglamento de las Actividades a que se refiere el Título Tercero de la Ley de Hidrocarburos indica que el Almacenamiento como actividad del Sector Hidrocarburos comprende la actividad de recibir de Hidrocarburos, Petrolíferos o Petroquímicos propiedad de terceros, en los puntos de recepción de su instalación o Sistema, conservarlos en depósito, resguardarlos y devolverlos al depositante o a quien éste designe, en los puntos de entrega determinados en su instalación o Sistema. Adicional a lo anterior, el referido Reglamento define Sistema como "el conjunto de elementos empleados para el Transporte, Almacenamiento, Distribución, compresión, descompresión, licuefacción o regasificación, tales como Ductos, compresores, bombas, reguladores, medidores, tanques, depósitos, evaporadores y otros equipos e instalaciones"; en este sentido, algunas actividades del Sector Hidrocarburos emplearán recipientes de almacenamiento, áreas de almacenamiento u otros elementos de almacenamiento como parte de su proceso; mismos que no estarán realizando la actividad de Almacenamiento establecida en el citado Reglamento. | Sin texto. | |||||||||||||||||||||||||||||||||||||||||||||||||||||||||||||
| Sin texto | CRE UH-250/1961/2023 | Comentarios generales: [..] II. Considerando que: i) la instalación de descompresión está montada en semirremolques, ii) se señala como unidad de descompresión móvil y iii) se señala que permanece fija y de forma permanente en la instalación, se recomienda evaluar la pertinencia de no incluir en el proyecto de norma este tipo de instalación, debido a que: A. Los descompresores están amparados en los títulos de permisos y se encuentran ligados a un solo punto de descompresión; B. Los sistemas de descompresión no poseen infraestructura relativa a parque vehicular, ya que la naturaleza de la descompresión no es móvil, y C. Se considera que abriría el camino a los permisionarios que quisieran reubicar sus equipos por lapsos de tiempo en distintos puntos sin dar aviso a la Comisión, y ello interferirá con garantizar la continuidad del suministro hacia los usuarios finales. | PROCEDE PARCIALMENTE Con fundamento en los artículos Cuarto Transitorio de la Ley de Infraestructura de la Calidad; 47, fracciones I y II de la Ley Federal sobre Metrología y Normalización; 5, fracción IV de la Ley de la Agencia Nacional de Seguridad Industrial y de Protección al Medio Ambiente del Sector Hidrocarburos; y 2, 6, fracciones II y XIII, 10, fracción VI y XV de las Reglas de Operación del Comité Consultivo Nacional de Normalización de Seguridad Industrial y Operativa y Protección al Medio Ambiente del Sector Hidrocarburos, y derivado del estudio y análisis al comentario recibido, se determinó que PROCEDE PARCIALMENTE, no se excluye de este Proyecto de Norma a las instalaciones que cuentan con equipos de descompresión montados sobre una plataforma móvil, ya que son equipos que en la actualidad se están empleando y requieren medidas para prevenir, controlar y mitigar los riesgos asociados; sin embargo, con la finalidad de dar certeza sobre la aplicación de la norma, se realizan las siguientes modificaciones: - Se detalla el segundo párrafo del numeral 2, para precisar que la aplicación de la norma se realiza por instalación (punto de descompresión), tal como se indica en el objetivo del presente Proyecto de Norma Oficial Mexicana. - Se elimina el numeral 4.20 referente a la definición de Unidad de Descompresión Móvil, para evitar confusión respecto a que la actividad de descompresión es móvil, y se ajusta la redacción, sin alterar la naturaleza del requisito, de los numerales 5.2.1.3, 5.2.1.4, 5.5.5, 6.3.3, 6.8.2.2, inciso w) y 7.1.2 fracción V inciso h), para indicar que dentro de la instalación de descompresión se pueden tener equipos que estén montados sobre una plataforma móvil. En este sentido, con las modificaciones referidas se atienden los comentarios recibidos de la siguiente manera: A. Cada proyecto de Descompresión comprende las áreas, equipos, infraestructura y procesos situados en un punto específico, por lo que el equipo de descompresión que fue evaluado para un proyecto determinado (ya sea anclado sobre cimentación o montado sobre una plataforma móvil) permanecerá fijo en ese sitio durante el tiempo de vida del Proyecto. B. El uso del equipo de Descompresión sobre plataforma móvil permite solo el traslado de este hacia el punto donde será instalado, y posteriormente será evaluado como parte de la Instalación de descompresión, por lo que este instrumento no prevé que forme parte de un parque vehicular, motivo por el cual no se utiliza el término semirremolque. C. Conforme a lo establecido en el objetivo y evaluación de la conformidad, así como con las modificaciones realizadas derivadas de estos comentarios; el Proyecto de Norma considera que la reubicación de un equipo de descompresión (que hubiera estado anclado a la cimentación o sobre una plataforma móvil) a un punto diferente al declarado será tratado como un Proyecto nuevo con un equipo usado, lo cual resulta técnicamente viable ya que las consideraciones de seguridad pueden ser administradas y se tienen que evaluar los riesgos integrales del proyecto y no solo del equipo para la obtención de los diferentes dictámenes; en este sentido, el Regulado debe cumplir con las obligaciones asociadas a un proyecto nuevo con las instancias competentes, y corresponderá a estas determinar el otorgamiento de los permisos y autorizaciones pertinentes. | Sin texto. | |||||||||||||||||||||||||||||||||||||||||||||||||||||||||||||
| 1.-SECCIÓN/ CAPÍTULO/ ARTÍCULO/ PÁRRAFO/ FRACCIÓN/ INCISO | 5.-TEXTO FINAL DE LA REGULACIÓN |
| FIGURA 1- Radios de giro ![]() | FIGURA 1- Radios de giro ![]() |
| 1.-SECCIÓN/ CAPÍTULO/ ARTÍCULO/ PÁRRAFO/ FRACCIÓN/ INCISO | 5.-TEXTO FINAL DE LA REGULACIÓN |
![]() | ![]() |